Заводские цвета и расположение проводов автомобиля Audi А6 1997 года выпуска
| Цепь | Цвет | Полярность | Расположение |
| 12В постоянное | Красный | положительная | Провод к блоку реле |
| Зажигание | Черный\жёлтый | положительная | Провод к блоку реле |
| Багажник | Белый\жёлтый | - | Разъём за блоком реле |
| Поворотные огни | черный\белый черный\зелёный |
положительная | Разъём за боковой панелью у ног водителя |
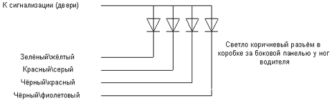
| Двери | - | - | См. схему. Светло коричневый разъём в коробке за боковой панелью у ног водителя |
| блокировка дверей (постановка на охрану) | Зелёный\голубой | отрицательная | Коричневый разъём в коробке за боковой панелью у ног водителя |
| разблокировка дверей (снятие с охраны) | Коричневый\жёлтый | отрицательная | Коричневый разъём в коробке за боковой панелью у ног водителя |
|
|
[Версия для печати] |