Manufacturer: Audi
Model: A4 1,8L Turbo
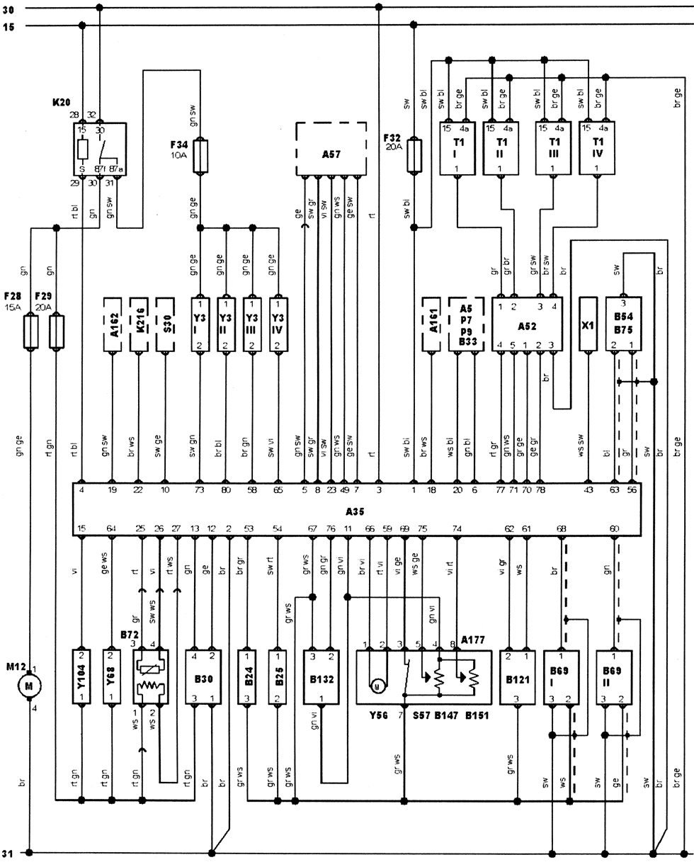
ECU: BOSCH MOTRONIC M3.8.2
Engine code: AEB
Tuned for: R-Cat


| Â121 | Barometric pressure (BARO) sensor |
| 30 | Battery + |
| 31 | Battery - |
| Â132 | Camshaft position (CMP) sensor |
| S57 | Closed throttle position (CTP) switch |
| Â54 | Crankshaft position (CKP) sensor |
| Õ1 | Data link connector (DLC) |
| A161 | Digital multifunction display |
| À35 | Engine control module (ECM) |
| Â24 | Engine coolant temperature (ÅÑÒ) sensor |
| Â75 | Engine speed (RPM) sensor |
| Y104 | Evaporative emission (EVAP) canister purge valve |
| Ì12 | Fuel pump |
| Ê20 | Fuel pump relay |
| F | Fuse |
| Â72 | Heated oxygen sensor (HO2S) |
| S30 | Heated rear window switch |
| Y56 | Idle speed control (ISC) actuator |
| B151 | Idle speed control (ISC) actuator position sensor |
| À52 | Ignition amplifier |
| Ò1 | Ignition coil |
| 15 | Ignition switch - ignition ON |
| À162 | Immobilizer control module |
| Y3 | Injector |
| À5 | Instrument panel |
| Â25 | Intake air temperature (IAT) sensor |
| Â69 | Knock sensor (KS) |
| B30 | Mass air flow (MAF) sensor |
| P7 | Tachometer |
| A177 | Throttle control unit |
| Â147 | Throttle position (TP) sensor |
| À57 | Transmission control module (TCM) |
| K216 | Transmission system relay |
| Y68 | Turbocharger (TC) wastegate regulating valve |
| B33 | Vehicle speed sensor (VSS) |
| P9 | Vehicle speedometer |
bl = blue
br = brown
el = cream
ge = yellow
gn = green
gr=grey
nf = neutral
og = orange
rs = pink
rt = red
sw = black
vi = violet
ws = white
hbl = light blue
hgn = light green
rbr = maroon