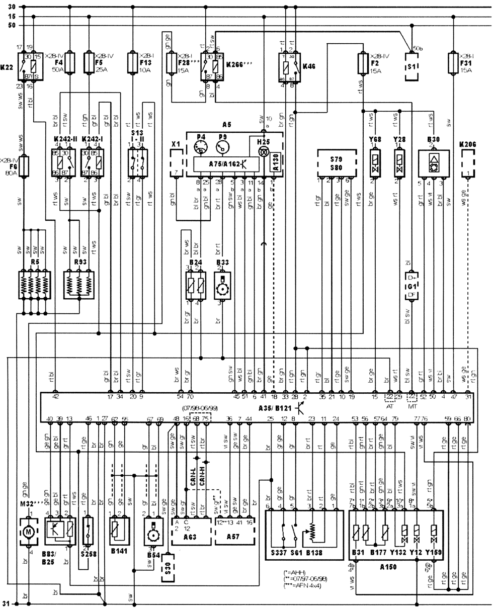
Manufacturer: Audi
Model: A4 1,9 TDI
ECU: BOSCH EDC 15V
Engine code: 1Z/AHU


| À63 | AC control module |
| B138 | Accelerator pedal position (APP) sensor |
| S337 | Accelerator pedal position (APP) switch |
| G1 | Alternator |
| Â121 | Barometric pressure (BARO) sensor |
| 30 | Battery + |
| 31 | Battery - |
| Â132 | Camshaft position (CMP) sensor |
| S13 | Brake pedal position (BPP) switch |
| S258 | Clutch pedal position (CPP) switch |
| Â54 | Crankshaft position (CKP) sensor |
| S79 | Cruise control master switch |
| S80 | Cruise control selector switch |
| Õ1 | Data link connector (DLC) |
| A130 | Diagnostic module |
| K46 | Engine control (EC) relay |
| À35 | Engine control module (ECM) |
| K206 | Engine coolant blower motor run-on relay |
| R93 | Engine coolant heater |
| K242-I | Engine coolant heater relay 1 - low output |
| K242-II | Engine coolant heater relay 2 - high output |
| Â24 | Engine coolant temperature (ÅÑÒ) sensor |
| P4 | Engine coolant temperature gauge |
| Y28 | Exhaust gas recirculation (EGR) solenoid |
| A150 | Fuel injection pump |
| Y132 | Fuel injection timing solenoid |
| Y159 | Fuel quantity adjuster |
| Â177 | Fuel quantity adjuster position sensor |
| Y12 | Fuel shut-off solenoid |
| B31 | Fuel temperature sensor |
| M32 | Fuel transfer pump |
| K266 | Fuel transfer pump relay |
| F | Fuse |
| K22 | Glow plug relay |
| H25 | Glow plug warning lamp |
| R5 | Glow plugs |
| S30 | Heated rear window switch (without AC) |
| S1 | Ignition switch |
| 15 | Ignition switch - ignition ON |
| 50 | Ignition switch - start signal |
| À162 | Immobilizer control module |
| B141 | Injector needle lift sensor |
| A5 | Instrument panel |
| A75 | Instrumentation control module |
| Â25 | Intake air temperature (IAT) sensor |
| B83 | Manifold absolute pressure (MAP) sensor |
| B30 | Mass air flow (MAF) sensor |
| À57 | Transmission control module (TCM) |
| S61 | Transmission kick-down switch |
| Y68 | Turbocharger (TC) wastegate regulating valve |
| B33 | Vehicle speed sensor (VSS) |
| P9 | Vehicle speedometer |
bl = blue
br = brown
el = cream
ge = yellow
gn = green
gr=grey
nf = neutral
og = orange
rs = pink
rt = red
sw = black
vi = violet
ws = white
hbl = light blue
hgn = light green
rbr = maroon