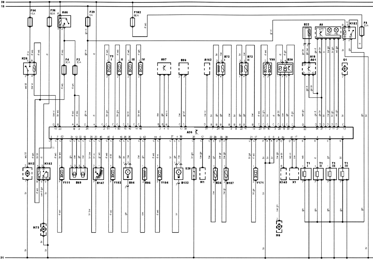
Manufacturer: BMW
Model: 3 Series (E46) 1,6L
ECU: BOSCH BMS46
Engine code: 16 4E 3
Tuned for: R-Cat
Year: 1999-01

| A16 | ABS control module |
| B22 | ABS wheel speed sensor, right rear |
| Ê143 | AC compressor clutch relay |
| G1 | Alternator |
| 30 | Battery + |
| 31 | Battery - |
| Y171 | Brake servo vacuum valve |
| Â132 | Camshaft position (CMP) sensor |
| Â54 | Crankshaft position (CKP) sensor |
| Õ1 | Data link connector (DLC) |
| À35 | Engine control module (ECM) |
| Ê46 | Engine control relay |
| M6 | Engine coolant blower motor |
| B187 | Engine coolant blower motor temperature sensor |
| Â24 | Engine coolant temperature (ÅÑÒ) sensor |
| R96 | Engine coolant thermostat |
| B86 | Engine oil level sensor |
| H37 | Engine oil level warning lamp |
| H5 | Engine oil pressure warning lamp |
| S25 | Engine oil pressure warning lamp switch |
| Y104 | Evaporative emission (EVAP) canister purge valve |
| Ì12 | Fuel pump |
| Ê20 | Fuel pump relay |
| F | Fuse |
| Â72 | Heated oxygen sensor (HO2S) |
| Y99 | Idle air control (IAC) valve |
| Ò1 | Ignition coil |
| 15 | Ignition switch - ignition ON |
| A162 | Immobilizer control module |
| Y3 | Injector |
| À5 | Instrument panel |
| A75 | Instrumentation control module |
| Y102 | Intake manifold air control solenoid |
| Â69 | Knock sensor (KS) |
| Â30 | Mass air flow (MAF) sensor |
| M73 | Secondary air injection (AIR) pump |
| K152 | Secondary air injection (AIR) pump relay |
| Y111 | Secondary air injection (AIR) solenoid |
| M1 | Starter motor |
| Â147 | Throttle position (TP) sensor |
| A61 | Traction control module |
| À57 | Transmission control module (TCM) |
bl = blue
br = brown
el = cream
ge = yellow
gn = green
gr=grey
nf = neutral
og = orange
rs = pink
rt = red
sw = black
vi = violet
ws = white
hbl = light blue
hgn = light green
rbr = maroon