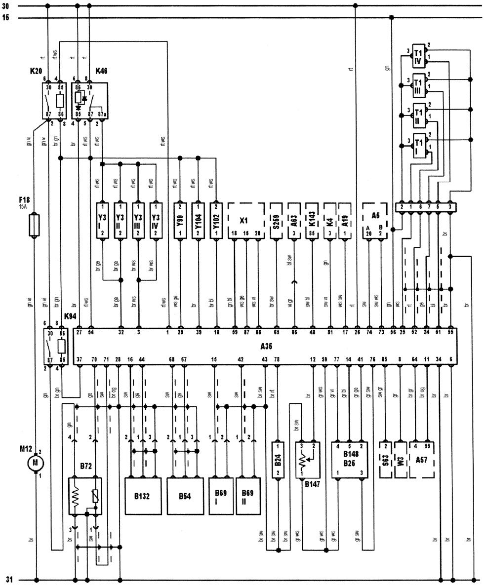
Manufacturer: BMW
Model: 3 Series (E36) 1,8L
ECU: MOTRONIC 1.7.2
Engine code: 18 4E 2
Tuned for: R-Cat
Year: 1994-99


| Ê143 | AC compressor clutch relay |
| À63 | AC control module |
| S63 | AC refrigerant pressure switch |
| 30 | Battery + |
| 31 | Battery - |
| Â132 | Camshaft position (CMP) sensor |
| Â54 | Crankshaft position (CKP) sensor |
| Õ1 | Data link connector (DLC) |
| À35 | Engine control module (ECM) |
| Ê46 | Engine control relay |
| Â24 | Engine coolant temperature (ÅÑÒ) sensor |
| Y104 | Evaporative emission (EVAP) canister purge valve |
| Ì12 | Fuel pump |
| Ê20 | Fuel pump relay |
| F | Fuse |
| Â72 | Heated oxygen sensor (HO2S) |
| Y99 | Idle air control (IAC) valve |
| Ò1 | Ignition coil |
| 15 | Ignition switch - ignition ON |
| Y3 | Injector |
| À5 | Instrument panel |
| Â25 | Intake air temperature (IAT) sensor |
| Y102 | Intake manifold air control solenoid |
| Â69 | Knock sensor (KS) |
| Ê94 | Oxygen sensor heater relay |
| S259 | Park/neutral position (PNP) switch |
| W3 | Spare cable |
| Ê4 | Starter motor relay |
| Â147 | Throttle position (TP) sensor |
| À57 | Transmission control module (TCM) |
| À19 | Trip computer |
| Â148 | Volume air flow (VAF) sensor |
bl = blue
br = brown
el = cream
ge = yellow
gn = green
gr=grey
nf = neutral
og = orange
rs = pink
rt = red
sw = black
vi = violet
ws = white
hbl = light blue
hgn = light green
rbr = maroon