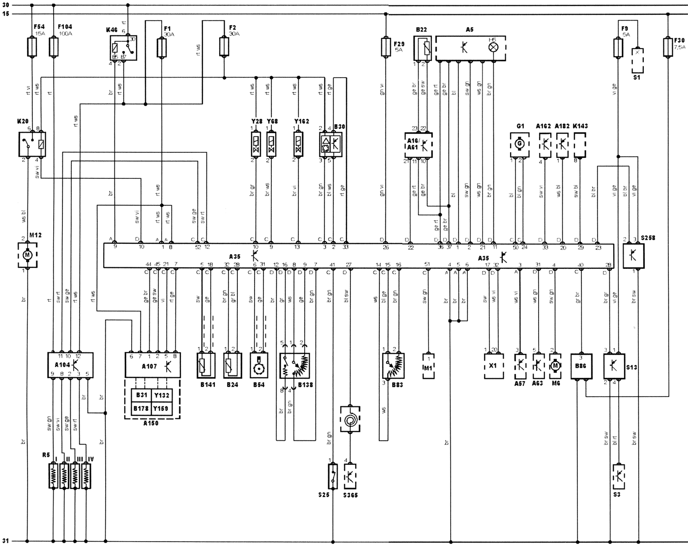
Manufacturer: BMW
Model: 3 Series (E46) 2,0L
Engine code: 20 4D 1
Year: 1998-03


| À16 | ABS control module |
| B22 | ABS wheel speed sensor, right rear |
| Ê143 | AC compressor clutch relay |
| À63 | AC control module |
| B138 | Accelerator pedal position (APP) sensor |
| G1 | Alternator |
| A182 | Auxiliary heater control module |
| 30 | Battery + |
| 31 | Battery - |
| S13 | Brake pedal position (BPP) switch |
| S258 | Clutch pedal position (CPP) switch |
| B54 | Crankshaft position (CKP) sensor |
| Õ1 | Data link connector (DLC) |
| À35 | Engine control module (ECM) |
| Ê46 | Engine control relay |
| M6 | Engine coolant blower motor |
| Y162 | Engine coolant radiator flap solenoid |
| Â24 | Engine coolant temperature (ÅÑÒ) sensor |
| B86 | Engine oil level sensor |
| S25 | Engine oil pressure switch |
| H5 | Engine oil pressure warning lamp |
| Y28 | Exhaust gas recirculation (EGR) solenoid |
| A107 | Fuel injection pump control module |
| Y132 | Fuel injection timing solenoid |
| Ì12 | Fuel pump |
| Ê20 | Fuel pump relay |
| Y159 | Fuel quantity adjuster |
| B31 | Fuel temperature sensor |
| F | Fuse |
| R5 | Glow plug |
| A104 | Glow plug control module |
| S3 | Headlamp switch |
| S1 | Ignition switch |
| 15 | Ignition switch - ignition ON |
| A162 | Immobilizer control module |
| A150 | Injection pump assembly |
| B178 | Injection pump position sensor |
| B141 | Injector needle lift sensor |
| À5 | Instrument panel |
| B83 | Manifold absolute pressure (MAP) sensor |
| B30 | Mass air flow (MAF) sensor |
| M1 | Starter motor |
| S365 | Steering wheel multifunction switch |
| A61 | Traction control module |
| À57 | Transmission control module (TCM) |
| Y68 | Turbocharger (TC) wastegate regulating valve |
bl = blue
br = brown
el = cream
ge = yellow
gn = green
gr=grey
nf = neutral
og = orange
rs = pink
rt = red
sw = black
vi = violet
ws = white
hbl = light blue
hgn = light green
rbr = maroon