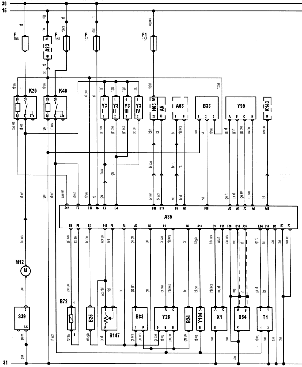
Manufacturer: Fiat
Model: Punto 1,6
ECU: GM ITMS-6
Engine code: 176A9.000


| Ê143 | AC compressor clutch relay |
| À63 | AC control module |
| À23 | Alarm system control module |
| 30 | Battery + |
| 31 | Battery - |
| B54 | Crankshaft position (CKP) sensor |
| X1 | Data link connector (DLC) |
| A35 | Engine control module (ECM) |
| Ê46 | Engine control relay |
| B24 | Engine coolant temperature (ÅÑÒ) sensor |
| H63 | Engine malfunction indicator lamp (MIL) |
| Y104 | Evaporative emission (EVAP) canister purge valve |
| M12 | Fuel pump |
| Ê20 | Fuel pump relay |
| F | Fuse |
| Y99 | Idle air control (IAC) valve |
| T1 | Ignition coil |
| 15 | Ignition switch - ignition ON |
| S39 | Inertia fuel shut-off (IFS) switch |
| Y3 | Injector |
| À5 | Instrument panel - MIL light |
| B25 | Intake air temperature (IAT) sensor |
| B83 | Manifold absolute pressure (MAP) sensor |
| Â72 | Oxygen sensor (O2S) |
| B147 | Throttle position (TP) sensor |
| ÂÇÇ | Vehicle speed sensor (VSS) |
bl = blue
br = brown
el = cream
ge = yellow
gn = green
gr=grey
nf = neutral
og = orange
rs = pink
rt = red
sw = black
vi = violet
ws = white
hbl = light blue
hgn = light green
rbr = maroon