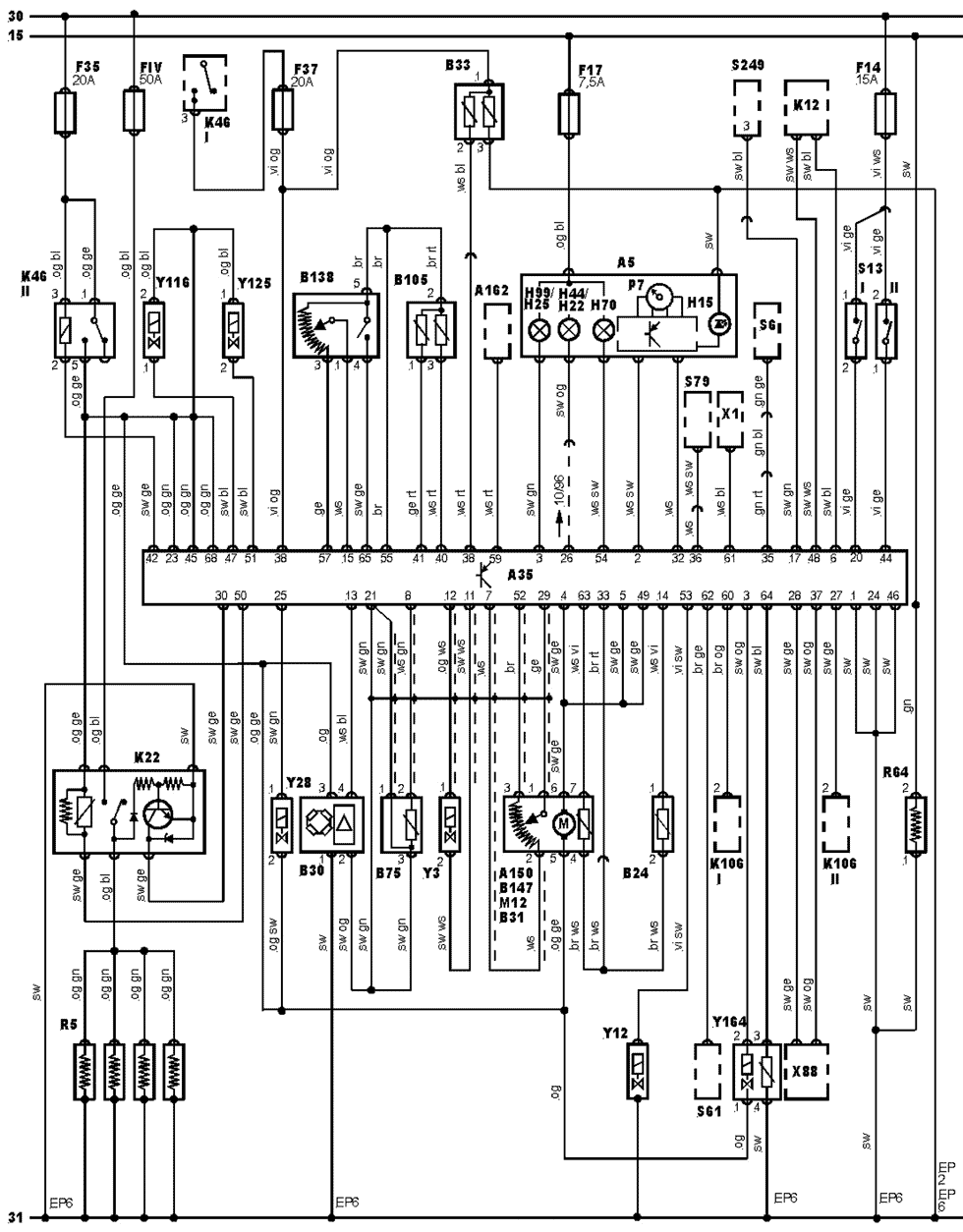
Manufacturer: Ford
Model: Scorpio 2,5D TCI
Engine code: SCD

| X88 | AC connector |
| B138 | Accelerator pedal position (APP) sensor |
| 30 | Battery + |
| 31 | Battery - |
| S13 | Brake pedal position (BPP) switch |
| Y125 | Cold start injection advance solenoid |
| S6 | Combination switch |
| H70 | Cruise control indicator lamp |
| S79 | Cruise control master switch |
| Õ1 | Data link connector (DLC) |
| À35 | Engine control module (ECM) |
| K46 | Engine control relay |
| Ê12 | Engine coolant blower motor relay |
| Â24 | Engine coolant temperature (ECT) sensor |
| B75 | Engine speed (RPM) sensor |
| Y28 | EGR system valve |
| R64 | Fuel filter heater |
| H15 | Fuel 'low' warning lamp |
| Ì12 | Fuel pump |
| Y12 | Fuel shut-off solenoid |
| B31 | uel temperature sensor |
| F | Fuse |
| K22 | Glow plug relay |
| 15 | Ignition switch - ignition ON |
| A162 | Immobilizer control module |
| A150 | Injection pump assembly |
| Y3 | Injector |
| À5 | Instrument panel |
| B30 | Mass air flow (MAF) sensor |
| P7 | Tachometer |
| Â147 | Throttle position (TP) sensor |
| K106 | Transmission kick-down relay |
| S61 | Transmission kick-down switch |
| Y164 | Transmission load solenoid |
| S259 | Park/neutral position (PNP) switch |
| Y116 | Turbocharger (TC) wastegate actuator |
| B105 | Turbocharger (TC) wastegate pressure sensor |
| ÂÇÇ | Vehicle speed sensor (VSS) |
bl = blue
br = brown
el = cream
ge = yellow
gn = green
gr=grey
nf = neutral
og = orange
rs = pink
rt = red
sw = black
vi = violet
ws = white
hbl = light blue
hgn = light green
rbr = maroon