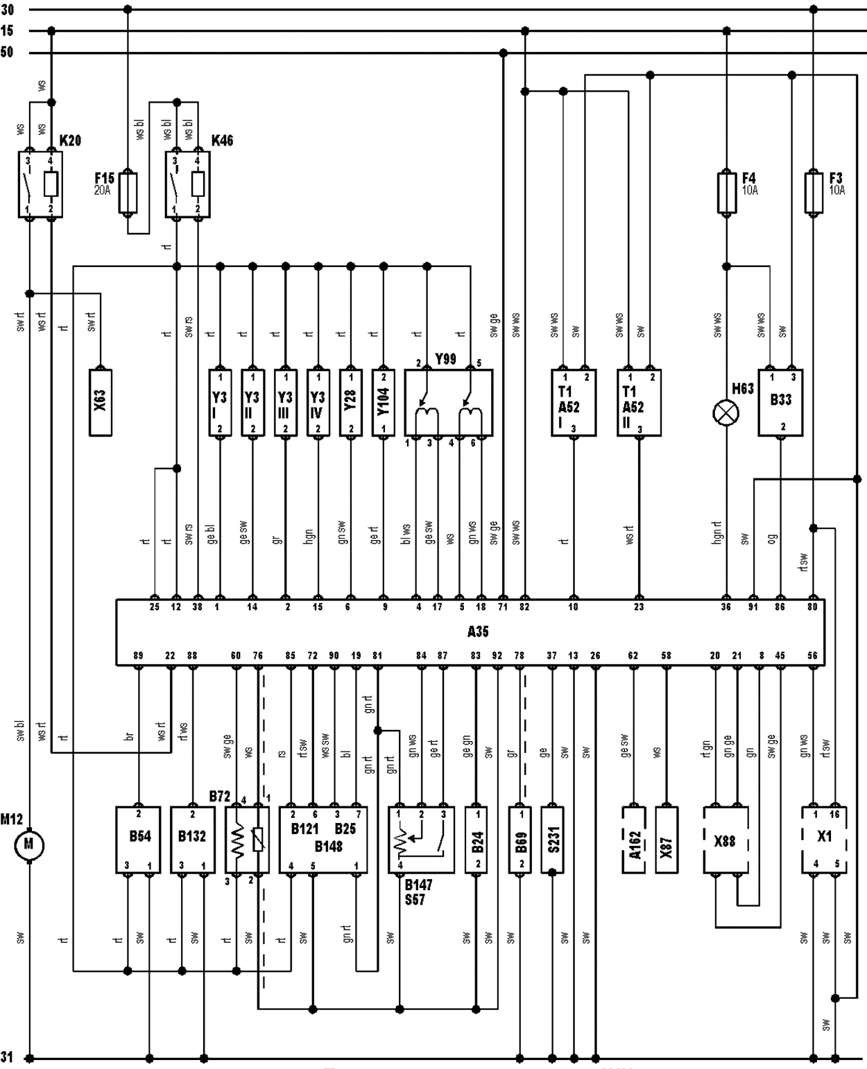
Manufacturer: Mitsubishi
Model: Carisma 1,6L Manual Transmission
Engine code: 4G92
Tuned for: R-Cat


| X88 | AC connector |
| B121 | Barometric pressure (BARO) sensor |
| 30 | Battery + |
| 31 | Battery - |
| Â132 | Camshaft position (CMP) sensor |
| S57 | Closed throttle position (CTP) switch |
| Â54 | Crankshaft position (CKP) sensor |
| Õ1 | Data link connector (DLC) |
| À35 | Engine control module (ECM) |
| K46 | Engine control relay |
| Â24 | Engine coolant temperature (ÅÑÒ) sensor |
| H63 | Engine malfunction indicator lamp (MIL) |
| Y104 | Evaporative emission (EVAP) canister purge valve |
| Y28 | Exhaust gas recirculation (EGR) valve |
| Ì12 | Fuel pump |
| X63 | Fuel pump diagnostic link |
| Ê20 | Fuel pump relay |
| F | Fuse |
| Â72 | Heated oxygen sensor (HO2S) |
| Y99 | Idle air control (IAC) valve |
| À52 | Ignition amplifier |
| Ò1 | Ignition coil |
| 15 | Ignition switch - ignition ON |
| À162 | Immobilizer control module |
| Y3 | Injector |
| Â25 | Intake air temperature (IAT) sensor |
| Â69 | Knock sensor (KS) |
| S231 | Power steering pressure (PSP) switch |
| K46 | Relay module - Carisma 1996-97 |
| X87 | Tachometer diagnostic link |
| Â147 | Throttle position (TP) sensor |
| B33 | Vehicle speed sensor (VSS) |
| Â148 | Volume air flow (VAF) sensor |
bl = blue
br = brown
el = cream
ge = yellow
gn = green
gr=grey
nf = neutral
og = orange
rs = pink
rt = red
sw = black
vi = violet
ws = white
hbl = light blue
hgn = light green
rbr = maroon