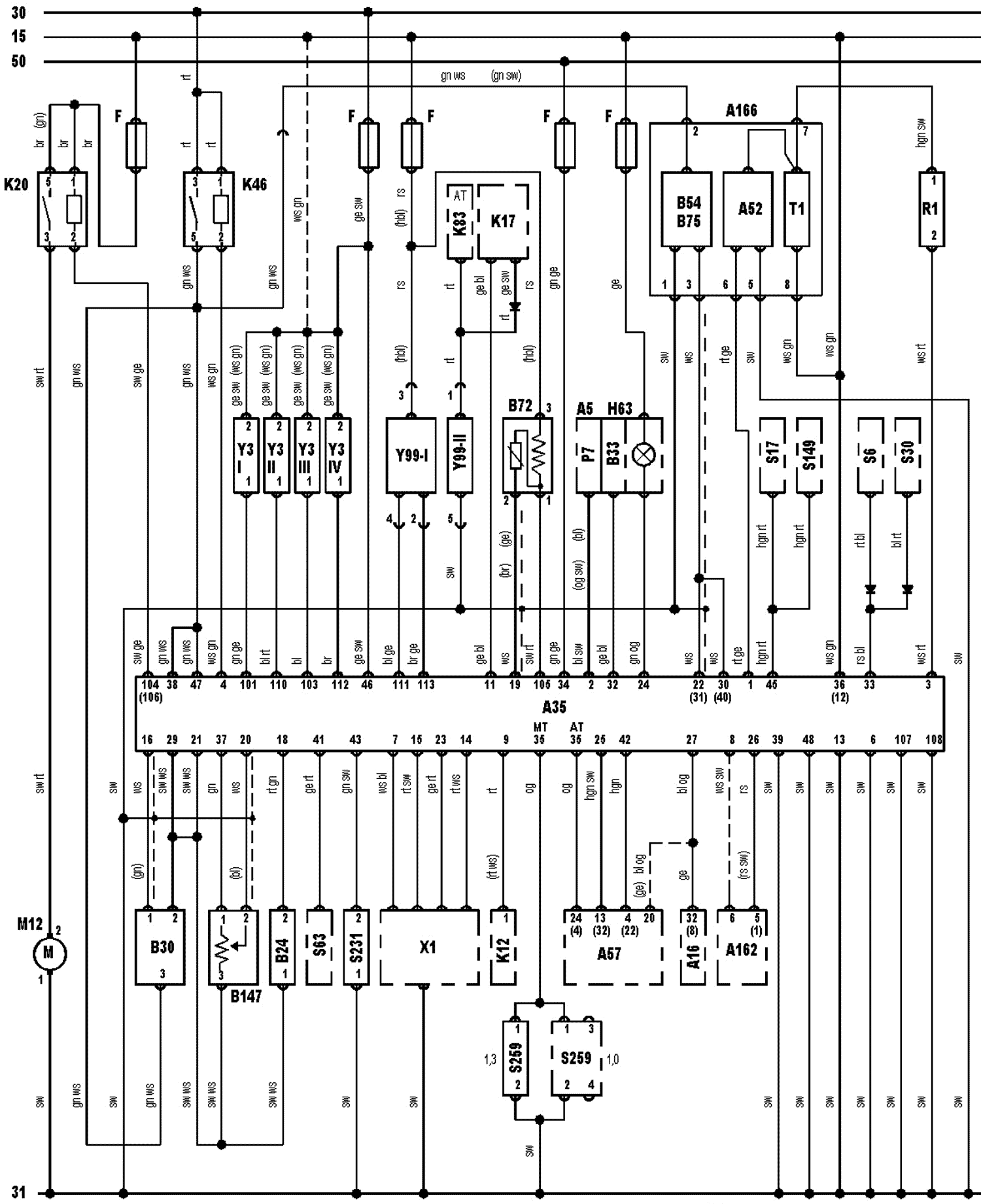
Manufacturer: Nissan
Model: Micra (K11) 1,3L
Engine code: CG13DE
Tuned for: R-Cat


| A16 | ABS control module |
| S149 | AC master switch |
| S63 | AC refrigerant pressure switch |
| K17 | AC relay |
| 30 | Battery + |
| 31 | Battery - |
| S6 | Combination switch |
| Â54 | Crankshaft position (CKP) sensor |
| Õ1 | Data link connector (DLC) |
| À35 | Engine control module (ECM) |
| K46 | Engine control relay |
| K12 | Engine coolant blower motor relay |
| Â24 | Engine coolant temperature (ÅÑÒ) sensor |
| H63 | Engine malfunction indicator lamp (MIL) |
| B75 | Engine speed (RPM) sensor |
| Ì12 | Fuel pump |
| Ê20 | Fuel pump relay |
| F | Fuse |
| Â72 | Heated oxygen sensor (HO2S) |
| S30 | Heated rear window switch |
| S17 | Heater/AC motor switch |
| K83 | Idle speed control relay |
| À52 | Ignition amplifier |
| Ò1 | Ignition coil |
| R1 | Ignition coil ballast resistor |
| 15 | Ignition switch - ignition ON |
| 50 | Ignition switch - start signal |
| À162 | Immobilizer control module |
| Y3 | Injector |
| B30 | Mass air flow (MAF) sensor |
| S259 | Park/neutral position (PNP) switch |
| S231 | Power steering pressure (PSP) switch |
| P7 | Tachometer |
| Â147 | Throttle position (TP) sensor |
| A57 | Transmission control module (TCM) |
| B33 | Vehicle speed sensor (VSS) |
bl = blue
br = brown
el = cream
ge = yellow
gn = green
gr=grey
nf = neutral
og = orange
rs = pink
rt = red
sw = black
vi = violet
ws = white
hbl = light blue
hgn = light green
rbr = maroon