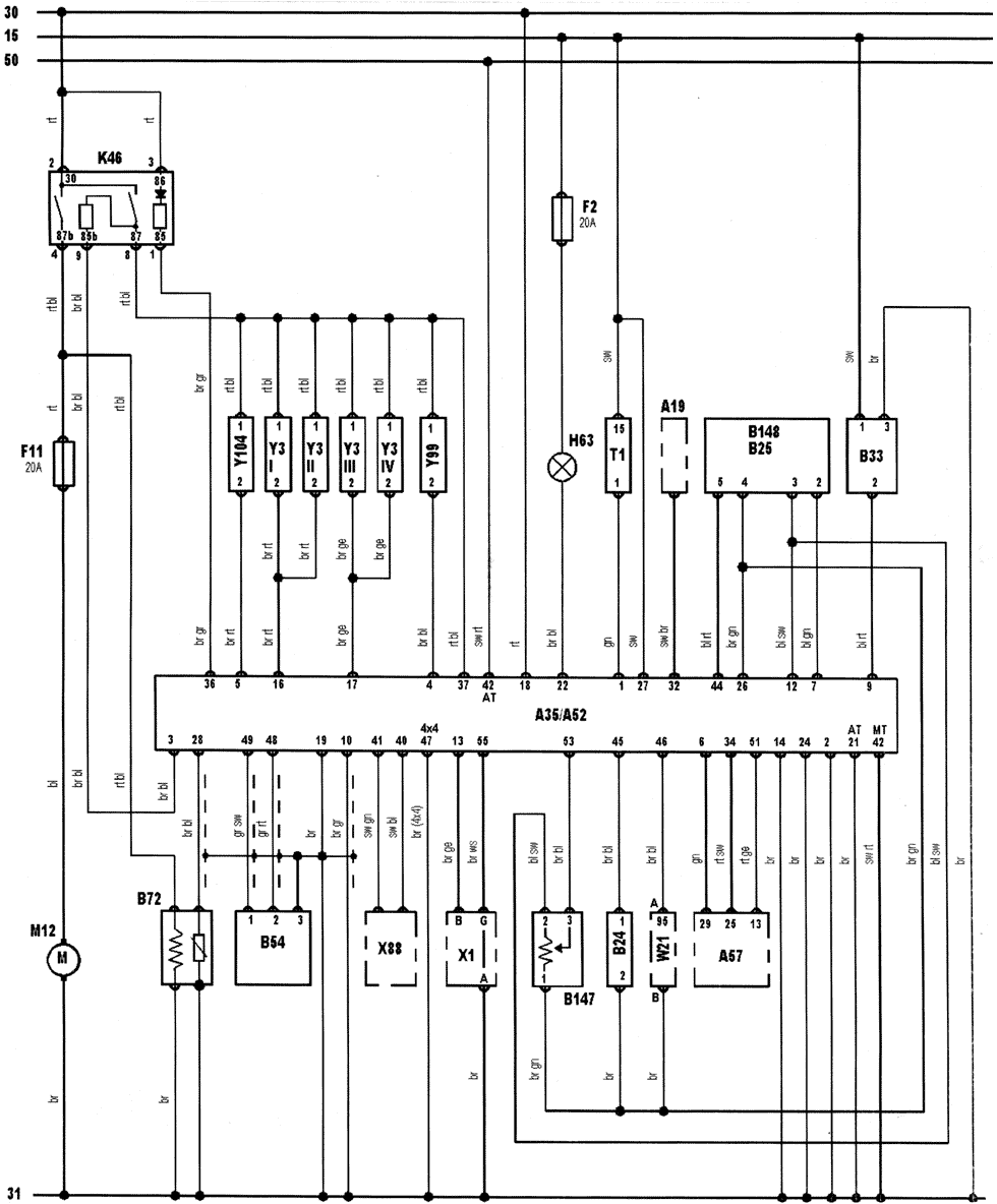
Manufacturer: Opel
Model: Vectra-A/Cavalier 2,0L
ECU: Bosch Motronic M1.5
Engine code: C20NE
Tuned for: R-Cat


| Õ88 | AC connector |
| 30 | Battery + |
| 31 | Battery - |
| Â54 | Crankshaft position (CKP) sensor |
| Õ1 | Data link connector (DLC) |
| À35 | Engine control module (ECM) |
| Â24 | Engine coolant temperature (ÅÑÒ) sensor |
| Í63 | Engine malfunction indicator lamp (MIL) |
| Y104 | Evaporative emission (EVAP) canister purge valve |
| Ì12 | Fuel pump |
| F | Fuse |
| Â72 | Heated oxygen sensor (HO2S) |
| Y99 | Idle air control (IAC) valve |
| À52 | Ignition amplifier |
| Ò1 | Ignition coil |
| 15 | Ignition switch - ignition ON |
| 50 | Ignition switch - start signal |
| Y3 | Injector |
| Â25 | Intake air temperature (IAT) sensor |
| W21 | Octane coding plug |
| Ê46 | Relay module |
| Â147 | Throttle position (TP) sensor |
| À57 | Transmission control module (TCM) |
| À19 | Trip computer |
| ÂÇÇ | Vehicle speed sensor (VSS) |
| Â148 | Volume air flow (VAF) sensor |
bl = blue
br = brown
el = cream
ge = yellow
gn = green
gr=grey
nf = neutral
og = orange
rs = pink
rt = red
sw = black
vi = violet
ws = white
hbl = light blue
hgn = light green
rbr = maroon