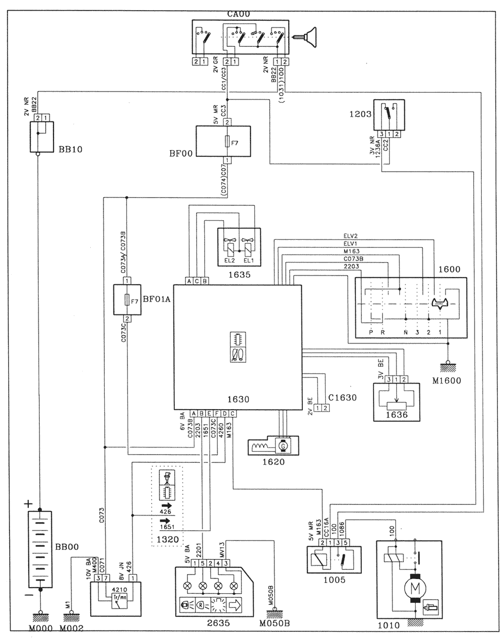
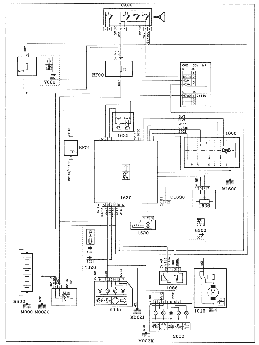
BB00: battery.
BB10: battery + ve control unit.
BF00: fuse box.
CA00: ignition switch.
BF01A: additional fuse box.
1005: starter inhibitor relay.
1010: starter.
1320: ignition injection control unit.
1600: selector lever position switch.
1620: vehicle speed sensor.
1630: automatic transmission control unit.
1635: automatic gearbox electrohydraulic block.
1636: automatic gearbox potentiometer.
2635: right-hand tail lamp.
M000: main earth.
M002: earth.
M050B: earth.
M1600: multi-function switch and control unit earth.
Ñ 1630: diagnostic connector.
FSC 10 AV: front harness.
FSC 20 MOT: engine harness.
FSC 50 P/B: fascia harness.
FSC 71 AR: rear harness.
ÂÀ: white.
BE: blue.
GR: grey.
JN: yellow.
MR: brown.
NR: black.
VE: green.



