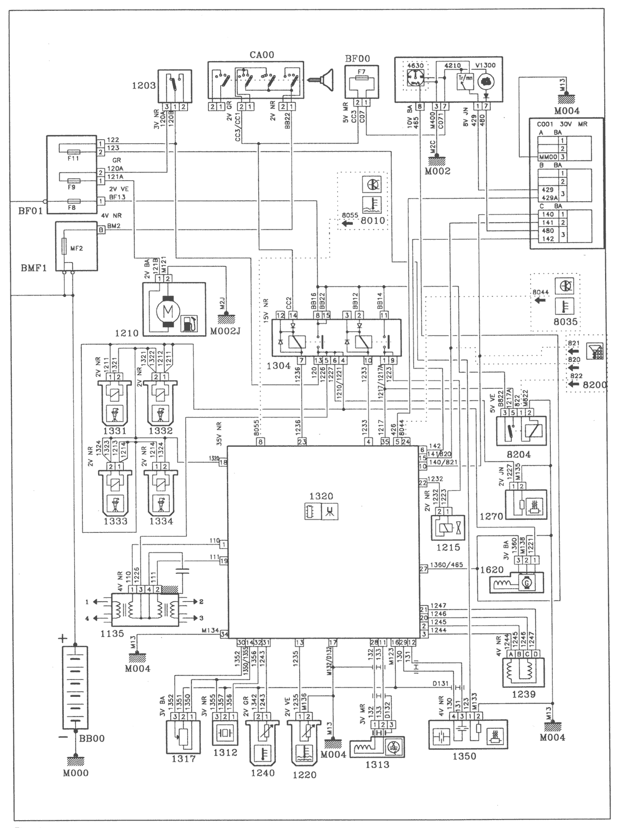
B001 bridge block.
B002 bridge block.
BB00 battery.
BF00 fuse box.
BF01 fuse box.
BMF1 maxi fuse unit.
C001 diagnostic connector.
CA00 ignition switch.
V1300 injection ignition test warning lamp.
0004 instrument panel.
1135 ignition coil.
1203 inertia switch.
1210 fuel pump.
1215 purge canister solenoid valve.
1220 coolant thermistor.
1225 idling regulation stepper motor.
1240 inlet air thermistor.
1270 throttle housing heating resistor.
1304 injection multi-function double relay.
1312 inlet manifold pressure sensor.
1313 engine speed sensor.
1317 throttle potentiometer.
1320 ignition injection control unit.
1331 injector cylinder no. 1.
1332 injector cylinder no. 2.
1333 injector cylinder no. 3.
1334 injector cylinder no. 4.
1350 oxygen sensor.
1620 vehicle speed sensor.
4210 tachometer.
4630 speedometer.
8010 air conditioning engine coolant temperature unit.
8035 passenger compartment temperature electronic thermostat.
8200 coded anti-start keypad.
05 PR: main harness.
20 MOT: engine harness.
22 ÌÎÒ/Ñ: additional engine harness.
BA: white.
BE: blue.
BG: beige.
GR: grey.
JN: yellow.
MR: brown.
NR: black.
RG: red.
RS: pink.
VE: green.
VI: mauve.


