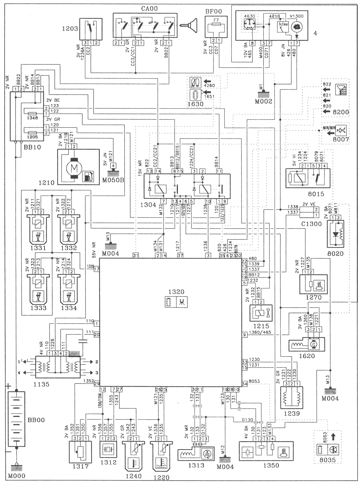
BB00 battery.
BB10 battery + ve control unit.
BF00 passenger compartment fuse box.
CA00 ignition switch.
Ñ1105 ignition suppression connector.
Ñ1300 injection-ignition test connector.
V1000 load warning lamp.
V1300 injection ignition test warning lamp.
1135 static ignition coil.
1203 inertia switch.
1205 fuel pump fuse.
1210 fuel pump.
1215 purge canister solenoid valve.
1220 coolant thermistor.
1239 idling regulation solenoid valve.
1240 inlet air thermistor.
1270 carburettor or throttle housing heater resistor.
1304 injection multi-function double relay.
1312 inlet manifold pressure sensor.
1313 engine speed sensor.
1317 throttle potentiometer.
1320 ignition injection control unit.
1331 injector cylinder no. 1.
1332 injector cylinder no. 2.
1333 injector cylinder no. 3.
1334 injector cylinder no. 4.
1348 oxygen sensor heater fuse.
1350 oxygen sensor.
1620 vehicle speed sensor.
1630 automatic transmission control unit.
4 instrument panel.
4210 tachometer.
4630 speedometer.
8007 pressostat.
8015 air conditioning compressor cut-off relay (according to specification).
8020 air conditioning compressor (according to specification).
8035 passenger compartment temperature electronic thermostat.
8200 coded anti-start keypad.
FSC 05 PR: octopus harness.
FSC 20 MOT: engine harness.
FSC 22 ÌÎÒ/Ñ: additional engine harness.
ÂÀ: white.
BE: blue.
GR: grey.
JN: yellow.
MR: brown.
NR: black.
RG: red.
VE: green.
VI: mauve.



