ÍÀÇÀÄ

PEUGEOT 106

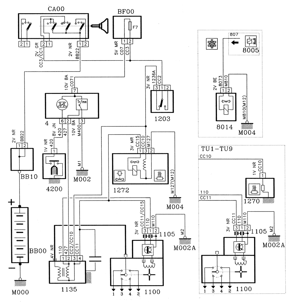
ENGINE TYPE: TU1-TU9-TU32

IGNITION SYSTEM/CARBURATION

I ---> 51 000 000

WIRING DIAGRAMS:

SCHEMATIC DIAGRAMS :

INSTALLATION DIAGRAMS :

WIRING DIAGRAMS :

16.04.2000