ÍÀÇÀÄ

PEUGEOT 306

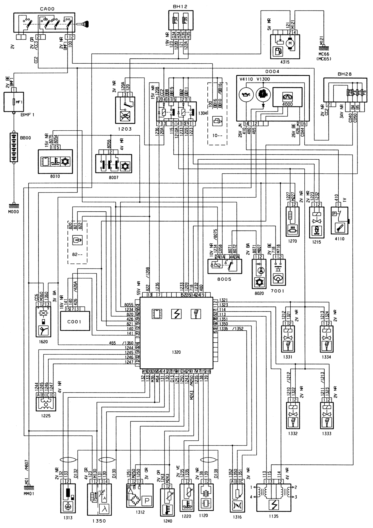
ENGINE TYPE: TU3JP/L3

INJECTION/IGNITION SAGEM SL 96 / TACHOMETER / ELECTRICAL SPEEDOMETER

I ---> 8211

WIRING DIAGRAMS:

SCHEMATIC DIAGRAMS :

WIRING DIAGRAMS :

17.06.2000