ÍÀÇÀÄ

PEUGEOT 306

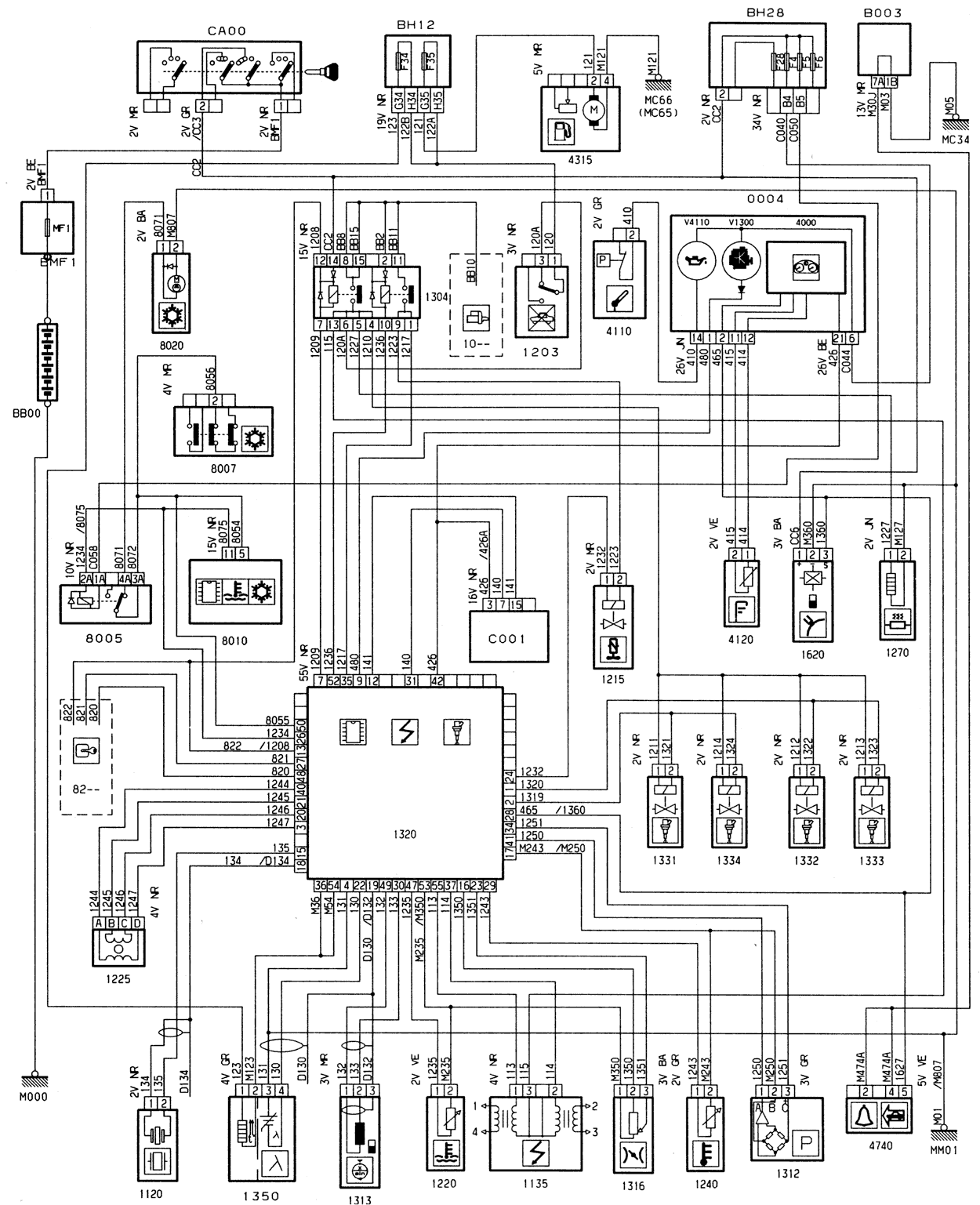
ENGINE TYPE: XU7JP4

INJECTION/IGNITION SAGEM EC02 / TACHOMETER / ELECTRICAL SPEEDOMETER

I ---> 8211

WIRING DIAGRAMS:

SCHEMATIC DIAGRAMS :

WIRING DIAGRAMS :

7.06.2000