ÍÀÇÀÄ

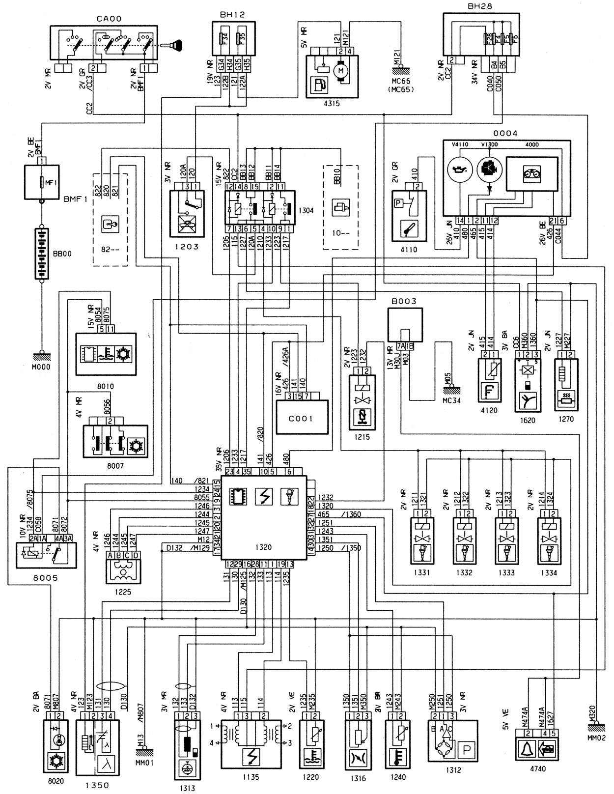
PEUGEOT 306

ENGINE TYPE: XU7JPZ/K

INJECTION/IGNITION MAGNETI MARELLI MM8P / TACHOMETER / ELECTRICAL SPEEDOMETER

I ---> 8211

WIRING DIAGRAMS:

SCHEMATIC DIAGRAMS :

WIRING DIAGRAMS :

7.06.2000