ÍÀÇÀÄ

PEUGEOT 306

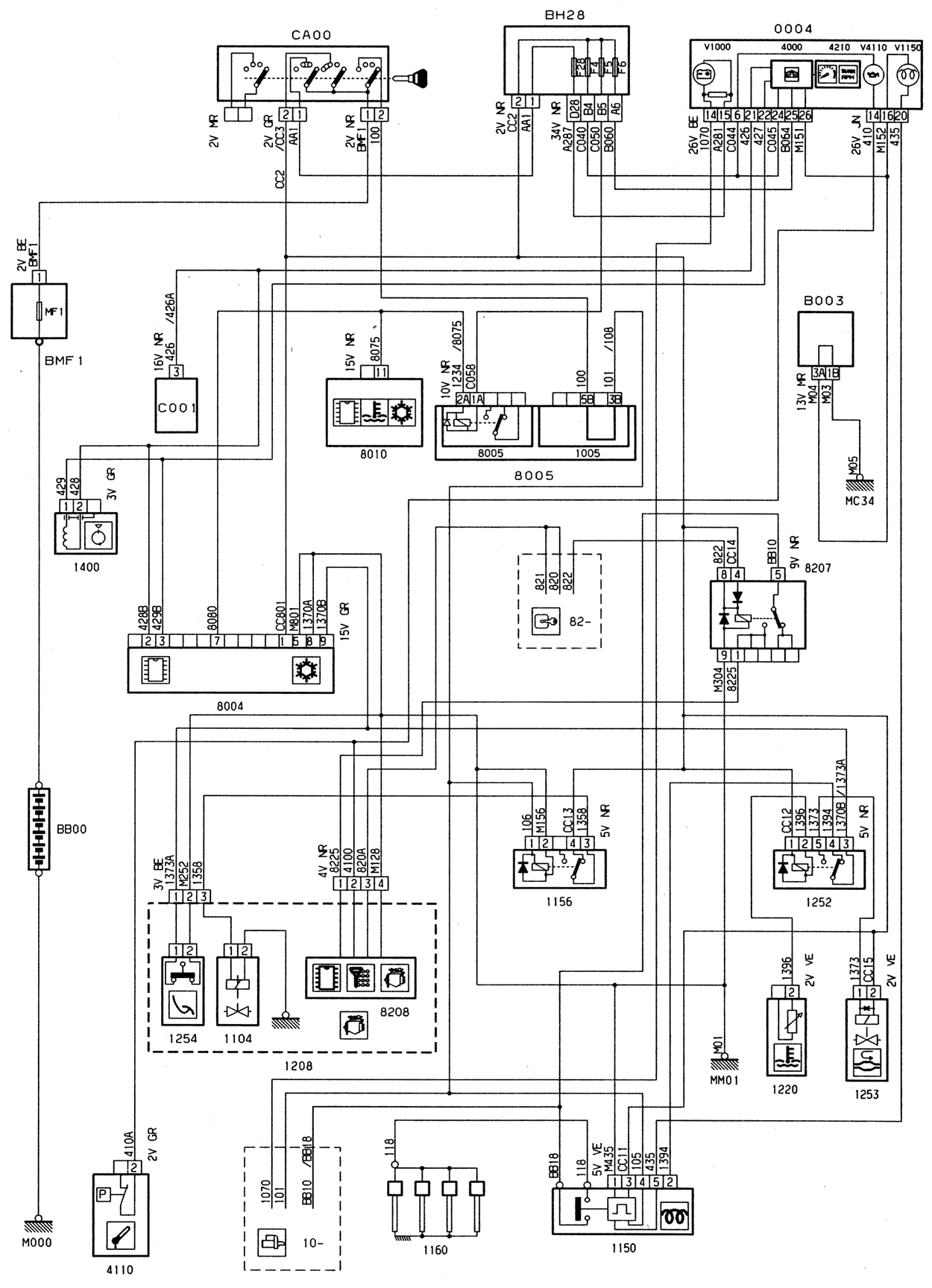
ENGINE TYPE: XUD9TE/L3

I ---> 8211

WIRING DIAGRAMS:

SCHEMATIC DIAGRAMS :

WIRING DIAGRAMS :

3.06.2000