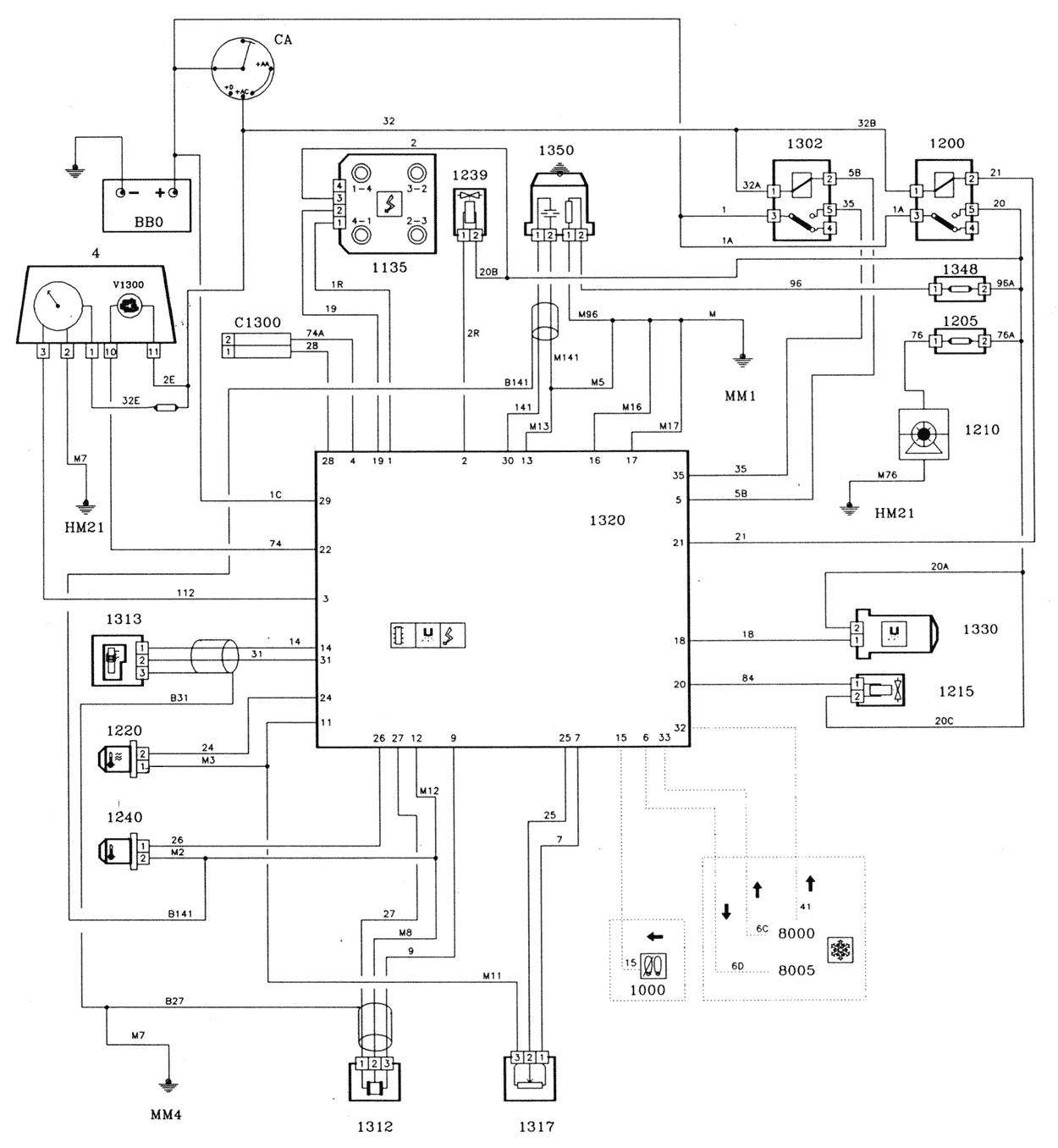
BB0 Battery
BB1 Battery plus unit
CA Ignition switch
PSF Connection board - Fuse box
C1300 Injection-ignition test connector
V1300 Injection-ignition test warning lamp
1000 Starter inhibitor switch (automatic transmission)*
1135 Ignition coil
1200 Fuel pump relay
1205 Fuel pump fuse
1210 Fuel pump
1215 Canister purge solenoid valve*
1220 Coolant thermistor
1239 Idle regulation valve
1240 Inlet air thermistor
1302 Injection supply relay
1312 Inlet manifold pressure sensor
1313 Engine speed sensor
1317 Throttle potentiometer
1320 Injection-ignition control unit
1330 Injector
1348 Oxygen sensor heater fuse
1350 Oxygen sensor
4 Instrument panel
8000 Air conditioning switch*
8005 Air conditioning switch*
8020 Compressor supply relay*
* According to equipment
BA : White
MR : Brown
BE : Blue
NR : Black
GR : Grey
VE : Green
JN : Yellow
VI : Mauve


