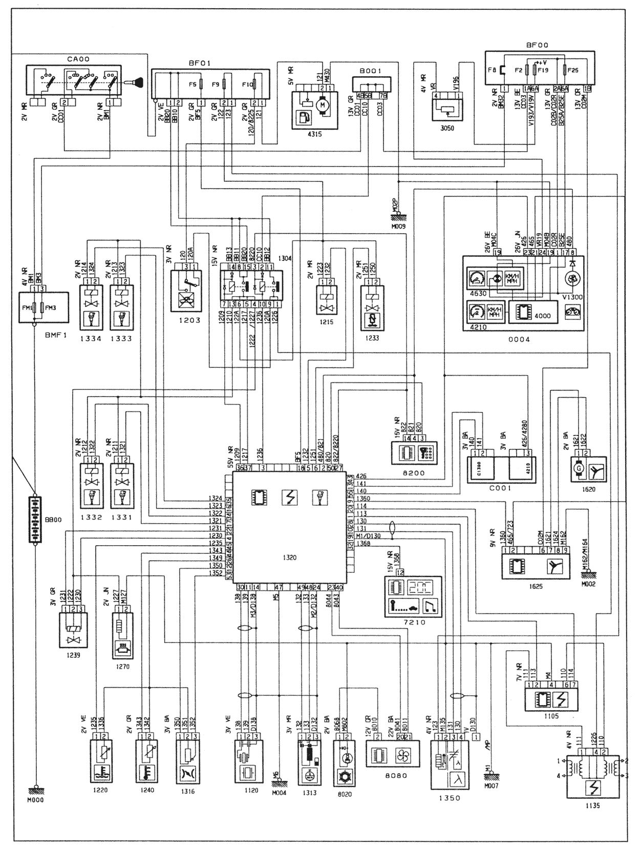
B001 bridge block.
BB00 battery.
BF00 fuse box (passenger compartment).
BF01 fuse box.
BMF1 maxi fuse unit.
CA00 ignition switch.
C001 diagnostic connector.
V1300 injection ignition test warning lamp.
4 instrument panel.
1105 ignition amplifier module.
1120 knock sensor.
1135 ignition coil.
1203 inertia switch.
1215 purge canister solenoid valve.
1220 coolant thermistor.
1233 turbocharger pressure regulation solenoid valve.
1239 idling regulation solenoid valve.
1240 inlet air thermistor.
1270 throttle housing heating resistor.
1273 oil breather re-heat resistor.
1304 injection multi-function double relay.
1313 engine speed sensor.
1316 throttle position sensor.
1320 ignition injection control unit.
1331 injector cylinder no. 1.
1332 injector cylinder no. 2.
1333 injector cylinder no. 3.
1334 injector cylinder no. 4.
1350 oxygen sensor.
1620 vehicle speed sensor.
1625 vehicle speed interface module.
3050 lighting rheostat.
4000 instrument panel centralised electronic module.
4210 tachometer.
4315 fuel gauge (transmitter).
4630 electric speedometer.
7210 trip computer.
8000 air conditioning switch (according to specification).
8020 air conditioning compressor (according to specification).
8080 air conditioning ECU (according to specification).
8200 coded anti-start keypad.
10 PR: main harness.
20 MOT: engine harness.
46 HAB: passenger compartment harness.
50 P/B: fascia harness.
59 CLM: air conditioning harness.
ÂÀ: white.
BE: blue.
BG: beige.
GR: grey.
JN: yellow.
MR: brown.
NR: black.
RG: red.
RS: pink.
VE: green.
VI: mauve.



