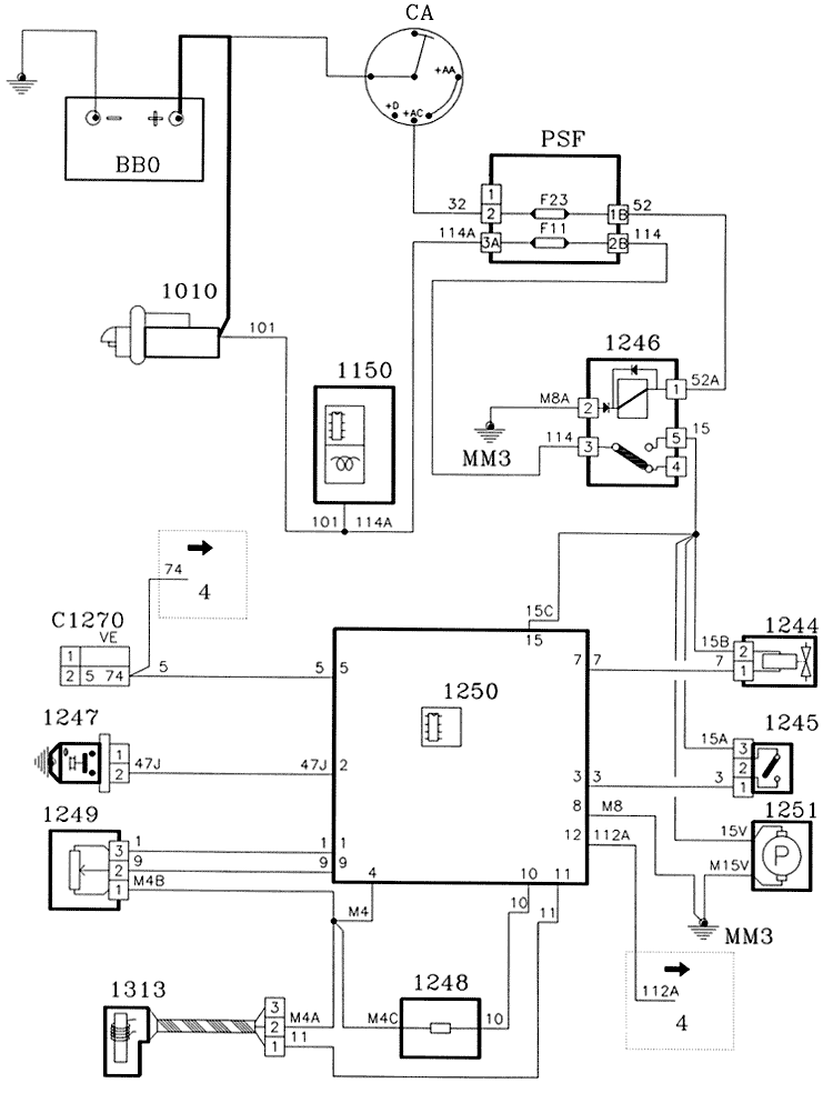
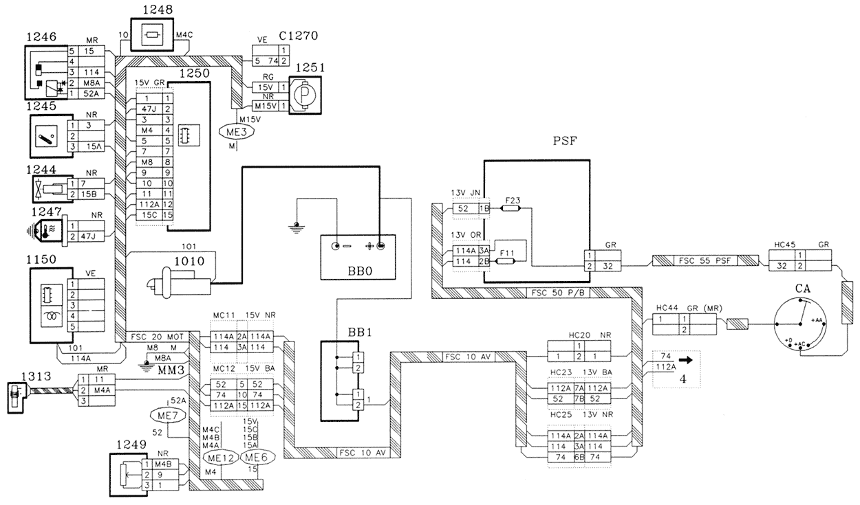
BB0: Battery
BB1: Battery plus unit
CA: Steering lock
PSF: Connection board - fuse box
1010: Starter motor
1150: Pre-heater unit
1244: Proportional solenoid valve
1245: Barometric switch
1246: EGR function supplyrelay
1247: Engine coolant thermal switch (EGR)
1248: EGR calibration resistor (optional)
1249: Load lever potentiometer
1250: Exhaust gas recycling (EGR) control unit
1251: Vacuum pump
C1270: EGR test connector
1313: Engine speed sensor
4: Instrument panel




FSC 20 MOT : Engine harness
FSC 10 AV : Front harness
FSC 50 P/B : Fascia harness
FSC 55 PSF : Connection board - fuse box harness
MC11 : Black 15 way connector
MC12 : White 15 way connector
HC20 : Black 2 way connector
HC23 : White 13 way connector
HC25 : Black 13 way connector
HC44 : Brown or grey 2 way connector
HC 45 : Grey 2 way connector
MM3 : Engine earth, on the inlet manifold
BA : White
GR : Grey
MR : Brown
NR : Black
OR : Orange