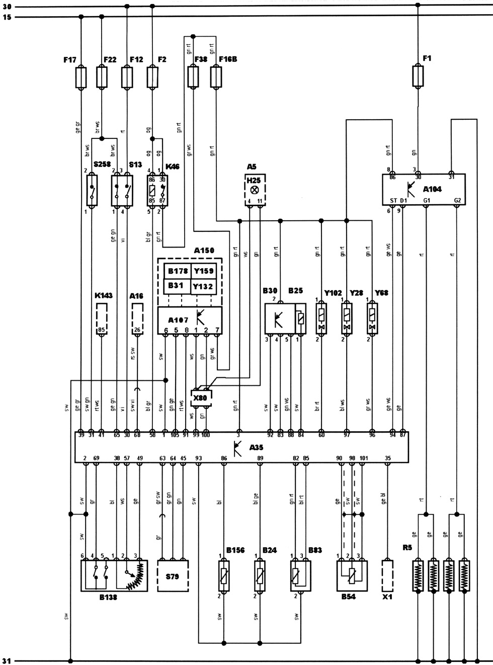
Manufacturer: Saab
Model: 9-3 2,2D
ECU: BOSCH EDC 15M
Engine code: D223l


| A16 | ABS control module |
| K143 | AC compressor clutch relay |
| B138 | Accelerator pedal position (APR) sensor |
| 30 | Battery + |
| 31 | Battery - |
| S13 | Brake pedal position (BPP) switch |
| S258 | Clutch pedal position (CPP) switch |
| Â54 | Crankshaft position (CKP) sensor |
| S79 | Cruise control master switch |
| X80 | Data bus connection |
| Õ1 | Data link connector (DLC) |
| À35 | Engine control module (ECM) |
| Ê46 | Engine control relay |
| B24 | Engine coolant temperature (ÅÑÒ) sensor |
| B156 | Engine oil temperature sensor |
| Y28 | Exhaust gas recirculation (EGR) solenoid |
| A150 | Fuel injection pump |
| A107 | Fuel injection pump control module |
| Y132 | Fuel injection timing solenoid |
| Y159 | Fuel quantity adjuster |
| B31 | Fuel temperature sensor |
| F | Fuse |
| R5 | Glow Plug |
| A104 | Glow plug control module |
| H25 | Glow plug warning lamp |
| 15 | Ignition switch - ignition ON |
| B178 | Injection pump position sensor |
| A5 | Instrument panel |
| Â25 | Intake air temperature (IAT) sensor |
| Y102 | Intake manifold air control solenoid |
| B83 | Manifold absolute pressure (MAP) sensor |
| B30 | Mass air flow (MAF) sensor |
| Y68 | Turbocharger wastegate regulating valve |
bl = blue
br = brown
el = cream
ge = yellow
gn = green
gr=grey
nf = neutral
og = orange
rs = pink
rt = red
sw = black
vi = violet
ws = white
hbl = light blue
hgn = light green
rbr = maroon