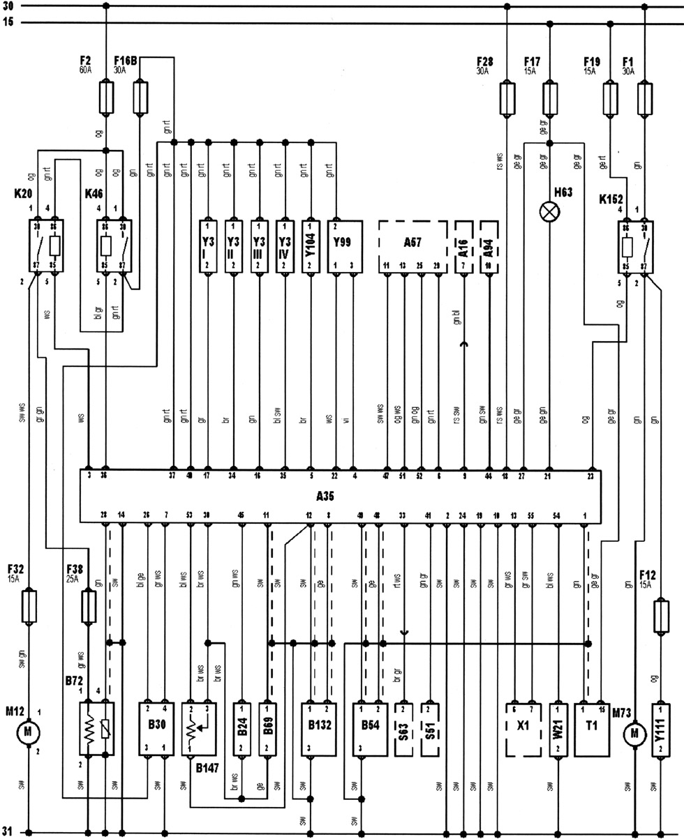
Manufacturer: Saab
Model: 900 2,0L
ECU: BOSCH MOTRONIC 2.10.2 / 2.10.3
Engine code: B204I
Tuned for: R-Cat


| S51 | AC evaporator temperature switch |
| S63 | AC refrigerant pressure switch |
| À16 | ABS control module |
| 30 | Battery + |
| 31 | Battery - |
| B132 | Camshaft position (CMP) sensor |
| A94 | Combination control module |
| Â54 | Crankshaft position (CKP) sensor |
| Õ1 | Data link connector (DLC) |
| À35 | Engine control module (ECM) |
| Ê46 | Engine control relay |
| B24 | Engine coolant temperature (ÅÑÒ) sensor |
| H63 | Engine malfunction indicator lamp (MIL) |
| Y104 | Evaporative emission (EVAP) canister purge valve |
| M12 | Fuel pump |
| K20 | Fuel pump relay |
| F | Fuse |
| B72 | Heated oxygen sensor (HO2S) |
| Y99 | Idle air control (IAC) valve |
| T1 | Ignition coil |
| 15 | Ignition switch - ignition ON |
| Y3 | Injector |
| B69 | Knock sensor (KS) |
| B30 | Mass air flow (MAF) sensor |
| W21 | Octane adjuster |
| M73 | Secondary air injection (AIR) pump |
| K152 | Secondary air injection (AIR) pump relay |
| Y111 | Secondary air injection (AIR) solenoid |
| B147 | Throttle position (TP) sensor |
| A57 | Transmission control module (TCM) |
bl = blue
br = brown
el = cream
ge = yellow
gn = green
gr=grey
nf = neutral
og = orange
rs = pink
rt = red
sw = black
vi = violet
ws = white
hbl = light blue
hgn = light green
rbr = maroon