Manufacturer: Suzuki
Model: Vitara 1,6
Engine code: G16A
Tuned for: R-Cat
Year: 1995


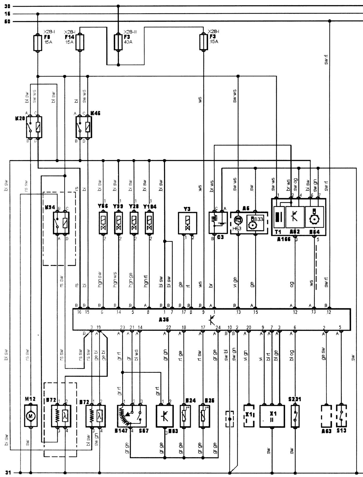
| À63 | AC control module - if fitted |
| C3 | Audio unit suppressor |
| 30 | Battery + |
| 31 | Battery - |
| S13 | Brake pedal position (BPP) switch |
| Õ1 | Data link connector (DLC) |
| A166 | Distributor |
| K46 | Engine control (EC) relay |
| À35 | Engine control module (ECM) |
| Â24 | Engine coolant temperature (ÅÑÒ) sensor |
| H63 | Engine malfunction indicator lamp (MIL) |
| Y104 | Evaporative emission (EVAP) canister purge valve |
| Y28 | Exhaust gas recirculation (EGR) solenoid |
| Ì12 | Fuel pump |
| Ê20 | Fuel pump relay |
| F | Fuse |
| Â72 | Heated oxygen sensor (HO2S) |
| Y99 | Idle air control (IAC) valve |
| Ò1 | Ignition coil |
| 15 | Ignition switch - ignition ON |
| 50 | Ignition switch - start signal |
| Y3 | Injector |
| B83 | Manifold absolute pressure (MAP) sensor |
| K94 | Oxygen sensor heater relay - if fitted |
| S231 | Power steering pressure (PSP) switch |
| B147 | Throttle position (TP) sensor |
| B33 | Vehicle speed sensor (VSS) |
bl = blue
br = brown
el = cream
ge = yellow
gn = green
gr=grey
nf = neutral
og = orange
rs = pink
rt = red
sw = black
vi = violet
ws = white
hbl = light blue
hgn = light green
rbr = maroon