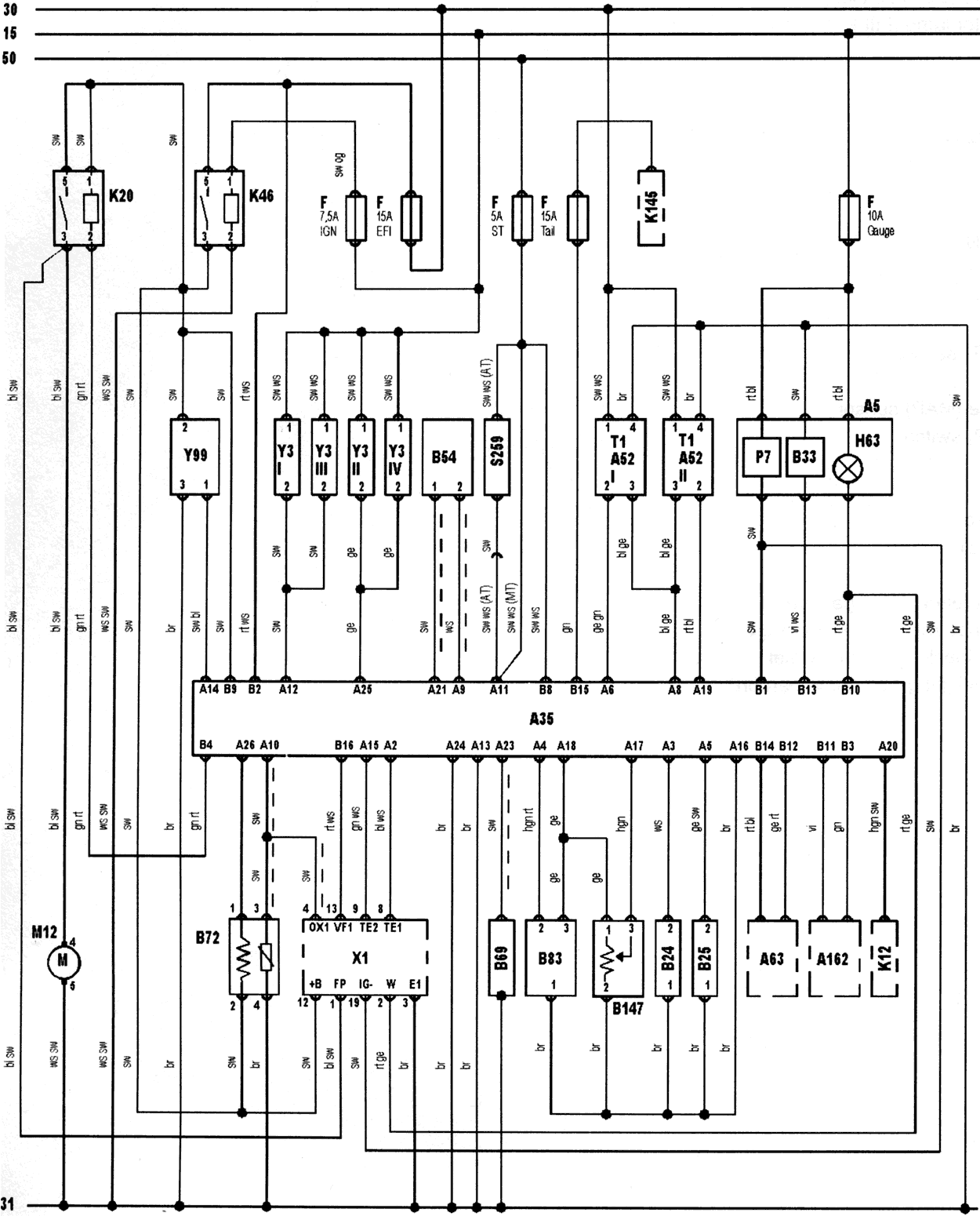
Manufacturer: Toyota
Model: Corolla 1.3L
ECU: Toyota TCCS
Engine code: 4E-FE
Tuned for: R-Cat


| À63 | AC control module |
| 30 | Battery + |
| 31 | Battery - |
| Â54 | Crankshaft position (CKP) sensor |
| Õ1 | Data link connector (DLC) |
| À35 | Engine control module (ECM) |
| K46 | Engine control relay |
| K12 | Engine coolant blower motor relay |
| Â24 | Engine coolant temperature (ÅÑÒ) sensor |
| H63 | Engine malfunction indicator lamp (MIL) |
| M12 | Fuel pump |
| Ê20 | Fuel pump relay |
| F | Fuse |
| Â72 | Heated oxygen sensor (HO2S) |
| Y99 | Idle air control (IAC) valve |
| À52 | Ignition amplifier |
| Ò1 | Ignition coil |
| 15 | Ignition switch - ignition ON |
| 50 | Ignition switch - start signal |
| À162 | Immobilizer control module |
| Y3 | Injector |
| B25 | Intake air temperature (IAT) sensor |
| Â69 | Knock sensor (KS) |
| B83 | Manifold absolute pressure (MAP) sensor |
| S259 | Park/neutral position (PNP) switch |
| K145 | Side/tail lamps relay |
| P7 | Tachometer |
| Â147 | Throttle position (TP) sensor |
| B33 | Vehicle speed sensor (VSS) |
bl = blue
br = brown
el = cream
ge = yellow
gn = green
gr=grey
nf = neutral
og = orange
rs = pink
rt = red
sw = black
vi = violet
ws = white
hbl = light blue
hgn = light green
rbr = maroon