Основными отличительными особенностями данных автомобилей является:

Рис. 1. Расположение датчиков кислорода:
Датчик кислорода, установленный до нейтрализатора, является основным датчиком, при помощи которого корректируется топливоподача (работа аналогична работе датчика кислорода в автомобилях под нормы токсичности ЕВРО-2).
Датчик кислорода, установленный после нейтрализатора, является диагностическим. Датчик анализирует эффективность работы нейтрализатора и, по мере снижения эффективности работы нейтрализатора, вводит дополнительные коррективы в топливоподачу;

Рис. 2. Расположение датчика фаз на автомобиле ВАЗ 21102:
Датчик фаз устанавливается для оптимальной дозировки подачи топлива;

Рис. 3. Расположение датчика неровной дороги на автомобилях ВАЗ 21102 ВАЗ 21103:
В контроллер МР7.0 введена функция отслеживания пропусков зажигания. Для нормального выполнения данной функции в автомобиле введен датчик неровной дороги.
В данных автомобилях устанавливается колодка диагностики под европейский стандарт, поэтому при диагностике необходимо использовать специальный диагностический шнур или переходник (адаптер) с диагностического разъема под колодку диагностики старого образца на колодку диагностики под европейский стандарт.
Диагностика автомобилей под нормы токсичности ЕВРО-3 производится тестером "Мастертест MP7.0 Еuro-2 и Euro-3" или адаптером или компьютерной программой, позволяющей диагностировать контроллер под ЕВРО-3.
| № п/п | Наименование детали | Номер детали | Модель автомобиля | ||
|---|---|---|---|---|---|
| 21102 | 21103 | 21214 | |||
| 1 | Датчик фаз | 2111-3706040 | + | + | |
| 2112-3706040 | + | ||||
| 2 | Датчик неровной дороги | 2123-1413130 | + | + | + |
| 3 | Адсорбер | 21103-1164100-01 | + | + | + |
| 4 | Клапан продувки адсорбера | 21103-1164200-01 | + | + | + |
| 5 | Нейтрализатор | 2112-1206010-10 | + | + | |
| 21214-1206010 | + | ||||
| 6 | Датчик кислорода (диагностический) | 2112-3850010-30 | + | + | + |
| 7 | Контроллер | 2111-1411020-50 | + | ||
| 2112-1411020-50 | + | ||||
| 21214-1411020 | + | ||||
| 8 | Жгут системы зажигания | 21102-3724026-30 | + | ||
| 21103-3724026-40 | + | ||||
| 21214-3724026-20 | + | ||||
| Р0102 | Низкий уровень сигнала датчика массового расхода воздуха |
| Р0103 | Высокий уровень сигнала датчика массового расхода воздуха |
| Р0112 | Низкий уровень сигнала датчика температуры впускного воздуха |
| Р0113 | Высокий уровень сигнала датчика температуры впускного воздуха |
| Р0116 | Выход сигнала датчика температуры охлаждающей жидкости за пределы допустимого диапазона |
| Р0117 | Низкий уровень сигнала датчика температуры охлаждающей жидкости |
| Р0118 | Высокий уровень сигнала датчика температуры охлаждающей жидкости |
| Р0122 | Низкий уровень сигнала датчика положения дроссельной заслонки |
| Р0123 | Высокий уровень сигнала датчика положения дроссельной заслонки |
| Р0130 | Датчика кислорода до нейтрализатора неисправен |
| Р0132 | Высокий уровень сигнала датчика кислорода до нейтрализатора |
| Р0133 | Медленный отклик датчика кислорода до нейтрализатора на обогащение или обеднение |
| Р0134 | Обрыв цепи сигнала датчика кислорода до нейтрализатора |
| Р0135 | Неисправен нагреватель датчика кислорода до нейтрализатора |
| Р0136 | Замыкание цепи сигнала на массу датчика кислорода после нейтрализатора |
| Р0137 | Низкий уровень сигнала датчика кислорода после нейтрализатора |
| Р0138 | Высокий уровень сигнала датчика кислорода после нейтрализатора |
| Р0140 | Обрыв цепи сигнала датчика кислорода после нейтрализатора |
| Р0141 | Неисправен нагреватель датчика кислорода после нейтрализатора |
| Р0201, Р0202 Р0203, Р0204 | Обрыв цепи управления форсункой 1, 2, 3, 4-го цилиндра (соответственно) |
| Р0261, Р0264 Р0267, Р0270 | Замыкание на массу цепи управления форсункой 1, 2, 3, 4-го цилиндра (соответственно) |
| Р0262, Р0265 Р0268, Р0271 | Замыкание на источник питания цепи управления форсункой 1, 2, 3, 4-го цилиндра (соответственно) |
| Р0300 | Обнаружены случайные/множественные пропуски зажигания |
| Р0301, Р0302 Р0303, Р0304 | Обнаружены пропуски зажигания в 1, 2, 3, 4-м цилиндре (соответственно) |
| Р0327 | Низкий уровень сигнала датчика детонации |
| Р0328 | Высокий уровень сигнала датчика детонации |
| Р0335 | Отсутствует сигнал датчика положения коленвала |
| Р0336 | Неверный сигнал датчика положения коленвала |
| Р0340 | Неисправен датчик положения распределительного вала |
| Р0422 | Эффективность нейтрализатора ниже порога |
| Р0423 | Неисправно управление клапаном продувки адсорбера |
| Р0480 | Неисправная цепь управления реле вентилятора охлаждения |
| Р0500 | Нет сигнала датчика скорости автомобиля |
| Р0506 | Низкие обороты холостого хода |
| Р0507 | Высокие обороты холостого хода |
| Р0560 | Неверное напряжение бортовой сети |
| Р0562 | Пониженное напряжение бортовой сети |
| Р0563 | Повышенное напряжение бортовой сети |
| Р0601 | Ошибка контрольной суммы постоянного запоминающего устройства (ПЗУ) |
| Р0603 | Ошибка внешнего оперативного запоминающего устройства (ОЗУ) |
| Р0604 | Ошибка внутреннего оперативного запоминающего устройства (ОЗУ) |
| Р1140 | Измеренная нагрузка отличается от расчетной |
| Р1386 | Канал обнаружения детонации, ошибка внутреннего теста |
| Р1410 | Замыкание на источник питания цепи управления клапаном продувки адсорбера |
| Р1425 | Замыкание на массу цепи управления клапаном продувки адсорбера |
| Р1426 | Обрыв цепи управления клапаном продувки адсорбера |
| Р1501 | Замыкание на массу цепи управления реле электробензонасоса |
| Р1502 | Замыкание на источник питания цепи управления реле электробензонасоса |
| Р1509 | Перегрузка цепи управления регулятором холостого хода |
| Р1513 | Замыкание на массу цепи управления регулятором холостого хода |
| Р1514 | Замыкание на источник питания цепи управления регулятором холостого хода |
| Р1541 | Обрыв цепи управления электробензонасоса |
| Р1570 | Неверный сигнал АПС |
| Р1602 | Пропадание напряжения бортовой сети в ЭБУ |
| Р1606 | Неверный сигнал датчика неровной дороги |
| Р1616 | Низкий уровень сигнала датчика неровной дороги |
| Р1617 | Высокий уровень сигнала датчика неровной дороги |
| Р1640 | Ошибка теста чтения-запись |
| Р1689 | Ошибочные значения кодов в памяти ошибок ЭБУ |

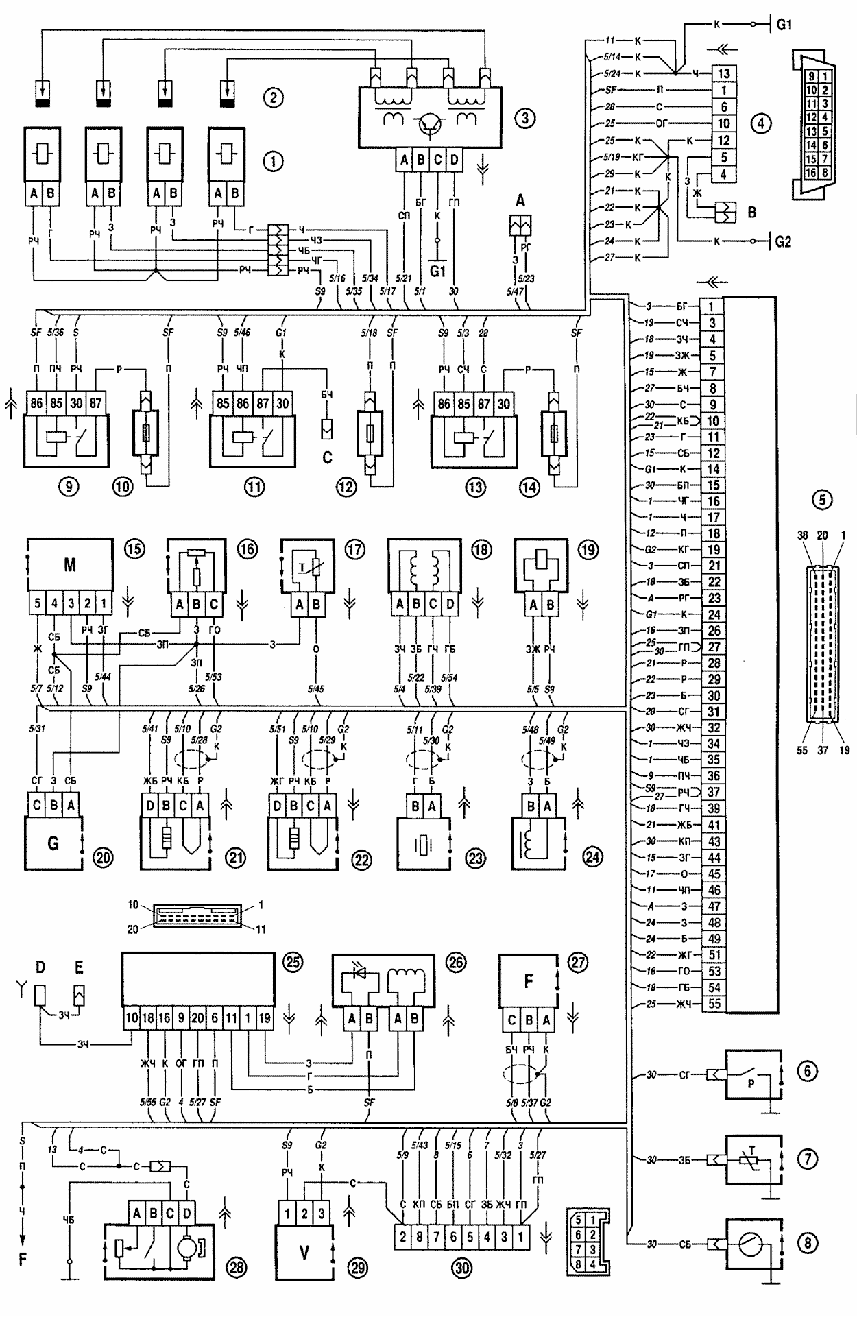
Наименование позиций
1- форсунки; 2- свечи зажигания; 3- модуль зажигания; 4- колодка диагностики; 5- контроллер; 6- датчик контрольной лампы давления масла; 7- датчик указателя температуры охлаждающей жидкости; 8- датчик уровня масла; 9- главное реле; 10- предохранитель, соединенный с главным реле; 11- реле электровентилятора; 12- предохранитель, соединенный с реле электровентилятора; 13- реле электробензонасоса; 14- предохранитель, соединенный с реле электробензонасоса; 15- датчик массового расхода воздуха; 16- датчик положения дроссельной заслонки; 17- датчик температуры охлаждающей жидкости; 18- регулятор холостого хода; 19- электромагнитный клапан продувки адсорбера; 20- датчик неровной дороги; 21- диагностический датчик кислорода; 22- управляющий датчик кислорода; 23- датчик детонации; 24- датчик положения коленчатого вала; 25-блок управления АПС; 26- индикатор состояния АПС; 27- датчик фаз; 28- электробензонасос с датчиком уровня топлива; 29- датчик скорости автомобиля; 30-колодка, присоединяемая к жгуту проводов панели приборов; А- колодка, присоединяемая к жгуту проводов кондиционера; В- колодка, присоединяемая к жгуту салонной группы АБС; С- колодка, присоединяемая к жгуту проводов электровентилятора; О- провода, присоединяемые к выключателю зажигания (лампа подсветки); Е- колодка, подключаемая к голубо-белым проводам, отсоединенным от выключателя зажигания; F- к клемме "+" аккумуляторной батареи; G1, G2 - точки заземления.

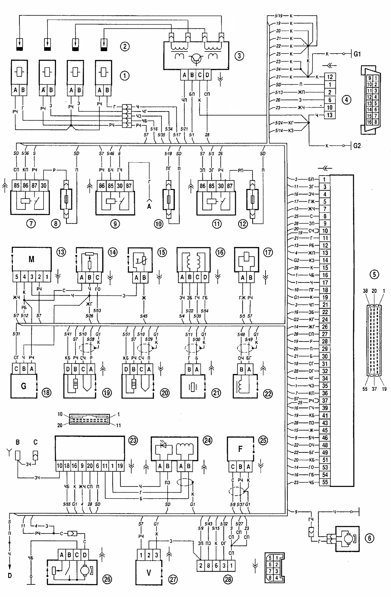
Наименование позиций
1-форсунки; 2- свечи зажигания; 3- модуль зажигания; 4- колодка диагностики; 5- контроллер; 6- электродвигатель вентилятора системы охлаждения; 7- главное реле; 8- предохранитель, соединенный с главным реле; 9- реле электровентилятора; 10- предохранитель, соединенный с реле электровентилятора; 11- реле электробензонасоса; 12- предохранитель, соединенный с реле электробензонасоса; 13- датчик массового расхода воздуха; 14- датчик положения дроссельной заслонки; 15- датчик температуры охлаждающей жидкости; 16- регулятор холостого хода; 17- электромагнитный клапан продувки адсорбера; 18- датчик неровной дороги; 19- диагностический датчик кислорода; 20- управляющий датчик кислорода; 21- датчик детонации; 22-датчик положения коленчатого вала; 23- блок управления АПС; 24- индикатор состояния АПС; 25- датчик фаз; 26- электробензонасос с датчиком уровня топлива; 27- датчик скорости автомобиля; 28- колодка, присоединяемая к жгуту проводов панели приборов; А- провод, подключаемый к монтажному блоку (клемма 5 колодки Ш5); В- провода, присоединяемые к выключателю плафона освещения; С- провод, подключаемый к бело-черным проводам, отсоединенным от выключателя плафона освещения; D- к клемме "+" аккумуляторной батареи; G1, G2 - точки заземления.

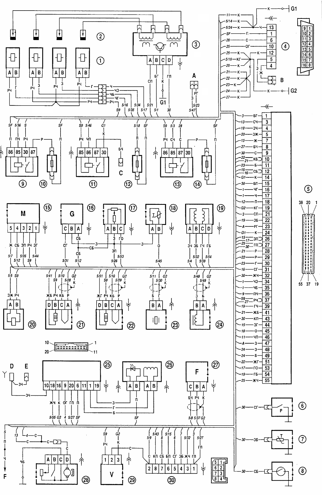
Наименование позиций
1-форсунки; 2- свечи зажигания; 3- модуль зажигания; 4- колодка диагностики; 5- контроллер; 6- датчик контрольной лампы давления масла; 7- датчик указателя температуры охлаждающей жидкости; 8- датчик уровня масла; 9- главное реле; 10- предохранитель, соединенный с главным реле; 11- реле электровентилятора; 12- предохранитель, соединенный с реле электровентилятора; 13- реле электробензонасоса; 14- предохранитель, соединенный с реле электробензонасоса; 15- датчик массового расхода воздуха; 16- датчик неровной дороги; 17- датчик положения дроссельной заслонки; 18- датчик температуры охлаждающей жидкости; 19- регулятор холостого хода; 20- электромагнитный клапан продувки адсорбера; 21- диагностический датчик кислорода; 22- управляющий датчик кислорода; 23- датчик детонации; 24- датчик положения коленчатого вала; 25- блок управления АПС; 26- индикатор состояния АПС; 27- датчик фаз; 28- электробензонасос с датчиком уровня топлива; 29- датчик скорости автомобиля; 30- колодка, присоединяемая к жгуту проводов панели приборов; А- колодка, присоединямая к жгуту проводов кондиционера; В- колодка, присоединяемая к жгуту салонной группы АБС; С- колодка, присоединяемая к жгуту проводов электровентилятора; D- провода, присоединяемые к выключателю зажигания (лампа подсветки); Е- колодка, подключаемая к голубо-белым проводам, отсоединенным от выключателя зажигания; F- к клемме "+" аккумуляторной батареи; G1, G2 - точки заземления.
Наряду с буквенным обозначением цвета проводов на данных схемах применяется обозначение номера элемента схемы, к которому присоединяется данный провод, например "-5-". В некоторых случаях кроме обозначения номера элемента приводится через косую дробь и номер контакта, например "-5/15-". Условное обозначение "-S9-" означает, что провод присоединяется к элементу схемы под номером 9. Условное обозначение "-SF-" означает, что все провода с данным обозначением соединяются в точке F, не показанной на схеме.
20.05.2004