Manufacturer: Volvo
Model: S70 2,0L
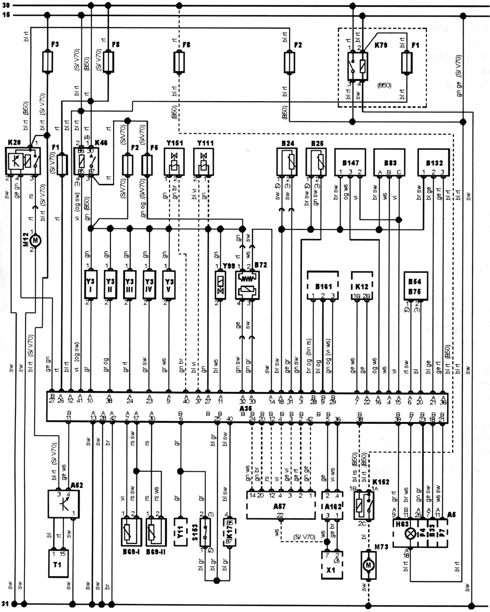
ECU: Fenix 5.2
Engine code: B5202S
Tuned for: R-Cat


| Y11 | AC compressor clutch |
| S153 | AC engine coolant temperature switch |
| Â161 | AC refrigerant pressure sensor |
| K17 | AC relay |
| 30 | Battery + |
| 31 | Battery - |
| Â132 | Camshaft position (CMP) sensor |
| Â54 | Crankshaft position (CKP) sensor |
| Õ1 | Data link connector (DLC) |
| À35 | Engine control module (ECM) |
| Ê46 | Engine control relay |
| K12 | Engine coolant blower motor relay |
| Â24 | Engine coolant temperature (ÅÑÒ) sensor |
| P4 | Engine coolant temperature gauge |
| H63 | Engine malfunction indicator lamp (MIL) |
| B75 | Engine speed (RPM) sensor |
| Y151 | Exhaust gas recirculation (EGR) valve actuator |
| Ì12 | Fuel pump |
| Ê20 | Fuel pump relay |
| F | Fuse |
| Â72 | Heated oxygen sensor (HO2S) |
| Y99 | Idle air control (IAC) valve |
| A52 | Ignition amplifier |
| Ò1 | Ignition coil |
| K79 | Ignition main circuits relay |
| 15 | Ignition switch - ignition ON |
| À162 | Immobilizer control module |
| Y3 | Injector |
| À5 | Instrument panel |
| Â25 | Intake air temperature (IAT) sensor |
| B69 | Knock sensor (KS) |
| B83 | Manifold absolute pressure (MAP) sensor |
| M73 | Secondary air injection (AIR) pump |
| K152 | Secondary air injection (AIR) pump relay |
| Y111 | Secondary air injection (AIR) solenoid |
| P7 | Tachometer |
| Â147 | Throttle position (TP) sensor |
| A57 | Transmission control module (TCM) |
| ÂÇÇ | Vehicle speed sensor (VSS) |
bl = blue
br = brown
el = cream
ge = yellow
gn = green
gr=grey
nf = neutral
og = orange
rs = pink
rt = red
sw = black
vi = violet
ws = white
hbl = light blue
hgn = light green
rbr = maroon