| № | Нажать кнопку |
Нажать кнопку |
Нажать кнопку |
Нажать кнопку |
Нажать кнопку |
|---|---|---|---|---|---|
| 1 | Пассивная постановка на охрану включена | Пассивная постановка на охрану выключена | -- | -- | -- |
| 2 | Пассивная постановка на охрану с запиранием дверей | Пассивная постановка на охрану без запирания дверей | -- | -- | -- |
| 3 | Подтверждающие сигналы сирены включеныа) | Подтверждающие сигналы сирены выключены | -- | -- | -- |
| 4 | Автоматическое запирание дверей при включении зажигания включено | Автоматическое запирание дверей при включении зажигания выключено | -- | -- | -- |
| 5 | Автоматическое отпирание дверей при выключении зажигания включено | Автоматическое отпирание дверей при выключении зажигания выключено | -- | -- | -- |
| 6 | Автоматическая повторная постановка на охрану включена | Автоматическая повторная постановка на охрану выключена | -- | -- | -- |
| 7 | Автоматическая повторная постановка на охрану с запиранием дверей | Автоматическая повторная постановка на охрану без запирания дверей | -- | -- | -- |
| 8 | Режим иммобилайзера включен | Режим иммобилайзера выключен | -- | -- | -- |
| 9 | Функция защиты от ложных срабатываний FAPC включена b) | Функция защиты от ложных срабатываний FAPC выключена | -- | -- | -- |
| 10 | Включение функции Anti-Hi Jack с помощью передатчика с) | Функция Anti-Hi Jack отключена | -- | -- | -- |
| 11 | Активизация режима Anti-HiJack при включении зажигания включена с) | Активизация режима Anti-HiJack при включении зажигания выключена | |||
| 12 | Отключение системы с помощью переключателя Valet (VALET) | Отключение системы с помощью персонального секретного кода (Code)d) | |||
| 13 | Постановка системы на охрану с работающим двигателем возможна | Постановка системы на охрану с работающим двигателем невозможна | |||
| 14 | Включение режима охраны через 3 секунды после подтверждающих сигналов сирены | Включение режима охраны через 45 секунд после подтверждающих сигналов сирены e) | -- | -- | -- |
| 15 | Функция Фиолетового провода "(+) триггер двери" | Функция Фиолетового провода"(+) вход для подключения 5-проводного электропривода"e) | -- | -- | -- |
| 16 | Функция Коричневого провода "(-) триггер двери" | Функция Коричневого провода"(-) вход для подключения 5-проводного электропривода"e) | -- | -- | -- |
| 17 | Выход канала 2 системы: "отпирание багажника" | Выход канала 2 системы: "импульсный" | Выход канала 2 системы: "постоянный" | -- | -- |
| 18 | Выход канала 3 системы: "импульсный" | Выход канала 3 системы: "постоянный" | Выход канала 3 системы: "таймерный 30 сек" | -- | -- |
| 19 | Функция Серого провода: "выход канала 3 системы" | ("-") выход для дополнительной блокировки двигателя НЗ реле | ("-") выход для управления внутрисалонным освещением | ("-") выход для закрывания окон | ("-") выход для управления пейджером |
| 20 | Длительность импульса, подаваемого на замки дверей: 0.8 с. | Длительность импульса, подаваемого на замки дверей: 3,5 с. | Импульс запирания 10 секунд ("Total Closure") | Запирание: двойной импульс 0.8 с.; отпирание: 0.8 с. | -- |
Каждый раз, когда Вы входите в режим программирование той или иной функции (даже если Вы при этом хотите сразу же перейти к следующей функции), СИД начнет мигать сериями вспышек в соответствии с номером функции и Вы услышите 1, 2, 3, 4 или 5 сигналов сирены, показывающих состояние выбранной функции (при входе в программирование функции № 12 будут подаваться только 1 или 2 сигнала сирены, подтверждая только состояние данной функции, но не само значение персонального кода). После сигналов сирены Вы можете либо:
Примечание: Не допускайте, чтобы между Вашими действиями прошло больше 15 секунд, иначе система автоматически выйдет из режима программирования, и Вы услышите один длинный сигнал сирены.
Система выйдет из режима программирования, если:
При выходе из режима программирования Вы услышите один длинный сигналы сирены, и СИД системы погаснет.
Находясь в режиме программирования функций, Вы можете возвратить настройки всех функций к заводским установкам. Для этого: нажмите и удерживайте кнопочный выключатель Valet в течение 5 секунд. Вы услышите два коротких сигнала сирены, подтверждающие восстановление заводских настроек и выход из режима программирования функций.
Данная функция позволяет восстановить заводские настройки всех программируемых функций системы, кроме персонального кода и кодов брелков-передатчиков.
Выберите место для установки центрального блока управления в салоне (например, за или под приборной панелью) и закрепите его при помощи двух шурупов. Центральный блок управления можно также закрепить при помощи пластиковых перетяжек.
Не устанавливайте центральный блок управления в моторном отсеке, так как он не герметичен. Избегайте устанавливать блок непосредственно на имеющиеся в автомобиле электронные блоки. Они могут быть источником радиопомех, уменьшающих радиус действия передатчика или вызывающих перебои в работе.
Выберите место для установки сирены в моторном отсеке, которое хорошо защищено от доступа из-под днища автомобиля. Не размещайте сирену рядом с сильно нагревающимися узлами или движущимися частями в моторном отсеке. Для предотвращения скопления влаги раструб сирены должен быть направлен вниз.
Установите сирену в выбранном месте при помощи входящих в комплект винтов и кронштейна.
В комплект системы входит концевой выключатель для обеспечения охраны капота автомобиля. Выключатель должен всегда устанавливаться на служащую массой металлическую поверхность автомобиля. Важно выбрать такое место, где исключается скопление или протекание воды, избегайте мест стока влаги на стенках крыльев капота или багажника. Выбирайте места, защищенные резиновыми прокладками, когда капот закрыт.
Концевой выключатель может быть установлен с помощью прилагаемой скобы или в монтажном отверстии на 6 мм (1/4 дюйма). Помните, что при правильной установке концевой выключатель должен иметь ход как минимум 6 мм (1/4 дюйма) при закрывании капота.
Вы можете также установить дополнительный концевой выключатель для обеспечения охраны багажника или задней двери автомобиля.
В комплект входит красный светодиодный индикатор (СИД), который показывает состояние охранной системы. Он должен устанавливаться на приборной панели и быть хорошо виден снаружи автомобиля, но не должен отвлекать водителя. После выбора места установки проверьте возможность прокладки проводов за панелью и убедитесь, что при сверлении отверстия не будут повреждены существующие компоненты.
Просверлите отверстие диаметром 7 мм и пропустите в него с лицевой стороны панели Красный и Синий провода светодиода. Установите светодиод в просверленное отверстие.
Выберите место установки кнопочного выключателя Valet, которое, с одной стороны, должно быть легко доступно для водителя автомобиля, а с другой стороны, не позволит угонщику быстро найти переключатель Valet и отключить систему. Переключатель может быть установлен, например, в нижней части приборной панели с помощью 2-сторонней липкой ленты
При любом методе крепления убедитесь в наличии свободного доступа к задней части переключателя для подсоединения проводов при установке.
Выберите твердую поверхность на переборке между салоном и моторным отсеком внутри салона и установите датчик при помощи двух прилагаемых винтов. Датчик также может быть легко установлен при помощи перетяжек под панелью приборов.
При любом методе крепления датчика убедитесь в наличии свободного доступа к датчику для его регулировки.
Подсоединение: Подсоедините БЕЛЫЕ провода системы к правым и левым указателям поворота автомобиля.
КРАСНЫЙ ПРОВОД С ПРЕДОХРАНИТЕЛЕМ 15A: +12В ПОСТОЯННОГО ТОКА ОТ АККУМУЛЯТОРА
Этот провод подает питание на основной блок системы и на встроенное реле управления указателями поворота. Подсоедините КРАСНЫЙ провод с предохранителем 15А к +12В постоянного тока от аккумулятора автомобиля.
ФИОЛЕТОВЫЙ ПРОВОД: (+) ТРИГГЕР ДВЕРИ / (+) ВХОД ДЛЯ ПОДКЛЮЧЕНИЯ 5-ПРОВОДНОГО ЭЛЕКТРОПРИВОДА
Подсоединение: Если выключатель внутрисалонного освещения имеет на выходе +12В при открывании двери (большинство автомобилей Ford, ГАЗ), Вы должны подсоединить ФИОЛЕТОВЫЙ провод к одному из штатных концевых выключателей. В большинстве случаев ФИОЛЕТОВЫЙ провод достаточно подсоединить только к одному концевому выключателю независимо от количества дверей в автомобиле.
ВНИМАНИЕ: Не используйте ФИОЛЕТОВЫЙ провод, если концевые выключатели дверей отрицательной полярности (См. КОРИЧНЕВЫЙ провод ниже).
Использование данной функции позволит Вам реализовать функцию "центрального замка" без необходимости использования дополнительного модуля, достаточно будет только установить один 5-проводный электропривод в двери водителя и 2-проводные электроприводы в остальных дверях. После этого, при запирании или отпирании двери водителя система будет автоматически запирать или отпирать все двери автомобиля.
Подсоединение: Среди проводов 5-проводного электропривода, установленного в двери водителя, найдите провод, соответствующий общему контакту встроенной в электропривод контактной группы. Подсоедините к нему ФИОЛЕТОВЫЙ провод системы. Затем найдите провод, который замыкается с общим проводом встроенной контактной группы, когда дверь не заперта. Подключите этот провод к постоянному питанию +12В автомобиля. Третий провод встроенной контактной группы заизолируйте.
ЖЕЛТЫЙ ПРОВОД: +12В ПОСТОЯННОГО ТОКА НА ЗАМКЕ ЗАЖИГАНИЯ
Данный провод информирует систему о наличии/отсутствии питания на замке зажигания. Таким образом, система определяет, находитесь ли Вы внутри или вне автомобиля
Подсоединение: Подсоедините ЖЕЛТЫЙ провод к проводу от замка зажигания, на котором имеется напряжение + 12В, когда ключ зажигания находится в положениях "ВКЛ." (ON) И "ЗАПУСК" (CRANK), и напряжение 0В, когда ключ зажигания находится в положениях "ВЫКЛ." (OFF) и "ACC".
ВНИМАНИЕ: Если используется дополнительная блокировка цепи зажигания автомобиля, то ЖЕЛТЫЙ провод системы должен быть подключен к проводу, идущему от замка зажигания, между местом установки дополнительного реле блокировки и катушкой зажигания.
ТЕМНО-ЗЕЛЕНЫЙ ПРОВОД: (-) ТРИГГЕР КАПОТА/БАГАЖНИКА
Когда система находится в режиме охраны, при замыкании ТЕМНО-ЗЕЛЕНОГО провода на "массу" произойдет немедленное срабатывание системы.
Подсоединение: Подсоедините ТЕМНО-ЗЕЛЕНЫЙ провод к предварительно установленным концевым выключателям капота и/или багажника отрицательной полярности.
КОРИЧНЕВЫЙ ПРОВОД: (-) ТРИГГЕР ДВЕРИ / (-) ВХОД ДЛЯ ПОДКЛЮЧЕНИЯ 5-ПРОВОДНОГО ЭЛЕКТРОПРИВОДА
Подсоединение: Если штатный концевой выключатель двери замыкается на "массу" при открывании дверей (это типично для большинства автомобилей), Вы должны подсоединить КОРИЧНЕВЫЙ провод к одному из штатных концевых выключателей. В большинстве случаев КОРИЧНЕВЫЙ провод достаточно подсоединить только к одному концевому выключателю независимо от количества дверей в автомобиле.
ВНИМАНИЕ: Не используйте КОРИЧНЕВЫЙ провод, если полярность концевых выключателей дверей в автомобиле +12В (См. ФИОЛЕТОВЫЙ провод выше).
Использование данной функции позволит Вам реализовать функцию "центрального замка" без необходимости использования дополнительного модуля, достаточно будет только установить один 5-проводный электропривод в двери водителя и 2-проводные электроприводы в остальных дверях. После этого, при запирании или отпирании двери водителя система будет автоматически запирать или отпирать все двери автомобиля.
Подсоединение: Среди проводов 5-проводного электропривода, установленного в двери водителя, найдите провод, соответствующий общему контакту встроенной в электропривод контактной группы. Подсоедините к нему КОРИЧНЕВЫЙ провод системы. Затем найдите провод, который замыкается с общим проводом встроенной контактной группы, когда дверь не заперта. Подключите этот провод к "массе" автомобиля. Третий провод встроенной контактной группы заизолируйте.
ЧЕРНЫЙ ПРОВОД: "МАССА"
Черный провод подает "массу" на основной блок системы.
Подсоединение: Подсоедините ЧЕРНЫЙ провод системы к отрицательной клемме аккумулятора или к заземленным частям корпуса автомобиля.
ВНИМАНИЕ: Не перепутайте этот провод с тонким Черным проводом антенны, который выходит из центрального блока управления отдельно.
КРАСНЫЙ/БЕЛЫЙ ПРОВОД С ПРЕДОХРАНИТЕЛЕМ 5A: +12В ПОСТОЯННОГО ТОКА ОТ АККУМУЛЯТОРА
Этот провод подает питание на основной блок системы. Он подсоединен через предохранитель 5A к КРАСНОМУ проводу системы.
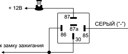
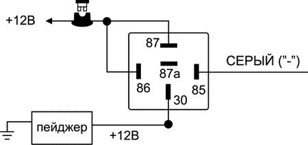
СЕРЫЙ ПРОВОД: ОТРИЦАТЕЛЬНЫЙ ВЫХОД 200 мА/ КАНАЛ 3 (ОТРИЦАТЕЛЬНЫЙ ВЫХОД 200 мА ПРИ ВКЛЮЧЕННОЙ ОХРАНЕ ДЛЯ БЛОКИРОВКИ СТАРТЕРА НОРМАЛЬНО ЗАМКНУТЫМ РЕЛЕ / ОТРИЦАТЕЛЬНЫЙ ВЫХОД ДЛЯ УПРАВЛЕНИЯ ВНУТРИСАЛОННЫМ ОСВЕЩЕНИЕМ / ОТРИЦАТЕЛЬНЫЙ ВЫХОД ДЛЯ ЗАКРЫВАНИЯ ОКОН / ОТРИЦАТЕЛЬНЫЙ ВЫХОД ДЛЯ УПРАВЛЕНИЯ ПЕЙДЖЕРОМ)
В зависимости от состояния программируемой функции № 19 СЕРЫЙ провод системы может использоваться как:
Режим работы выхода канала 3 может быть запрограммирован при установке системы (программируемая функция № 18) как:
В любом из описанных выше случаев:
Подсоединение: Подсоедините СЕРЫЙ провод к клемме № 85 дополнительного 30А реле, подсоедините клемму № 86 реле к +12В. Подсоедините остальные контакты реле в соответствии с выбранной функцией канала 3 системы.

Для реализации данной функции:

ВНИМАНИЕ: данное дополнительное реле должно быть подключено ДО места подключения цепи блокировки зажигания (если данная цепь используется).
Это отрицательный транзисторный слаботочный выход (максимальный ток нагрузки 200 мА) и должен использоваться только для управления катушкой дополнительного реле.

Подсоединение: Подсоедините СЕРЫЙ провод системы к клемме № 86 дополнительного реле. Подсоедините клемму № 85 реле к проводу от замка зажигания, на который поступает напряжение +12В, когда ключ зажигания находится в положении "ЗАПУСК" (CRANK), и присутствует напряжение 0В, когда ключ зажигания находится в любом ином положении.
Перережьте вышенайденный провод от замка зажигания, идущий к соленоиду стартера автомобиля, и подсоедините ту часть обрезанного провода, которая идет от замка зажигания, к клемме № 87А реле. Подсоедините другую часть провода к клемме № 30 реле как показано на схеме.
Примечание: Обратите внимание на то, что при использовании такого варианта подсоединения питание на реле блокировки будет подаваться только в момент попытки завести двигатель, таким образом, реле блокировки будет потреблять энергию аккумулятора только в момент попытки запуска двигателя.
ВНИМАНИЕ: Если используется функция Anti-HiJack, мы не рекомендуем подключать СЕРЫЙ провод для блокировки какой-либо иной цепи, кроме цепи стартера!
Подсоединение: Подсоедините СЕРЫЙ провод к клемме № 86 дополнительного 30А реле и подсоедините клемму № 85 реле к +12В через предохранитель. Подсоедините остальные контакты реле в соответствии с полярностью цепи внутрисалонного освещения автомобиля как показано на схемах.

ВНИМАНИЕ: Обязательно используйте диод для изолирования цепи управления внутрисалонным освещением от цепи триггера двери. В противном случае не сможет правильно работать функция пассивной постановки на охрану и функция автоматической повторной постановки системы в режим охраны.
Нажатие кнопки
передатчика в течение этих 30 секунд остановит работу стеклоподъемников, не снимая систему с охраны.
Для того, чтобы работа электрических стеклоподъемников не вызвала срабатывания системы, система автоматически отключит вход датчика удара на все время, пока данный выход активизирован + еще 3 секунды.
Подсоединение: Найдите провод штатного модуля управления электрическими стеклоподъемниками автомобиля, при замыкании которого на "массу" происходит закрывание окон. Подсоедините СЕРЫЙ провод к данному проводу.
Подсоединение: Подсоедините СЕРЫЙ провод к проводу отрицательного триггера дополнительного пейджера. В том случае, если пейджер управляется положительным триггером, используйте дополнительное реле, как показано на схеме.

ТЕМНО-СИНИЙ/ЖЕЛТЫЙ ПРОВОД: ПРОВОД ВЫБОРА ПОЛЯРНОСТИ СИГНАЛА СИЛОВОГО ВЫХОДА КАНАЛА 2 СИСТЕМЫ
Подсоединение данного провода определяет полярность сигнала силового выхода канала 2 системы (см. ТЕМНО-СИНИЙ провод ниже)
Подсоединение:
ОРАНЖЕВЫЙ/БЕЛЫЙ ПРОВОД: ОТРИЦАТЕЛЬНЫЙ ВЫХОД 500 мА ПРИ ВЫКЛЮЧЕННОЙ ОХРАНЕ ДЛЯ БЛОКИРОВКИ СТАРТЕРА НОРМАЛЬНО РАЗОМКНУТЫМ РЕЛЕ
ОРАНЖЕВЫЙ/БЕЛЫЙ провод замыкается на "массу" при выключенном режиме охраны и служит для управления нормально разомкнутым реле блокировки стартера. Это отрицательный транзисторный слаботочный выход (максимальный ток нагрузки 500 мА) и должен использоваться только для управления катушкой реле.
Подсоединение: Подсоедините ОРАНЖЕВЫЙ/БЕЛЫЙ провод к контакту № 86 прилагаемого реле блокировки стартера. Подсоедините контакт № 85 реле к проводу от замка зажигания, на который поступает напряжение +12В, когда ключ зажигания находится в положении "ЗАПУСК" (CRANK), и присутствует напряжение 0В, когда ключ зажигания находится в любом ином положении.
Перережьте вышенайденный провод от замка зажигания, идущий к соленоиду стартера автомобиля, и подсоедините ту часть обрезанного провода, которая идет от замка зажигания, к контакту № 30 реле. Подсоедините другую часть провода к контакту № 87 реле.
Примечание: Обратите внимание на то, что при использовании такого варианта подсоединения питание на реле блокировки будет подаваться только в момент попытки завести двигатель, таким образом, реле блокировки будет потреблять энергию аккумулятора только в момент попытки запуска двигателя.
ВНИМАНИЕ: Если используется функция Anti-HiJack, мы не рекомендуем использовать ОРАНЖЕВЫЙ/БЕЛЫЙ провод системы для блокировки какой-либо иной цепи, кроме цепи стартера.
БЕЛЫЙ/ЧЕРНЫЙ ПРОВОД: ПОЛОЖИТЕЛЬНЫЙ ВЫХОД ДЛЯ УПРАВЛЕНИЯ СИРЕНОЙ (1A)
Проложите этот провод через резиновую втулку в теплоизоляционной перегородке к месту установки сирены.
Подсоединение: Подсоедините БЕЛЫЙ/ЧЕРНЫЙ провод системы к Красному проводу сирены. Подсоедините Черный провод массы сирены к "массе".
ТЕМНО-СИНИЙ ПРОВОД: СИЛОВОЙ ВЫХОД ДОПОЛНИТЕЛЬНОГО КАНАЛА 2 (15А)
На ТЕМНО-СИНЕМ проводе появится сигнал определенной полярности на 1 секунду при нажатии и удерживании кнопки
передатчика в течение 3 секунд при снятой охране и выключенном зажигании. Данный выход системы предназначен для дистанционного открывания электрического замка крышки багажника (если автомобиль им оборудован).
Примечание: Выход для отпирания крышки багажника будет также работать при включенном зажигании, но только если в этот момент открыта одна из дверей автомобиля. Это предотвратит случайное открывание багажника при движении автомобиля.
Если же данный выход системы активизирован при включенном режиме охраны, то в этом случае система одновременно на 3 секунды отключит датчик удара и триггер капота/багажника для того, чтобы открывание багажника не вызвало срабатывание системы. Через 3 секунды после того, как багажник будет закрыт, система опять автоматически возьмет эти цепи под охрану.
Подсоединение: Для дистанционного отпирания замка багажника подсоедините ТЕМНО-СИНИЙ провод и ТЕМНО-СИНИЙ/ ЖЕЛТЫЙ провод системы как показано на схеме.

Выход канала 2 системы (ТЕМНО-СИНИЙ провод) может также использоваться для управления различными иными дополнительными устройствами. Режим работы выхода канала 2 системы в этом случае может быть запрограммирован при установке системы (программируемая функция № 17) как
Если выход канала 2 системы запрограммирован как "импульсный" или как "постоянный" сигнал:
Подсоединение: Вы можете подсоединять ТЕМНО-СИНИЙ провод непосредственно к сильноточным цепям, к устройствам дистанционного запуска двигателя и к иным дополнительным устройствам. Выбор полярности выхода дополнительного канала системы определяется подсоединением ТЕМНО-СИНЕГО/ЖЕЛТОГО провода системы - к +12В через предохранитель для выхода канала 2 положительной полярности, или к массе для выхода канала 2 отрицательной полярности.
Проложите Красный, Черный, Синий и Зеленый провода, оканчивающиеся 4-контактным белым разъемом, от датчика удара к основному блоку системы и подсоедините его с одной стороны к датчику удара, а с другой - к Белому разъему блока.
Проложите Красный, Черный, Синий и Зеленый провода, оканчивающиеся 4-контактным белым разъемом, от дополнительного датчика к основному блоку системы и подсоедините его с одной стороны к датчику, а с другой - к Белому разъему блока.
Проложите Красный и Синий провода, оканчивающиеся 2-контактным белым разъемом, от СИДа к основному блоку системы и подсоедините его к Белому разъему блока.
Проложите Серый и Черный провода, оканчивающиеся 2-контактным синим разъемом, от кнопочного переключателя VALET к основному блоку системы и подсоедините его к Синему разъему блока.
Эти провода подают отрицательный импульс запирания (Красный провод) и отрицательный импульс отпирания (Зеленый провод) на штатный интерфейс управления замками дверей или на дополнительные реле управления электроприводами замков дверей. Максимальный ток - 300 мА.
Перед подключением системы к установленным электроприводам замков дверей необходимо определить тип штатной системы центрального замка. Для этого - выньте выключатель дверного замка из панели двери водителя и протестируйте провода, идущие от выключателя.
Если от выключателя идет 3 провода, один из которых постоянно замкнут на массу (независимо от положения выключателя), а из двух других проводов один будет замыкаться на массу при переводе выключателя в положение "Lock" ("Закрыто"), а другой будет замыкаться на массу при переводе выключателя в положение "Unlock" ("Открыто") - Вы имеете дело с 3-проводной системой с отрицательной полярностью. Подсоедините провода системы как показано на схеме 1, используя дополнительные реле.
Если от выключателя идет 3 провода, один из которых постоянно замкнут на +12В (независимо от положения выключателя), а из двух других проводов один будет замыкаться на +12В при переводе выключателя в положение "Lock" ("Закрыто"), а другой будет замыкаться на +12В при переводе выключателя в положение "Unlock" ("Открыто") - Вы имеете дело с 3-проводной системой с положительной полярностью. Подсоедините провода системы как показано на схеме 2, используя дополнительные реле.
Если от выключателя идет 5 проводов (или 4) - в данном автомобиле установлена штатная система центрального замка с переменной полярностью управляющего импульса. В таких системах нет штатных реле или собственно модуля центрального замка т.к. +12В подается непосредственно от выключателя на электроприводы замков и, к тому же, обеспечивается обратный выход на массу.
Один из 5 проводов, идущих от выключателя, будет постоянно замкнут на +12В, независимо от положения выключателя. Два провода (или один) будут постоянно замкнуты на массу, независимо от положения выключателя. Из двух оставшихся проводов - один будет замыкаться на +12В при переводе выключателя в положение "Lock" ("Закрыто"), а другой будет замыкаться на +12В при переводе выключателя в положение "Unlock" ("Открыто"). Подсоедините провода системы как показано на схеме 3, используя дополнительные реле.
На автомобилях марки Mercedes-Benz или Audi используется вакуумная система центрального замка. Она имеет электровыключатели (встроенные в пневмоприводы), которые подают +12В или "массу" на пневмонасос. Эти выключатели работают при запирании и отпирании дверей изнутри или ключом снаружи автомобиля. Полярность выключателей определяет, будет ли насос создавать давление или разрежение.
Подсоединение может выполняться либо под декоративной накладкой (панелью) слева от водителя, либо непосредственно на пневмонасосе, который обычно установлен в багажнике или под задним сиденьем. Подсоедините провода системы как показано на схеме 4, используя дополнительные реле.
Примечание: В автомобилях выпуска 1989 г. (или ранее) пневмонасос работает около 3 секунд. При установке системы на такие автомобили необходимо будет также запрограммировать длительность импульса, подаваемого на замки дверей, на 3.5 секунды.
Если автомобиль марки Nissan, Mitsubishi или Lotus и в двери нет переключателя - необходимо найти провод, идущий из двери водителя, который замкнут на массу, если двери автомобиля открыты, и "разомкнут" (0В), если двери закрыты. Подсоедините провода системы как показано на схеме 5, используя дополнительные реле.
Для подключения системы к дополнительно установленным электроприводам необходимо использовать дополнительные реле 30А (2 шт.) и колодку DLS (см. схему 6)
Тонкий СИНИЙ провод (из 3-х контактного разъема DLS) подсоедините к ЗЕЛЕНОМУ проводу системы. Тонкий ЗЕЛЕНЫЙ провод (из 3-х контактного разъема DLS) подсоедините к КРАСНОМУ проводу системы. Тонкий КРАСНЫЙ провод (из 3-х контактного разъема DLS) подсоедините к +12В через предохранитель. Толстый ФИОЛЕТОВЫЙ провод колодки DLS подсоедините к +12В через предохранитель. Толстые БЕЛЫЙ и КОРИЧНЕВЫЙ провода колодки DLS подсоедините к "массе". Толстый СИНИЙ провод колодки DLS подсоедините к СИНЕМУ проводу электропривода MS-2. Толстый ЗЕЛЕНЫЙ провод колодки DLS подсоедините к ЗЕЛЕНОМУ проводу электропривода MS-2. Вставьте 2 дополнительных 30A реле в колодку DLS.
Если функция № 20 запрограммирована соответствующим образом, то при постановке системы на охрану с помощью передатчика система будет подавать импульс запирания 10 секунд (необходимо для некоторых автомобилей VW, Audi, Opel и Mercedes). На этот период времени система также автоматически отключит все зоны и триггеры системы. Во всех остальных случаях (при снятии системы с охраны, при пассивной постановке на охрану, автоматической повторной постановке на охрану и т.д.) будут подаваться импульсы отпирания и запирания длительностью 0.8 с.
Нажатие кнопки
передатчика во время работы функции "Комфорт" остановит работу данной функции.
АНТЕННА: Вытяните тонкий Черный провод антенны во всю длину и закрепите его в том месте, где он не может быть поврежден. Избегайте укладки этого провода вокруг главных сильноточных жгутов проводки или близко к металлическим частям кузова.
РЕГУЛИРОВКА ДАТЧИКА УДАРА: Осторожно поверните регулировочный винт против часовой стрелки до упора при помощи маленькой отвертки (НЕ проворачивайте винт вокруг оси. Максимальный угол регулировки 270°). Закройте капот, багажник и поставьте систему на охрану. Подождите 6 секунд пока работа всех охранных устройств стабилизируется, затем сильно ударьте кулаком по заднему бамперу или по передней стойке с такой силой, которая была бы достаточной для того, чтобы разбить стекло. Внимание! Не стучите по стеклу, Вы можете его разбить!
Если система не сработала, поверните регулировочный винт по часовой стрелке (для увеличения чувствительности) примерно на 1/4 оборота и проверьте чувствительность датчика еще раз. Повторяйте эту процедуру до тех пор, пока не сработает сигнализация. Охрана должна срабатывать при сильном ударе по заднему бамперу автомобиля. При более слабом ударе должен срабатывать режим предупреждения и сирена подаст 3 коротких сигнала.
ВНИМАНИЕ: При высокой чувствительности охрана будет срабатывать при вибрациях от проходящих рядом тяжелых автомобилей. Для уменьшения чувствительности поверните регулировочный винт против часовой стрелки
ЗАЩИТА ПРОВОДКИ: Всегда защищайте провода спиральными трубками или обматывайте их изолентой. Закрепите жгуты проводов по всей длине при помощи пластиковых перетяжек. Это обеспечит отсутствие повреждений проводов при их соприкосновении с горячими или острыми подвижными частями автомобиля.
ДОПОЛНИТЕЛЬНАЯ СИРЕНА С АВТОНОМНЫМ ПИТАНИЕМ ALLIGATOR BS-98M
Система M-800 совместима с дополнительной сиреной с автономным питанием ALLIGATOR BS-98M. В данной сирене реализована схема защиты от обрыва проводов управления, таким образом, сирена немедленно сработает не только при попытке отключить аккумулятор автомобиля или при обрыве проводов питания, но и при попытке оборвать провод системы, управляющий сиреной (БЕЛЫЙ/ЧЕРНЫЙ провод).
РАБОТА СИСТЕМЫ: Уделите некоторое время просмотру соответствующих пунктов в Руководстве пользователя и детально объясните работу системы Вашему заказчику.
| Номинальное напряжение питания | +12В постоянного тока |
| Номиналы предохранителей | |
| - на Красном проводе | 15А |
| - на Красном/Белом проводе | 5А |
| Потребление тока | <15 мА в режиме охраны |
| Постановка на охрану | через 3/45 секунд после нажатия кнопки передатчика |
| Максимальное количество циклов режима тревоги | 6 циклов по 30 секунд |
| Автоматическая повторная постановка на охрану | через 30 секунд после снятия с режима охраны |
| Автоматическая постановка на охрану | через 30 секунд после закрывания последней двери |
| Количество индицируемых зон охраны | 5 |
| Триггеры системы: |
- отрицательный триггер двери - положительный триггер двери - отрицательный триггер капота/багажника - вход зажигания - датчик удара - дополнительный датчик - зона предупреждения - питание системы |
| Количество каналов приемника | 6 |
| Максимальное количество передатчиков | 4 |
| Количество кодовых комбинаций | 1.8 x 1024 с динамическим изменением кода |
| Макс. ток нагрузки выхода блокировки стартера: | 500 мА |
| Макс. ток нагрузки реле указателей поворота: | 15A (2x7.5A) |
| Макс. ток нагрузки выхода запирания дверей: | 300 мА |
| Макс. ток нагрузки выхода отпирания дверей: | 300 мА |
| Макс. ток нагрузки выхода 2-го канала системы: | 15A |
| Макс. ток нагрузки выхода 3-го канала системы: | 200 мА |
Передатчики, входящие в комплект системы, программируются на заводе-изготовителе следующим образом:
| ФУНКЦИЯ | КНОПКА | ПРИМЕЧАНИЕ |
|---|---|---|
| Дистанционная постановка на охрану или дистанционное запирание дверей в режиме Valet | Нажать и отпустить | |
| Включение режима охраны автомобиля с работающим двигателем (если включена функция № 13) | Нажать и удерживать в течение 3 секунд при включенном зажигании | |
| Бесшумная постановка на охрану | Нажать последовательно в течение 5 секунд | |
| Постановка на охрану с отключением зон предупреждения датчиков | Нажать последовательно в течение 5 секунд | |
| Постановка на охрану с отключением обеих зон датчиков | Нажать последовательно в течение 5 секунд | |
| Включение "бесшумного" режима охраны | Нажать и отпустить одновременно | |
| Дистанционное снятие с охраны или дистанционное отпирание дверей в режиме Valet | Нажать и отпустить | |
| Бесшумное снятие с охраны | Нажать последовательно в течение 5 секунд | |
| Запирание дверей во время движения автомобиля | Нажать и отпустить при включенном зажигании | |
| Отпирание дверей во время движения автомобиля | Нажать и отпустить при включенном зажигании | |
| Выход Канала 2 (дистанционное отпирание замка багажника / управление дополнительными устройствами) | Нажать и удерживать в течение 3 секунд | |
| Выход Канала 3 (управление дополнительными устройствами) | Нажать одновременно и удерживать в течение 2 секунд | |
| Дистанционное включение режима "Паника" | Нажать одновременно и удерживать в течение 3 секунд при выключенном зажигании | |
| Дистанционное выключение режима "Паника" | Нажать и отпустить одновременно | |
| Дистанционное включение режима "Anti- HiJack" (если включена функция № 10) | Нажать одновременно и удерживать в течение 3 секунд при включенном зажигании |
ВНИМАНИЕ: Так как в передатчиках используется постоянно меняющийся (динамический) код, в определенных, достаточно редких ситуациях (например, при нажатии кнопок брелка более 30 раз вдали от автомобиля) может произойти рассинхронизация брелков и системы.
В этом случае - подойдите к автомобилю и быстро нажмите кнопку передатчика дважды. Синхронизация будет восстановлена и брелок вновь сможет управлять системой.
В память системы может быть запрограммировано всего до 4-х передатчиков. При программировании первого передатчика стираются коды всех ранее запрограммированных передатчиков. Таким образом, при попытке несанкционированного программирования кодов дополнительных передатчиков код Вашего "рабочего" передатчика будет автоматически удален из памяти системы, и Вы сразу же обратите на это внимание.
ВНИМАНИЕ: Помните, что каждая операция должна быть выполнена в течение 15 секунд после предыдущей операции. Если 15-секундный интервал превышен, система автоматически выйдет из режима программирования, что будет подтверждено одним коротким и одним длинным сигналом сирены. Если в процессе программирования было выключено зажигание, система также немедленно выйдет из режима программирования, и Вы услышите 1 короткий и 1 длинный сигналы сирены.
ВНИМАНИЕ: После программирования первого передатчика коды всех передатчиков, запрограммированных ранее, будут стерты из памяти системы.
ВНИМАНИЕ: При попытке запрограммировать 5-й передатчик, код первого запрограммированного передатчика будет "вытеснен" из памяти системы, при попытке запрограммировать 6-й передатчик, код второго передатчика будет "вытеснен" из памяти системы, и т.д. Код одного и того же передатчика может быть запрограммирован 4 раза.
Вы услышите 1 короткий и 1 длинный сигнал сирены, подтверждающие, что система вышла из режима программирования.
В корпусе передатчика установлен маленький красный светодиод, который подтверждает нажатие кнопок передатчика и также показывает состояние батареек передатчика. По мере разряда батареек Вы можете заметить уменьшение дальности действия передатчика.
Для замены батарейки:




