* для установки системы на автомобили с задержкой выключения внутрисалонного освещения
Поздравляем Вас с приобретением автосигнализации A.P.S. 2000!
Данная система разработана и произведена с учетом пожеланий наших российских клиентов и отличается простотой и надежностью в эксплуатации (что достигается применением микропроцессора Microchip индустриального типа), легкостью программирования (конфигурация системы сводит необходимость изменения настройки системы до минимума) и может быть установлена практически на любой тип автомобиля.
В системе A.P.S. 2000 есть все реально необходимые функции: динамический код, блокировка стартера или зажигания (по выбору), 2-уровневый датчик удара, переключатель Valet, встроенные реле для управления замками дверей и габаритными огнями, выход 2-го канала, защита от насильственного угона Anti-Carjacking, режим "Паника", ряд программируемых функций многое другое.
Обратите внимание на 3 основных компонента Вашей охранной системы:
В комплект автосигнализации входят два брелка-передатчика с динамическим кодом на базе микропроцессора KEELOQ. При каждом нажатии копки передатчика код будет автоматически изменяться в произвольном порядке. Таким образом, Ваша система защищена от попытки "перехватить" код Вашего передатчика, используя код-граббер.
В процессе эксплуатации может возникнуть ситуация, когда происходит рассинхронизация кодов брелка-передатчика и основного блока системы (например, если Вы нажали кнопку передатчика более 30 раз вдали от автомобиля). В этом случае Вам нужно будет только подойти к автомобилю и быстро дважды нажать кнопку передатчика.
На Вашем брелке-передатчике имеются две кнопки: Большая левая кнопка и Маленькая правая кнопка. Функции этих кнопок приведены ниже:
Большая левая кнопка - используется для постановки и снятия системы с охраны.
Маленькая правая кнопка - используется для бесшумной постановки и снятия системы с охраны и для управления выходом 2-го канала.
Обе кнопки, нажатые вместе - управляют дистанционным режимом "Паника" и включают противоугонную функцию Anti-Carjacking.
СИД информирует владельца автомобиля о состоянии охранной системы и указывает на зону или триггер, вызвавший срабатывание системы.
Этот переключатель позволяет временно отключить охранные функции системы (переведя систему в сервисный режим Valet). Он также используется вместе с ключом зажигания для аварийного снятия системы с режима охраны в случае утери передатчика и для отключения режима Anti-Carjacking (см. соответствующие разделы данного Руководства ниже).
С помощью переключателя Valet производится программирования функций системы, а также программирование новых передатчиков.
Выключите зажигание, выйдите из автомобиля и убедитесь что все двери, капот и багажник закрыты. Нажмите Большую левую кнопку передатчика один раз. Вы услышите один подтверждающий сигнал сирены, габаритные огни включатся один раз и СИД начнет медленно мигать. Система также автоматически запрет двери автомобиля и заблокирует стартер (или зажигание).
Выключите зажигание, выйдите из автомобиля и убедитесь, что все двери, капот и багажник закрыты
Как только была закрыта последняя дверь, СИД начнет быстро мигать, показывая, что идет отсчет времени перед автоматической постановкой системы на охрану. Через 30 секунд после того, как была закрыта последняя дверь, Вы услышите 1 сигнал сирены, габаритные огни включатся 1 раз и СИД начнет мигать медленно. В этот момент система также автоматически запрет двери автомобиля (если включена функция # 2) и заблокирует стартер (или зажигание)
Если в течение 30-секундного отсчета времени перед автоматической постановкой системы на охрану будет открыта одна из дверей, капот или багажник, СИД перестанет гореть и отсчет времени будет остановлен. После того как все двери, капот и багажник будут вновь закрыты, СИД опять начнет быстро мигать и 30-секундный отсчет времени начнется заново
Функция автоматической постановки на охрану (функция # 1) является программируемой и Вы можете отключить ее по желанию клиента. Процедура программирования описана в разделе "Программируемые функции системы"
ВНИМАНИЕ: в режиме автоматической постановки системы на охрану функция обхода открытой или неисправной цепи НЕ будет работать! Поскольку отсчет времени перед автоматической постановкой системы на охрану начинается только после того, как была закрыта последняя дверь, то если одна из дверей, капот или багажник остались открыты или если одна из этих цепей неисправна, автоматическая постановка на охрану не начнется Вы, тем не менее, можете в любой момент поставить систему на охрану при помощи передатчика.
Если при автоматической постановке системы на охрану система обнаружит, что неисправна только цепь датчика удара система встанет в режим охраны в обход неисправной цепи и при этом Вы услышите 3 сигнала сирены и габаритные огни мигнут 3 раза
При легком толчке или ударе по корпусу автомобиля включится режим предупреждения и сирена подаст 5 быстрых предупреждающих сигналов.
При более сильном ударе или при открывании двери, капота или багажника включится режим тревоги сирена и габаритные огни будут работать непрерывно в течение 30 секунд (или до тех пор, пока Вы не отключите режим тревоги с передатчика) Если по истечении 30 секунд все двери, капот или багажник закрыты, система автоматически вновь встанет на охрану Если же одна из цепей осталась открыта, то 30-секундный цикл режима тревоги повторится. Тем не менее после 5 циклов сирена и габаритные огни выключатся и система встанет в режим охраны в обход открытой цепи. После того, как все цепи будут закрыты, система вновь немедленно автоматически возьмет их под охрану.
Если система сработала, нажав кнопку Большую левую кнопку передатчика один раз до окончания 30-секундного цикла режима тревоги, Вы только отключите сигналы сирены. Система при этом останется в режиме охраны.
Если после этого Вы нажмете Большую левую кнопку передатчика еще раз Вы услышите 4 сигнала сирены габаритные огни мигнут 4 раза и система снимется с охраны.
Нажмите Большую левую кнопку передатчика один раз. Вы услышите 2 сигнала сирены габаритные огни мигнут 2 раза, система отопрет двери автомобиля и отключит блокировку стартера (или зажигания), а СИД начнет быстро мигать, показывая что система снята с охраны но двери автомобиля не открывались.
Если включена функция автоматической повторной постановки в режим охраны (функция # 5) система вновь встанет на охрану через 30 секунд, если за это время не была открыта одна из дверей, капот или багажник, или не было включено зажигание Если также включена функция # 6 - система запрет двери автомобиля Если же в течение 30 секунд после снятия системы с охраны будет открыта одна из дверей, капот или багажник, но зажигание не было включено СИД перестанет гореть и отсчет времени будет остановлен до тех пор, пока все двери, капот и багажник не будут вновь закрыты. После этого СИД опять начнет быстро мигать и отсчет времени перед автоматической повторной постановкой на охрану начнется заново.
Функция автоматической повторной постановки в режим охраны будет полностью отменена при включении зажигания.
Если неисправна цепь датчика удара, система также автоматически вновь встанет на охрану через 30 секунд, но при этом Вы услышите 3 сигнала сирены и габаритные огни мигнут 3 раза.
Нажмите Маленькую правую кнопку для постановки или снятия системы с охраны без подтверждающих сигналов сирены. При этом габаритные огни и СИД будут функционировать как обычно. Кроме того, при срабатывании системы сирена немедленно включится и будет звучать полный 30-секундный цикл.
Вы также можете совсем отключить подтверждающие сигналы сирены. Процедура программирования описана в разделе "Программируемые функции системы", функция # 7
ВНИМАНИЕ, при бесшумной постановке или снятии системы с охраны, 3 и 4 сигнала сирены (Предупреждение об открытой или неисправной цепи и Предупреждение о срабатывании системы) не будут отключаться.
Если при снятии системы с охраны Вы услышите 4 сигнала сирены это значит, что система срабатывала за время Вашего отсутствия СИД при этом будет мигать определенное количество раз через паузу показывая, какая именно цепь вызвала срабатывание системы:
Информация о срабатывании системы будет стерта при включении зажигания.
Если включена функция # 3, система автоматически запрет двери автомобиля через 5 сек после включения зажигания для обеспечения Вашей безопасности во время движения. В то же время если в течение 5 сек после включения зажигания одна из дверей была открыта и закрыта вновь, данная функция будет отменена для того, чтобы Вы не могли случайно запереть ключи в автомобиле.
Данная функция является программируемой и Вы можете отключить ее по желанию клиента Процедура программирования описана в разделе "Программируемые функции системы".
Если включена функция # 4, система автоматически отопрет двери автомобиля сразу после выключения зажигания.
Данная функция является программируемой и Вы можете отключить ее по желанию клиента Процедура программирования описана в разделе "Программируемые функции системы".
Выход 2-го канала (чаще всего он используется для управления замком багажника) включается нажатием Маленькой правой кнопки передатчика и ее удерживанием в течение 3 секунд.
Управление выходом 2-го канала возможно только при снятой охране и выключенном зажигании. Это предотвратит случайное отпирание багажника во время движения.
Режим Valet используется для
Когда система находится в режиме Valet Вы можете отпирать и запирать двери автомобиля с помощью передатчика, включать режим "Паника" и управлять выходом 2-го канала.
Режим "Паника" включается нажатием обеих кнопок передатчика одновременно в то время, когда зажигание автомобиля выключено. Сирена будет непрерывно звучать и габаритные огни будут мигать в течение 30 сек. После этого система немедленно встанет в режим охраны независимо от состояния, в котором она находилась до включения режима "Паника"
Функция "Паника" может быть также реализована в то время, когда система находится в режиме "Valet" но только при выключенном зажигании
Функция Anti-Carjacking (защита от разбойного нападения) включается нажатием обеих кнопок передатчика одновременно в то время когда зажигание автомобиля включено. Эта функция будет включена даже если до этого система находилась в режиме Valet. Через 30 сек после включения режима Anti Carjacking начнут мигать габаритные огни и заработает сирена системы. Еще через 30 сек включится блокировка стартера.
Через 3 минуты сирена и габаритные огни выключатся и система встанет на охрану.
ВНИМАНИЕ: Режим Anti-Carjacking может быть отключен только с помощью скрытого переключателя Valet. Для этого включите зажигание и в течение 5 секунд переведите переключатель Valet в положение ON.
| МЕДЛЕННОЕ МИГАНИЕ | ОХРАНА ВКЛЮЧЕНА |
| МЕДЛЕННОЕ МИГАНИЕ ПРИ ВКЛЮЧЕННОМ ЗАЖИГАНИИ | ВКЛЮЧЕН РЕЖИМ ANTI CARJACKING |
| ЧАСТОЕ МИГАНИЕ | ПАССИВНАЯ ПОСТАНОВКА НА ОХРАНУ ИЛИ АВТОМАТИЧЕСКАЯ ПОВТОРНАЯ ПОСТАНОВКА НА ОХРАНУ |
| ВЫКЛЮЧЕН | ОХРАНА ВЫКЛЮЧЕНА |
| ПОСТОЯННО ГОРИТ | РЕЖИМ VALET |
| МИГАЕТ ДВОЙНЫМИ ВСПЫШКАМИ ЧЕРЕЗ ПАУЗУ | СРАБОТАЛА ЗОНА 1 (ДВЕРИ ИЛИ ВХОД ЗАЖИГАНИЯ) |
| МИГАЕТ ТРОЙНЫМИ ВСПЫШКАМИ ЧЕРЕЗ ПАУЗУ | СРАБОТАЛА ЗОНА 2 (ДАТЧИК) |
| МИГАЕТ ЧЕТВЕРНЫМИ ВСПЫШКАМИ ЧЕРЕЗ ПАУЗУ | СРАБОТАЛА ЗОНА 3 (КАПОТ ИЛИ БАГАЖНИК) |
Сигналы сирены информируют владельца системы о различных состояниях или функциях системы:
Система APS 2000 имеет 8 функций, программируемых с помощью переключателя Valet и передатчика, и еще одну дополнительную функцию, программируемую при установке системы. Для программирования функций 1-8:
Для выхода из режима программирования выключите зажигание или подождите 10 секунд Сирена подаст 2 сигнала, подтверждая, что система вышла из режима программирования.
Фабричная установка функции # 1 - ВКЛЮЧЕНО
Фабричная установка функции # 2 - ВЫКЛЮЧЕНО
Фабричная установка функции # 3 - ВЫКЛЮЧЕНО
Фабричная установка функции # 4 - ВКЛЮЧЕНО
Фабричная установка функции # 5 - ВКЛЮЧЕНО
Фабричная установка функции # 6 - ВЫКЛЮЧЕНО
Фабричная установка функции # 7 - ВКЛЮЧЕНО
Фабричная установка функции # 8 - ВЫКЛЮЧЕНО
* - На многих современных автомобилях внутрисалонное освещение выключается через некоторое время после того, как были закрыты двери Если цепь триггера двери подсоединена к проводу, идущему от концевого выключателя двери к лампочке внутрисалонного освещения, система в этом случае будет "считать", что дверь автомобиля открыта Для того, чтобы избежать подобной ситуации, Вы можете включить функцию 30-секундной задержки постановки системы на охрану и система возьмет двери автомобиля под охрану после выключения внутрисалонного освещения.
ВНИМАНИЕ: Когда эта функция включена и если одна из дверей открыта в тот момент, когда система ставится в режим охраны с передатчика, система НЕ сможет указать на это 3 сигналами сирены и обойдет данную цепь, не взяв ее под охрану до тех пор, пока все двери не будут закрыты
ВНИМАНИЕ: Данная функция должна программироваться только квалифицированным мастером-устанощиком при установке системы. Фабричная установка функции # 9 1 сек. Для установки длительности импульса для управления замками дверей 4 сек (необходимо при установке системы на автомобили Mercedes-Benz или Audi выпуска до 1989 г) разрежьте петлю Черного провода на основном блоке системы.
Для включения функции # 6
В память системы может быть запрограммировано до 4-х передатчиков. При программировании новых или дополнительных передатчиков все коды ранее запрограммированных передатчиков будут стерты из памяти системы. Это предотвратит несанкционированное программирование дополнительных передатчиков.
Для программирования новых передатчиков:
Если в процессе программирования было включено зажигание или если между действиями 5 8 пройдет более 10 секунд система также автоматически выйдет из режима программирования и Вы услышите 5 сигналов сирены и габаритные огни включатся 5 раз
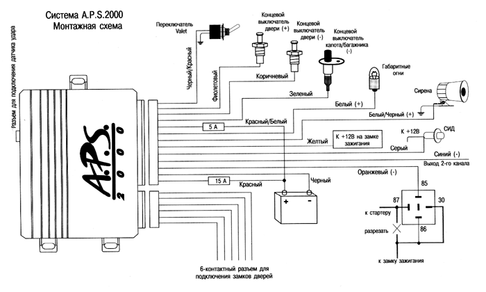
| Провод | Куда подсоединяется |
|---|---|
| КРАСНЫЙ | К положительной клемме аккумулятора (+ 12В) |
| ЧЕРНЫЙ | К "земле" |
| ОРАНЖЕВЫЙ | К реле блокировки стартера (или зажигания) (-) |
| СИНИЙ | Отрицательный выход 2 го канала (к дополнительному реле отпирания замка багажника или к дополнительным аксессуарам) |
| СЕРЫЙ | К светодиодному индикатору СИД (-) |
| ЖЕЛТЫЙ | К+ 12В на замке зажигания |
| БЕЛЫЙ/ЧЕРНЫЙ | К сирене (+) |
| БЕЛЫЙ | К цепи управления габаритными огнями (+) |
| КРАСНЫЙ/БЕЛЫЙ | К постоянному источнику питания+ 12В |
| ЗЕЛЕНЫЙ | К отрицательному триггеру капота и/или багажника |
| КОРИЧНЕВЫЙ | К отрицательному триггеру двери |
| ФИОЛЕТОВЫЙ | К положительному триггеру двери |
| ЧЕРНЫЙ/КРАСНЫЙ | К переключателю Valet (+) |
| Провод | Функция |
|---|---|
| КОРИЧНЕВЫЙ/СИНИЙ | Импульс запирания, Н.3. контакт реле |
| ЗЕЛЕНЫЙ/ЖЕЛТЫЙ | Общий провод запирания |
| ЖЕЛТЫЙ | Импульс запирания Н.Р. контакт реле |
| ЗЕЛЕНЫЙ/СИНИЙ | Импульс отпирания Н.3. контакт реле |
| ЧЕРНЫЙ/ЖЕЛТЫЙ | Общий провод отпирания |
| КРАСНЫЙ/СИНИЙ | Импульс отпирания Н.Р. контакт реле |
В автомобилях с такими цепями КОРИЧНЕВЫЙ/СИНИЙ и ЗЕЛЕНЫЙ/СИНИЙ провода не используются. ЧЕРНЫЙ/ЖЕЛТЫЙ и ЗЕЛЕНЫЙ/ЖЕЛТЫЙ провода должны подсоединяться на "землю". Подсоедините ЖЕЛТЫЙ провод (отрицательный импульс запирания) к отрицательному проводу запирания дверей автомобиля. Подсоедините КРАСНЫЙ/СИНИЙ провод (отрицательный импульс отпирания) к отрицательному проводу отпирания дверей автомобиля.
В автомобилях с такими цепями КОРИЧНЕВЫЙ/СИНИЙ и ЗЕЛЕНЫЙ/СИНИЙ провода не используются. ЧЕРНЫЙ/ЖЕЛТЫЙ и ЗЕЛЕНЫЙ/ЖЕЛТЫЙ провода должны подсоединяться к +12В постоянного тока через предохранитель. Подсоедините ЖЕЛТЫЙ провод (положительный импульс запирания) к положительному проводу запирания дверей автомобиля. Подсоедините КРАСНЫЙ/СИНИЙ провод (положительный импульс отпирания) к положительному проводу отпирания дверей автомобиля.
В автомобилях с такими цепями необходимо найти штатные провода идущие от главного выключателя замков дверей, расположенного рядом с водителем, к выключателям замков на дверях пассажиров, а затем к электроприводам замков.
Перережьте штатный провод запирания и подсоедините ЗЕЛЕНЫЙ/ЖЕЛТЫЙ провод к той части провода, которая идет от выключателя на двери пассажира или от электропривода.
Подсоедините КОРИЧНЕВЫЙ/СИНИЙ провод к другой части провода, которая идет от главного выключателя.
Перережьте штатный провод отпирания и подсоедините ЧЕРНЫЙ/ЖЕЛТЫЙ провод к той части провода, которая идет от выключателя на двери пассажира или от электропривода.
Подсоедините ЗЕЛЕНЫЙ/СИНИЙ провод к другой части обрезанного провода, которая идет от главного выключателя.
КРАСНЫЙ/СИНИЙ и ЖЕЛТЫЙ провода должны быть подсоединены к +12В постоянного тока через предохранитель.
Если автомобиль не оборудован центральным замком или электроприводами замков дверей Вы можете установить дополнительные электроприводы и подсоединить их к системе следующим образом:
Подсоедините КОРИЧНЕВЫЙ/СИНИЙ и ЗЕЛЕНЫЙ/СИНИЙ провода к "земле"
Подсоедините ЖЕЛТЫЙ и КРАСНЫЙ/СИНИЙ провода к +12 постоянного тока через предохранитель. Подсоедините ЧЕРНЫЙ/ЖЕЛТЫЙ провод к СИНЕМУ проводу отпирания электропривода. Подсоедините ЗЕЛЕНЫЙ/ЖЕЛТЫЙ провод к ЗЕЛЕНОМУ проводу запирания электропривода
