НАЗАД

BOSCH

IM

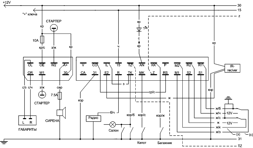
Схема подключения

Схема подключения
25.12.2001