Изделие предназначено для оповещения о несанкционированном использовании транспортного средства, блокировки работы двигателя режиме охраны, автоматического запуска двигателя и выполнения сервисных функций на автомобилях с номинальным напряжением бортовой сети +12В.
Автомобильная охранная система CENTURION XP предназначена для автоматического запуска двигателей с непосредственным впрыском топлива.
ПРЕДОСТЕРЕЖЕНИЕ: Не подключайте жгуты к элементам системы, пока не подключите ВСЕ провода.
Расположение разъемов для подключения составных частей изделия приведено на схеме подключения


Так как при подключении цепей силового разъема требуется анализ функций замка зажигания, рекомендуется подключать цепи силового разъема в непосредственной близости от замка зажигания. Обратите внимание на двойную функцию цепи зажигания (желтый провод), которая одновременно является выходом силовой цепи зажигания и входом, позволяющим системе определить момент выключения зажигания ключом.
| № Конт. | Цвет провода | Назначение цепи |
|---|---|---|
| 1 | Фиолетовый | Выход на стартер |
| 2 | Красный | Питание, +12В |
| 3 | Красный | Питание, +12В |
| 4 | Желтый | Выход/вход цепи зажигания |
| 5 | Коричневый | Выход на аксессуары |
Фиолетовый провод - выход для подключения тягового реле стартера
При подключении фиолетового провода, для предотвращения самопроизвольного движения автомобиля необходимо соблюдать осторожность. Понимание различия между коробками передач с механическим и электрическим выключателем стартера, позволит Вам правильно выбрать цепи подключения и способ установки. Кроме того, Вы поймете, для чего требуется подключение всех цепей обеспечивающих безопасность для всех механических конфигураций выключателя стартера. Ошибки при подключении могут иметь результатом причинение ущерба личности и имуществу.
В любом случае, после установки должна быть произведена проверка невозможности дистанционного запуска двигателя в любом положении рычага коробки передач, кроме "PARK" или "NEUTRAL".
Фиолетовый провод подключается к цепи тягового реле стартера выполненной проводом меньшего сечения. На этом проводе должно появляться напряжение +12В только в положении ключа в замке зажигания "START" . Во всех других положениях замка зажигания напряжение должно отсутствовать.ЗАМЕЧАНИЕ. Фиолетовый провод должен быть подключен после реле блокировки запуска двигателя (если таковое используется), но перед выключателем стартера, используемым в коробках передач с электрическим отключением стартера.

Красные провода - +12В, силовое питание
Прежде, чем подключать эти провода, выньте 20А предохранители из их цепей и не вставляйте их, пока все компоненты системы не будут подключены.
Желтый провод - выход для подключения цепей зажигания
Подключите желтый провод к цепи зажигания, идущей от замка зажигания, на которой появляется напряжение +12В в положении "ON" или "RUN", а также в положении "START" или "CRANK". В положении замка зажигания "OFF" напряжение в этой цепи должно отсутствовать. Подключение данного провода обязательно.
Коричневый провод - выход на аксессуары
Подключите коричневый провод к цепи, питающей систему "климат-контроль". В этой цепи должно быть напряжение +12В в положениях замка зажигания "ACC" и "ON" или "RUN". В положениях "OFF" и "START" или "CRANK" напряжение в этой цепи должно отсутствовать. Часто встречаются автомобили с более чем одной цепью аксессуаров. Подключаться необходимо к той, которая питает систему "климат - контроль". Некоторые автомобили имеют питание вентилятора и питание компрессора кондиционера в разных цепях аксессуаров. В этом случае потребуется дополнительное реле для питания второй цепи аксессуаров.
| № Конт. | Цвет провода | Назначение цепи |
|---|---|---|
| 1 | Белый | Выход на световые сигналы |
| 2 | Красно-белый | Питание световых сигналов, предохранитель 15А* |
| 3 | Белый | Выход на световые сигналы |
| 4 | Черный | Общий ("масса") |
| 5 | Коричневый | Выход на сирену, "+" 2А |
| 6 | Красный | Питание сигнализации, предохранитель 3А |
* Красно-белый провод соединен с красным проводом после обоих предохранителей.
Белые провода - выходы на световые сигналы
Белые провода передают питание, поступающее по цепи красно-белого провода на световые сигналы через контакты встроенного реле. Подключите белые провода к световым индикаторам с левой и правой стороны.
Красно-белый провод - питание световых сигналов
Если питание световых сигналов +12В, как на большинстве автомобилей, никаких дополнительных действий с красно-белым проводом не требуется - он подключен к +12В.
Если световые сигналы автомобиля имеют питание с потенциалом "массы", разрежьте красно-белый провод как можно ближе к соединению с красным проводом и подсоедините к "массе".
Черный провод - "масса"
Общий провод центрального блока. Соедините этот провод с шасси автомобиля. Не соединяйте этот провод через заземляющие провода штатной проводки автомобиля; присоедините его к корпусу непосредственно.
Коричневый провод - выход на сирену
Выход положительной полярности для управления сиреной. Максимальный ток нагрузки 2А. Соедините этот провод с красным проводом неавтономной сирены.Черный провод сирены соедините с "массой".
Красный провод - +12В, питание системы
Подключите этот провод к цепи, в которой постоянно присутствует напряжение +12В
Приемно-передающий модуль монтируется в районе приборной панели для обеспечения наилучших условий приема. Мы предлагаем монтировать его в углу лобового стекла, нижнем или верхнем, наиболее удаленном от водителя.

ЗАМЕЧАНИЕ: Для достижения наилучших результатов мы предлагаем располагать антенну горизонтально.
ВНИМАНИЕ! Размещение модуля не должно приводить к ограничению обзора с места водителя.
Датчик ударов по стеклу является дополнительным оборудованием.
| № Конт. | Цвет провода | Назначение цепи |
|---|---|---|
| 1 | Бело-черный | Вход запрета запуска "-"* |
| 2 | Бело-фиолетовый | Вход запрета запуска "+"*** |
| 3 | Черно-белый | Вход разрешения запуска "-"** |
| 4 | Синий | Вход датчика капота (багажника) "-" |
| 5 | Бело-зеленый | Датчик включения калильных свечей "-" |
| 6 | Зеленый | Вход датчика дверей "-" |
| 7 | Фиолетовый | Вход датчика дверей "+" |
| 8 | Бело-синий | Вход запуска двигателя "-" |
| 9 | Бело-красный | Вход датчика определения работающего двигателя |
* Изготовитель рекомендует подключать данный вход к датчику капота.
** Изготовитель рекомендует подключать данный вход к датчику нейтрального положения автоматической коробки передач или к специальному переключателю. Возможно также подключение к датчику стояночного тормоза.
*** Изготовитель рекомендует подключать данный вход к датчику тормозной педали.
Бело-черный провод - вход отрицательного датчика запрета и прерывания автоматического запуска двигателя
Бело-черный провод предусмотрен для запрета и/или прерывания автоматического запуска двигателя при наличии на нем потенциала "массы". Подключите его к установленному датчику капота. Этот провод должен быть пропущен через проходную изолирующую втулку в передней стенке салона и подключен к датчику капота. Если этот же датчик используется для охраны капота, подключите этот провод через развязывающий диод.

ВАЖНО! Это подключение обеспечивает безопасность и должно быть выполнено, как указано выше и проверено, как указано ниже. Ошибка в подключении может привести к причинению ущерба личности или собственности.
Этот провод может быть также подключен к датчику тормозной педали на автомобилях, в которых включение стоп-сигналов осуществляется "минусом". Разделительный диод в этом случае должен быть установлен на выходе датчика тормозной педали.
Бело-фиолетовый провод - вход положительного датчика запрета и прерывания автоматического запуска двигателя
Бело-фиолетовый провод предусмотрен для запрета и/или прерывания автоматического запуска двигателя при наличии на нем потенциала +12В. Если на автомобиле используется включение стоп-сигналов напряжением +12В, подключите этот провод к выходу датчика тормозной педали. Это позволит прерывать работу двигателя запущенного автоматически, при попытке управления им, если в замке зажигания нет ключа. На большинстве автомобилей для того, чтобы переключить передачу тормозная педаль должна быть нажата. Такое подключение в свою очередь прервать работу двигателя.

Автомобиль с неавтоматической трансмиссией: При установке на автомобилях с неавтоматической трансмиссией необходимо также подключать бело-фиолетовый провод к датчику стояночного тормоза. Разделительные диоды должны использоваться в цепях датчиков тормозной педали и стояночного тормоза.
На большинстве автомобилей потенциал датчика включенного стояночного тормоза равен +12В, когда зажигание включено. Если это не так, необходимо включить дополнительное реле по приведенной ниже схеме.

Автоматический запуск и прогрев двигателя выполняется только в том случае, если черно-белый провод имеет потенциал "массы". При любом другом состоянии входа разрешения автоматический запуск и прогрев двигателя запрещен.
ВНИМАНИЕ! Если черно-белый провод не используется, соедините его с "массой" напрямую.
Синий провод - вход датчика капота/багажника
Подключите синий провод к концевым выключателям капота и багажника, имеющим потенциал "массы" при открытом капоте и багажнике.
Бело-зеленый провод - вход датчика включения калильных свечей
В автомобилях с дизельным двигателем подключение этой цепи необходимо при наличии светового сигнала WAIT-TO-START на приборной доске. Этот сигнал показывает, что включены калильные свечи и гаснет в момент их выключения. В этот момент двигатель может быть запущен. Помимо приборной доски, цепь, включающая этот сигнал, может быть обнаружена на разъеме модуля управления двигателем (Engine Control Module - ECM). Для обнаружения цепи и определения полярности этого сигнала:
В большинстве автомобилей полярность этого сигнала отрицательная и бело-зеленый провод может быть подключен к ней непосредственно. На автомобилях с положительной полярностью сигнала WAIT-TO-START используйте дополнительное реле для того, чтобы изменить его полярность.

Зеленый провод - вход датчиков дверей "-"
Подключите зеленый провод к точке соединяющей заводские концевые выключатели дверей "отрицательного типа".
Фиолетовый провод - вход датчиков дверей "+"
Подключите зеленый провод к точке соединяющей заводские концевые выключатели дверей "положительного типа" (датчики такого типа применяются, например, на автомобилях марки FORD).
Бело-синий провод - вход запуска и остановки двигателя. См. также раздел "Программируемые функции" (Таблица 4)
Осуществляет запуск и остановку двигателя по импульсному сигналу "массы". Используется только в период проверки после установки или совместно с установленной в заводских условиях системой управления.
Бело-красный провод - вход датчика работы двигателя
Подключения сигнала тахометра
ЗАМЕЧАНИЕ. Данная цепь подключается, если запрограммирована функция тахометрического способа контроля двигателя (см. раздел "Программируемые функции", таблица 5). Если запрограммированы функции контроля работы двигателя по датчику напряжения или с фиксированным временем работы стартера, подключение датчика работы двигателя не требуется.
Тахометрический датчик предназначен для измерения количества оборотов двигателя в единицу времени. Бело-красный провод может быть подключен к отрицательному выводу первичной цепи катушки зажигания. В системах с несколькими катушками зажигания и в системах с высокой энергией воспламенения подключение тахометра затруднено.
Для нахождения цепи подключения тахометра используется вольтметр переменного тока. При измерении напряжения в цепи тахометра вольтметр должен показать от 1 до 6В при холостых оборотах двигателя. Увеличения скорости вращения двигателя должно вызывать повышение напряжения в исследуемой цепи. В системах с несколькими катушками зажигания возможно подключение в цепь отдельной катушки. Напряжение, которое покажет вольтметр, будет в этом случае меньше.
ВАЖНО! Не проверяйте провода тахометра упрощенным или логическим пробником. Транспортное средство будет повреждено.
Для того чтобы проверить цепь подключения тахометра:
Подключение сигнала контактного датчика
ЗАМЕЧАНИЕ: Вы должны подключить этот провод, если запрограммирована функция контактного датчика контроля работы двигателя (см. раздел "Программируемые функции", таблица 5), в противном случае не подключайте (изолируйте) этот провод.
Этот вход обеспечивает систему автоматического запуска информацией о том, работает двигатель, или нет. Определите провод, который обычно соединен с аварийным датчиком давления масла, или с датчиком разряда аккумуляторной батареи и соответствующим индикатором на приборной доске.
Датчик положительной полярности: Вольтметр постоянного тока, подключенный к этой цепи, должен показывать 2-3В при неработающем двигателе и 12-14В, когда двигатель работает.
Датчик отрицательной полярности: Вольтметр постоянного тока, подключенный к этой цепи, должен показывать не более 12-14В при неработающем двигателе и 2-3В, когда двигатель работает. Подключите бело-красный провод к этой цепи.

| № Конт. | Цвет провода | Назначение цепи |
|---|---|---|
| 1 | Желтый | Выход управления дополнительной (3-ей) цепью зажигания, "-" |
| 2 | Черно-фиолетовый | 6-й программируемый выход, "-" |
| 3 | Розовый | Программируемый выход, "-" ** |
| 4 | Оранжево-белый | Выход блокировки, "-" при выключенном режиме охраны |
| 5 | Оранжевый | Выход блокировки, "-" при включенном режиме охраны |
| 6 | Коричнево-белый | Программируемый выход, "-" * |
| 7 | Белый | Выход управления салонным освещением, "-" |
| 8 | Черно-красный | 5-й программируемый выход, "-" |
| 9 | Черно-зеленый | 4-й программируемый выход, "-" |
| 10 | Серый | Выход управления 3-го канала (отпирание багажника), "-" |
| 11 | Сине-красный | Нормально замкнутый контакт реле отпирания |
| 12 | Сине-белый | Общий контакт реле отпирания |
| 13 | Сине-желтый | Нормально разомкнутый контакт реле отпирания |
| 14 | Зелено-красный | Нормально замкнутый контакт реле запирания |
| 15 | Зелено-белый | Общий контакт реле запирания |
| 16 | Зелено-желтый | Нормально разомкнутый контакт реле запирания |
* Выход на сирену без электроники (Horn) или сигнал автовозврата в режим охраны для заводской сигнализации.
** Сигнал отпирания дверей пассажиров, или сигнал выключения режима охраны для штатной сигнализации, или сигнал обхода датчиков при автоматическом запуске двигателя.
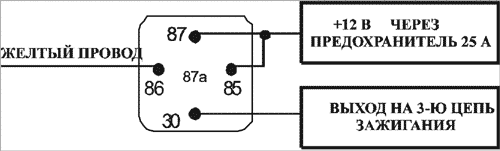
Желтый провод - выход управления дополнительной (3-ей) цепью зажигания
На этом проводе в течение 4-х секунд перед автоматическим запуском двигателя и все время, пока работает двигатель, появляется потенциал "массы" с максимальной нагрузочной способностью до 200мА.
Некоторые новейшие типы автомобилей используют третью цепь зажигания при запуске и работе двигателя. В этом случае подключите к желтому проводу дополнительное реле, как указано на рисунке.
Не соединяйте различные цепи зажигания, они разделены не беспричинно

Использование цепи желтого провода для обхода транспондерного иммобилизатора. На автомобилях, оборудованных транспондерными иммобилизаторами необходимо обеспечить автоматическое отключение блокировки при дистанционном запуске двигателя. Для этого:

Обход системы VATS на автомобилях General Motors. Если автомобиль оснащен системой VATS, необходимо обеспечить ее функционирование при дистанционном запуске двигателя. Для этого:

Черно-фиолетовый провод - выход шестого канала (см. раздел "Программируемые функции", таблица 3)
Шестой канал управления дополнительными устройствами программируется пользователем и может иметь длительность выходного сигнала от 1 секунды до 2-х минут. Выходной сигнал шестого канала имеет потенциал "массы" при нагрузочной способности до 200 мА. Для управления шестым каналом необходимо нажать одновременно кнопки
и
брелка.
Розовый провод - программируемый выход (см. раздел "Программируемые функции", таблица 3)
Выход формирует сигнал отрицательной полярности с нагрузочной способностью до 200мА.
Выход для отпирания дверей пассажиров (заводская установка)
Данная функция обеспечивает полноценное автоматическое управление замками дверей. Для этого автомобиль должен быть оснащен электроприводами замков дверей, но не кнопкой или переключателем, которые запирают и отпирают все двери одновременно. Когда функция двухшагового отпирания дверей реализована, при выключении режима охраны отпирается только дверь водителя. Для того чтобы отпереть двери пассажиров, необходимо нажать кнопку брелка еще раз, причем не позже чем через 3 секунды после выключения режима охраны.
Выход для отключения режима охраны штатной сигнализации
Выход предназначен для отключения режима охраны штатной сигнализации автомобиля. На этом выходе формируется отрицательный импульс длительностью около 1 секунды при выключении режима охраны или дистанционном запуске двигателя. Некоторые типы штатных сигнализаций необходимо отключать при автоматическом запуске двигателя.
В большинстве случаев этот провод может управлять штатной сигнализацией автомобиля непосредственно. Провод, к которому нужно подключить данный выход обнаруживается по отрицательному импульсу в момент открывания двери ключом. Обычно он расположен под съемной панелью двери, в жгуте, переходящем из полости двери в кузов.
Выход сигнала обхода датчиков при автоматическом запуске двигателя
Этот сигнал предназначен для выключения датчика удара на время запуска двигателя. Потенциал "массы" появляется на нем в течение всего времени, когда осуществляется запуск и прогрев двигателя и еще 3 секунды после выключения двигателя.
Оранжево-белый провод - выход блокировки
Этот выход предназначен для блокировки двигателя от несанкционированного запуска нормально разомкнутыми контактами дополнительного реле по цепи зажигания или бензонасоса. Когда включен режим охраны, на этом проводе сигнал "масса" отсутствует. После подачи команды дистанционного запуска двигателя появляется сигнал "масса" и сохраняется, пока двигатель продолжает работать. После выключения двигателя или при тревоге с заведенным двигателем сигнал "масса" пропадает вновь. При выключенном режиме охраны на этом проводе всегда присутствует "масса". Максимальная нагрузочная способность выхода - 200 мА.
Возможны два способа подключения дополнительного внешнего реле.
Первый способ. Он обеспечивает дистанционный запуск и блокировку двигателя в режиме охраны, но не охраняет цепь зажигания при запущенном двигателе и не блокирует его. Поэтому при открытии двери (при тревоге) или включении зажигания двигатель не заглохнет, (он заглохнет только при нажатии на педаль тормоза).

Второй способ. Он обеспечивает дистанционный запуск и блокировку двигателя в режиме охраны и позволяет контролировать цепь зажигания при запущенном двигателе и блокировать его. Поэтому при открытии двери (при тревоге) или включении зажигания двигатель сразу заглохнет.

Оранжевый провод - выход блокировки
На этом проводе появляется потенциал "массы" при включенном режиме охраны. Максимальная нагрузочная способность выхода - 500 мА. Этот выход предназначен для блокировки двигателя от несанкционированного запуска нормально замкнутыми контактами дополнительного реле по цепи стартера.

Коричнево-белый провод - программируемый выход (см. раздел "Программируемые функции", таблица 3)
Выход на штатный звуковой сигнал автомобиля (заводская установка)
Этот выход может быть использован для подключения штатного звукового сигнала автомобиля в качестве дополнительного звукового сигнала тревоги. Этот маломощный отрицательный выход должен подключаться к цепи управления звуковым сигналом.

Сигнал автовозврата для штатной сигнализации автомобиля
Этот выход может быть использован, для включения режима охраны штатной сигнализации автомобиля при автоматическом возврате в режим охраны системы Centurion XP.
Белый провод - выход управления салонным освещением
Отрицательный сигнал появляется на этом проводе:
Максимальная нагрузочная способность этого выхода - 200 мА. Этот выход может управлять салонным освещением через дополнительное 10 А реле.

Черно-красный провод - выход пятого канала (см. раздел "Программируемые функции", таблица 3)
Пятый канал управления дополнительными устройствами программируется пользователем и может иметь длительность выходного сигнала от 1 секунды до 2-х минут. Выходной сигнал пятого канала имеет потенциал "массы" при нагрузочной способности до 200 мА. Для управления шестым каналом необходимо нажать одновременно кнопки
и
брелка.
Черно-зеленый провод - выход четвертого канала (см. раздел "Программируемые функции", таблица 3)
Выход четвертого канала, мгновенный выход (заводская установка)
Четвертый канал управления дополнительными устройствами программируется пользователем и может иметь длительность выходного сигнала от 1 секунды до 2-х минут. Выходной сигнал четвертого канала имеет потенциал "массы" при нагрузочной способности до 200 мА. Для управления четвертым каналом необходимо нажать одновременно кнопки
и
брелка.
Отрицательный выход при работе стартера
Отрицательный сигнал на этом выходе появляется во время работы стартера при автоматическом запуске двигателя.
Серый провод - выход третьего канала
Отрицательный сигнал длительностью 1 секунда появляется на этом выходе при активизации его длительным, более 2-х секунд, нажатием кнопки
брелка. Нагрузочная способность выхода третьего канала - 200 мА. Он предназначен для дистанционного отпирания багажника или управления другими устройствами.


СИСТЕМА С ПНЕВМАТИЧЕСКИМ УПРАВЛЕНИЕМ ЗАМКАМИ: (MERCEDES BENZ, AUDI)
Найдите провода под съемной панелью в ногах водителя. Используйте вольтметр, подключенный общим проводом к "массе". Убедитесь, что когда замки дверей отпираются вольтметр показывает "+12 В". Закройте двери и вольтметр покажет "0 В".
Переключите "крокодил" с общим проводом на "+12 В" и вольтметр будет показывать при закрывании двери "-12 В". Перережьте этот провод как указано на схеме. Будьте уверены, что запрограммировано время работы замков 3 секунды. (См. Раздел "Программируемые функции", таблица № 1).
Датчик температуры позволяет дистанционно контролировать температуру в точке его размещения, с выводом на дисплей брелка, а также управлять периодическим запуском двигателя, осуществляемым каждые 3 часа при условии падения температуры в месте размещения датчика ниже запрограммированного значения.
Служебная кнопка должна быть установлена в легко доступном для водителя месте. Нет особых требований к скрытому размещению служебной кнопки, но скрытое размещение рекомендуется при повышенных требованиях к уровню безопасности. Установите служебную кнопку в скрытом, но доступном месте. Подключите кнопку к центральному блоку.
Светодиодный индикатор должен быть размещен в зоне наилучшей видимости, такой, например, как верхняя часть приборной доски, или ее лицевая поверхность.
Перережьте петлю фиолетового провода при установке системы на автомобиль с неавтоматической трансмиссией.
ЗАМЕЧАНИЯ:
Для записи кодов новых брелков:
Всего в память устройства могут быть записаны коды четырех брелков. При записи кода пятого брелка, он записывается на место первого брелка, а код брелка, записанный первым, автоматически стирается.
Двухразрядный десятичный программируемый пользователем персональный код используется для аварийного выключения режима охраны, если запрограммирована соответствующая функция из таблицы №3.
Включение функции и программирование значения персонального кода
Если новый код, вследствие некорректных действий не был запрограммирован, после выключения режима программирования сохраняется старое значение персонального кода.
Выключение функции и стирание значения персонального кода
Значение запрограммированного персонального кода, равно как и включение функции персонального кода сохраняется при выключении и последующем включении питания, если программирующая перемычка, установленная на плате центрального блока, установлена в положение близкое к продольной оси процессора.
Если перемычка установлена в положение, существенно сдвинутое от продольной оси процессора, при каждом выключении питания функция персонального кода отключается. После восстановления положения перемычки и выключения и включения питания, функция персонального кода включается, если она не отключалась в процессе программирования, значение кода сохраняется, если оно также не было программно изменено.
Аварийное отключение режима охраны используется в случае потери или неисправности брелка. В зависимости от того, как запрограммирована функция персонального кода (см. таб. №3), аварийное отключение режима охраны выполняется с использованием кода, когда он включен и запрограммирован, или без использования кода, когда он выключен, и значение его стерто.
Аварийное отключение режима охраны без применения персонального кода (заводская установка)
Аварийное выключение режима охраны персональным кодом
При неправильном вводе кода пользователю предоставляются еще две попытки, причем, если неправильно вводится первая цифра кода - это уже считается попыткой, затем ввод кода блокируется на 5 минут. В течение этих 5-и минут светодиод будет вспыхивать с частотой около 1Гц и с очень короткими паузами - около 0,1 сек.
Сигнализация позволяет программировать 19 охранных и сервисных функций, перечисленных в таблицах №№ 1-3 и 14 функций автоматического запуска двигателя, перечисленных в таблицах №№ 4 и 5. Заводские установки соответствуют состоянию функций в первых колонках таблиц.
Для изменения состояния программируемых функций:
| Кнопка брелка | Количество вспышек светодиодного индикатора и сигналов сирены | |||
|---|---|---|---|---|
| 1 | 2 | 3 | 4 | |
| Подтверждающие сигналы сирены и Horn'а включены | Включены подтверждающие сигналы сирены | Включены подтверждающие сигналы Horn'а | Все подтверждающие сигналы выключены | |
| Автоматическое включение режима охраны и пассивной блокировки не выполняется | Автоматическое включение режима охраны выполняется без запирания дверей | Автоматическое включение режима охраны выполняется с запиранием дверей | Автоматическое включение пассивной блокировки выполняется | |
| Автовозврат в режим охраны выполняется | Автовозврат в режим охраны не выполняется | - | - | |
| Звуковое предупреждение о незакрытых дверях включено | Звуковое предупреждение о незакрытых дверях выключено | - | - | |
| Периодический запуск двигателя каждые 3 часа | Периодический запуск двигателя каждые 2 часа | - | - | |
| Режим "Anti car-jacking" выключен | Режим "Anti-car-jacking" включается брелком | Режим "Anti-car-jacking" включается автоматически, при включении зажигания | - | |
| Включение режима "паника" возможно только при выключенном зажигании | Включение режима "паника" возможно при включенном и выключенном зажигании | Режим "паника" не ограничен по времени и включается при включенном и выключенном зажигании | Режим "паника" не включается | |
ПРИМЕЧАНИЕ. При включении программируемой функции автоматического включения режима охраны будет включена и функция автоматического возврата в режим охраны.
| Кнопка брелка | Количество вспышек светодиодного индикатора и сигналов сирены | |||
|---|---|---|---|---|
| 1 | 2 | 3 | 4 | |
| Длительность работы замков 0,8 сек. | Длительность работы замков 3,5 сек. | Двухимпульсное отпирание дверей | Функция "Комфорт" | |
| Автоматическое запирание/отпирание дверей при включении/выключении зажигания | Автоматическое запирание дверей при включении зажигания | Автоматическое отпирание дверей при выключении зажигания | Управление замками дверей по цепи зажигания не осуществляется | |
| Подсветка габаритными фонарями не работает | Габаритные фонари включаются на 30 секунд после выключения охраны | Габаритные фонари включаются на 30 сек после выключения и на 10 сек после включения охраны | - | |
| Выход на сирену постоянный | Выход на сирену импульсами по 5 секунд | Выход на сирену без электроники | Выход на сирену используется для подключения штатного звукового сигнала автомобиля | |
| Автомобиль с двигателем без турбонаддува. Охрана с работающим двигателем невозможна | Двигатель с турбонаддувом (возможна охрана с работающим двигателем) | |||
| Обход датчика удара на все время работы двигателя (двигатель остается работать при выключении зажигания) | Обход датчика удара на 3 минуты при работающем двигателе после включения режима охраны (двигатель остается работать при выключении зажигания) | Нажать |
||
| 5 звуковых сигналов = Нажать 6 звуковых сигналов = Нажать |
||||
| Запретить проверку нахождения в зоне уверенного приема | Разрешить проверку нахождения в зоне уверенного приема | |||
Функция "Комфорт" Некоторые автомобили (Mercedes, BMW, VW, Opel, ….) имеют специальную функцию называемую "Комфорт". Когда Вы закрываете дверь ключом и оставляете ключ повернутым в замке на 5 или 7 секунд окна дверей закрываются. Если Ваш автомобиль имеет такую возможность, и Вы желаете, чтобы двери и окна автоматически закрывались при помощи брелка, Вы можете установить функцию "Комфорт" (Таблица 2 п. 1).
| Кнопки брелка | Количество вспышек светодиодного индикатора и сигналов сирены | ||||
|---|---|---|---|---|---|
| 1 | 2 | 3 | 4 | 5 | |
| PIN-код для аварийного выключения не используется. Значение кода стирается. | PIN-код для аварийного выключения используется. Значение кода программируется. | ||||
| Функция программируемого выхода - розовый провод (H7/3) | |||||
| Отпирание дверей пассажиров | Выключение штатной сигнализации | Сигнал обхода датчиков при запуске двигателя | |||
| Функция программируемого выхода - коричнево-белый провод (H7/6) | |||||
| Выход на сирену без электроники (Horn) | Сигнал автовозврата для штатной сигнализации | ||||
| Функция программируемого входа запуска двигателя - бело-синий провод (H6/8) | |||||
| 1 импульс для запуска двигателя | 2 импульса для запуска двигателя | 3 импульса для запуска двигателя | |||
| Функция 4-го канала - черно-зеленый провод (H7/9) | |||||
| Мгновенный выход* | Выход - защелка** | Выход - защелка со сбросом по зажиганию*** | Таймерный выход (от 1 сек до 2-х минут)***** | Выход "масса" при работе стартера**** | |
| Функция 5-го канала - черно-красный провод (H7/8) | |||||
| Мгновенный выход* | Выход - защелка** | Выход - защелка со сбросом по зажиганию*** | Таймерный выход (от 1 сек до 2-х минут)***** | ||
| Функция 6-го канала - черно-фиолетовый провод (H7/2) | |||||
| Мгновенный выход* | Выход - защелка** | Выход - защелка со сбросом по зажиганию*** | Таймерный выход (от 1 сек до 2-х минут)***** | ||
* Отрицательный сигнал появляется на выходе в момент нажатия кнопки брелка и пропадает в момент ее отпускания.
** Отрицательный сигнал появляется на выходе в момент нажатия кнопки брелка и остается до тех пор, пока кнопка брелка не будет нажата вновь.
*** Отрицательный сигнал появляется в момент нажатия кнопки брелка и остается до тех пор, пока не будет включено зажигание.
**** Отрицательный сигнал появляется в момент включения стартера при автоматическом запуске двигателя.
***** Для программирования длительности сигнала таймерного выхода дополнительных каналов:
ПРЕДОСТЕРЕЖЕНИЕ. Если дополнительный канал управляет электроприводом стеклоподъемника или люка, программирование длительности сигнала может производить только установщик. Произвольное изменение длительности сигнала, особенно ее увеличение, может привести к быстрому выходу соответствующих электроприводов из строя.
| Кнопки брелка | Количество вспышек светодиодного индикатора и сигналов сирены | ||||
|---|---|---|---|---|---|
| 1 | 2 | 3 | 4 | ||
| Бензиновый двигатель или дизель с управлением по бело-зеленому проводу (H5) | Дизельный двигатель - время прогрева свечей 10 секунд | Дизельный двигатель - время прогрева свечей 15 секунд | Дизельный двигатель - время прогрева свечей 20 секунд | ||
| Время прогрева двигателя 10 мин. | Время прогрева двигателя 20 мин. | Время прогрева двигателя 30 мин. | Время прогрева двигателя 5 мин. | ||
| Штатная сигнализация отключается при активизации второго канала | Штатная сигнализация не отключается при активизации второго канала | - | - | ||
| При прогреве двигателя габаритные фонари непрерывно горят | При прогреве двигателя габаритные фонари мигают | - | - | ||
| Запирание дверей выполняется перед запуском двигателя | Запирание дверей выполняется при прерывании запуска двигателя | Двери запираются перед запуском двигателя и при его прерывании | Запуск двигателя не управляет замками дверей | ||
| Запуск двигателя осуществляется двухкратным нажатием кнопки |
Запуск двигателя осуществляется одновременным нажатием кнопок |
Запуск двигателя осуществляется нажатием кнопки |
- | ||
| Температура в градусах по Цельсию | Температура в градусах по Фаренгейту | - | - | ||
| Автоматический запуск двигателя по температуре не осуществляется | Автоматический запуск двигателя осуществляется при температуре минус 15°С | Автоматический запуск двигателя осуществляется при температуре минус 20°С | Автоматический запуск двигателя осуществляется при температуре минус 30°С | ||
| Кнопки брелка | Количество вспышек светодиодного индикатора и сигналов сирены | ||||
|---|---|---|---|---|---|
| 1 | 2 | 3 | 4 | ||
| Выключение процесса программирования | |||||
| Тахометрический датчик работы двигателя | Датчик напряжения в качестве датчика работы двигателя | Запуск двигателя по времени работы стартера | Контактный датчик работы двигателя отрицательной полярности | ||
| 5 звуковых сигналов = Контактный датчик работы двигателя положительной полярности | |||||
| Время работы стартера 0,6 секунды (Запись значения холостых оборотов) | Время работы стартера: 0,8 секунды (2 сигнала); 1 секунда (3 сигнала); 1,2 секунды (4 сигнала); 1,4 секунды (5 сигналов); 1,6 секунды (6 сигналов); 1,8 секунды (7 сигналов); 2 секунды (8 сигналов); 3 секунды (9 сигналов); 4 секунды (10 сигналов) | ||||
| Низкая чувствительность датчика работы двигателя | Высокая чувствительность датчика работы двигателя | ||||
| Включение и выключение режима тестирования и настройки датчиков. | |||||
| Тестирование датчиков дверей и капота (багажника) | Тестирование датчика удара | ||||
Программирование способа контроля работы двигателя осуществляется после установки системы в режиме пробных запусков двигателя и включенном режиме программирования
Включите режим программирования функций автоматического запуска двигателя:
Выберите способ контроля работы двигателя по тахометру
Запись числа холостых оборотов двигателя в память
Для того чтобы тахометрический датчик мог определить двигатель как работающий или неработающий, обороты холостого хода двигателя должны быть занесены в память. Для этого:
Программирование чувствительности датчика работы двигателя
Включите режим программирования функций автоматического запуска двигателя:
Выберите способ контроля работы двигателя по датчику напряжения
Программирование времени работы стартера и чувствительности датчика при использовании датчика напряжения
Включите режим программирования функций автоматического запуска двигателя:
Выберите способ контроля работы двигателя по контактному датчику
Программирование времени работы стартера при использовании контактного датчика
А. Тестирование датчиков дверей и капота (багажника):
Нажмите кнопкиБ. Тестирование датчика удара:
Нажмите кнопкиПосле выполнения автоматического запуска двигателя причина отказа при запуске или причина последующей остановки двигателя может быть определена в режиме диагностики.
Для включения режима диагностики:
| Количество вспышек светодиода в серии | Причина отказа |
|---|---|
| 1 | Сигнал запрета запуска "-" (открыт капот) |
| 2 | Сигнал запрета запуска "+" (нажата тормозная педаль) |
| 3 | Двигатель не запустился или датчик работы двигателя не определил его запуск |
| 5 | Обороты двигателя превысили допустимые |
| 6 | Истекло время прогрева двигателя |
| 7 | Прерывание запуска или прогрева двигателя по сигналу с брелка |
| 8 | Не записаны в память обороты холостого хода |
| 9 | Не выполнена процедура программного определения нейтрального положения коробки передач (при перерезанной петле фиолетового провода) |
ПРЕДУПРЕЖДЕНИЕ!! Следующая процедура должны быть произведена после установки системы с автоматическим запуском двигателя. Ответственность за полную и качественную проверку лежит на установщике. Ошибки при проверке могут привести к нанесению личного или имущественного ущерба или того и другого вместе.
Трансмиссии с механическим выключателем стартера:
Конфигурации с механическим выключателем стартера практически неотличимы в том, что они не предоставляют определенного уровня безопасности, когда с ними устанавливается устройство с дистанционным запуском. Очень часто при выключенном зажигании, когда коробка передач находится во включенном состоянии, механический выключатель не позволяет повернуть цилиндр замка в положение "START". Такая конфигурация пресекает механические действия при включенной передаче, но не анализирует электрические. Поэтому, исходя из этой потенциальной проблемы, установка системы на автомобиле с механическим выключателем стартера требует дополнительных подключений цепей разрешения и запрещения запуска к входу датчика трансмиссии штатного электронного модуля управления или датчику наличия ключа в замке зажигания. Такое подключение предотвратит дистанционный запуск двигателя, если ключ в левом положении замка зажигания, независимо от положения коробки передач.
Вход датчика трансмиссии электронного модуля управления.
Использование этого входа - особый метод установки. Он не только позволяет интегрироваться в заводскую схему, но это также наиболее легкий способ установки.
Установка требует для такого использования (см. ниже) незначительной модификации схемы подключения управляющего выключателя. Показана стандартная схема подключения датчика трансмиссии к входу электронного управляющего модуля General Motors. Для подключения системы с дистанционным запуском к этому входу:
ЗАМЕЧАНИЕ: Если установлен дополнительный тумблер, разрешающий автоматический запуск двигателя, подключите один контакт тумблера к электронному модулю управления, а второй к черно-белому проводу.

Схема с датчиком наличия ключа.
Если автомобиль, с которым Вы работаете, не имеет электронного модуля управления, или Вы не можете его обнаружить, есть два альтернативных способа установки. Хотя и не самые предпочтительные. Датчик наличия ключа может быть видоизменен для того, чтобы обеспечить минимальную безопасность и предотвратить запуск двигателя на автомобиле с механическим выключателем стартера при включенной передаче.
Мы предупреждаем, что Вы должны проверять исправность штатной схемы так часто, как это возможно. Следующие две схемы могут быть использованы только в том случае, если все предыдущие неприменимы.
ЗАМЕЧАНИЕ: По завершении установки, использующей любую из следующих схем с датчиком наличия ключа, двигатель запущенный брелком будет остановлен, если пользователь вставит ключ зажигания в замок. Необходимо объяснить пользователю, поскольку это отличается от нормального функционирования системы на автомобилях с электрическим выключателем стартера и противоречит инструкции пользователя.
Дополнительная информация о двух методах подключения приведена ниже и должна быть рассмотрена перед выбором.
МЕТОД 1 удовлетворяет требованиям безопасности и предотвращает дистанционный запуск двигателя в ином положении коробки передач, кроме нейтрального, но при открытой двери дополнительное реле потребляет ток от аккумулятора, около 150мА.
МЕТОД 2 также удовлетворяет требованиям безопасности и предотвращает дистанционный запуск двигателя при включенной передаче, однако напоминание о ключе зажигания, оставленном в замке зажигания будет отсутствовать.
Метод 1.

Подключите датчик наличия ключа, как указано:
А. Найдите провод, соединяющий концевой выключатель двери водителя с датчиком наличия ключа в замке зажигания.
Б. Разрежьте этот провод и соедините сторону замка зажигания с "массой".
В. Найдите провод датчика наличия ключа, соединяющий его с модулем звукового предупреждения.
Г. Разрежьте этот провод и подключите сторону замка зажигания к контакту "30" дополнительного реле.
Д. Подключите катод диода 1N4003 к этому проводу, а анод - к бело-черному проводу разъема H5.
Е. Подключите контакт "86" реле к точке постоянного питания с потенциалом +12В в блоке предохранителей.
Ж. Подключите контакт "87" реле к модулю звукового предупреждения, проводом разрезанным в п. Г.
З. Подключите контакт "85" реле к концевому выключателю двери водителя, проводом, разрезанным в п. Б.
ЗАМЕЧАНИЕ: Второй диод типа 1N4003 может потребоваться, чтобы подключить датчик капота. В этом случае он должен быть подключен, как указано на схеме. Если датчик капота используется также для охраны, убедитесь в правильном подключении диодов в соответствии со схемой.
Метод 2.

Подключите датчик наличия ключа, как указано:
А. Найдите провод, соединяющий концевой выключатель двери водителя с датчиком наличия ключа в замке зажигания.
Б. Разрежьте этот провод и соедините сторону замка зажигания с "массой".
В. Найдите провод датчика наличия ключа, соединяющий его с модулем звукового предупреждения.
Г. Разрежьте этот провод и соедините сторону замка зажигания с бело-черным проводом через диод 1N4003, как указано на схеме.
ЗАМЕЧАНИЕ: Второй диод типа 1N4003 может потребоваться, чтобы подключить датчик капота. В этом случае он должен быть подключен, как указано на схеме. Если датчик капота используется также для охраны, убедитесь в правильном подключении диодов в соответствии со схемой.
После подключения всех цепей система должна быть проверена на работоспособность. Выполните "Проверку безопасности запуска", как указано выше.
| Номинальное напряжение питания | + 12 В |
| Ток потребления в режиме охраны, не более | 35 мА |
| Задержка включения режима охраны | 3 секунды |
| Длительность тревоги | 30 секунд |
| Время автоматического возврата в режим охраны | 60 секунд |
| Время автоматического включения режима охраны | 30 секунд |
| Максимальное количество радио брелков | 4 |
| Максимальная нагрузочная способность выходов: | |
| Цепь включения внешнего реле блокировки (оранжевый провод) | 500 мА |
| Все прочие маломощные отрицательные выходы | 200 мА |
| Выходы управления световыми сигналами | 10 А |
| Выход на сирену | 2 А |
| Выходы силового разъема на стартер, зажигание, аксессуары | 20 А |
Рекомендуем Вам периодически, не реже одного раза в месяц, проверять работоспособность системы.
При снижении дальности действия какого-либо из брелков, замените элемент питания.
Для питания брелка с двусторонней связью используется элемент типоразмера "ААА" напряжением 1,5 В. Срок службы стандартного элемента зависит от частоты использования брелка и в среднем составляет 8 недель. В целях профилактики отказов и сохранения максимальной дальности действия брелка рекомендуется заменять элемент питания один раз в месяц. Уменьшение количества темных секторов с трех до одного на пиктограмме гальванического элемента (в левом нижнем углу дисплея брелка) однозначно указывает на необходимость срочной замены элемента питания. После замены элемента прозвучат три сигнала зуммера, включится элемент вибрации, и около пяти секунд будет светиться дисплей со всеми пиктограммами. Значение текущего времени, и все функции времени установятся в " АМ 12:00". После замены элемента питания установите текущее время и прочие временные функции брелка.
ВНИМАНИЕ! При хранении брелка без использования в течение длительного времени не оставляйте элемент питания в брелке. Глубоко разряженный элемент подвергается коррозионному разрушению и вытекшим электролитом может необратимо повредить брелок.
В брелке с односторонней связью используются два литиевых элемента CR2025, средний срок службы которых не менее 1 года, а срок хранения (если брелок используется как резервный и не находится в эксплуатации) - превышает 2,5 года. Отверните винт на нижней стороне брелка без обратной связи, откройте корпус и замените элементы питания. При замене элементов соблюдайте полярность включения.
2.07.2004