НАЗАД

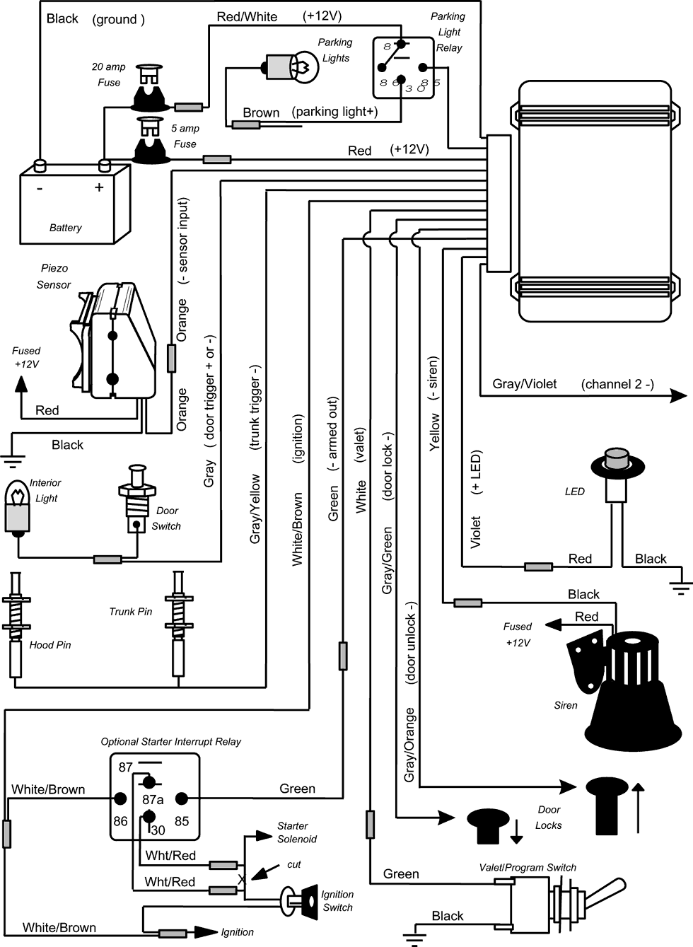
CLIFFORD

ACE 100

Схема подключения

Рис. 1

 

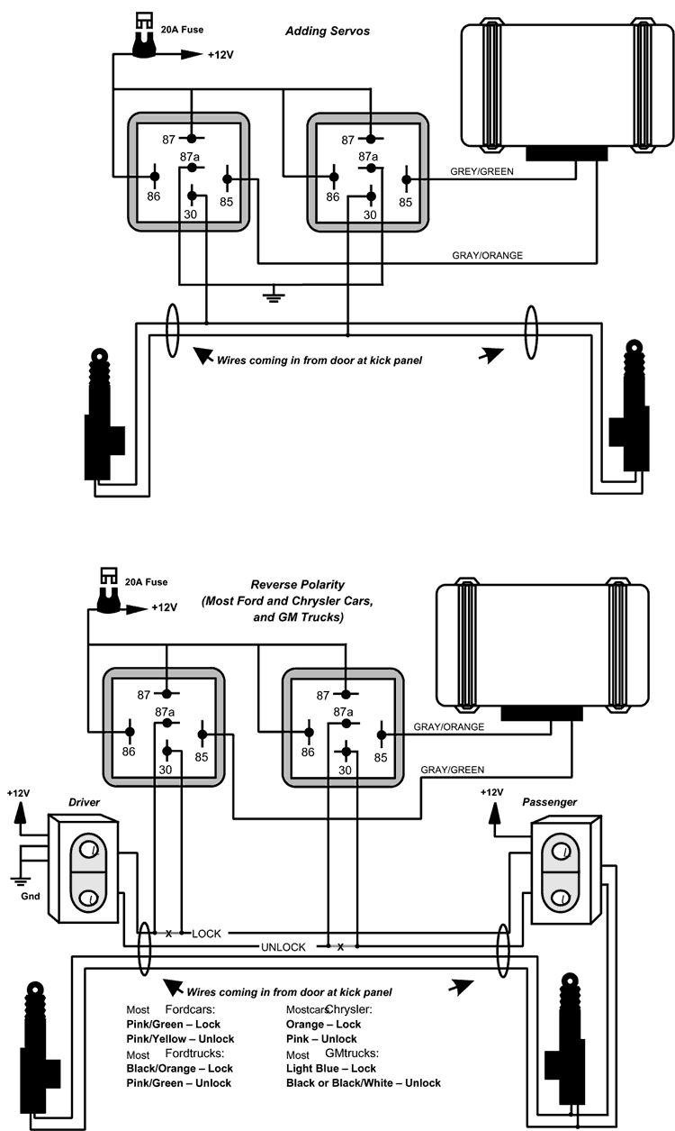
Рис. 2
Рис. 3
7.03.2002