CLIFFORD
Arrow II
Руководство по установке
Стандартные функции Arrow II
- Гарантия на срок владения - Центральный блок управления системы и передатчики находятся под гарантией, пока Вы владеете автомобилем.
- Схема контроля и проверок ложных срабатываний FACTtm - Одно из многих запатентованных изобретений фирмы Клиффорд. Полностью ликвидирует повторяющиеся ложные срабатывания тревожной системы.
- Пара 2-кнопочных/3-канальных пультов дистанционного управления - Управление системой с расстояния до 30 метров.
- Дистанционное включение режима "Паника" с автоматическим запиранием/отпиранием дверей - Удержание кнопки 1 передатчика в нажатом положении включает сирену, габаритные огни и отпирает двери для быстрой посадки в машину, не доставая ключи. При включении этого режима во время движения включается сирена, начинают мигать габаритные огни и запираются двери, защищая владельца от нападающего. (Для некоторых автомобилей требуется дополнительное реле).
- Функция AntiScan - Блокирует сканеры, используемые угонщиками для определения кодов передатчиков.
- Патентованная схема защиты цифровых кодов от перехвата AntiCode Grabbingtm (ACG) - Центральный блок системы Arrow II сделан на основе технологии защищающей цифровые коды от перехвата. Используйте дополнительный 3-кнопочный/12-канальный передатчик ACG. Передатчики ACG фирмы Клиффорд никогда не передают один и тот же код дважды.
- Дистанционное отключение сигналов подтверждения - При нажатии обеих кнопок передатчика отключаются звуковые сигналы подтверждения включения/выключения охраны.
- Выходы дистанционного запирания/отпирания дверей - Система Arrow II совместима с всеми приводами дверных замков с отрицательной полярностью (для других типов требуется установка доп. реле). При установке на ранних моделях Мерседес-Бенц и Ауди система позволяет включать 3-секунднй импульс.
- Встроенное устройство мигания габаритных огней с бортовым реле - Не требуется установка дополнительных реле и прокладка проводов.
- Дистанционное включение "вежливой" подсветки - При установке дополнительного реле при дистанционном выключении охраны система будет автоматически включать внутреннее освещение автомобиля на 30 секунд или до запуска двигателя, если это произойдет раньше.
- Патентованная схема AutoTestingtm - Автоматически проверяет все датчики и триггеры системы. При неисправности триггера или датчика конкретно указывает неполадки.
- Патентованная схема AutoBypasstm - Автоматически "обходит" обнаруженные неполадки датчиков или триггеров.
- Магниторезонансный датчик - Это виброударный датчик. Разъемное соединение.
- Мощная сирена - Громкий звук привлекает внимание.
- Патентованная схема защиты от шума - Ограничивает звучание сирены до 3 минут.
- Функция автопостановки на охрану AutoArmingtm (выбирается пользователем) - Автоматически (пассивно) ставит систему на охрану, если Вы забудете ее включить при помощи передатчика.
- Включение/выключение функции автопостановки на охрану - Вы можете включить или выключить данную функцию при помощи переключателя.
- Автопостановка на охрану с запиранием дверей - Вы можете включить автоматическое запирание дверей при автопостановке на охрану.
- Визуальное подтверждение - Две вспышки габаритных огней подтверждают начало 30-секундного отсчета перед автопостановкой на охрану.
- Быстрое отключение автопостановки на охрану - Два быстрых поворота ключа зажигания и функция автопостановки на охрану временно отключится на один цикл - удобно при заправке автомобиля. Функция автоматически включится при последующей парковке автомобиля.
- Запоминание срабатываний TotalRecalltm - Память системы запоминает последний сработавший триггер и/или датчик. Это дает важнейшую информацию для диагностики, так как система укажет этот сработавший триггер или датчик.
- Патентованная схема предупреждения о попытке проникновения - На расстоянии предупреждает владельца об имевшей место попытке проникновения в автомобиль в его отсутствие.
- Усовершенствованный микропроцессор на КМОП-схемах - Управляет всеми функциями системы со скоростью более 100 000 операций в секунду, потребляя при этом энергии меньше, чем часы в Вашем автомобиле.
- Блокировка стартера с защитой от неполадок - Система блокирует запуск двигателя при включенной охране. При этом даже в маловероятном случае неисправности системы владелец сможет завести двигатель.
- Патентованная схема запоминания кода передатчика - Позволяет простым касанием переключателя добавлять в память системы до трех передатчиков фирмы Клиффорд, включая 3-канальные и/или 12-канальные передатчики ACG. Также легко код потерянного или украденного передатчика может быть стерт из памяти системы.
- Управление двумя автомобилями - При помощи Ваших 3-канальных передатчиков Вы можете контролировать свои другие автомобили, где установлена система Клиффорд ACG. Дополнительный 4-кнопочный/12-канальный передатчик позволяет управлять большим количеством автомобилей.
- Яркий светодиодный индикатор состояния - Позволяет визуально контролировать состояние системы.
- Функция настройки на задержку выключения "вежливой" подсветки - Если в автомобиле имеется задержка на выключение внутрисалонного освещения, то при помощи нескольких движений выключателя Вы сможете установить систему на автоматическое определение выключения внутреннего освещения.
- Выход 2-го канала - Для управления дополнительными устройствами.
- Разъемы СИДа, датчика и переключателя Valet - Эти разъемы с проводкой устраняют больше дюжины различных соединений, что ускояет и облегчает установку.
- Дистанционное управление режимом Valet - При наличии дополнительного 4-кнопочного/12-канального передатчика владелец может использовать 5 канал для включения и выключения режима Valet. Мигание габаритных огней подтверждает включение и выключение этого режима.
- Патентованная схема Smart PowerUptm II - При отключении питания системы ее энергонезависимая память запоминает все последние установки (режим Valet, включенная или выключенная охрана) и возвращает ее в то же состояние после включения питания. Поэтому, если похититель отключит систему, то при последующем включении сразу же зазвучит сирена, а автомобиль останется неподвижным.
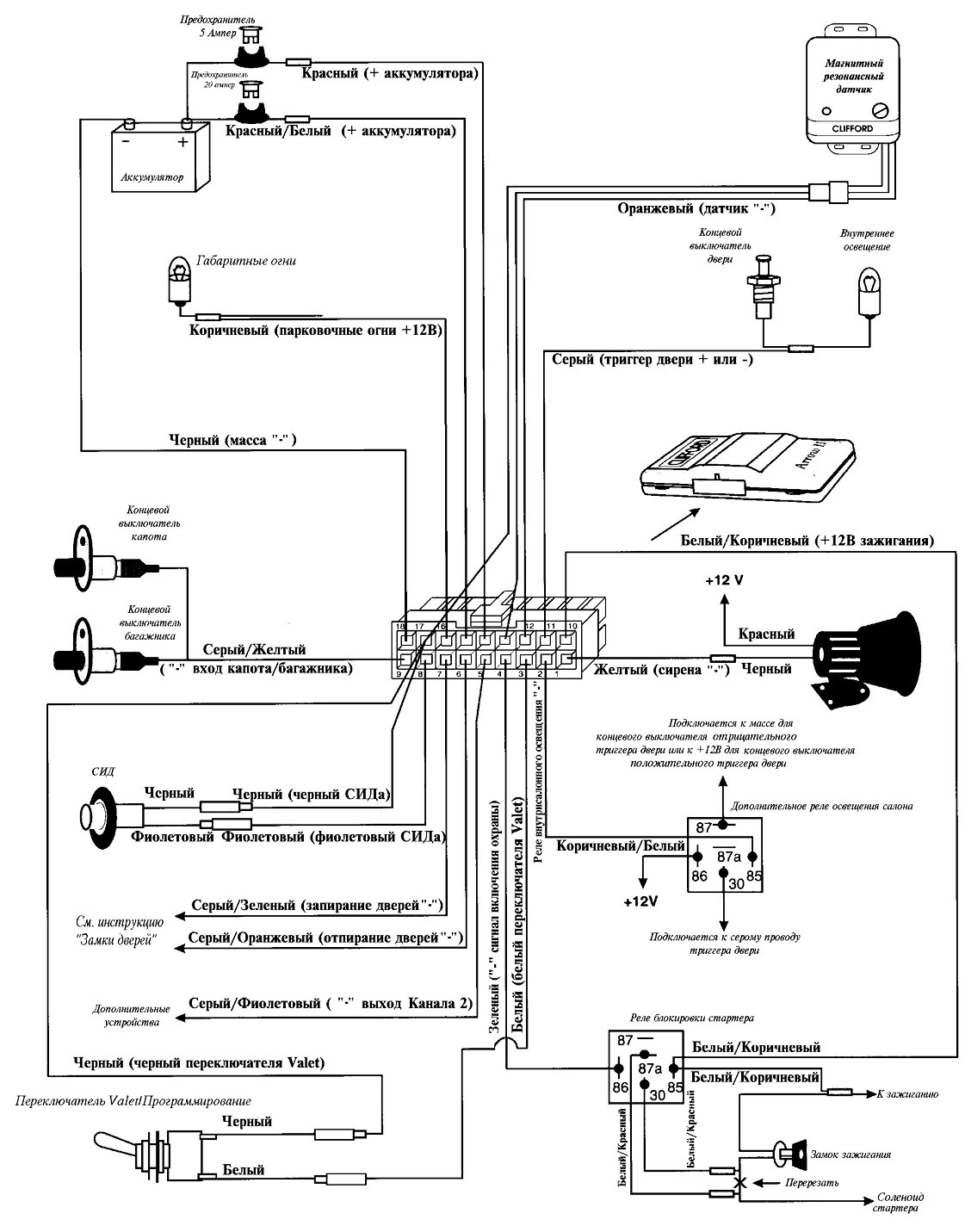
Цветовая кодировка проводки 18-контактного разъема
| Разъем |
Цвет |
Подключения |
| 1. |
Желтый |
К черному проводу сирены |
| 2. |
Коричневый/Белый |
К терминалу 86 дополнительного реле "вежливой" подсветки |
| 3. |
Белый |
К белому проводу переключателя Valet |
| 4. |
Зеленый |
К реле блокировки стартера |
| 5. |
Серый/фиолетовый |
К принадлежностям 2-го канала |
| 6. |
Серый/оранжевый |
Отпирание двери ("-") |
| 7. |
Серый/зеленый |
Запирание двери ("-") |
| 8. |
Фиолетовый |
К разъему светодиода |
| 9. |
Серый/желтый |
К концевым выключателям багажника и капота |
| 10. |
Белый/Коричневый |
К зажиганию |
| 11. |
Серый |
К триггеру двери ("+" или "-") |
| 12. |
Оранжевый |
К разъему магниторезонансного датчика |
| 13. |
Красный |
К разъему магниторезонансного датчика |
| 14. |
Красный |
К "+" аккумулятора (предохранитель 5А) |
| 15. |
Красный/белый |
К "+" аккумулятора (предохранитель 20А) |
| 16. |
Коричневый |
К габаритным огням |
| 17. |
Черный |
К разъемам датчика, СИДа и переключателя Valet |
| 18. |
Черный |
К "-" аккумулятора |
Порядок установки
- Салон
- Выберите подходящее место для установки центрального блока управления.
- Проложите проводку реле блокировки стартера и входа зажигания.
- Установите и подсоедините светодиодный индикатор (СИД).
- Проложите проводку триггера двери, питания внутреннего освещения и дополнительного реле "вежливой" подсветки.
- Проложите проводку замков дверей.
- Установите и подсоедините переключатель Valet.
- Установите и проложите проводку магниторезонансного датчика.
- Проложите проводку выхода канала 2.
- Проложите проводку триггера багажника и, если необходимо, установите концевой выключатель.
- Проложите проводку габаритных огней.
- Установите и проложите проводку дополнительного оборудования салона.
- Моторный отсек
- Установите и подсоедините сирену и, если необходимо, концевой выключатель капота.
- Выполните окончательные подключения проводки к аккумулятору, затем подключите центральный блок управления.
- Установите чувствительность магниторезонансного датчика и, если это необходимо, установите длительность импульса замка двери, функцию настройки на задержку выключения "вежливой" подсветки.
- Проверьте систему, подайте питание и проверьте принадлежности системы.
- Закрепите центральный блок управления, блоки принадлежностей и проводку системы.
Компоненты, устанавливаемые в салоне
Центральный блок управления
- Установите центральный блок управления в салоне, но не в моторном отсеке.
- Определите место для установки центрального блока управления. Проложите проводку от этого места, оставив небольшой запас для облегчения обслуживания. Не подключайте разъем к центральному блоку управления, пока вся проводка не будет полностью выполнена .
Антенна
Антенной служит короткий серый провод. От его положения и места установки зависит дальность действия брелока-передатчика:
- Не удлиняйте и не укорачивайте провод антенны.
- Направьте антенну в сторону от центрального блока управления.
- Избегайте расположения антенны параллельно какому бы то ни было жгуту проводки.
- Расположите антенну и центральный блок управления как можно дальше от металлических частей.
- Лучшее расположение антенны - перпендикулярно наиболее обширной металлической поверхности, находящейся вблизи центрального блока управления.
Группы проводов
Все системы Клиффорд разработаны с учетом выполнения проводки ОТ блока управления К периферийным компонентам. Подключите провода питания и массы непосредственно к аккумулятору автомобиля. Подайте питание и проверьте центральный блок управления до подключения дополнительных принадлежностей. Пока НЕ подсоединяйте разъемы к центральному блоку управления. Используя поставляемую в комплекте оплетку, разделите проводку на следующие группы:
- К соединениям в моторном отсеке: КРАСНЫЙ, КРАСНЫЙ/БЕЛЫЙ, ЧЕРНЫЙ, СЕРЫЙ/ЖЕЛТЫЙ и ЖЕЛТЫЙ. Вставьте эти провода в виниловую изолирующую трубку и затем пропустите их через имеющуюся резиновую втулку в моторный отсек. При необходимости сверления нового отверстия используйте резиновую втулку во избежание коротких замыканий и возгорания.
- К замкам дверей: СЕРЫЙ/ЗЕЛЕНЫЙ и СЕРЫЙ/ОРАНЖЕВЫЙ.
- К магниторезонансному датчику: ОРАНЖЕВЫЙ, КРАСНЫЙ и ЧЕРНЫЙ провода с 3-контактным разъемом.
- К СИДу: ЧЕРНЫЙ и ФИОЛЕТОВЫЙ провода, каждый с 1-контактным разъемом.
- К переключателю Valet: КРАСНЫЙ и БЕЛЫЙ провода, каждый с 1-контактным разъемом.
Вход зажигания
- Найдите под панелью приборов жгут проводов замка зажигания и при помощи вольтметра найдите один провод, несущий +12 В, как при запуске, так и при работе двигателя, и 0 В при выключенном зажигании.
- Включите двигатель, а затем перережьте провод зажигания. Двигатель должен выключиться.
- Подсоедините БЕЛЫЙ/КОРИЧНЕВЫЙ провод к проводу зажигания, как показано на схеме.
Реле блокировки стартера
Реле блокировки стартера устанавливается в цепь стартера автомобиля. При проникновении угонщика в автомобиль реле размыкает цепь стартера и не дает завести двигатель.
ПРИМЕЧАНИЕ: В цепи стартера может быть очень сильный ток. Убедитесь в полной надежности соединения обоих БЕЛОГО/КРАСНОГО проводов. Для большей надежности используйте пайку и усадочную трубку для этих соединений.
- Найдите под панелью приборов жгут проводов замка зажигания.
- При помощи вольтметра найдите один провод, несущий +12 В, только при запуске двигателя. Это провод стартера.
- Перережьте этот провод и попытайтесь завести двигатель. Если стартер не проворачивается, Вы правильно определили провод.
- Выполните соединения, как указано на схеме.
Светодиодный индикатор статуса (СИД)
Выберите видное место на консоли или панели, открытое для обзора извне, как через стекло со стороны водителя, так и со стороны пассажира. Согласуйте его с владельцем. Светодиод не горит при выключенной охране, мигает при включенной охране, и непрерывно горит в режиме Valet.
- Убедитесь в том, что имеется достаточно место для установки светодиода. Просверлите монтажное отверстие диаметром 5/16 дюйма (7,94 мм) и пропустите через него провода.
- Соедините разъемы СИДа с разъемами проводов жгута соответствующих цветов и установите светодиод на место.
Дополнительное реле "вежливой" подсветки
При установке дополнительного реле в цепь "вежливой" подсветки подсоедините КОРИЧНЕВЫЙ /БЕЛЫЙ провод к контакту 85 реле и выполните другие подсоединения, как указано на схеме. Это обеспечит включение "вежливой" подсветки на 30 сек. (при выключенном зажигании) при снятии с охраны. Если Вы не устанавливаете дополнительное реле, надежно заизолируйте КОРИЧНЕВЫЙ /БЕЛЫЙ провод.
Триггер двери
Данные по проверке полярности и соединениям см. в инструкции "Триггеры дверей".
Запирание/отпирание дверей
Данные по различным типам цепей и соединениям см. в инструкции "Запирание дверей".
Переключатель Valet
Установит переключатель Valet в срытом, но доступном месте. Согласуйте с владельцем автомобиля место установки переключателя. Избегайте установки в местах случайных нажатий.
- Убедитесь в том, что в выбранном месте достаточно пространства для установки переключателя. и просверлите монтажное отверстие диаметром 1/4 дюйма (6,3 мм).
- Пропустите провода сквозь отверстие и установите переключатель.
- Соедините разъемы переключателя с разъемами проводов жгута соответствующих цветов.
Магниторезонансный датчик
Установите магниторезонансный датчик в салоне, но не в моторном отсеке.
- Надежно закрепите магниторезонансный датчик на рулевой колонке (если колонка не имеет неподвижного кожуха, надежно закрепите датчик на теплоизоляционной перегородке, боковой стенке или внутренней стенке перегородки багажника). Убедитесь в наличии доступа к регулировочному винту.
- Соедините разъем датчика с одним из разъемов датчика системы (с ЧЕРНЫМ, КРАСНЫМ или ОРАНЖЕВЫМ проводами).
Импульсный выход канала 2
СЕРЫЙ/ФИОЛЕТОВЫЙ провод выхода канала 2 замыкается на массу на 0,5 секунды при нажатии кнопки 2 (или остается замкнутым на массу пока кнопка удерживается в нажатом положении). Предельная сила тока 0,15 А.
Габаритные огни
Данные по проверке полярности и соединениям см. в инструкции "Габаритные огни".
Триггер багажника
Машины с отрицательной полярностью внутреннего освещения багажника непосредственно совместимы с Arrow II (для автомобилей Роллс-Ройс и Форд используйте реле для изменения полярности). Выключатель может располагаться рядом или в механизме защелки багажника или на плафоне лампы освещения.
ПРИМЕЧАНИЕ: Если на приборной панели машины имеется индикатор незакрытого багажника, установите один из диодов между лампой освещения и выключателем полосой в сторону выключателя.
- Подсоедините СЕРЫЙ/ЖЕЛТЫЙ провод к выключателю багажника (между диодом и выключа-телем, если Вы установили диод).
Компоненты, устанавливаемые в моторном отсеке
Сирена
Установите сирену в моторном отсеке на удалении от излучающих тепло или движущихся частей, в месте, недоступном снизу автомобиля. Предпочтительно - с противоположной стороны от выпускной системы, направив ее вниз во избежание скопления влаги внутри сирены.
- Установите сирену при помощи всех 3 имеющихся в комплекте саморезов.
- Подсоедините ЧЕРНЫЙ провод сирены к ЖЕЛТОМУ проводу жгута.
- Подсоедините КРАСНЫЙ провод сирены к +12 В.
Триггер капота
Автомобили, оборудованные концевым выключателем капота, непосредственно совместимы с Arrow II, если полярность выключателя соответствует полярности массы.
Если освещение подкапотного пространства не включается, пока не включены габариты, установите один из прилагаемых диодов между лампой освещения и выключателем полосой в сторону выключателя.
- Подсоедините СЕРЫЙ/ЖЕЛТЫЙ провод к проводу концевика капота (между выключателем и диодом, если Вы установили диод).
Окончательное подсоединение проводки
- Не подключайте разъем центрального блока управления, пока не будут выполнены все операции до пункта 6.
- Подсоедините патрон предохранителя с предохранителем на 5 А к КРАСНОМУ проводу.
- Подсоедините патрон предохранителя с предохранителем на 20 А к КРАСНОМУ/БЕЛОМУ проводу.
- При помощи кольцевого соединителя подсоедините два патрона предохранителей к клемме аккумулятора +12 В, не снимая ее.
- При помощи кольцевого соединителя подсоедините ЧЕРНЫЙ провод жгута к отрицательной клемме аккумулятора, не снимая ее.
- Подсоедините разъем центрального блока управления. Система беззвучно включится в режим выключенной охраны.
ПРИМЕЧАНИЕ: Подайте питание и проверьте все принадлежности после полной проверки базовой системы. Поставьте индивидуальные предохранители на все провода питания принадлежностей. Поставьте индивидуальные предохранители на все соединения +12 В аккумулятора.
SmartPowerUp II
SmartPowerUp II обеспечивает включение системы в то же состояние (режим Valet, включенная или отключенная охрана) в котором она находилась до отключения питания. При первоначальном включении система входит в режим выключенной охраны (если все точки триггеров закрыты, включится режим автопостановки на охрану). В отличие от предыдущей версии нет необходимости включать зажигание для бесшумного включения системы.
Регулировка датчика
- Поставьте систему на охрану с помощью передатчика, затем подождите минимум 10 секунд.
- Слабый удар кулаком по кузову автомобиля не должен включать тревогу, а сильный должен.
- Покачивание машины не должно вызывать срабатывание системы.
- Для уменьшения чувствительности поверните регулировочный винт против часовой стрелки. Вращение по часовой стрелке увеличивает чувствительность.
Функция настройки на задержку выключения "вежливой" подсветки
На некоторых автомобилях имеется задержка выключения внутрисалонного освещения или цепь "вежливой" подсветки, которая создает помехи для системы, когда она определяет состояние триггера. Функция настройки на задержку выключения "вежливой" подсветки фирмы Клиффорд устраняет эту проблему. Если Вы ставите эту систему на автомобиле с задержкой выключения внутрисалонного освещения, включите указанную функцию, как указано в главе "Функции, программируемые пользователем" (22 переключения).
Проверка системы
- Закройте все двери и поставьте систему на охрану кнопкой 1 передатчика. Габариты мигнут два раза, двери должны запереться, а светодиод начнет мигать.
- Если Вы услышите 4 сигнала вместо двух, это значит, что открыт капот/багажник.
- Если Вы услышите 2 сигнала, а затем 4, - это значит, что сработал триггер двери* или датчик.
- При помощи передатчика выключите охрану. Прозвучит один сигнал подтверждения, габариты мигнут один раз, двери отопрутся и, если Вы установили дополнительное реле "вежливой" подсветки, включится освещение салона.
- Вновь поставьте систему на охрану. Если система имеет установку на определение задержки выключения внутрисалонного освещения, подождите пока оно не выключится прежде, чем выполнить пункт 4.
- Отоприте и откройте одну из дверей. Немедленно включится сирена и габариты начнут постоянно мигать. Выключите охрану с помощью передатчика. Закройте дверь, снова поставьте на охрану и проверьте все остальные двери.
- Поставьте систему на охрану и проверьте триггеры капота и багажника.
- Закрепите блок управления и установите антенну, как указано в главе "Антенна".
* Функция настройки на задержку выключения "вежливой" подсветки должна быть выключена, чтобы система могла определять состояние триггера при дистанционном включении охраны.
FACT - Система контроля и проверки ложных срабатываний
Микропроцессор системы автоматически проверяет следующий сработавший датчик перед повторным включением сирены во избежание повторного ложного срабатывания cистемы. Для проверки FACT:
- Включите охрану, затем ударьте кулаком по кузову автомобиля, чтобы включилась сирена. Не выключайте охрану, дождитесь окончания звучания сирены.
- Ударьте по машине еще раз. Система не должна сработать.
- Отоприте и откройте одну из дверей. Должна немедленно включиться сигнализация. Теперь можно выключить охрану.
Функция запоминания срабатываний TotalRecall
Энергонезависимая память запоминает последние восемь сработавших или отказавших датчиков и триггеров, что позволяет Вам быстро определить причину жалобы клиента. Для идентификации триггера или датчика, занесенного в энергонезависимую память системы, выполните следующие действия:
| Кол-во миганий |
Триггер/датчик |
| 1 раз |
Магниторезонансный датчик |
| 2 раза* |
Триггер двери* |
| 3 раза |
Триггер багажника или капота |
- При выключенном зажигании переведите переключатель Valet в одну сторону.
- Нажмите на передатчике кнопку 1 для постановки на охрану, затем снова - для снятия с охраны.
- СИД мигнет 1-3 раза, затем, после паузы, цикл мигания повторится. Обратитесь к таблице.
- Если сработал датчик, проверьте чувствительность. Если сработал триггер, проверьте концевик и проводку на короткое замыкание.
* Функция настройки на задержку выключения "вежливой" подсветки должна быть выключена, чтобы система могла определять состояние триггера при дистанционном включении охраны.
Функции, устанавливаемые пользователем
Arrow II поставляется с завода с функциями установленными, как показано в приводимой ниже таблице. Для изменения этих установок следуйте указанному порядку действий. Для восстановления заводских установок повторите их еще раз:
- В приводимой ниже таблице выберите функцию для программирования. Обратите внимание на количество нажатий.
- Включите зажигание автомобиля. Затем немедленно переведите переключатель вперед-назад столько раз, сколько указано в таблицы для выбранной Вами функции (для облегчения счета при каждом переключении будет звучать сигнал подтверждения).
- Если предписано, немедленно выполните "дополнительное действие".
- Подождите сигнал подтверждения выполнения программирования.
- Выключите зажигание. Для программирования других функций повторите операции 1-4.
Функции, устанавливаемые пользователем
| Функция |
Заводская установка |
Кол-во моментальных нажатий |
Дополнительные действия |
Подтверждение о выполнении программы
| Результат |
| Автопостановка на охрану |
ВКЛ. |
4 |
- |
1 сигнал = ВЫКЛ. 2 сигнала = ВКЛ. |
Изменение ВКЛ на ВЫКЛ или наоборот |
| Автопостановка на охрану с запиранием дверей |
ВЫКЛ. |
5 |
- |
1 сигнал = ВЫКЛ. 2 сигнала = ВКЛ. |
Изменение ВЫКЛ на ВКЛ или наоборот |
| Контроль и проверка ложных срабатываний |
ВКЛ. |
12 |
- |
1 сигнал = ВЫКЛ. 2 сигнала = ВКЛ. |
Изменение ВКЛ на ВЫКЛ или наоборот |
| Добавить новый передатчик на канал 1 (включение/ выключение охраны) |
- |
13 |
Нажать кнопку 1 передатчика |
1 сигнал |
В память системы введен код кнопки 1/канала 1 нового передатчика |
| Добавить новый передатчик на канал 2 (дополнительные принадлежности) |
- |
14 |
Нажать кнопку 2 передатчика |
2 сигнала |
В память системы введен код кнопки 2/канала 2 нового передатчика |
| Добавить новый передатчик на канал 3 (бесшумное включение/ выключение охраны) |
- |
15 |
Нажать одновременно кнопку 1 и 2 пере-датчика |
3 сигнала |
В память системы введен код кнопок 1 и 2/канала 3 нового передатчика |
| Добавить новый передатчик на канал 5 (дистанционное включение режима Valet) |
- |
17 |
Нажать 1 раз кнопку LevelShift, а затем кнопку 1 доп. 4-кно-почного12-канального передатчика |
5 сигналов |
В память системы введен код канала 5 нового передатчика |
| Стереть все каналы |
- |
19 |
- |
2 сигнала |
Все каналы стерты, прог-раммируйте коды новых передатчиков |
| Длительность импульса (1сек/3сек) |
1 сек |
20 |
- |
1 сигнал = 3 сек 2 сигнала = 1 сек. |
Изменение состояния с 1сек на 3 сек (для ранних моделей Ауди и Мерседес-Бенц) или наоборот |
| Настройка на задержку выключения "вежливой" подсветки |
ВЫКЛ. |
22 |
- |
1 сигнал = ВЫКЛ. 2 сигнала = ВКЛ. |
Изменение ВКЛ на ВЫКЛ или наоборот |
| Полярность триггера двери |
Отриц. |
23 |
- |
1 сигнал = полож. 2 сигнала = отриц. |
Изменение ОТРИЦ. полярности триггера на ПОЛОЖИТ. |
Пример: Выключение автопостановки на охрану
Для смены заводской установки "ВКЛ" режима автопостановки на охрану на "ВЫКЛ", необходимо выполнить следующие действия:
- Включите зажигание. Немедленно переведите 4 раза переключатель Valet (при каждом переключении прозвучит сигнал для облегчения счета). Затем подождите пока прозвучит еще один сигнал, подтверждающий выключение функции автопостановки на охрану.
- Выключите зажигание. Для включения этой функции повторите шаги 1-4.
Что такое перехватчик кодов?
В отличие от сканеров, ставших бесполезными в связи с появлением передатчиков с многими миллионами возможных вариантов кодирования (на передачу всех вариантов в последовательности потребовались бы многие годы), перехватчики кодов просто напросто с расстояния в несколько сотен футов перехватывают в эфире цифровой код передатчика в момент постановки авто на охрану или снятия с охраны. Перехватчик запоминает код. Затем, после того, как владелец автомобиля уйдет, грабитель может легко воспроизвести код и завладеть машиной. Перехватчик кодов способен воспроизвести любой код передатчика, даже если он обладает миллионами и триллионами кодовых комбинаций. Таким образом, любая автомобильная охранная система может быть легко отключена. Любая, но не фирмы Клиффорд. В патентованной технологии защиты кодов от перехвата Anti-CodeGrabbing (ACG) компании Clifford применяется комплексная цифровая обработка сигнала и безотказная система кодирования с произвольной сменой цифрового кода при каждом включении передатчика. Один и тот же код никогда не будет передан дважды, а центральный блок управления никогда его не примет. Ваша система изготовлена с использованием технологии ACG. Для ее использования Вам нужно лишь приобрести дополнительный 3- или 12-канальный передатчик ACG фирмы Клиффорд.
Программируемые пользователем передатчики ACG с защитой от перехвата кодов
Посредством нескольких переключений выключателя Valet Arrow II может управляться от трех 3- канальных (с ACG или без) и/или 12-канальных передатчиков ACG с защитой от перехвата кодов. Несложная операция позволяет стереть из памяти код утерянного или украденного передатчика. См. раздел "Программируемые функции", где приводится порядок запоминания кодов новых передатчиков. Коды утерянного или украденного передатчика могут быть стерты при помощи функции Стереть все каналы в главе "Программируемые функции".
5.07.2000