Free Japan Cars Factory Service Manuals
[ICO]NameSize
[PARENTDIR]Parent Directory -
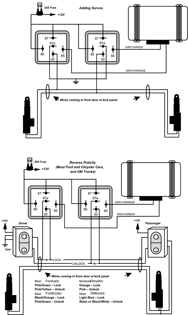
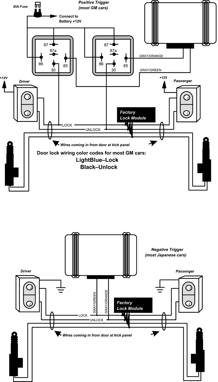
[TXT]polaris2-m.htm725
[IMG]polaris2m-1.gif 48K
[IMG]polaris2m-2.gif 48K
[IMG]polaris2m-3.gif 49K
Thanks to donations there are no ads! All manuals are available on downloadable archives HERE. You will get the pass with 5 EUR donation. If you have new service manuals, send them my way to be shared with the fellow owners!   
Contact