CODE ALARM
Installation manual
System Layout
System Specifications
System Arming
The system will ignore all trigger inputs for 25 seconds after the second arming chirp / light flash
Alarm Trip Cycle
Siren will sound for 30 seconds The alarm will then ignore all trigger inputs for 10 seconds, then rearm The siren will not sound again until another intrusion is detected
Panic
Pressing any two buttons on the remote transmitter activates the Panic feature Panic duration is 30 seconds Pressing any button on the remote transmitter de-activates the Panic feature
Sensors
- Power and Ground are active at all times on Sensor Port 1
- Ground on Sensor Port 2 is active only when the alarm is fully armed
- Pressing the ARM button again within 5 seconds of arming the system will deactivate the Lite-Touch inputs on Sensor Ports 1 and 2, and the trigger input on Sensor Port 2 The siren will chirp three times when these inputs are deactivated These inputs will remain deactivated until the alarm is disarmed then rearmed.
- 10 Lite-touch trips within one arming period will cause the alarm to ignore any further lite-touch inputs until it is disarmed, then rearmed.
- 4 Full-trigger trips within one arming period will cause the alarm to ignore any further full-trigger inputs until it is disarmed then rearmed .
Automatic Arming
If the Automatic Arming option is enabled, the alarm will automatically arm and disable the vehicle starter 20 seconds after the ignition is turned off and the last door is closed, or 2 minutes after the alarm is disarmed and not manually re-armed
Automatic Immobilization
If the Automatic Arming option is not enabled, the alarm will automatically disable the vehicle starter 20 seconds after the ignition is turned off and a door is opened, or 2 minutes after the alarm is disarmed and not re-armed.
Valet
- Valet Mode prevents the alarm from arming automatically, and prevents automatic immobilization Enter Valet Mode by pressing the DISARM button on the remote transmitter with the vehicle ignition on.
- In Valet Mode, the LED will double-flash when the vehicle ignition is on.
- In Valet Mode, the LED will flash once every 1/2-second when the vehicle ignition is off.
- Exit Valet by pressing any button on the remote transmitter with the vehicle ignition off.
Illuminated Entry
The Illuminated Entry Output is activated for 60 seconds after the alarm is disarmed.
Trunk Release / Auxiliary Output
The Trunk Release / Auxiliary Output is activated by pressing and holding DISARM or ARM (selectable) on the remote transmitter The output duration lasts as long as the button is held (up to 45 seconds).
Door Locks
- The Door Lock / Unlock Outputs are activated when the alarm is armed and disarmed. Duration is .6 seconds or 6 seconds (selectable).
- The Door Lock Output is activated when all doors are closed and the vehicle ignition is turned on (this option can be turned off).
- The Door Unlock Output is activated when the vehicle ignition is turned off (this option can be turned off).
- If the Trunk Release / Auxiliary Output is set to Button 2, pressing and holding Button 1 will activate the Door Lock Output for as long as the button is held (up to 45 seconds).
- If the Trunk Release / Auxiliary Output is set to Button 1, pressing and holding Button 2 will activate the Door Unlock Output for as long as the button is held (up to 45 seconds).
Trip Identification
- Trip ID identifies the specific zone that triggered the alarm system.
- Upon returning to the vehicle, press DISARM. If the siren chirps 4 times, the alarm was triggered.
- Press DISARM again. The siren will chirp a number of times, indicating the violated zone.
| # of Chirps |
Zone |
| 1 |
Sensor 1 |
| 2 |
Sensor 2 |
| 3 |
Door, Hood, Trunk |
| 4 |
Ignition |
Auxiliary Output 1
Auxiliary Output 1 is activated at any time by pressing OPTION 1 on the remote transmitter. The output is activated as soon as the button is pressed, and will continue to operate for a preset time. The preset time duration is programmable to .6, 6, 12, or 24 seconds.
Note: Pressing the OPTION 2 button while Auxiliary Output 1 is active will turn off Auxiliary Output 1.
Auxiliary Output 2
Auxiliary Output 2 is activated at any time by pressing OPTION 2 on the remote transmitter. The output is activated as soon as the button is pressed, and will continue to operate for a preset time. The preset time duration is programmable to .6, 6, 12, or 24 seconds.
Note: Pressing the OPTION 1 button while Auxiliary Output 2 is active will turn off Auxiliary Output 2.
Installation
Remove all fuses from the wire harness before installation.
A. Siren (#20 ORANGE)
- Mount bell housing downwards.
- Use at least two (2) screws to secure siren to mounting location.
- Connect siren BLACK wire to module ORANGE wire.
- Connect siren RED wire to a fused +12-volt source.
B. 12V+ Main Feed (#22 RED)
- Connect at vehicle battery or at main 12-volt lead at ignition switch harness.
Circuit Verification - Target wire registers voltage at all times.
C. 12V+ Switched Feed (#17 Lt. BLUE)
- Connect at switched 12-volt lead at ignition switch harness.*
Circuit Verification - Target wire registers voltage when ignition key is turned to the ON position and START position.
* If you are connecting the optional 2-Cut immobilizer, make sure to connect the #17 Lt. BLUE wire closest to the ignition switch. See page 12 for further details.
D. Ground (#11 BLACK)
- Attach to grounded metal point of vehicle chassis.
Note: When installing multiple components (such as an alarm and remote starter), ground the units separately.
E. Starter Interrupt (WHITE/RED and WHITE on 2-pin Connector)
Note: Some vehicles have two starter wires. If so, cut both and connect to the alarm module. Refer to Vehicle Wire Color and Location Chart.
F. Door Pin Switches (#8 YELLOW or #19 WHITE)
Circuit Verification - Refer to Vehicle Wire Color and Location Chart for circuit type and location, or verify the vehicle wire using the following guideline:
- Positive Systems - Target wire registers voltage when any door is opened.
- Negative Systems - Target wire registers ground when any door is opened.
G. Illuminated Entry (#4 YELLOW and #3 YELLOW/BLACK)
- Circuit Verification - Target wire is usually the door pin switch wire Refer to section F for verification guideline
- Connect #4 Lt YELLOW wire to the target wire
- Connect #3 YELLOW/BLACK wire to +12V if the door system is positive.
- Connect #3 YELLOW/BLACK wire to ground if the door system is negative.
H. Parking Lights (#2 ORANGE/BLACK and #1 BLACK/WHITE)
- Circuit Verification - Refer to Vehicle Wire Color and Location Chart for circuit type and location or verify the vehicle wire using the following guideline
- Positive Systems - Target wire registers voltage when parking lights are on
- Negative Systems - Target wire registers ground when parking lights are on
- Connect #2 ORANGE/BLACK wire to the target wire
- Connect #1 BLACK/WHITE wire to +12V if the system is positive.
- Connect #1 BLACK/WHITE wire to ground if the system is negative.
I. Hood /Trunk Pin Switch (#7 Lt. GREEN)
- Circuit Verification - Refer to Vehicle Wire Color and Location Chart for circuit location or install a pin switch and connect to the module #7 Lt. GREEN wire
J. Power Door Locks: #14 Lt. BLUE, #13 Lt. BLUE/BLACK, #10 RED/BLACK, #6 RED/WHITE, #16 GREEN, #15 GREEN/BLACK
- Circuit Verification - Refer to Vehicle Wire Color and Location Chart for circuit type and location
Type 1 - Positive 3-Wire Door Lock System
Type 3 - Negative 3-Wire Door Lock System
Type 2 - Positive 5-Wire Door Lock System
Type 4 - Vacuum Door Lock System
K. Status Indicator (#18 GRAY)
- Locate a visible location on the dash with 1" clearance behind the location
- Drill a 1/4 hole and snap the status indicator in place
- Connect the status indicator BLACK wire to the module GRAY wire
- Connect the status indicator RED wire to a fused +12-volt source
L. Trunk Release / Aux. Output (#5 VIOLET and #12 TAN)
Note: This output can be programmed to act as a trunk release output or auxiliary output (See Programming Selectable Options - next page )
- Trunk Release Refer to Vehicle Wire Color and Location Chart for circuit type and location or verify the vehicle wire using the following guideline
- Circuit Verification:
- Positive Systems Target wire registers voltage when the trunk / hatch is opened using the vehicle button
- Negative Systems Target wire registers ground when the trunk / hatch is opened using the vehicle button
- Auxiliary Output Determine the polarity needed for the accessory
- Connect #12 TAN wire to the target wire
- Connect #5 VIOLET wire to +12V if the system is positive
- Connect #5 VIOLET wire to ground if the system is negative *
* lf connecting to a negative trunk release system a specific connection location may be required Refer to Vehicle Wire Color and Location Chart
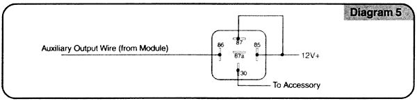
M. Auxiliary Outputs 1 and 2 (#21 PINK and #9 BLACK/GREEN)
- Determine the polarity needed for the accessory
- Negative Polarity Needed: Connect #21 PINK or #9 BLACK/GREEN to the accessory input (Note 500ma max outputs)
- Positive Polarity Needed: Add a SPST or SPOT relay (not included) and connect as shown
N. Impact Detector
- Mount the impact detector to the steering column or to a sturdy wire harness
- Plug the impact detector into SENSOR PORT 1 on the module
O. Armed Output (BLACK on Sensor Port 2)
- Connect to a device requiring a ground signal when the alarm system is armed
System Power-Up
- Check all connections and wire routing
- Turn ignition to the ON position
- Replace all fuses in the module harness
- Turn the ignition off
Programming Selectable Options
- Make sure the system is disarmed and the ignition is off
- Without starting the vehicle turn the ignition ON, OFF, ON, OFF, then ON, at 1/2-second intervals
After two (2) seconds the status indicator will begin flashing for Code Entry. Follow the Code Entry Procedure If the correct code is entered the siren will chirp three times indicating entry into the Selectable Options Mode.
- Press Button 1 on a programmed remote transmitter to begin option selections
| Option Number and Description Bold Type Indicates Factory Settings |
Status Indicator ON |
Status Indicator OFF |
| 1 Doors lock when all doors are closed and vehicle ignition is turned on |
YES |
NO |
| 2 Doors unlock when vehicle ignition is turned off |
YES |
NO |
| 3 Lock / Unlock Output Duration |
6 sec |
1/2 sec |
| 4 Trunk/Aux Output is Activated by Pressing and Holding ARM or DISARM |
ARM |
DISARM |
| 5 Siren chirps when arming and disarming |
YES |
NO |
| 6 System arms automatically 20 seconds after last door is closed |
YES |
NO |
| 7 Auxiliary Output 1 Timer Programming |
See Timer Programming Section Below |
| 8 Auxiliary Output 2 Timer Programming |
Timer Programming
Auxiliary Outputs 1 and 2 can be programmed to send a specific timed output when their respective buttons are pressed.
When programming Option number 7 or 8, the LED will flash a number of times, indicating the current timed output setting.
| # of Flashes |
Output Duration |
| 1 |
0,6 seconds |
| 2 |
6 seconds |
| 3 |
12 seconds |
| 4 |
24 seconds |
Pressing DISARM on a programmed transmitter advances to the next option.
To Exit Selectable Options Mode, turn the vehicle ignition On, then Off.
Testing the Alarm System
1. Arming and Disarming / Sensor Override
| Close all doors and press ARM |
- All doors lock
- Siren chirps two times / parking lights flash two times
- Status indicator turns on
|
| Within 5 seconds press ARM again |
- Siren chirps three times (sensor override)
|
| Press Disarm |
- All doors unlock
- Siren Chirps once / parking lights flash
- Status indicator turns off
- Courtesy light turns on (if connected)
|
2. Alarm Triggering / Starter Interrupt /Trip ID / Lock Options
| Arm system. Wait 30 seconds then open door |
- Siren sounds / parking lights flash
|
| With siren sounding attempt to start vehicle |
|
| Wait until siren stops then press DISARM |
- Siren chirps / parking lights flash 4 times (System was triggered)
|
| Press DISARM again |
- Siren chirps three times (System was triggered by door)
|
| Close doors and attempt to start vehicle |
- Vehicle starts
- Doors lock (if Ignition Lock Option is activated)
|
| Turn ignition off |
- Doors unlock (if Ignition Unlock Option is activated)
|
3. Trunk Release /Auxiliary Option
| Press and hold ARM or DISARM (depending on options programming) |
- Trunk opens or aux device activates
|
4. Panic
| Press two buttons for one second |
- Siren sounds / parking lights flash for 30 seconds. Press either button to stop
|
5. Automatic Arming (Test only if Automatic Option is activated)
| Enter vehicle and close doors Turn ignition on for five seconds then turn off. Exit vehicle and close doors. |
- Alarm arms 20 seconds after door is closed
|
6. Valet
| With system disarmed turn ignition on, then press DISARM |
- Status Indicator Flashes twice (enters Valet Mode)
|
| Turn ignition off |
- Status indicator flashes every 1/2 second
|
| Close all doors and press ARM |
- Flashing stops and system arms
|
7 Auxiliary Outputs (Test if connected)
| Press OPTION 1 on the remote transmitter |
- Accessory connected to Aux. Output 1 activates
|
| Press OPTION 2 on the remote transmitter |
- Accessory connected to Aux. Output 2 activates
|
Testing the Emergency Disarm Procedure
- Exit the vehicle close all doors and arm the alarm system Wait 30 seconds, then trigger the alarm by opening a door
- With the siren sounding enter the vehicle and turn the ignition to the ON position
After two (2) seconds the status indicator will begin flashing for Code Entry. Follow the Code Entry Procedure
If the correct code is entered, the alarm system will disarm.
Adjusting the Impact Detector
- Turn the white knob on the impact detector clockwise until it stops, then turn counter clockwise approximately 1/4 of a turn.
- Test the sensitivity by arming the alarm system, waiting 30 seconds then slapping various parts of the vehicle with an open hand.
- A light slap should cause the siren to emit a warning chirp.
- A heavier slap should trigger the alarm.
- Adjust the sensitivity until the desired setting is achieved.
If your system includes the optional 2-Cut Immobilizer, refer now to the installation instructions. Return to this section when installation and testing of the Immobilizer are complete.
Antenna Placement /Mounting the Module
1a. If the module has a short antenna (approx 8) keep the antenna as straight as possible and route away from vehicle harnesses
1b. If the module has a long antenna completely uncoil the antenna and route up the nearest front window pillar to the headliner Be careful not to pinch the antenna under vehicle panels or route near moving parts.
2. For optimum performance allow the clear plastic portion of the antenna to remain exposed in the corner of the window or behind the rear-view mirror.
IMPORTANT!!!
Before mounting the module, write the alarm code (found on the back ol the module) in the space provided on the front of the Owner's Manual. FAILURE TO DO SO COULD CAUSE YOUR CUSTOMER TO BE STRANDED SHOULD THE REMOTE TRANSMITTER EVER FAIL!
3. Mount the module using supplied long tie wraps Make sure the module and harnesses are clear of moving vehicle parts.
Immobilizer Installation
Note: Immobilizer wires are numbered at the ends for identification. When connecting the wires, cut off the numbered sections to enhance security.
1. Code Input (BLACK/PINK)
- Connect to #21 PINK wire from the alarm module harness.
Note: The #21 PINK wire can connect to both the Immobilizer AND an auxiliary relay.
2. Ground
- Attach to grounded metal point of vehicle chassis.
3. 12V+ Switched Power
- Connect at switched 12-volt lead at ignition switch harness.
IMPOTANT! If you are using CUT 1 or CUT 2 to interrupt the vehicle ignition wire, connect the alarm module #17 Lt. BLUE and the immobilizer #3 wire closest to the ignition switch.
4. Cut 1 In/Out Wires (max. 30A)
- Use these wires to interrupt vehicle ignition or other wires.
- Cut the target wire in half.
- Connect one half of the target wire to one of the CUT 1 wires
- Connect the other half of the target wire to the other CUT 1 wire.
Note: The CUT 1 wires are interchangeable.
5. Cut 2 In/Out Wires (max. 30A)
- Use these wires to interrupt vehicle ignition or other wires.
- Cut the target wire in half.
- Connect one half of the target wire to one of the CUT 2 wires
- Connect the other half of the target wire to the other CUT 2 wire.
Note: The CUT 2 wires are interchangeable.
Power-Up and Testing of the Immobilizer
The immobilizer learns the code of the alarm system when it is first connected and the ignition is turned on. From this point on, the immobilizer is "matched" to that particular alarm. If the alarm module is changed, or if the immobilizer is removed and connected to a different alarm, the immobilizer will not operate (the vehicle will not start.)
- Make sure the alarm is disarmed.
- Turn the vehicle ignition to the ON position.
- Observe the LED on the immobilizer.
- If the alarm is connected, the LED will turn on.
- If the alarm is not yet connected, the LED will flash:
- If the immobilizer has never been connected to an alarm, the LED will emit a double-flash pattern.
- If the immobilizer has been connected to an alarm system, the LED will emit a slow, steady blink.
- If the alarm is connected, but the immobilizer was previously connected to another alarm system, the LED will emit a rapid flash pattern, meaning that it has received an improper code. The vehicle will not start.
- Verify that the vehicle starts.
Note: The immobilizer interrupts the selected wires whenever the alarm system interrupts the starter wires. Verify that the wires are disabled under the conditions listed in the Automatic Arming and Automatic Immobilization sections of System Specifications.
Mounting the Immobilizer
- Mount the immobilizer using the supplied long tie wraps. Be sure that all connections are well-insulated.
Programming Remote Transmitters
Note: Each system module has four "slots", or memory locations, to store remote transmitter codes, giving it the ability to operate from up to four remote transmitters. For proper operation, a transmitter code must be stored into each memory slot. When using less than four transmitters, follow the suggested programming parameters:
- One Remote Transmitter - Program four (4) times
- Two Remote Transmitters - Program each remote transmitter two (2) times
- Three Remote Transmitters - Program one remote transmitter twice, and each remaining remote transmitter once.
- Make sure the system is disarmed and the ignition is off.
- Without starting the vehicle, turn the ignition ON, OFF, then ON, at 1/2-second intervals.
After two (2) seconds, the status indicator will begin flashing for Code Entry. Follow the Code Entry Procedure (below). If the correct code is entered, the siren will chirp twice, indicating entry into the Transmitter Programming Mode.
- Wait 5 seconds. Press Button 1 on the remote transmitter to be programmed. The siren will chirp once, indicating that the system has "teamed" that transmitter.
- Repeat step 3 for any additional remote transmitters or transmitter codes.
- Exit the Transmitter Programming Mode by turning the vehicle ignition on, then off. Test all remote transmitters to ensure that they work properly.
Code Entry Procedure
- Enter the Code Entry Mode by following the steps in the Programming Remote Transmitters, Programming Selectable Options, or Testing the Emergency Disarm Procedure sections of this manual.
The status indicator will begin flashing for Code Entry.
- Look at the first number in the code. Allow the status indicator to flash the corresponding number of times as the first number in'the code.
- After the status indicator has flashed the corresponding number of times, turn the vehicle ignition off. The first number has been entered.
- Turn the ignition back to the ON position. The status indicator will again begin flashing. Repeat the procedure in steps 2 and 3, this time using the second number in the code.
- Repeat steps 2 and 3 for the third and fourth numbers in the code.
- After the fourth number has been entered correctly, the alarm will disarm, or enter the desired programming mode.
Note: If you enter an incorrect digit, turn the vehicle ignition off, then on. When the status indicator begins to flash, re-enter the code from the beginning.
Example: The code is 2314.
- Enter the Code Entry mode.
- Allow the status indicator to flash two (2) times. After the second flash, turn the vehicle ignition off.
- Wait one second, then turn the ignition on.
- Allow the status indicator to flash three (3) times. After the third flash, turn the vehicle ignition off.
- Enter the third and fourth numbers in the same manner.
26.12.2001