Этот провод служит для подсоединения к массе основного блока управления охранной системы.
Подсоединение: При помощи припаянной или хорошо обжатой кольцевой клеммы подсоедините ЧЕРНЫЙ провод к кузову автомобиля, используя имеющиеся болты на кузове автомобиля. Место крепления Черного провода должно быть тщательно очищено от краски, масел и грязи до чистого металла. Никогда не подсоединяйте ЧЕРНЫЙ провод системы к другим имеющимся проводам массы и к листовым металлическим поверхностям, кроме крайней необходимости.
Примечание : При плохом заземлении система может найти частичный выход на массу через провода, подсоединенные к другим цепям, вызывая сбои в работе системы.


Пример #2 : Заземление Черного провода на плоской металлической поверхности. Для надежного подсоединения провода найдите скрытое место соединения двух листов металла в нахлест. Тщательно очистите место соединения от краски и грязи. При сверлении избегайте места точечной сварки.
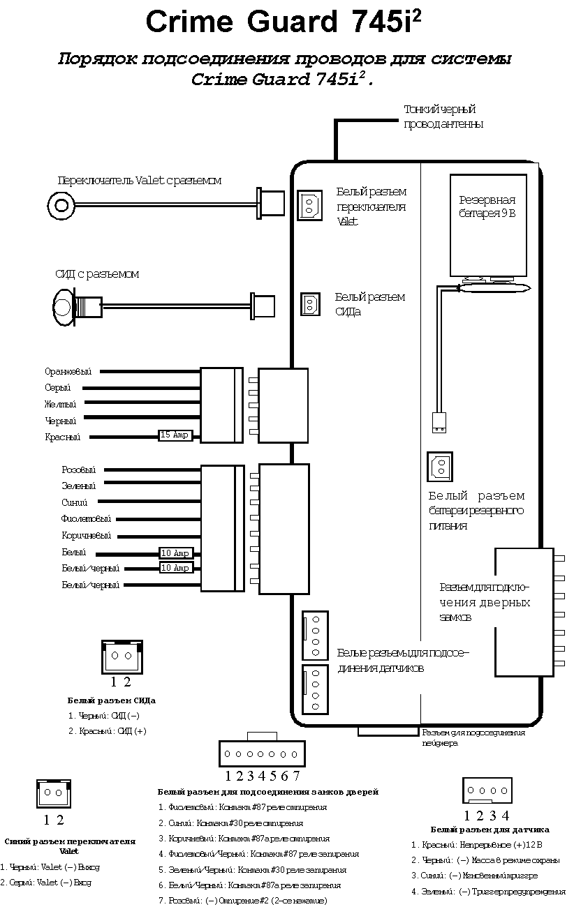
ЧЕРНЫЙ ТОНКИЙ провод, выходящий из основного блока управления системы является проводом антенны. Никуда не подсоединяйте этот провод, иначе значительно сократится дальность действия передатчиков или система вообще не будет принимать их сигналы.
Этот провод обеспечивает непрерывное питание (+12 В) системы.
Подсоедините к проводу, который находится в первичном жгуте проводов, идущем от замка зажигания и на котором имеется непрерывное напряжение +12 В.

Во многих автомобилях доступ к проводам замка зажигания открывается при снятии нижней части панели приборов или защитного кожуха рулевой колонки. На некоторых автомобилях, преимущественно производства компаний Дженерал Моторс и Форд/Линкольн/Меркюри, электрическая часть замка зажигания находится в нижней части рулевой колонки и соединена штоком с механической частью (куда вставляется ключ). На таких автомобилях, как Крайслер, Додж, Плимут и др. электрическая и механическая часть соединены вместе и находятся в верхней части рулевой колонки, поэтому на этих автомобилях необходимо снимать защитный кожух рулевой колонки. Пайка данного соединения должна осуществляться быстро с использованием теплоотвода, чтобы не нагревался провод и чтобы не повредить замок зажигания.
Основной функцией желтого провода является обеспечение системы напряжением +12 В только когда ключ зажигания находится в положениях “On” (Вкл.) и “Start” (Запуск). При помощи этого провода система “проверяет” работает ли двигатель или он выключен).
Подсоедините ЖЕЛТЫЙ провод к проводу, на котором появляется напряжение +12 В только при включении зажигания. Этот провод находится в первичном жгуте проводов, который идет от замка зажигания.
КОРИЧНЕВЫЙ провод обеспечивает питанием +12 В электронную сирену при срабатывании системы и при подаче сигналов подтверждения.
Подсоедините КОРИЧНВЫЙ провод непосредственно к КРАСНОМУ проводу сирены.
Подсоедините ЧЕРНЫЙ провод сирены к массе (-) автомобиля.
Примечание : При замыкании КОРИЧНЕВОГО провода на массу, система будет повреждена.

ОРАНЖЕВЫЙ провод системы обеспечивает постоянный отрицательный выход 500 мA, когда система поставлена на охрану. Этот отрицательный выход питает одну сторону катушки реле. На другую сторону катушки реле подается положительное напряжение от замка зажигания, но только, когда ключ зажигания повернут в положение “Stаrt” (Запуск). Блокировка стартера не позволяет завести двигатель только, если система стоит на охране (или находится в состоянии тревоги, т.е. сработала) и начинает потреблять энергию аккумулятора только в момент попытки запуска.
Подсоединение: Для того, чтобы блокировать цепь стартера автомобиля необходимо найти провод стартера и разрезать его.
Примечание : Убедитесь в надежности соединений - по этим проводам идет сильный ток.

БЕЛЫЙ провод является положительным выходом +12 В, который обеспечивает мигание габаритных огней при подаче сигналов подтверждения и при срабатывании системы.
Подсоедините БЕЛЫЙ провод непосредственно к проводу с напряжением +12 В цепи габаритных огней.
Примечание 1: Когда Вы найдете этот провод, убедитесь, что на этом проводе нет реостата. Для проверки покрутите ручку реостата управления яркостью подсветки приборов на панели управления. На нужном Вам проводе напряжение не должно изменяться.
Примечание 2: На некоторых автомобиля, в частности марки Тойота, установлено реле габаритных огней, которое управляется отрицательным сигналом (-) выключателя фар. На таких автомобилях БЕЛЫЙ провод необходимо подсоединять к цепи габаритных огней после реле, как правило на блоке предохранителей или блоке соединений.

Большинство автомобилей европейского производства имеют раздельные цепи правых и левых габаритных огней. Если правые и левые габаритные огни находятся в разных цепях, то для подсоединения БЕЛОГО провода к обеим цепям необходимо использовать два диода (от 6 до 10 А) или два реле. На указанной ниже схеме показано подсоединение при помощи диодов.


Основной функцией ЗЕЛЕНОГО провода является подача отрицательного сигнала (-) только при открытии двери автомобиля. ЗЕЛЕНЫЙ провод - это отрицательный триггер двери и его подсоединение очень важно для работы таких функций как: постановка в режим охраны после закрытия последней двери, автоматическая повторная постановка в режим охраны через 90 секунд, запирание/отпирание дверей при включении/выключении зажигания, а также для охраны дверей.
Подсоедините ЗЕЛЕНЫЙ провод к общему проводу концевых выключателей дверей автомобиля (-).
Примечание 1: Если в автомобиле имеется задержка выключения внутрисалонного освещения, то во время задержки в цепи будет присутствовать отрицательное напряжение (-). В таком случае отсчет времени перед автоматической постановкой системы в режим охраны начнется после выключения внутрисалонного освещения. Вы тем не менее сможете поставить систему в режим охраны с передатчика в “обход” цепи ЗЕЛЕНОГО провода. В этом случае система возьмет цепь ЗЕЛЕНОГО провода под охрану через 5 секунд после выключения внутрисалонного освещения.
Примечание 2: На тех автомобилях, где на панели приборов стоят индикаторы закрывания дверей, все двери изолированы друг от друга диодами. Не соединяйте вместе все концевые выключатели. В этом случае необходимо подсоединить ЗЕЛЕНЫЙ провод к проводу, по которому осуществляется непосредственное питание внутрисалонного освещения автомобиля.

Это правильный провод триггера. Подсоединение может быть сделано в любой точке.
Функции ФИОЛЕТОВОГО провода идентичны функциям ЗЕЛЕНОГО провода за одним исключением: ФИОЛЕТОВЫЙ провод используется на автомобилях с концевыми выключателями дверей, имеющими положительную полярность (+12 В) (например, марки Форд).
Подсоедините ФИОЛЕТОВЫЙ провод к общему проводу концевых выключателей дверей автомобиля.

Основной функцией СИНЕГО провода является подача на систему отрицательного сигнала (-) от концевого выключателя капота или багажника или дополнительного датчика. Синий провод вызывает мгновенное срабатывание системы при замыкании на массу при включенном режиме охраны.
Подсоедините СИНИЙ провод к заводским (или установленным) концевым выключателям отрицательной полярности (-) капота и багажника. Этот провод может быть также подсоединен к дополнительному датчику.
Примечание : Функция автоматической постановки системы в режим охраны после закрытия последней двери не начнется до тех пор пока СИНИЙ провод не будет разомкнут с массой. При замыкании этого провода во время пассивной постановки в режим охраны отсчет времени прекратится и начнет вновь только после размыкания СИНЕГО провода и массы. Вы тем не менее сможете поставить систему в режим охраны с передатчика в “обход” цепи СИНЕГО провода. В этом случае система возьмет эту цепь под охрану через 5 секунд после ее размыкания с массой.

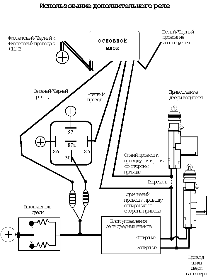
СЕРЫЙ провод представляет собой дополнительный отрицательный выход (-) 250 А, который может быть использован для управления замком багажника, устройством дистанционного запуска двигателя или блоком стеклоподъемников.
Для включения дополнительного канала:
Нажать и удерживать в нажатом положении Маленькую верхнюю кнопку передатчика в течение 3 секунд.
Подсоединение:
Примечание : Дополнительный канал будет работать всегда, если выключено зажигание, система снята с режима охраны или находится в режиме Vаlet. Если же зажигание включено, данная функция будет работать ТОЛЬКО если также открыта одна из дверей автомобиля. Это предотвращает открывание багажника или задней двери во время движения.
Внимание! Если требуется ток более 250 мА, необходимо установить дополнительное реле.


Функцией РОЗОВОГО провода является обеспечение дополнительного выхода, похожего на выход СЕРОГО провода. Выход включается при нажатии и удерживании Маленькой нижней кнопки передатчика в течение 3 секунд. РОЗОВЫЙ провод замыкается на массу на 1 секунду или будет оставаться замкнутым на массу все время, пока Вы будете удерживать кнопку передатчика в нажатом положении (но не более 15 секунд). Обычно этот выход используется для включения дополнительных устройств (например, устройства дистанционного запуска двигателя или блока управления стеклоподъемниками). В большинстве случаев требуется подсоединение дополнительного реле (См. схему подсоединения СЕРОГО провода).
При включении этого выхода система НЕ будет сниматься с режима охраны.

Два БЕЛЫХ/ЧЕРНЫХ провода предназначаются для управления внутрисалонным освещением. При снятии системы с охраны внутрисалонное освещение будет включаться. Этот выход идентичен выходу БЕЛОГО провода за исключением того, что полярность может быть как положительной, так и отрицательной.
Подсоединение: БЕЛЫЙ/ЧЕРНЫЙ провод с предохранителем является входом основного блока. Подсоедините этот провод к +12 В или массе в зависимости от того какая полярность требуется для включения внутрисалонного освещения. Подсоедините второй БЕЛЫЙ/ЧЕРНЫЙ провод без предохранителя к проводу триггера внутрисалонного освещения. Обычно этот провод подсоединяется в том же месте, где подсоединен отрицательный ЗЕЛЕНЫЙ или положительный ФИОЛЕТОВЫЙ провод.


КРАСНЫЙ СИД состояния визуально информирует Вас о состоянии охранной системы в любой момент времени и служит предупреждением для злоумышленников о наличии охранной системы в автомобиле. Установите КРАСНЫЙ СИД в месте, доступном для обзора водителя изнутри и снаружи. Оптимальным местом для его размещения может быть либо середина панели приборов, либо ближе к водителю, в зависимости от типа автомобиля.
Если необходимо сверлить отверстие для установки СИДа, рекомендуется делать это в одной из заглушек отверстий для дополнительных приспособлений. Если Вам потребуется в будущем снять СИД, дешевле будет купить новую заглушку, чем менять всю панель. Диаметр отверстия 5/16 дюйма.
Проверьте, достаточно ли места за заглушкой для сверла. Используйте насадку для сверла, чтобы избежать повреждения деталей, находящихся за панелью, в которой высверливается отверстие.

Подсоединить 2-контактный Белый разъем к Белому 2-контактному разъему на основном блоке управления системы.
Этот разъем предназначается для подключения пейджера Omega к системе.
На пейджере указывается информация о том, какая из зон вызвала срабатывание системы и может происходить дублирование сигналов сирены (или клаксона). Инструкция по установке и провода для подключения пейджера поставляются вместе с пейджером.
Установите кнопочный переключатель в скрытом месте, доступном для водителя. Используйте клеящуюся ленту для установки переключателя на плоской поверхности. Рекомендуется устанавливать переключатель в скрытом месте, поскольку это затруднит действия угонщиков. Проложите провода к основному блоку системы и подсоедините синий разъем к соответствующему синему разъему на блоке системы.
Основными функциями кнопочного переключателя Easy Valet являются включение и выключение режима Easy Valet при продолжительной стоянке на станции технического обслуживания, на автомойке, а также вместе с ключом зажигания для снятия системы с режима охраны в том случае, если передатчик забыт, утерян или не работает.
Включение режима Valet (Система должна быть снята с режима охраны) :
Для включения режима Valet нажмите кнопку переключателя Valet на две секунды.
Вы услышите 2 сигнала сирены, габаритные огни мигнут 2 раза и СИД начнет гореть постоянно, подтверждая, что система находится в режиме Valet.
Примечание : Когда система находится в режиме Valet, каждый раз при выключении зажигания, сирена будет подавать один сигнал подтверждения.
Выключение режима Valet :
Нажмите кнопку Valet, и этот режим мгновенно выключится.
В подтверждение выключения режима Valet погаснет СИД.
Снятие с режима охраны в случае утери передатчика :
В том случае, если передатчик забыт, утерян, поврежден или его батарейки разрядились, при помощи переключателя Valet и ключа зажигания систему можно снять с режима охраны следующим образом:
Резервная батарея. Данная система включает 9В щелочную (алкалиновую) батарею, кожух для батареи с кронштейном для его крепления и провод для подсоединения батареи. Щелочная батарея на 9В является источником питания, достаточным для обеспечения работы системы в случае отсоединения аккумулятора автомобиля. Встроенная цепь защиты не позволит батарее подавать питание на блок системы при включенном аккумуляторе. При питании системы от резервной батареи в момент срабатывания в целях сохранения ее заряда некоторые функции работать не будут: не будут мигать габаритные огни и СИД. Сирена будет работать на полную мощность и будут работать все контуры охраны кроме цепи определения падения напряжения и дополнительных датчиков. Блокировка стартера будет также функционировать.
Всегда в первую очередь выполняйте подсоединение КРАСНОГО и ЧЕРНОГО проводов питания охранной системы. Вставьте батарею в отделение на основном корпусе. Подсоедините провод к батареи, а затем подсоедините его разъем к Белому разъему на основном блоке с надписью Battery Backup (Резервное питание).
Приобрести 9-вольтовые батарейки для замены можно в любом магазине. Рекомендуется производить замену щелочных батарей каждые 18 месяцев, либо после того, как она хотя бы на некоторое время стала единственным источником питания системы. При следующих условиях срок службы 9В батареи может составлять:
В комплект данной охранной системы входит двухзоновый датчик удара и на разбивание стекла. На основном блоке системы имеется разъем для подключения дополнительного датчика в целях увеличения эффективности системы.
Возможно подсоединение других датчиков, которые определяют удары и толчки, изменение давления воздуха в салоне автомобиля или радарных датчиков, которые определяют движение внутри и рядом с автомобилем.
Система имеет заводскую установку на автоматическое отключение внутренней зоны датчика в том случае, если система сработала 5 раз. Эта функция может быть отключена при программировании.
Датчики могут быть временно отключены при помощи передатчика.
Режим предупреждения : При срабатывании зоны предупреждения сирена подаст три сигнала и произойдет перезапирание дверей. После пятикратного срабатывания этой цепи, режим предупреждения автоматически отключится до следующей постановки системы в режим охраны. Это сделано для избежания излишнего шума.
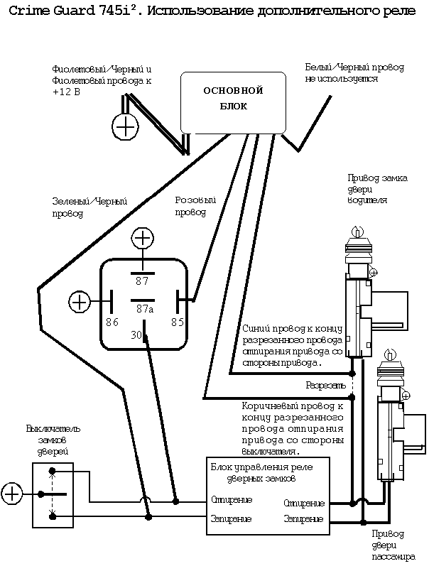
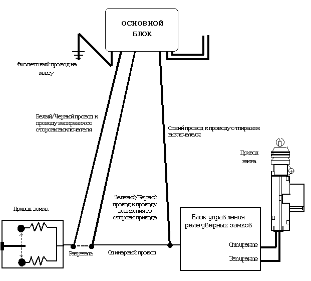
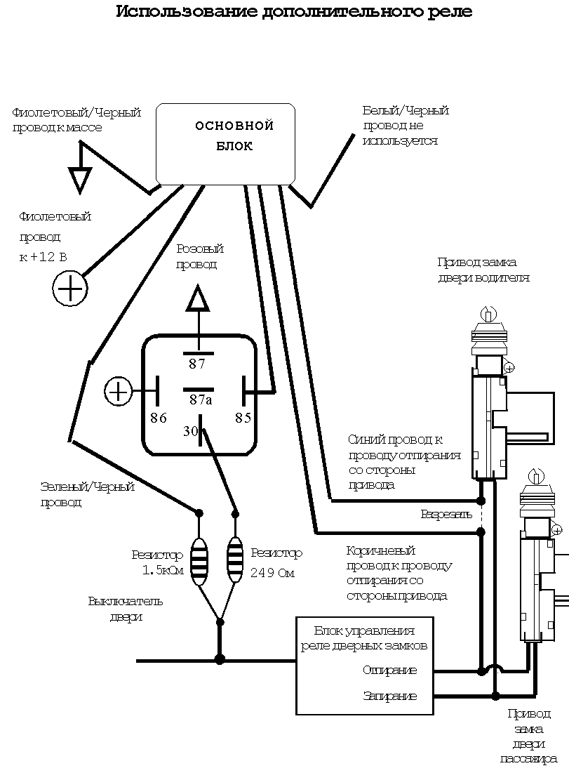
Тип подсоединения будет зависеть от типа электроприводов замков дверей автомобиля.
Примечание : В автомобиле должны быть установлены электрозамки. В случае их отсутствия на каждую дверь могут быть установлены электроприводы DS-2 вместе с интерфейсом дверных замков. В этом случае система будет управлять дверными замками только при установке приводов DS-2.
Система имеет белый разъем для подсоединения дверных замков.

Эта система дверных электрозамков является самой простой. На выключателе импульсной системы отрицательной полярности имеются только три провода.
Осмотрите провода на обратной стороне выключателя:
Примечание : Реле замков или блок управления со встроенными реле управляется при помощи выключателей. Когда выключатель находится в состоянии покоя, на этих двух проводах присутствует напряжение +12 В или меньше. Правильная точка подсоединения находится между выключателями и реле.

ОТПИРАНИЕ В ПЕРВУЮ ОЧЕРЕДЬ ДВЕРИ ВОДИТЕЛЯ

Эта система очень похожа на 3-проводную импульсную систему с отрицательной полярностью за исключением того, что реле или блок управления управляются положительными импульсами на 12 В.
Проверьте провода на выключателе.
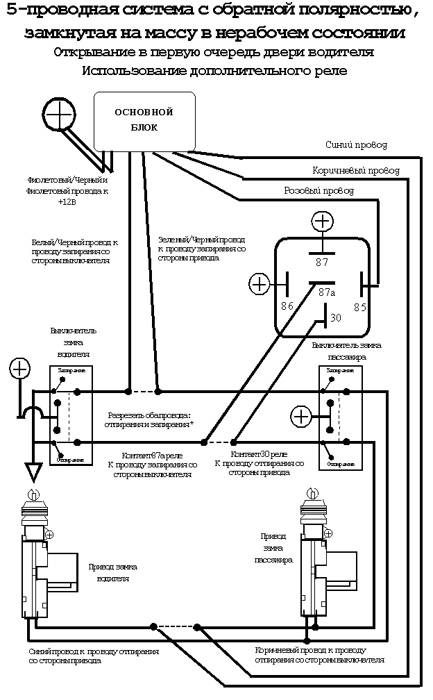
Внимание! Импульсная система с положительной полярностью может быть легко спутана с 5-проводной системой с обратной полярностью, которая замкнута на массу в состоянии покоя. Это связано с тем, что в обеих системах на проводах запирания и отпирания присутствует напряжение +12 В при соответствующем нажатии выключателя замков дверей. Очень важно правильно определить тип системы замков дверей, так как при попытке включить замки положительным импульсом в системе с обратной полярностью, замкнутой на массу в состоянии покоя, произойдет короткое замыкание.
3 основных различия между положительной импульсной системой и системой с обратной полярностью.

Открывание в первую очередь двери водителя

Эта система отличается от первых двух тем, что в ней не используются реле или блок управления. В этом типе систем положительное напряжение подается напрямую от выключателя на приводы замков и что более важно, обеспечивается обратный выход на массу. Важным моментом для этого типа систем является то, что в нерабочем положении ее провода замкнуты на массу. Это означает, что для выполнения подсоединений эти провода должны быть “разомкнуты” или разрезаны.
Проверьте провода с обратной стороны переключателя. (Обычно там имеется 5 проводов.)
3 основных различия между положительной импульсной системой и системой с обратной полярностью.


В автомобилях Nissan 240SX выпуска 1991-94г., ZX выпуска 1992-95г. и Mazda MPV выпуска 1991г. замки имеют однопроводную импульсную систему. Двери отпираются при замыкании на массу одинарного провода запирания\отпирания. При размыкании или разрезании этого провода двери запираются.
Расположение и цветовая кодировка проводов в этих автомобилях:
| Марка автомобиля | Цвет | Разъем | Место |
|---|---|---|---|
| 240SX |
Оранжевый\Черный Оранжевый\Синий |
Провода выходят из двери |
Декоративная накладка внизу рядом с водителем Декоративная накладка внизу рядом с пассажиром |
| 300ZX | Коричневый | Провода выходят из двери | Декоративная накладка внизу рядом с водителем |
| MPV |
Коричневый\Желтый Зеленый\Белый |
На блоке управления замками дверей |
Декоративная накладка внизу рядом с водителем За отделением для перчаток |

Некоторые автомобили фирмы Chrysler имеют однопроводную систему запирания дверей, т.е. для запирания и отпирания дверей используется один провод, идущий от выключателя к основному блоку управления. При переключении выключателя в положение "закрыто" ("lock") или "открыто" ("unlock") на блок управления подается положительный импульс +12 В через один из резисторов. Блок управления распознает по этим импульсам какую команду необходимо выполнять и включает соответствующее реле. Провод запирания/отпирания, как правило, можно найти под декоративной накладкой внизу сбоку от водителя.
На следующих автомобилях имеется подобная система:


Отпирание в первую очередь двери водителя
На автомобилях марки Chrysler Town & Country, Dodge Caravan выпуска 1996г. и Plymouth Voyager установлена импульсная однопроводная система дверных замков с отрицательной полярностью. При переключении выключателя двери в положение lock (запирание) или unlock (отпирание) отрицательный импульсный сигнал поступает на резистор.
Примечание : Поскольку для управления таким типом системы замков требуется импульс силой более 500 мА, необходимо использовать реле.
Расположение и цветовая кодировка проводов в автомобилях:


Отпирание в первую очередь двери водителя

Система Crime Guard имеет режим программирования передатчиков и 20 программируемых функций, которые позволят настроить систему в соответствии с Вашими требованиями.
+ = Заводская установка.
Работа функций # 12, 13, 14 описана выше.
В память системы можно запрограммировать до 4 передатчиков и до 20 функций. Для того, чтобы войти в режим программирования необходимо выполнить три действия, указанных ниже. После включения режима программирования нажмите и отпустите кнопочный переключатель Valet количество раз, соответствующее номеру программируемой функции. В качестве подтверждения сирена подаст количество сигналов, соответствующее номеру выбранной функции.
После этого можно выполнять программирование функции, нажимая соответствующие кнопки передатчика. Включать или выключать функцию можно до тех пока не будет выбрана другая функция или пока не будет выключен режим программирования. Функции могут быть выбраны в любом порядке, нажимая кнопочный переключатель Valet количество раз, соответствующее номеру функции.
Например, если Вы хотите выполнить программирование функций #15 и #3:
Для того, чтобы войти в режим программирования:
Для выхода из режима программирования:
Примечание : Если в течение 10 секунд действия по программированию не выполнялись, система автоматически выйдет из режима программирования, что подтверждается сигналом сирены.
1) Режим программирования передатчиков
Программирование передатчика для управления первым автомобилем:
Нажать и отпустить Большую кнопку каждого программируемого передатчика. Все каналы программируются автоматически.
Программирование передатчика для управления вторым и третьим автомобилями:
Один передатчик может использоваться для управления, в общей сложности, тремя системами. При этом кнопки имеют разные функции для каждой системы. Это предупредит одновременное снятие и постановку системы в режим охраны на всех автомобилях.
| Постановка/снятие с режима охраны | Канал #1 | Канал #2 | |
|---|---|---|---|
| 1 автомобиль | Большая кнопка | Маленькая верхняя кнопка | Маленькая нижняя кнопка |
| 2 автомобиль | Маленькая верхняя кнопка | Большая кнопка | Маленькая нижняя кнопка |
| 3 автомобиль | Маленькая нижняя кнопка | Большая кнопка | Маленькая верхняя кнопка |
Для программирования необходимо нажать и отпустить любую из маленьких кнопок передатчика. Система автоматически запрограммирует остальные каналы в другом порядке.
Примечание : При программировании новых передатчиков, все коды ранее запрограммированных передатчиков будут стерты. Поэтому при программировании третьего и четвертого передатчиков необходимо вновь запрограммировать все передатчики.
2) Программирование персонального кода Valet (+1 нажатие)
Для программирования нового персонального кода (от 1 до 12 нажатий):
Примечание : Если не требуется программирование других функций, выйдите из режима программирования, подождав пока истекут 10 секунд ( не выполняя никаких действий). Не выходите из режима программирования при помощи включения зажигания.
3) Долговременное отключение подтверждающих сигналов сирены (+Вкл./Выкл.)
Для включения функции нажать и отпустить Большую кнопку (Сирена подаст один сигнал).
Для выключения функции нажать и отпустить Маленькую нижнюю кнопку (Сирена подаст два сигнала).
4) Длительность цикла срабатывания системы (+30/60 сек.)
Для установки длительности 30 секунд нажать и отпустить Большую кнопку (Сирена подаст один сигнал).
Для установки длительности 60 секунд нажать и отпустить Маленькую нижнюю кнопку (Сирена подаст два сигнала).
5) Автоматический обход основной зоны датчика после 5 срабатываний (+Вкл./Выкл.)
Для включения функции нажать и отпустить Большую кнопку (Сирена подаст один сигнал).
Для выключения функции нажать и отпустить Маленькую нижнюю кнопку (Сирена подаст два сигнала).
6) Снятие системы с режима охраны при включении канала #2 (+Вкл./Выкл.)
Для включения функции нажать и отпустить Большую кнопку (Сирена подаст один сигнал).
Для выключения функции нажать и отпустить Маленькую нижнюю кнопку (Сирена подаст два сигнала).
7) Автоматическая постановка системы в режим охраны после закрывания последней двери (+Вкл./Выкл.)
Для включения функции нажать и отпустить Большую кнопку (Сирена подаст один сигнал).
Для выключения функции нажать и отпустить Маленькую нижнюю кнопку (Сирена подаст два сигнала).
8) Автоматическая постановка в режим охраны с запиранием дверей (Вкл./+Выкл.)
Для включения функции нажать и отпустить Большую кнопку (Сирена подаст один сигнал).
Для выключения функции нажать и отпустить Маленькую нижнюю кнопку (Сирена подаст два сигнала).
9) Включение габаритных огней автомобиля после снятии системы с режима охраны (Вкл./+Выкл.)
Для включения функции нажать и отпустить Большую кнопку (Сирена подаст один сигнал).
Для выключения функции нажать и отпустить Маленькую нижнюю кнопку (Сирена подаст два сигнала).
10) Работа блокировки стартера в режиме Valet (Вкл./+Выкл.)
Для включения функции нажать и отпустить Большую кнопку (Сирена подаст один сигнал).
Для выключения функции нажать и отпустить Маленькую нижнюю кнопку (Сирена подаст два сигнала).
11) Длительность выходного импульса на замки дверей (+0,8 сек/3 сек.)
Для включения импульса 0,8 сек. нажать и отпустить Большую кнопку (Сирена подаст один сигнал).
Для включения импульса 3 сек. нажать и отпустить Маленькую нижнюю кнопку (Сирена подаст два сигнала).
12) Включение противоугонной функции при включении зажигания (Вкл./+Выкл.)
Для включения функции нажать и отпустить Большую кнопку (Сирена подаст один сигнал).
Для выключения функции нажать и отпустить Маленькую нижнюю кнопку (Сирена подаст два сигнала).
13) Включение противоугонной функции при включении зажигания и открывании двери (+Вкл./Выкл.)
Для включения функции нажать и отпустить Большую кнопку (Сирена подаст один сигнал).
Для выключения функции нажать и отпустить Маленькую нижнюю кнопку (Сирена подаст два сигнала).
14) Дистанционное включение противоугонной функции при помощи передатчика (+Вкл./Выкл.)
Для включения функции нажать и отпустить Большую кнопку (Сирена подаст один сигнал).
Для выключения функции нажать и отпустить Маленькую нижнюю кнопку (Сирена подаст два сигнала).
15) Автоматическая повторная постановка системы в режим охраны через 90 секунд (+Вкл./Выкл.)
Для включения функции нажать и отпустить Большую кнопку (Сирена подаст один сигнал).
Для выключения функции нажать и отпустить Маленькую нижнюю кнопку (Сирена подаст два сигнала).
16) Запирание дверей при повторной постановке системы в режим охраны через 90 секунд (+Вкл./Выкл.)
Для включения функции нажать и отпустить Большую кнопку (Сирена подаст один сигнал).
Для выключения функции нажать и отпустить Маленькую нижнюю кнопку (Сирена подаст два сигнала).
17) Постановка системы в режим охраны через 3 или через 45 секунд после сигналов подтверждения (+3/45 сек.)
Для того, чтобы установить 3 секунды нажать и отпустить Большую кнопку (Сирена подаст один сигнал).
Для того, чтобы установить 45 секунд нажать и отпустить Маленькую нижнюю кнопку (Сирена подаст два сигнала).
18) Автоматическое запирание дверей при включении зажигания (+Вкл./Выкл.)
Для включения функции нажать и отпустить Большую кнопку (Сирена подаст один сигнал).
Для выключения функции нажать и отпустить Маленькую нижнюю кнопку (Сирена подаст два сигнала).
19) Автоматическое отпирание только двери водителя при выключении зажигания (+Вкл./Выкл.)
Для включения функции нажать и отпустить Большую кнопку (Сирена подаст один сигнал).
Для выключения функции нажать и отпустить Маленькую нижнюю кнопку (Сирена подаст два сигнала).
20) Автоматическое отпирание всех дверей при выключении зажигания (+Вкл./Выкл.)
Для включения функции нажать и отпустить Большую кнопку (Сирена подаст один сигнал).
Для выключения функции нажать и отпустить Маленькую нижнюю кнопку (Сирена подаст два сигнала).
21) Отмена функции #18 (описанной выше) при открытой двери (+Вкл./Выкл.)
Для включения функции нажать и отпустить Большую кнопку (Сирена подаст один сигнал).
Для выключения функции нажать и отпустить Маленькую нижнюю кнопку (Сирена подаст два сигнала).
