Free Japan Cars Factory Service Manuals
[ICO]NameSize
[PARENTDIR]Parent Directory -
[IMG]am375-1.gif3.9K
[IMG]am375-2.gif 21K
[TXT]am375-dv.htm8.9K
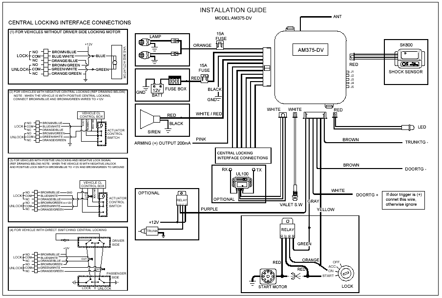
[IMG]am375-dv.png 71K
Thanks to donations there are no ads! All manuals are available on downloadable archives HERE. You will get the pass with 5 EUR donation. If you have new service manuals, send them my way to be shared with the fellow owners!   
Contact