ELITA
007
Инструкция по инсталляции
Автомобильная охранная система ELITA 007 выпускается в двух модификациях:
- модель с функцией "Иммобилайзера" (маркируется красным цветом антенны);
- модель с функцией "Anti - hijack" (маркируется зеленым цветом антенны).
Все настройки происходят путем закорачивания входов / выходов системы и последующим ее подключением к питанию.
1. ELITA 007 с функцией "Иммобилайзера"
1.1. Отпирание дверей
Двери могут отпираться: сразу при выключении сигнализации, либо после выключения сигнализации, в течение трех секунд, повторным нажатием кнопки M брелока. Для переключения режима отпирания дверей необходимо:
- отключить питание системы;
- отключить цепь 10 от замка зажигания двигателя;
- отключить цепь 5 от сирены;
- закоротить цепи 5 и 10 (рис.1);
- на одну секунду подключить питание системы;
- разомкнуть цепи 5 и 10, соединить их согласно рекомендуемой схеме, подключить питание системы.
1.2. Реагирование на сигнал датчика
В зависимости от типа, качества, чувствительности используемого датчика необходимо установить, сколько раз после включения сигнализации система будет реагировать на срабатывание датчика. Порядок установки:
- отключить питание системы;
- отключить датчик;
- закоротить контакты 2 и 3 разъема для подключения датчика (рис.2);
- подключить светодиод системы;
- подключить питание системы и подсчитав количество вспышек светодиода, равное требуемому количеству срабатываний системы, отключить питание;
- - разомкнуть контакты 2 и 3 разъема для подключения датчика
1.3. Контроль дверей при включении сигнализации
Если цепь 4 или 5 подключается к лампе освещения салона необходимо установить, чтобы при включении сигнализации система начинала контролировать двери не раньше, чем погаснет лампа освещения салона.
Порядок установки:
- определить время, в течение которого гаснет лампа освещения салона;
- отключить питание системы;
- отключить датчик,
- закоротить контакты 2 и 3 разъема для подключения датчика (рис.3);
- подключить светодиод системы;
- соединить цепь 3 с "массой";
- подключить питание системы и подсчитав количество вспышек светодиода, равное времени, в течении которого гаснет лампа освещения салона (в секундах), отключить питание системы;
- разомкнуть контакты 2 и 3 разъема для подключения датчика, отключить цепь ф от "массы".
1.4. Первый канал управления (1КУ)
Если нет возможности надежно спрятать в автомобиле охранную систему рекомендуется 1КУ использовать для управления реле блокировки (переключатель системы SW2 в положении "OFF")
Если переключатель системы SW2 в положении "ON", при включении сигнализации 1КУ генерирует импульс программируемой длительности, назначение которого - закрыть автоматические окна автомобиля или электрический люк.
Длительность импульса программируется так:
- определить, сколько времени занимает закрытие окон или люка;
- отключить питание системы;
- отключить цепь 1 от реле, цепь 6 от капота / багажника или кнопки "Anti - hijack"; (рис.4)
- закоротить цепи 1 и 6 (рис.4);
- подключить питание системы на время, занимающее закрытия окон и люка, отключить питание системы;
- разомкнуть цепи 1 и 6.
1.5. Второй канал управления (2КУ)
2КУ это универсальный выход, позволяющий:
- генерировать импульс программируемой длительности после нажатия кнопки I (назначение - управление электрическим замком капота);
- выдавать постоянный "минус" или "разомкнутую цепь" после нажатия кнопки I (назначение - управление радар - детектором или питанием сирены);
- генерировать импульс программируемой длительности, когда при включенной сигнализации включается зажигание или открываются двери, капот / багажник (назначение - управление пейджером);
- генерировать импульс программируемой длительности, когда при включенной сигнализации включается зажигание, срабатывает датчик или открываются двери, капот / багажник (назначение - управление пейджером)
1.6. Задание функции 2КУ
Первый шаг: задается будет ли 2КУ управляться кнопкой I или будет генерировать сигнал для пейджера. Переключается так:
- отключить от системы все цепи;
- замкнуть цепи 5 и 5 (рис.5);
- за одну секунду подключить питание;
- разомкнуть цепи 5 и 5;
Примечание: если 2КУ установлен для управления пейджером, то при нажатии на кнопку I дольше чем на 1,5 секунды, на выходе сирены появляется сигнал.
Второй шаг - выбор функции между 1.5.а или 1.5.b и между 1.5.c или 1.5.d.
Переключается так:
- отключить от системы все цепи;
- замкнуть цепи 5 и 5 (рис.6);
- соединить цепь 3 с "массой";
- на одну секунду подключить питание.
1.7. Программирование длительности импульса 2КУ
Длительность импульса программируется так:
- определить, сколько времени должен длится импульс;
- отключить питание системы;
- отключить цепь 2 от реле, цепь 6 от капота / багажника или кнопки "Anti-hijack";
- закоротить цепи 2 и 6 (рис.7);
- подключить питание системы на время длительности импульса, отключить питание системы;
- разомкнуть цепи 2 и 6.
2. "ELITA 007" с функцией "Anti - hijack"
2.1. Отпирание дверей (смотрите пункт 1.1.)
2.2. Реагирование на сигнал датчика.
После включения сигнализации система будет реагировать на срабатывание датчика 5 раз.
2.3. Контроль дверей при включении сигнализации.
При включении сигнализации система начинает контролировать дверные выключатели через 5 секунд.
2.4. Первый канал управления (1КУ) (смотрите пункт 1.4.)
2.5. Режим "2КУ"
При нажатии кнопки I брелока выдается импульс в 1 секунду во второй канал управления.
При продолжительном нажатии кнопки импульс продлевается.
2.6. Режим "Предупреждения"
При нажатой кнопке I брелока система сигнализирует сиреной, пока кнопка не будет отпущена.
2.7. Выбор между режимами "2КУ" и "Предупреждения"
Выбирается так:
- отключить от системы все цепи;
- замкнуть цепи 5 и 5 (рис.5);
- на одну секунду подключить питание;
- разомкнуть цепи 5 и 5
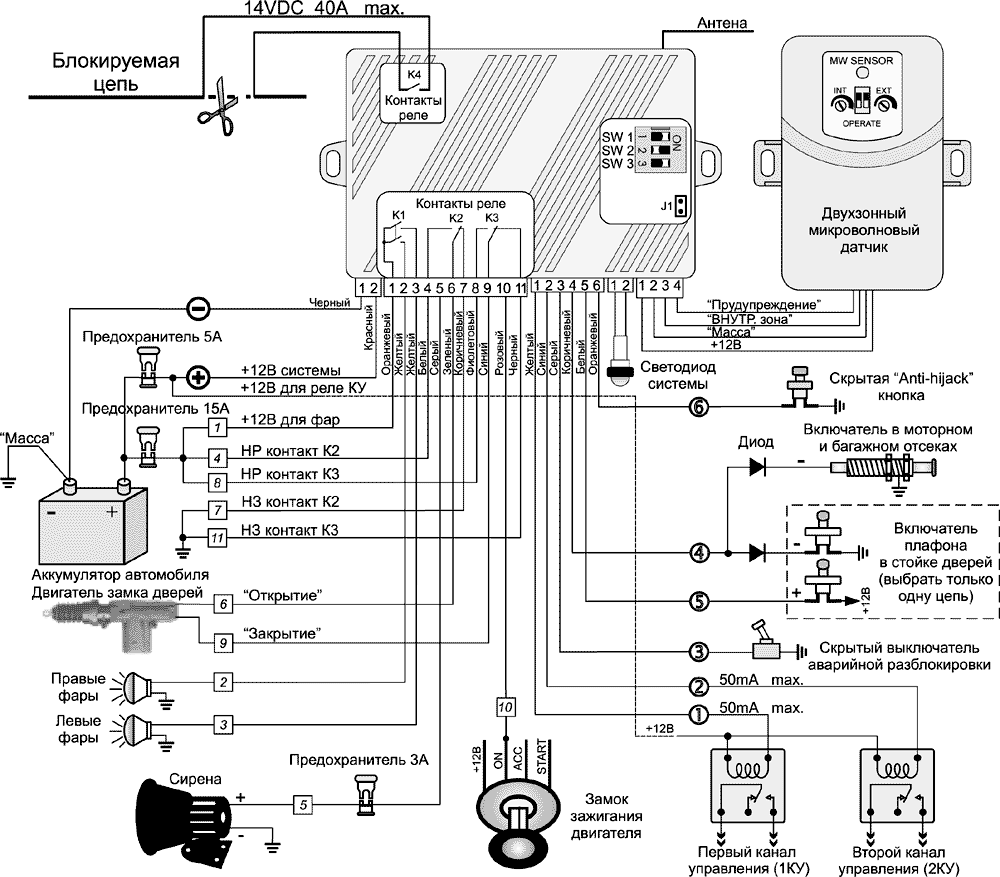
Схема соединений для моделей с функцией "Иммобилайзера"
Программирование брелоков
- отключите питание системы;
- закоротите перемычку J1 ;
- включите питание системы, светодиод системы должен периодически мерцать;
- не выключая питание системы, отключите перемычку J1;
- синхронно нажмите кнопки M и I брелока и держите, пока светодиод системы продолжительно мигнет;
- повторите пункт (e) для каждого программируемого брелока (до 5 брелоков для версии с функцией "иммобилайзера" и до 2 брелоков для версии с функцией "Anti - hijack");
- выключите питание системы.
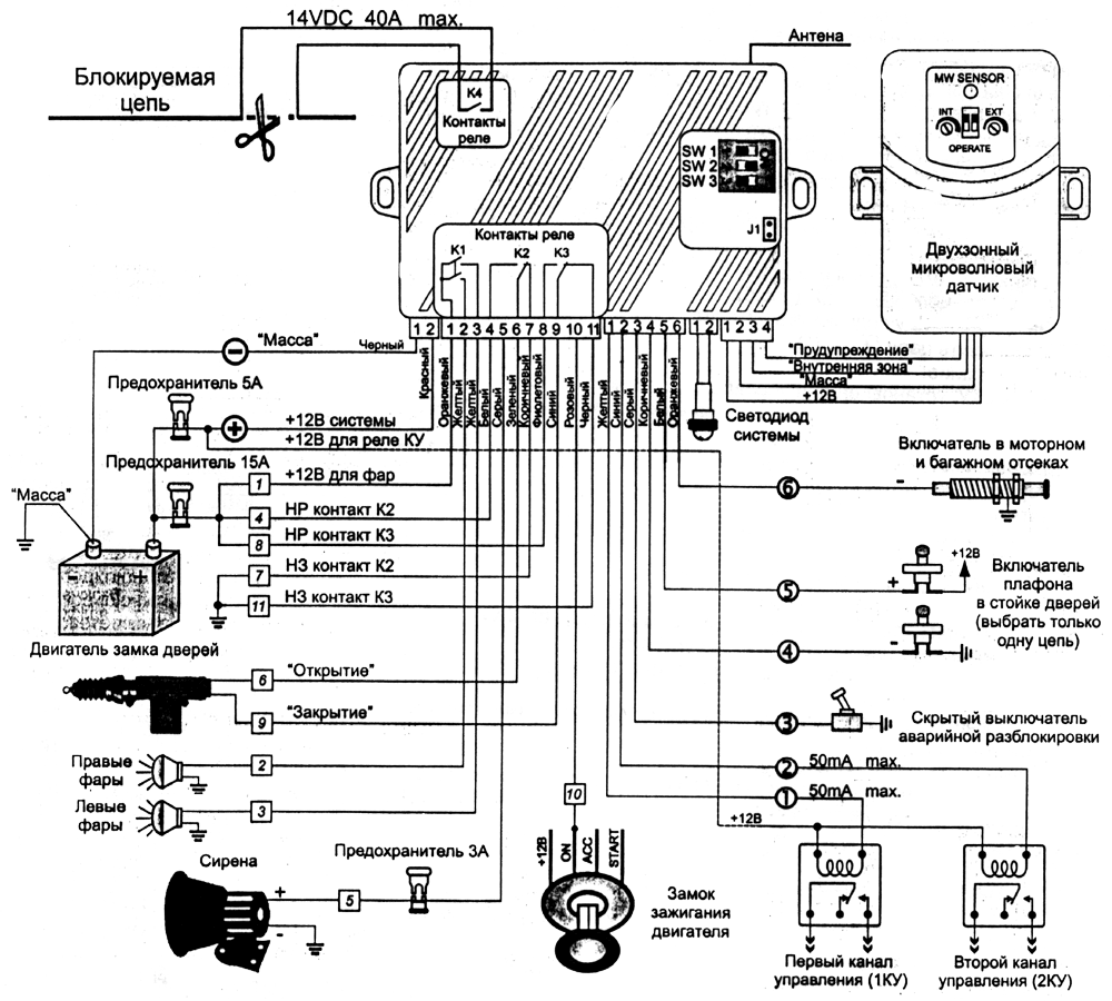
Схема соединений для моделей с функцией "Anti - hijack"
Установки охранной системы
| SW 1 |
ON (включено) |
Импульс управления дверями 0,5 сек. |
| OFF (выключено) |
Импульс управления дверями 4 сек. |
| SW 2 |
ON (включено) |
1КУ при включении сигнализации выдает импульс программируемой длительности |
| OFF (выключено) |
1КУ работает как дополнительная блокировка |
| SW 3 |
ON (включено) |
Функция “Anti-hijack” или “Имобилайзера” включена |
| OFF (выключено) |
Функция “Anti-hijack” или “Имобилайзера” выключена |
30.12.2002