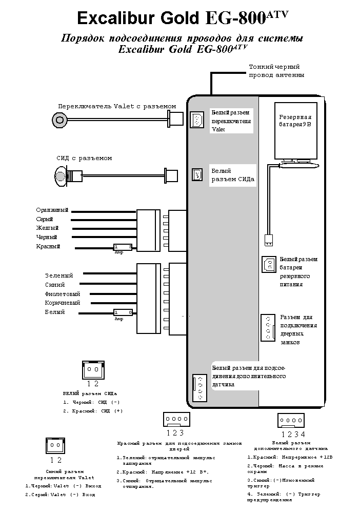
ЧЕРНЫЙ провод (Масса). Данный провод служит для подсоединения к массе основного блока управления охранной системы.
ПОДСОЕДИНЕНИЕ. При помощи припаянной или хорошо обжатой кольцевой клеммы подсоедините ЧЕРНЫЙ провод к кузову автомобиля, используя имеющиеся болты на кузове автомобиля. Место крепления Черного провода должно быть тщательно очищено от краски, масел и грязи до чистого металла. Никогда не подсоединяйте ЧЕРНЫЙ провод системы к другим имеющимся проводам массы и к листовым металлическим поверхностям, кроме случаев крайней необходимости.
Примечание. При плохом заземлении система может найти частично замкнуться на массу через провода, подсоединенные к другим цепям, что вызовет сбои в работе системы.
ЧЕРНЫЙ ТОНКИЙ провод, выходящий из основного блока управленияявляетсяпроводом антенны. Никуда не подсоединяйте этот провод, иначе дальность действия передатчиков значительно сократится или система вообще не будет принимать их сигналы.
КРАСНЫЙ провод (Питание системы +12 В).
Данный провод обеспечивает непрерывное питание (+12 В) системы.
Подсоедините к проводу, который находится в первичном жгуте проводов, идущем от замка зажигания и на котором имеется непрерывное напряжение +12 В.
Во многих автомобилях доступ к проводам замка зажигания открывается при снятии нижней части панели приборов или защитного кожуха рулевой колонки. На некоторых автомобилях, преимущественно производства компаний Дженерал Моторс и Форд/Линкольн/Меркюри, электрическая часть замка зажигания находится в нижней части рулевой колонки и соединена штоком с механической частью (куда вставляется ключ). На таких автомобилях, как Крайслер, Додж, Плимут и др. электрическая и механическая часть соединены вместе и находятся в верхней части рулевой колонки, поэтому на этих автомобилях необходимо снимать защитный кожух рулевой колонки. Пайка данного соединения должна осуществляться быстро с использованием теплоотвода, чтобы не нагревался провод и чтобы не повредить замок зажигания
ЖЕЛТЫЙ провод (К +12 В на замке зажигания). Основной функцией желтого провода является обеспечение системы напряжением +12 В только тогда, когда ключ зажигания находится в положениях "On" (Вкл.) и "Start" (Стартер). При помощи этого провода система "проверяет" работает ли двигатель или он выключен).
Подсоедините ЖЕЛТЫЙ провод к проводу, на котором появляется напряжение +12 В только при включении зажигания. Этот провод находится в первичном жгуте проводов, который идет от замка зажигания.
КОРИЧНЕВЫЙ провод (Положительный выход на сирену)
КОРИЧНЕВЫЙ провод обеспечивает питанием +12 В электронную сирену при срабатывании системы и при подаче сигналов подтверждения.
Подсоедините КОРИЧНВЫЙ провод непосредственно к КРАСНОМУ проводу сирены. Подсоедините ЧЕРНЫЙ провод сирены к массе (-) автомобиля.
Примечание: При замыкании КОРИЧНЕВОГО провода на массу система будет повреждена.

ОРАНЖЕВЫЙ провод (Отрицательный выход для блокировки стартера).
ОРАНЖЕВЫЙ провод системы обеспечивает постоянный отрицательный выход 500 мA, когда система поставлена на охрану. Этот отрицательный выход питает один вывод обмотки реле. На другой вывод обмотки реле подается положительное напряжение от замка зажигания, но только тогда, когда ключ зажигания повернут в положение "Stаrt" (Стартер). Блокировка стартера не позволяет завести двигатель только в том случае, если система стоит на охране (или находится в состоянии тревоги, т.е. сработала) и начинает потреблять энергию аккумулятора только в момент попытки запуска.
ПОДСОЕДИНЕНИЕ: Для того, чтобы блокировать цепь стартера автомобиля необходимо найти провод стартера и разрезать его.
Примечание: Убедитесь в надежности соединений - по этим проводам идет сильный ток.

БЕЛЫЙ провод (Положительный выход для управления габаритными огнями).
БЕЛЫЙ провод является положительным выходом +12 В, который обеспечивает мигание габаритных огней при подаче сигналов подтверждения и при срабатывании системы. Подсоедините БЕЛЫЙ провод непосредственно к проводу с напряжением +12 В цепи габаритных огней.
Примечание 1. Когда Вы найдете этот провод, убедитесь, что на нем нет реостата. Для проверки покрутите ручку реостата управления яркостью подсветки приборов на панели управления. На нужном Вам проводе напряжение не должно изменяться.
Примечание 2. На некоторых автомобилях, в частности марки Тойота, установлено реле габаритных огней, которое управляется отрицательным сигналом (-) выключателя фар. На таких автомобилях БЕЛЫЙ провод необходимо подсоединять к цепи габаритных огней после реле, как правило на блоке предохранителей или блоке соединений.
Внимание!

Большинство автомобилей европейского производства имеют раздельные цепи правых и левых габаритных огней. Если правые и левые габаритные огни находятся в разных цепях, то для подсоединения БЕЛОГО провода к обеим цепям необходимо использовать два диода (от 6 до 10 А) или два реле. На указанной ниже схеме показано подсоединение при помощи диодов.


ЗЕЛЕНЫЙ провод (Отрицательный триггер двери).
Основной функцией ЗЕЛЕНОГО провода является подача отрицательного сигнала (-) только при открывании двери автомобиля. ЗЕЛЕНЫЙ провод - это отрицательный триггер двери и его подсоединение очень важно для работы таких функций, как: постановка в режим охраны после закрывания последней двери, автоматическая повторная постановка в режим охраны через 90 секунд, запирание/отпирание дверей при включении/выключении зажигания, а также для охраны дверей.
Подсоедините ЗЕЛЕНЫЙ провод к общему проводу концевых выключателей дверей автомобиля (-).
Примечание 1. Если в автомобиле имеется задержка выключения внутрисалонного освещения, то во время задержки в цепи будет присутствовать отрицательное напряжение (-). В таком случае отсчет времени перед автоматической постановкой системы в режим охраны начнется после выключения внутрисалонного освещения. Вы тем не менее сможете поставить систему в режим охраны с передатчика в "обход" цепи ЗЕЛЕНОГО провода. В этом случае система возьмет цепь ЗЕЛЕНОГО провода под охрану через 5 секунд после выключения внутрисалонного освещения.
Примечание 2. На тех автомобилях, где на панели приборов стоят индикаторы закрывания дверей, все двери изолированы друг от друга диодами. Не соединяйте вместе все концевые выключатели. В таком случае необходимо подсоединить ЗЕЛЕНЫЙ провод к проводу, по которому осуществляется непосредственное питание внутрисалонного освещения автомобиля.

Фиолетовый провод (Положительный триггер двери)
Функции ФИОЛЕТОВОГО провода идентичны функциям ЗЕЛЕНОГО провода за одним исключением: ФИОЛЕТОВЫЙ провод используется на автомобилях с концевыми выключателями дверей, имеющими положительную полярность (+12 В) (например, марки Форд).
Подсоедините ФИОЛЕТОВЫЙ провод к общему проводу концевых выключателей дверей автомобиля.

СИНИЙ провод (Отрицательный триггер капота/багажника).
Основной функцией СИНЕГО провода является подача на систему отрицательного сигнала (-) от концевого выключателя капота или багажника или дополнительного датчика. Синий провод вызывает мгновенное срабатывание системы при замыкании на массу при включенном режиме охраны.
Подсоедините СИНИЙ провод к заводским (или установленным) концевым выключателям отрицательной полярности (-) капота и багажника. Этот провод может быть также подсоединен к дополнительному датчику.
Примечание. Функция автоматической постановки системы в режим охраны после закрывания последней двери не включится до тех пор, пока СИНИЙ провод будет соединен с массой. При замыкании этого провода во время пассивной постановки в режим охраны отсчет времени прекратится и начнет вновь только после размыкания СИНЕГО провода и массы. Вы, тем не менее, сможете поставить систему в режим охраны с передатчика в "обход" цепи СИНЕГО провода. В этом случае система возьмет эту цепь под охрану через 5 секунд после ее размыкания с массой.

СЕРЫЙ провод (Дополнительный отрицательный выход № 2)
СЕРЫЙ провод представляет собой дополнительный отрицательный выход (-) 250 А, который может быть использован для управления замком багажника, устройством дистанционного запуска двигателя или блоком стеклоподъемников.
Для включения дополнительного канала:
Нажать и удерживать в нажатом положении Маленькую верхнюю кнопку передатчика в течение 3 секунд.
ПОДСОЕДИНЕНИЕ.
Примечание. Дополнительный канал будет работать всегда, если выключено зажигание, система снята с режима охраны или находится в режиме Vаlet. Если же зажигание включено, данная функция будет работать ТОЛЬКО в том случае, если также открыта одна из дверей автомобиля. Это предотвращает открывание багажника или задней двери во время движения.
Внимание! Если требуется ток более 250 мА, необходимо установить дополнительное реле.

Примечание. В некоторых случаях провод соленоида замкнут на массу.
КРАСНЫЙ СИД состояния визуально информирует Вас о состоянии охранной системы в любой момент времени и служит предупреждением для злоумышленников о наличии охранной системы в автомобиле. Установите КРАСНЫЙ СИД в месте, доступном для обзора водителя изнутри и снаружи. Оптимальным местом для его размещения может быть либо середина панели приборов, либо другое место ближе к водителю, в зависимости от типа автомобиля.
Если необходимо сверлить отверстие для установки СИДа, рекомендуется делать это в одной из заглушек отверстий для дополнительных приспособлений. Если Вам потребуется в будущем снять СИД, дешевле будет купить новую заглушку, чем менять всю панель. Диаметр отверстия 5/16 дюйма (8 мм).
Проверьте, достаточно ли места за заглушкой для сверла. Используйте насадку для сверла, чтобы избежать повреждения деталей, находящихся за панелью, в которой высверливается отверстие.

Установите кнопочный переключатель в скрытом месте, доступном для водителя. Используйте клейкую ленту для установки переключателя на плоской поверхности. Рекомендуется устанавливать переключатель в скрытом месте, поскольку это затруднит действия угонщиков. Проложите провода к основному блоку системы и подсоедините синий разъем к соответствующему синему разъему на блоке системы.
Основными функциями кнопочного переключателя Valet являются включение и выключение режима Valet при продолжительной стоянке на станции технического обслуживания, на автомойке, а также использование вместе с ключом зажигания для снятия системы с режима охраны в том случае, если передатчик забыт, утерян или не работает.
Для включения режима Valet нажмите кнопку переключателя Valet на две секунды.
Примечание: Когда система находится в режиме Valet, каждый раз при выключении зажигания, сирена будет подавать один сигнал подтверждения.
Нажмите кнопку Valet, и этот режим мгновенно выключится.
В том случае, если передатчик забыт, утерян, поврежден или его батарейки разрядились, при помощи переключателя Valet и ключа зажигания систему можно снять с режима охраны следующим образом:
| ДЕЙСТВИЕ 1: | Откройте дверь автомобиля (имейте в виду, что система сработает в момент открывания двери). |
| ДЕЙСТВИЕ 2: | Включите зажигание. |
| ДЕЙСТВИЕ 3: | В течение 5 секунд введите код включения режима Valet нажатием переключателя необходимое количество раз (1-12). Через 4 секунды система будет снята с режима охраны. |
Данная система включает 9 В щелочную (алкалиновую) батарею, кожух для батареи с кронштейном для его крепления и провод для подсоединения батареи. Щелочная батарея на 9 В является источником питания, достаточным для обеспечения работы системы в случае отсоединения аккумулятора автомобиля. Встроенная цепь защиты не позволит батарее подавать питание на блок системы при включенном аккумуляторе. При питании системы от резервной батареи в момент срабатывания в целях сохранения ее заряда некоторые функции работать не будут: не будут мигать габаритные огни и СИД. Сирена будет работать на полную мощность и будут работать все контуры охраны, кроме цепи определения падения напряжения и дополнительных датчиков. Блокировка стартера также будет функционировать.
Всегда в первую очередь выполняйте подсоединение КРАСНОГО и ЧЕРНОГО проводов питания охранной системы. Вставьте батарею в отделение на основном корпусе. Подсоедините провод к батарее, а затем подсоедините его разъем к Белому разъему на основном блоке, маркированному Battery Backup (Резервное питание).
Приобрести 9-вольтовые батарейки для замены можно в любом магазине. Рекомендуется производить замену щелочных батареек каждые 18 месяцев, либо после того, как она хотя бы на некоторое время стала единственным источником питания системы. При следующих условиях срок службы 9 В батареи может составлять:
В комплект данной охранной системы входит двухзоновый датчик удара и разбивания стекла. На основном блоке системы имеется разъем для подключения дополнительного датчика в целях увеличения эффективности системы.
Возможно подсоединение других датчиков, которые определяют удары и толчки, изменение давления воздуха в салоне автомобиля, а также радарных датчиков, которые определяют движение внутри и рядом с автомобилем. Система имеет заводскую установку на автоматическое отключение внутренней зоны датчика в том случае, если система сработала 5 раз. Эта функция может быть отключена при программировании.
Датчики могут быть временно отключены при помощи передатчика. Режим предупреждения. При срабатывании зоны предупреждения сирена подаст три сигнала и произойдет перезапирание дверей. После пятикратного срабатывания этой цепи, режим предупреждения автоматически отключится до следующей постановки системы в режим охраны. Это сделано для избежания излишнего шума.
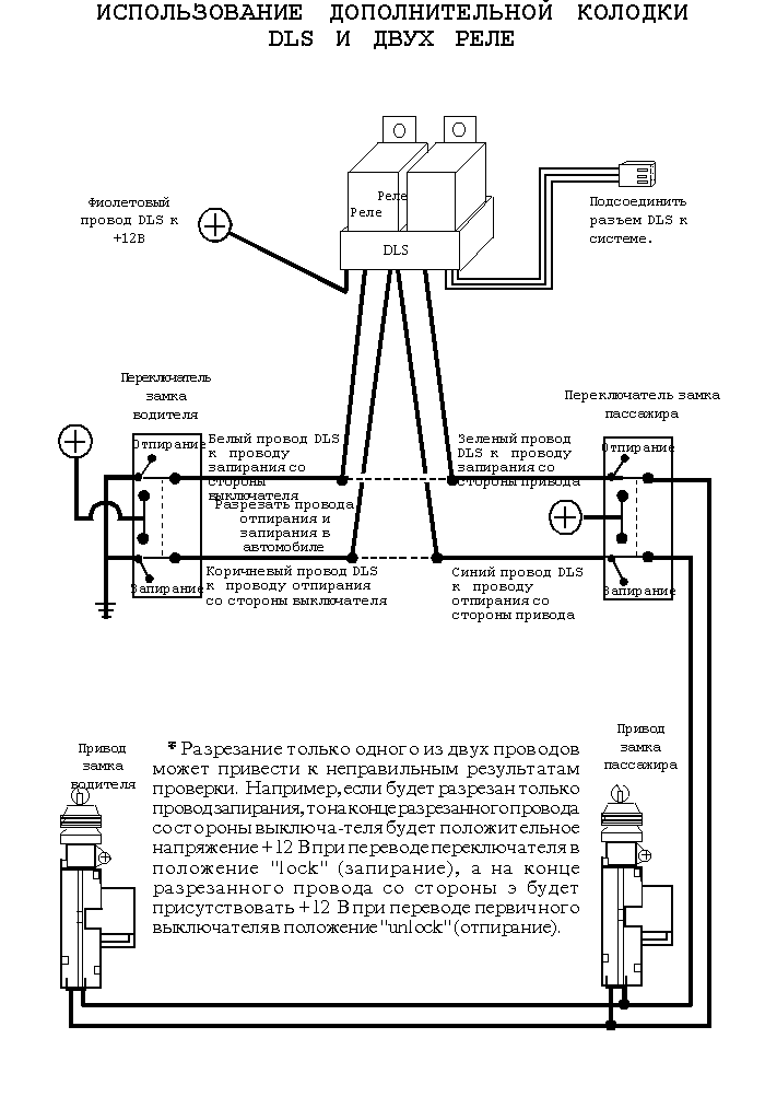
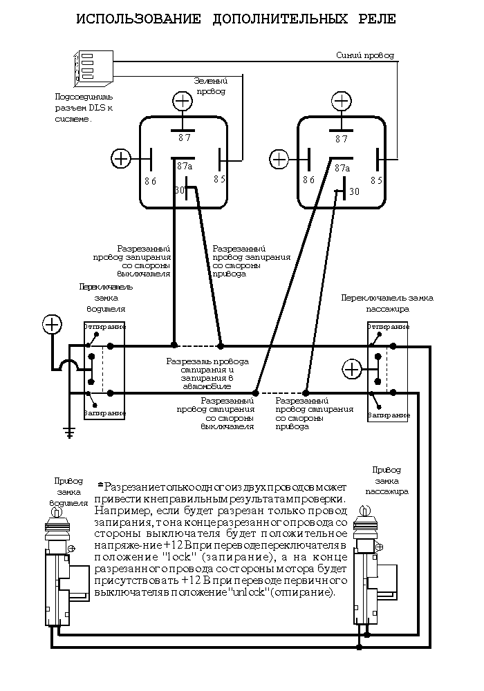
Тип подсоединения будет зависеть от типа электроприводов замков дверей автомобиля.
Примечание. В автомобиле должны быть установлены электрозамки. В случае их отсутствия на каждую дверь могут быть установлены электроприводы DS-2 вместе с интерфейсом дверных замков. В этом случае система будет управлять дверными замками только при установке приводов DS-2.
Система имеет белый разъем для подсоединения дверных замков.

Данная система дверных электрозамков является самой простой. На выключателе импульсной системы отрицательной полярности имеются только три провода.
Осмотрите провода на обратной стороне выключателя:
Примечание. Реле замков или блок управления со встроенными реле управляется при помощи выключателей. Когда выключатель находится в состоянии покоя, на этих двух проводах присутствует напряжение +12 В или меньше. Правильная точка подсоединения находится между выключателями и реле.



Данная система очень похожа на 3-проводную импульсную систему с отрицательной полярностью за исключением того, что реле или блок управления управляются положительными импульсами на 12 В.
Проверьте провода на выключателе.
Внимание! Импульсная система с положительной полярностью может быть легко спутана с 5-проводной системой с обратной полярностью, которая замкнута на массу в состоянии покоя. Это связано с тем, что в обеих системах на проводах запирания и отпирания присутствует напряжение +12 В при соответствующем нажатии выключателя замков дверей. Очень важно правильно определить тип системы замков дверей, так как при попытке включить замки положительным импульсом в системе с обратной полярностью, замкнутой на массу в состоянии покоя, произойдет короткое замыкание.
3 основных различия между положительной импульсной системой и системой с обратной полярностью.


Данная система отличается от первых двух тем, что в ней не используются реле или блок управления. В этом типе систем положительное напряжение подается напрямую от выключателя на приводы замков и, что более важно, обеспечивается обратный выход на массу. Важным моментом для этого типа систем является то, что в нерабочем положении ее провода замкнуты на массу. Это означает, что для выполнения подсоединений эти провода должны быть "разомкнуты" или разрезаны.
Проверьте провода с обратной стороны переключателя. (Обычно там имеется 5 проводов.)
3 основных различия между положительной импульсной системой и системой с обратной полярностью.


В автомобилях Nissan 240SX выпуска 1991-94г., ZX выпуска 1992-95г. и Mazda MPV выпуска 1991г. замки имеют однопроводную импульсную систему. Двери отпираются при замыкании на массу одинарного провода запирания\отпирания. При размыкании или разрезании этого провода двери запираются.
Расположение и цветовая кодировка проводов в этих автомобилях:
| Марка автомобиля | Цвет | Разъем | Место |
|---|---|---|---|
| 240SX | Оранжевый/Черный Оранжевый/Синий |
Провода выходят из двери | Декоративная накладка внизу рядом с водителем Декоративная накладка внизу рядом с пассажиром |
| 300ZX | Коричневый Коричневый/Желтый |
Провода выходят из двери | екоративная накладка внизу рядом с пассижиром Декоративная накладка внизу рядом с водителем |
| MPV | Зеленый/Белый | На блоке управления замками дверей | За отделением для перчаток |

Некоторые автомобили фирмы Chrysler имеют однопроводную систему запирания дверей, т.е. для запирания и отпирания дверей используется один провод, идущий от выключателя к основному блоку управления. При переключении выключателя в положение "закрыто" ("lock") или "открыто" ("unlock") на блок управления подается положительный импульс +12 В через один из резисторов. Блок управления распознает по этим импульсам какую команду необходимо выполнять и включает соответствующее реле. Провод запирания/отпирания, как правило, можно найти под декоративной накладкой внизу сбоку от водителя.
На следующих атомобилях имеется подобная система:
Расположение и цветовая кодировка проводов в этих автомобилях:
| Автомобиль: Cirrus/Stratus/Breeze | Sebring | |
|---|---|---|
| Цвет: | Белый/Светло-зеленый | Белый/Светло-зеленый |
| Разъем: | Коричневый 16-контактный | 20-контактный разъем |
| Место: | Под декоративной накладкой сбоку у водителя | Блок управления под декоративной накладкой сбоку у водителя |
| Значение резистора: Запирание: 620 Ом/ Отпирание: 2.7кOм | ||
| Автомобиль: New Yorker / Concord / LHS / Vision / Intrepid | |
|---|---|
| Цвет: | Оранжевый/Фиолетовый |
| Разъем: | Синий или Черный 16-контактный |
| Место: | Под декоративной накладкой сбоку у водителя |
| Значение резистора: Запирание: 2.7кОм / Отпирание: 620 Ом | |



На автомобилях марки Chrysler Town & Country, Dodge Caravan выпуска 1996г. и Plymouth Voyager установлена импульсная однопроводная система дверных замков с отрицательной полярностью. При переключении выключателя двери в положение lock (запирание) или unlock (отпирание) отрицательный импульсный сигнал поступает на резистор.
Примечание. Поскольку для управления таким типом системы замков требуется импульс силой тока более 500 мА, необходимо использовать реле.
Расположение и цветовая кодировка проводов в автомобилях:
| Автомобиль: Town & Country / Caravan | |
|---|---|
| Цвет: | Белый/Темно-зеленый |
| Разъем: | 40-контактный (контакт #5) |
| Место: | На блоке управления замками: За блоком предохранителей/реле под панелью |
| Автомобиль: Voyager | |
|---|---|
| Цвет: | Белый/Темно-зеленый |
| Разъем: | Черный 14-контактный |
| Место: | На блоке предохранителей под декоративной накладкой сбоку от водителя |


Система Excalibur Gold имеет режим программирования передатчиков и 20 программируемых функций, которые позволят настроить систему в соответствии с Вашими требованиями.
# = Заводская установка.
Режим программирования передатчиков (максимум 4 передатчика)
Позволяет программировать брелки-передатчики для управления системой.
Персональный код включения режима Valet (# 1 нажатие)
Для повышение уровня безопасности владелец автомобиля может установить свой персональный код включения режима Valet. Этот код может использоваться вместе с ключом зажигания автомобиля для аварийного отключения режима охраны в случае отключения или неисправности передатчика.
Долговременное отключение подтверждающих сигналов сирены (# Вкл./Выкл.)
Позволяет включить/выключить подтверждающие сигналы сирены при выполнении различных функций сирены.Длительность цикла срабатывания системы (# 30/60 сек.)
Позволяет установить длительность цикла срабатывания системы, а также длительность работы режима "паника" 30 или 60 секунд.
Автоматическое выключение основной зоны датчика после 5 срабатываний (# Вкл./Выкл.)
Позволяет системе отключать внутреннюю зону датчика после пятикратного срабатывания системы. В этом случае основная зона датчика не будет вызывать срабатывание системы, но режим предупреждения будет функционировать. Функции датчика полностью восстанавливаются после последующей постановки в режим охраны.
Снятие системы с режима охраны при включении канала № 2 (# Вкл./Выкл.)
Обеспечивает автоматическое снятие системы с режима охраны при включении канала № 2.
Автоматическая постановка системы в режим охраны после закрывания последней двери (# Вкл./Выкл.)
Автоматически ставит систему в режим охраны через 30 секунд после выключения зажигания и закрывания последней двери.
Автоматическая постановка в режим охраны с запиранием дверей (Вкл./# Выкл.)
Обеспечивает запирание дверей при автоматической постановке системы в режим охраны через 30 секунд после выключения зажигания и закрывания последней двери.
Включение габаритных огней автомобиля после снятия системы с режима охраны (Вкл./# Выкл.)
Включает габаритные огни автомобиля на 30 секунд после снятия системы с режима охраны.
Работа блокировки стартера в режиме Valet (Вкл./# Выкл.)
Включает блокировку стартера (если установлено дополнительное реле) при использовании передатчика для запирания дверей автомобиля, когда система находится в режиме Valet.
Длительность выходного импульса на замки дверей (# 0,8 сек/3 сек.)
Эта функция позволяет мастеру установить длительность импульса в зависимости от типа привода замков.
Включение противоугонной функции при включении зажигания (Вкл./# Выкл.)
Включение противоугонной функции от открывания двери при включенном зажигании (Вкл./# Выкл.)
Дистанционное включение противоугонной функции при помощи передатчика (Вкл./# Выкл.)
Работа функций № 12, 13, 14 описана выше.
Автоматическая повторная постановка системы в режим охраны через 90 секунд (# Вкл./Выкл.)
Автоматически вновь поставит систему в режим охраны через 90 секунд, если она была выключена при помощи передатчика и в течении этого времени не открывалась ни одна из дверей и не было включено зажигание.
Запирание дверей при повторной постановке системы в режим охраны через 90 секунд (# Вкл./Выкл.)
Обеспечивает автоматическое запирание дверей при повторной постановке системы в режим охраны через 90 секунд, если она была выключена при помощи передатчика.
Постановка системы в режим охраны через 3 или через 45 секунд после сигналов подтверждения (# 3/45 сек.)
Эта функция позволяет выбрать время задержки перед полной постановкой системы на охрану. Время задержки перед полной постановкой на охрану увеличивается для любого способа постановки системы в режим охраны.
Автоматическое запирание дверей при включении зажигания (# Вкл./Выкл.)
Система автоматически запрет двери автомобиля после включения зажигания.
Автоматическое отпирание двери водителя при выключении зажигания (# Вкл./Выкл.)
Система автоматически отопрет при выключении зажигания только дверь водителя.
В модели EG-800ATV данной функции нет
Отмена функции 18 (описанной выше) при открытой двери (# Вкл./Выкл.)
Отменяет запирание дверей при включении зажигания, если открыта одна из дверей.
В память системы можно запрограммировать до 4 передатчиков и до 20 функций. Для того, чтобы войти в режим программирования необходимо выполнить три действия, указанных ниже. После включения режима программирования нажмите и отпустите кнопочный переключатель Valet количество раз, соответствующее номеру программируемой функции. В качестве подтверждения сирена подаст количество сигналов, соответствующее номеру выбранной функции.
После этого можно выполнять программирование функции, нажимая соответствующие кнопки передатчика. Включать или выключать функцию можно до тех пока не будет выбрана другая функция или пока не будет выключен режим программирования. Функции могут быть выбраны в любом порядке; нажимайте на кнопочный переключатель Valet такое количество раз, которое соответствует номеру функции.
Например, если Вы хотите выполнить программирование функций № 15 и № 3:
| Действие 1. | Включите зажигание. |
| Действие 2. | Выключите зажигание. |
| Действие 3. | Нажмите и отпустите кнопочный переключатель Valet 5 раз. Сирена подаст сигнал, подтверждая включение режима программирования. |
Примечание. Если в течение 10 секунд действия по программированию не выполнялись, система автоматически выйдет из режима программирования, что подтверждается сигналом сирены.
Нажать и отпустить Большую кнопку каждого программируемого передатчика. Все каналы программируются автоматически.
Один передатчик может использоваться для управления, в общей сложности, тремя системами. При этом кнопки имеют разные функции для каждой системы. Это предупредит одновременное снятие и постановку системы в режим охраны на всех автомобилях.
|   | Постановка/снятие с режима охраны | Канал #1 | Канал #2 |
|---|---|---|---|
| 1 автомобиль | Большая кнопка | Маленькая верхняя кнопка | Маленькая нижняя кнопка |
| 2 автомобиль | Маленькая верхняя кнопка | Большая кнопка | Маленькая нижняя кнопка |
| 3 автомобиль | Маленькая нижняя кнопка | Большая кнопка | Маленькая верхняя кнопка |
Для программирования необходимо нажать и отпустить любую из маленьких кнопок передатчика. Система автоматически запрограммирует остальные каналы в другом порядке.
Примечание. При программировании новых передатчиков, все коды ранее запрограммированных передатчиков будут стерты. Поэтому при программировании третьего и четвертого передатчиков необходимо вновь запрограммировать все передатчики.
Для программирования нового персонального кода (от 1 до 12 нажатий):
Примечание. Если не требуется программирование других функций, выйдите из режима программирования, подождав, пока истекут 10 секунд (не выполняя никаких действий). Не выходите из режима программирования при помощи включения зажигания.
Долговременное отключение подтверждающих сигналов сирены (# Вкл./Выкл.)
Для включения функции нажмите и отпустите Большую кнопку (Сирена подаст один сигнал).
Для выключения функции нажмите и отпустите Маленькую нижнюю кнопку (Сирена подаст два сигнала).
Длительность цикла срабатывания системы (# 30/60 сек.)
Для установки длительности 30 секунд нажмите и отпустите Большую кнопку (Сирена подаст один сигнал).
Для установки длительности 60 секунд нажмите и отпустите Маленькую нижнюю кнопку (Сирена подаст два сигнала).
Автоматический обход основной зоны датчика после 5 срабатываний (# Вкл./Выкл.)
Для включения функции нажмите и отпустите Большую кнопку (Сирена подаст один сигнал).
Для выключения функции нажмите и отпустите Маленькую нижнюю кнопку (Сирена подаст два сигнала).
Снятие системы с режима охраны при включении канала #2 (# Вкл./Выкл.)
Для включения функции нажмите и отпустите Большую кнопку (Сирена подаст один сигнал).
Для выключения функции нажмите и отпустите Маленькую нижнюю кнопку (Сирена подаст два сигнала).
Автоматическая постановка системы в режим охраны после закрывания последней двери (# Вкл./Выкл.)
Для включения функции нажмите и отпустите Большую кнопку (Сирена подаст один сигнал).
Для выключения функции нажмите и отпустите Маленькую нижнюю кнопку (Сирена подаст два сигнала).
Автоматическая постановка в режим охраны с запиранием дверей (Вкл./# Выкл.)
Для включения функции нажмите и отпустите Большую кнопку (Сирена подаст один сигнал).
Для выключения функции нажмите и отпустите Маленькую нижнюю кнопку (Сирена подаст два сигнала).
Включение габаритных огней автомобиля после снятии системы с режима охраны (Вкл./# Выкл.)
Для включения функции нажмите и отпустите Большую кнопку (Сирена подаст один сигнал).
Для выключения функции нажмите и отпустите Маленькую нижнюю кнопку (Сирена подаст два сигнала).
Работа блокировки стартера в режиме Valet (Вкл./# Выкл.)
Для включения функции нажмите и отпустите Большую кнопку (Сирена подаст один сигнал).
Для выключения функции нажмите и отпустите Маленькую нижнюю кнопку (Сирена подаст два сигнала).
Длительность выходного импульса на замки дверей (# 0,8 сек/3 сек.)
Для включения импульса 0,8 сек. нажмите и отпустите Большую кнопку (Сирена подаст один сигнал).
Для включения импульса 3 сек. нажмите и отпустите Маленькую нижнюю кнопку (Сирена подаст два сигнала).
Включение противоугонной функции при включении зажигания (Вкл./# Выкл.)
Для включения функции нажмите и отпустите Большую кнопку (Сирена подаст один сигнал).
Для выключения функции нажмите и отпустите Маленькую нижнюю кнопку (Сирена подаст два сигнала).
Включение противоугонной функции при включении зажигания и открывании двери (# Вкл./Выкл.)
Для включения функции нажмите и отпустите Большую кнопку (Сирена подаст один сигнал).
Для выключения функции нажмите и отпустите Маленькую нижнюю кнопку (Сирена подаст два сигнала).
Дистанционное включение противоугонной функции при помощи передатчика (# Вкл./Выкл.)
Для включения функции нажмите и отпустите Большую кнопку (Сирена подаст один сигнал).
Для выключения функции нажмите и отпустите Маленькую нижнюю кнопку (Сирена подаст два сигнала).
Автоматическая повторная постановка системы в режим охраны через 90 секунд (# Вкл./Выкл.)
Для включения функции нажмите и отпустите Большую кнопку (Сирена подаст один сигнал).
Для выключения функции нажмите и отпустите Маленькую нижнюю кнопку (Сирена подаст два сигнала).
Запирание дверей при повторной постановке системы в режим охраны через 90 секунд (# Вкл./Выкл.)
Для включения функции нажмите и отпустите Большую кнопку (Сирена подаст один сигнал).
Для выключения функции нажмите и отпустите Маленькую нижнюю кнопку (Сирена подаст два сигнала).
Постановка системы в режим охраны через 3 или через 45 секунд после сигналов подтверждения (# 3/45 сек.)
Для того, чтобы установить 3 секунды нажмите и отпустите Большую кнопку (Сирена подаст один сигнал).
Для того, чтобы установить 45 секунд нажмите и отпустите Маленькую нижнюю кнопку (Сирена подаст два сигнала).
Автоматическое запирание дверей при включении зажигания (# Вкл./Выкл.)
Для включения функции нажмите и отпустите Большую кнопку (Сирена подаст один сигнал).
Для выключения функции нажмите и отпустите Маленькую нижнюю кнопку (Сирена подаст два сигнала).
Автоматическое отпирание только двери водителя при выключении зажигания (# Вкл./Выкл.)
Для включения функции нажать и отпустить Большую кнопку (Сирена подаст один сигнал).
Для выключения функции нажать и отпустить Маленькую нижнюю кнопку (Сирена подаст два сигнала).
Данной функции нет в модели EG-800ATV
Отмена функции № 18 (описанной выше) при открытой двери (# Вкл./Выкл.)
Для включения функции нажмите и отпустите Большую кнопку (Сирена подаст один сигнал).
Для выключения функции нажмите и отпустите Маленькую нижнюю кнопку (Сирена подаст два сигнала).
