
| Светодиод | Состояние функции |
|---|---|
| серия частых вспышек (3 раза в секунду) | функция выключена |
| серия редких вспышек (3 раза в 2 секунды) | функция подключена, выбрано одно из значений функции |
| горит непрерывно | ступень выхода из программирования |
Для входа в оперативный блок программирования включите зажигание, после этого нажмите и удерживайте кнопку 1 брелока в течение 2-х секунд. Система подтвердит переход в режим программирования, подав длинные звуковой и световой сигналы. Светодиод сначала часто мигает (3 секунды), затем постоянно горит.
После этого можно выключить зажигание.
Подключение или отключение функций можно производить за один сеанс программирования системы. Кнопкой 3 брелока Вы последовательно перебираете функции, кнопкой 2 подключаете, кнопкой 1 отключаете их.
Таким образом, нажимая на кнопку 3 брелока, Вы продвигаетесь по "лестнице" функций. Подтверждая переход со ступени на ступень, система подаст короткий звуковой сигнал. Количество вспышек светодиода покажет, на какой ступени "лестницы" Вы находитесь:
| 0 | непрерывное горение светодиода - ступень для выхода из программирования нажатием кнопки 2 |
| 2 | тихая постановка и снятие с охраны |
| 3 | иммобилайзер |
| 4 | автопостановка |
| 5 | запирание дверей при автопостановке |
| 6 | автоматическое запирание замков дверей при включении зажигания и во время поездки |
| 7 | имитация неисправности в системе зажигания - создает впечатление перебоев в системе зажигания |
| 8 | отключение сирены (и парковочных огней) в режиме тревога |
| 9 | AntiHiJack; ступень для программирования функций метки. Подключение или отключение этой функции отменяет функции метки |
Нажатие на кнопку 2 подключает (3 коротких звуковых сигнала), а нажатие на кнопку 1 отключает (2 коротких звуковых сигнала) функцию. Если функция не подключена - светодиод мигает часто, если подключена - редко. При отключении функции световой сигнал подтверждения будет левыми указателями поворота. Помните, что световые сигналы подтверждения будут только в том случае, если Вы изменяете состояние функции.
Для входа в установочный блок 1 (блок выбора служебных функций) при включенном зажигании нажмите и держите кнопку 1 брелока в течение 3-х секунд. После звукового и светового сигналов подтверждения нажмите кнопки 1 и 2 брелока одновременно, пока светодиод часто мигает. Повторный звуковой и световой (< <) сигналы покажут, что Вы вошли в программирование функций установочного блока 1.
Нажатие на кнопку 3 брелока продвигает Вас по "лестнице" (система подаст звуковой сигнал). Количество вспышек светодиода показывает, какую функцию можно установить:
| 0 | непрерывное горение светодиода - ступень для выхода из программирования при нажатии кнопки 2 брелока |
| 2 | подсветка салона - выход на подсветку салона активизируется на 15 секунд после закрытия двери или до включения зажигания. Включается автоматическая настройка входа дверей системы на автомобили с встроенной подсветкой. |
| 3 | микроиммобилайзеры, обучение дополнительных микроиммобилайзеров. Подключение и отключение этой функции осуществляется только специальным обучающим брелоком. См. подключение микроиммобилайзеров. |
| 4 | активная блокировка зажигания - разрываемая цепь подключается к нормально замкнутым (30 и 87а) контактам реле блокировки. При обесточивании или отсоединении системы зажигание будет разблокировано. Если функция не подключена (пассивная блокировка), разрываемую цепь подсоединяйте к нормально разомкнутым контактам (30 и 87) реле блокировки. |
| 5 | центральный замок американского типа - выход на подсветку салона становится выходом открывания пассажирских дверей (необходима установка дополнительного реле). При снятии с охраны откроется только дверь водителя. Для отпирания остальных дверей необходимо в течение 5 секунд после снятия с охраны нажать на кнопку 1 брелока еще раз |
| 6 | датчик нейтрали (АКПП) - отменяет необходимость режима подготовки дистанционного запуска. Вход ручного тормоза (№3, оранжевый с серым) при этом нужно подключить к датчику положения PARK автоматической КПП. |
| 7 | замок багажника - выход №14 (синий) первого дополнительного канала становится выходом на замок багажника |
| 8 | имитация неисправности в системе зажигания - создает впечатление перебоев в системе зажигания двигателя |
| 9 | переназначение выходов - выход на замок багажника (синий провод) работает по алгоритму выхода на стеклоподъемники (розовый), и наоборот, розовый провод - по алгоритму синего. Это позволяет получить сигналы управления нужной полярности |
Нажатие на кнопку 2 подключает функцию (3 коротких звуковых сигнала), нажатие на кнопку 1 ее отключает (2 коротких звуковых сигнала). Если функция не подключена - светодиод мигает часто, если подключена - редко. Если функция изменяет свое состояние, то при ее подключении система подаст сигнал правыми указателями поворота (>), при отключении - левыми (<).
При выходе из программирования сериями вспышек будет показана причина 4-х последних перегрузок по току. Длительность индикации составляет 30 секунд. Прервать ее можно, нажав на кнопку 3 брелока.
Для входа в установочный блок 2 (блок установки времен) при включенном зажигании нажмите и держите кнопку 1 брелока в течение 3-х секунд. После звукового и светового сигналов подтверждения нажмите кнопки 1 и 3 брелока одновременно, пока светодиод часто мигает. Повторный звуковой и световой сигналы покажут, что Вы вошли в программирование функций установочного блока 2.
Нажатие на кнопку 3 брелока продвигает Вас по "лестнице" (система подаст звуковой сигнал). Количество вспышек светодиода показывает, какие времена можно установить.
Кнопкой 2 брелока Вы увеличиваете значение функции (выбираете следующее), кнопкой 1 - уменьшаете (выбираете предыдущее). Каждое нажатие сопровождается коротким сигналом сирены. Сигнал правыми указателями поворотов подтверждает увеличение значения, сигнал левыми - уменьшение. Эти сигналы будут отсутствовать, если уже установлено наибольшее значение функции или наименьшее (функция выключена).
| 0 | непрерывное горение светодиода - ступень для выхода из программирования при нажатии кнопки 2 брелока |
| 2 | замки дверей - увеличивает длительность управляющих импульсов. Если функция выключена, длительность составит 0.7 секунды на открытие и закрытие. Подключая ее, Вы увеличиваете длительность импульса на закрытие: 5, 10, 15, 20 и 25 секунд. При выборе длительности 5 секунд такой же будет длительность импульса на открытие. В остальных случаях его длительность составит 0.7 секунд. |
| 3 | наличие стеклоподъемников - задает алгоритм работы выхода №10 (розовый провод). Если функция выключена, выход активируется на 0.7 сек. при двойном нажатии кнопки 3 брелока в режиме снято с охраны. При подключении функции он становится выходом на стеклоподъемники и активируется при постановке в охрану на заданное время: 5, 10, 15, 20 или 25 секунд. При подключении дистанционного запуска выход становится выходом на реле поддержки зажигания, но, если установлено время стеклоподъемников, выход блокировки работает по алгоритму doubleAction (см. ниже) |
| 4 | время прогрева двигателя при дистанционном запуске. Если функция не подключена - дистанционный запуск невозможен, т.е. время прогрева равно нулю. Возможные значения времени прогрева: 4, 8, 12, 16 и 20 минут. При подключении времени прогрева выход на стеклоподъемники (если нет переназначения выходов) становится выходом на реле поддержки зажигания, а выход на подсветку салона - выходом на реле стартера. Настройка при постановке в охрану на вежливую подсветку при подключенной функции подсветка салона сохраняется. |
| 5 | выбор типа пейджера - позволяет системе управлять специализированными пейджерами. Если к системе подсоединен стандартный пейджер, то функция должна быть выключена (частое мигание светодиода). Функция имеет 2 значения: многозоновый пейджер и многозоновый пейджер с контролем канала. Установите одно из этих значений при использовании пейджера RP10-MR. Если функция не была установлена, нажмите кнопку 2 брелока 1 раз для выбора первого значения или 2 раза для выбор второго. |
| 6 | время прогрева форсунок дизеля - увеличивает время задержки между включением зажигания и запуском стартера до 5-ти, 10-ти, 15-ти, 20-ти или 25-ти секунд. Если функция не подключена, то сигнал на запуск стартера поступит через 3 секунды после включения зажигания |
| 7 | Турбо-таймер - устанавливает время работы двигателя в режиме охрана с работающим двигателем без ключа в замке зажигания. Возможные значения: 0 (не установлено); 0.5 мин; 1 мин; 1.5 мин; 2.0 мин; 2.5 мин. Если время не установлено (светодиод мигает часто), двигатель будет работать в течение времени прогрева. |
Не забудьте выйти из установочного блока 2 с сохранением изменений. Для этого при непрерывном горении светодиода нажмите на кнопку 2 брелока.
| Выход | Возможные алгоритмы работы |
|---|---|
| № 1 желтый, замыкание на массу |
|
| № 13 белый с черным, замыкание на массу |
При этом алгоритмы №1 и №2 отменяются. Настройка на вежливую подсветку сохраняется при любом алгоритме работы этого выхода. |
| № 10 розовый, замыкание на массу |
|
| № 14 синий, +12В |
|

Под пассивной блокировкой понимается режим, когда система дает разрешение на запуск двигателя при включении зажигания. В этом случае используются нормально разомкнутые контакты реле. Такой вариант блокировки повышает противоугонные свойства системы, поскольку удаление основного блока из разъема или его обесточивание не позволит запустить двигатель.

Под активной блокировкой понимается режим, когда система дает сигнал на блокировку двигателя (через обмотку реле течет ток) при включении зажигания во время тревоги. В этом случае используются нормально замкнутые контакты реле. Такой вариант блокировки повышает безопасность - обесточьте систему, и двигатель будет разблокирован.

Обмотку управления микроиммобилайзера (контакт 85) можно подключать как к постоянному +12В, так и к появляющемуся "плюсу" при включении зажигания.
Коды разрешения/запрещения работы двигателя передаются системой синхронно с действием (и типом) основной блокировки, то есть при включении и выключении зажигания. Кратковременное (до 3-х сек.) отсутствие питания не снимает разрешения работы двигателя.
Не рекомендуется использовать питание, которое может исчезать при включенном зажигании, как, например, питание бензонасоса. При таком подключении двигатель можно будет запустить только во время предварительного создания давления в топливной системе после включения зажигания.
Входящий в комплект системы микроиммобилайзер готов к работе. Микроиммобилайзеры, приобретаемые дополнительно, требуют обучения. Для обучения выполните следующие действия:
Вход тахометра подсоединяется к цепи, в которой присутствует гармонический или периодический импульсный сигнал, частота которого увеличивается с увеличением оборотов двигателя. Сигнал должен удовлетворять следующим условиям:
Как правило, требуемый сигнал присутствует на разъеме контроллера двигателя (ECU). Менее предпочтительным является использование первичной цепи катушки зажигания или сигнала управления форсунками. Для дизельных двигателей рекомендуется использовать сигнал с измерительной обмотки генератора.

Если двигатель автомобиля оборудован датчиком температуры контактного типа, его можно подключить параллельно концевому выключателю капота. Это предотвратит перегрев двигателя на прогреве в случае обрыва ремня генератора.
При подключении реле запуска убедитесь, что коммутируемый ток не превышает параметры используемых реле.
Для предотвращения случайного включения стартера ключом зажигания во время прогрева двигателя, можно использовать дополнительное реле, подключенное параллельно реле зажигания.

Нормально замкнутые контакты этого реле разрывают цепь включения стартера от замка зажигания.
Перед определением оборотов холостого хода двигатель должен быть прогрет до рабочей температуры.
Заведите двигатель. Через 5…25 секунд нажмите и удерживайте кнопку 1 брелока для входа в программирование. Частое мигание светодиода укажет на возможность входа в измерение оборотов. Нажатие на кнопку 3 брелока во время мигания светодиода продлевает время входа на 3 секунды. Для того, чтобы начать измерение оборотов, нажмите кнопки 2 и 3 брелока одновременно. Подтверждая вход в режим обучения, дважды зажгутся правые парковочные огни.
Светодиод будет часто мигать в течение 15 секунд, затем загорится непрерывно. Кратковременные паузы указывают на настройку системы на уровень входного сигнала.
Измерение оборотов может длиться несколько минут. Это время зависит от стабильности оборотов двигателя и от уровня входного сигнала.
При успешном измерении оборотов последуют три сигнала правыми указателями поворотов, после чего система перейдет в режим снято с охраны. Выход из режима измерения оборотов без сигналов правыми указателями поворотов означает неверное измерение. Проверьте подсоединения входа тахометра.
Система запоминает значение оборотов холостого хода в энергонезависимой памяти. Эти измерения необходимы для отключения стартера, прекращения поддержки зажигания в случае увеличения оборотов двигателя, повтора запуска в случае неудачной попытки, а также для того, чтобы не допустить включения поддержки зажигания при включенном зажигании и неработающем двигателе.
Если подключен дистанционный запуск двигателя, выход на стеклоподъемники (№10, розовый) используется для управления реле поддержки зажигания. Управлять стеклоподъемниками можно, используя подключение по алгоритму doubleAction.

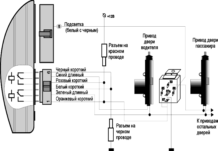
Система EXCELLENT имеет встроенные сильноточные (15А) реле управления электроприводами. Это позволяет подключить непосредственно к системе до 4-х электроприводов замков дверей. Кроме того, все контакты реле выведены на разъем. Поэтому, если Ваш автомобиль оборудован центральным замком, то Вы можете сформировать импульсы управления нужной полярности. Для этого используйте дополнительные разъемы основного кабеля и кабеля замков дверей.
Так, например, для автомобиля BMW требуются импульсы управления центральным замком отрицательной полярности. Более того, в этом автомобиле удобно управлять "минусом" и парковочными огнями. В этом случае красный толстый провод основного разъема (№ 17 Силовое питание, предохранитель 15А) подключите не на +12В, а на массу.
Старайтесь подключать управление центральным замком таким образом, чтобы при отсоединении системы центральный замок продолжал работать.
Чтобы реализовать последовательное открывание дверей (сначала открывается дверь водителя, а затем, по желанию, остальные двери) следует выход подсветки салона использовать для управления дополнительным реле. В этом случае система не будет включать свет в салоне, хотя автоматическая настройка на штатную "вежливую подсветку" салона автомобиля остается.

Помните, что эта функция реализуется только в том случае, если не подключен дистанционный запуск двигателя!
| 1 | Общий провод | черный |
| 2 | Питание +12В | красный |
| 3 | Выход переключателя | синий |
| 1 | Выход датчика | синий |
| 2 | Питание +12В | красный |
| 3 | Общий провод | черный |
| 1 | Выход -12В (Imax = 0,7А) на реле блокировки | желтый |
| 2 | Вход концевого выключателя капота | зеленый с серым |
| 3 | Вход ручного тормоза/датчика нейтрали | оранжевый с серым |
| 4 | Канал общего пользования | салатовый |
| 5 | Вход концевых выключателей дверей | белый |
| 6 | Вход концевого выключателя багажника | зеленый |
| 7 | Вход "зажигание" | фиолетовый |
| 8 | Вход тахометра | красный с розовым |
| 9 | Выход +12В (Imax = 15А) на правые указатели поворота | серый |
| 10 | Выход -12В (Imax = 0,7А) на стеклоподъемники | розовый |
| 11 | Выход +12В (Imax = 1,5А) на сирену | коричневый |
| 12 | Выход +12В (Imax = 0,7А) на пейджер | оранжевый |
| 13 | Выход -12В (Imax = 2А) подсветки салона | белый с черным |
| 14 | Выход +12В (Imax = 0,7А) на замок багажника | синий |
| 15 | Питание системы +12В | красный с предохранителем 5A |
| 16 | Общий провод | черный толстый |
| 17 | Питание +12В для указателей поворота и электроприводов замков дверей | красный с предохранителем 15A |
| 18 | Выход +12В (Imax = 15А) на левые указатели поворота | серый с черным |
| 1 | Вход реле закрытия дверей | оранжевый короткий |
| 2 | Выход на закрытие дверей | зеленый длинный |
| 3 | Нормально замкнутый контакт реле | белый короткий |
| 4 | Вход реле открытия дверей | розовый короткий |
| 5 | Выход на открытие дверей | синий длинный |
| 6 | Нормально замкнутый контакт реле | черный короткий |
| 1 | Выход светодиода | красный |
| 2 | Общий провод | черный |
| 2 | концевые выключатели дверей |
| 3 | концевой выключатель багажника |
| 4 | концевой выключатель капота |
| 5 | микроволновый датчик |
| 6 | датчик удара |
| 7 | зажигание |
| 8 | критическое понижение напряжения питания, а также при воздействии электрошока |
| 9 | превышение оборотов холостого хода при дистанционном запуске двигателя или отсутствие сигнала PARK |
| 2 | концевые выключатели дверей |
| 3 | концевой выключатель багажника |
| 4 | концевой выключатель капота |
| 5 | зона тревоги микроволнового датчика |
| 6 | зона тревоги датчика удара |
| 7 | зажигание |
| 8 | неисправен микроволновый датчик |
| 9 | неисправен датчик удара |
| 2 | сирена |
| 3 | питание датчиков |
| 4 | пейджер |
| 5 | замок багажника |
| 6 | блокировка зажигания |
| 7 | стеклоподъемники |
| 8 | подсветка салона |
| 9 | система электронной защиты выходов |
| 2 | нет сигнала ручного тормоза или PARK |
| 3 | не проведена подготовка для РКПП |
| 4 | двигатель не заведен |
| 5 | не определены обороты холостого хода |
| 6 | превышены допустимые обороты двигателя |
| 7 | не установлено время прогрева двигателя |
| 8 | была тревога или отключены датчики |
| 9 | перегрузка выходов на реле запуска двигателя |
