Free Japan Cars Factory Service Manuals
[ICO]NameSize
[PARENTDIR]Parent Directory -
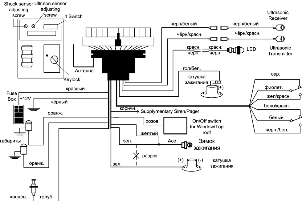
[IMG]rs-9300.gif 35K
[TXT]rs-9300.htm500
Thanks to donations there are no ads! All manuals are available on downloadable archives HERE. You will get the pass with 5 EUR donation. If you have new service manuals, send them my way to be shared with the fellow owners!   
Contact