INSPECTOR
BOOMERANG a-2002P
Руководство по установке
1. Перед установкой
1-1. Комплект поставки
- Главный модуль управления
- Модуль связи
- Пульт управления
- Соединительные провода
- Руководство пользователя
- Наклейки
- Дополнительные компоненты: сирена, шок-сенсор, внешнее реле,
датчик вызова с кнопкой Valet, однонаправленный
1-2. Прежде чем начать
- Система питается от источника постоянного напряжения 12В. Проверяйте полярность при каждом подсоединении проводов.
- Перед подсоединением проводов проверьте работу всех систем и устройств автомобиля, таких как стартер, лампы поворотных сигналов, лампа освещения салона, обогреватель, кондиционер, дверные замки, кнопка отпирания багажника и т.д.
- Все соединения проводов должны быть прочными и хорошо заизолированы качественной лентой. Никогда не скручивайте провода в местах соединения. Контакты необходимо пропаять.
- При подсоединении отрицательного "земляного" провода к шасси автомобиля, плотно прижмите его к очищенной металлической поверхности шасси, после чего прочно закрепите его, завернув крепко болтом (предпочтительно штатным).
- Прокладывать соединительные кабели сирены и дверных замков через корпус автомобиля нужно таким образом, чтобы трение о металл не повредило изоляцию провода.
- Старайтесь прокладывать проводку в труднодоступном, защищенном от грязи месте, как можно дальше от педалей сцепления, акселератора и тормоза.
- Для определения различных сигнальных проводов в машине используйте цифровой тестер (мультиметр). Для определения
провода ТАХОМЕТРА, используйте тестовую лампу.
- Не отключайте аккумулятор, если в машине есть закодированный радиоприемник.
- Если автомобиль оснащен подушкой безопасности, старайтесь по возможности не отключать аккумулятор.
- На время установки отсоедините лампу освещения салона, чтобы избежать разрядки аккумулятора.
1-3 Процедура установки
Для наиболее эффективной работы по установке рекомендуем подсоединения проводов производить в месте, наиболее удаленном от главного модуля управления.
Настоятельно рекомендуется придерживаться следующей процедуры установки:
- Подготовка системы (контактные переключатели, петли проводов)
- Монтаж сирены
- Установка автоматических дверных замков
- Подключение проводов
- Монтаж шок-сенсора
- Монтаж датчика вызова
- Установка модуля связи
- Прикрепление отрицательного "земляного" провода к шасси
- Подключение проводов к модулю связи
- Подсоединение силового кабеля к главному модулю управления
- Подсоединение шок-сенсора к главному модулю управления
- Подсоединение датчика вызова
- Подключение 6-проводного и 9-проводного кабелей к разъемам главного модуля управления
- Программирование кодов пульта управления
- Вход тахометра
- Настройка чувствительности датчика удара
2. 6-проводный силовой кабель
| Подключение к кабелю замка зажигания |
| ВАТ 1 |
КРАСНЫЙ |
Тестером определите провод, на котором всегда присутствует + 12В, независимо от положения ключа зажигания. Подключите к нему провода. |
| ВАТ 2 |
КРАСНО/ БЕЛЫЙ |
| START |
БЕЛЫЙ |
Подключить к проводу, на который + 12В присутствует только при включении стартера. |
| IG1 |
ЖЕЛТЫЙ |
Подключить к проводу, на котором присутствует +12В в положении ключа "зажигание" и "стартер" |
| IG2 |
СИНИЙ |
Провод питания для работы обогревателя, компрессора кондиционера и т.д. Подключить к проводу, на котором присутствует +12В в положении ключа "зажигание" и 2 - 3В при включении стартера. (Подключать через предохранитель, возможно штатный) |
| GND |
ЧЕРНЫЙ |
Прочно присоединить к кузову автомобиля. |
- Поместите 30А предохранитель, через который подключаются КРАСНЫЙ и КРАСНО/БЕЛЫЙ провод в легкодоступном для пользователя месте.
- Провод питания +12В для внешнего реле, сирены и других устройств должен быть подключен между разъёмом и предохранителем КРАСНОГО (ВАТ1) или КРАСНО/БЕЛОГО (ВАТ2) провода.
3. 6-проводный слаботочный кабель
3-1. 6/А (ОРАНЖЕВЫЙ провод) - отпирание багажника (+15А выход)
Для машин с автоматическим отпиранием багажника. Отпирание багажника происходит при подаче сигнала на соленоид.
- Найдите провод кнопки автоматического отпирания багажника, подсоедините его к ОРАНЖЕВОМУ проводу 6/А.
- Для автомобилей с тросовым приводом отпирания багажника, требуется дополнительная установка соленоида.
Как определить провод:
при нажатии кнопки автоматического отпирания багажника, тестер показывает значение +12В.
3-2. 6/В, 6/С (ЖЕЛТЫЕ провода) - поворотные огни (+25А выход)
Подсоедините провод левого сигнала поворота к ЖЕЛТОМУ 6/В проводу, провод правого сигнала поворота к ЖЕЛТОМУ 6/С проводу соответственно.
ВАЖНОЕ ПРИМЕЧАНИЕ. Никогда не подключайтесь к проводу аварийной сигнализации.
Как определить провод:
При повороте рычага сигнала поворота по очереди влево и вправо при положении ключа зажигания "включено", на экране тестера чередуются значения 0В и +12В.
3-3. 6/D (СИНИЙ провод) - отрицательный концевой выключателя дверей
В большинстве автомобилей на проводе концевого выключателя дверей присутствует (-) при открытой двери и (+) при закрытой двери.
Для автомобилей такого типа подсоедините СИНИЙ 6/D провод к проводу концевого выключателя дверей.
Как определить провод:
Тестер показывает +12В, когда двери закрыты и 0В, когда двери открыты.
3-4. 6/Е (КОРИЧНЕВЫЙ провод) - сирена (5А выход)
Система может быть подключена либо к клаксону автомобиля, либо к дополнительно установленной сирене.
- Для подключения к клаксону, подключите КОРИЧНЕВЫЙ 6/Е провод к проводу включения клаксона, расположенному внутри колонки рулевого управления.
- Для подключения к сирене. Предварительно установите сирену в подходящем месте в моторном отсеке. Подключите КРАСНЫЙ (+) провод сирены к аккумулятору (+12В), (-) провод сирены к КОРИЧНЕВОМУ 6/Е проводу Главного Модуля Управления.
ПРИМЕЧАНИЕ
- Для автомобилей, в которых на рулевом колесе смонтирован блок управления аудиоустройствами (автомагнитола и др.), рекомендуется подключать систему к сирене, а не к клаксону.
- Не устанавливайте сирену вблизи источников тепла, например, радиатор и др.
- Старайтесь проложить проводку сирены так, чтобы она зрительно не выделялась среди других проводов автомобиля, чтобы предупредить быстрое отключение сирены возможным злоумышленником.
3-5. 6/F (СЕРЫЙ провод) - датчик давления масла
Для остановки стартера после дистанционного запуска двигателя, конструкция системы предусматривает 2 возможных варианта: контроль оборотов по показаниям тахометра или подключение к датчику давления масла ( или к генератору).
Найдите провод, от датчика давления масла на приборной доске, или провод, подключенный к генератору в моторном отсеке, и подключите к нему СЕРЫЙ 6/F провод.
Как определить провод:
при повороте ключа в положение "зажигание", тестер покажет значение 2~ЗВ, а при заведенном двигателе значение +12В - +14В.
- При подключении к тахометру, СЕРЫЙ 6/F провод не используется.
Настройка времени работы стартера.
После установки системы необходимо настроить оптимальное значение времени работы стартера, чтобы предотвратить его повреждение при дистанционном или программируемом запуске двигателя.
Это значение можно отрегулировать, поворачивая отверткой настроечный винт, расположенный на задней стенке Главного модуля управления. Поворотом винта против часовой стрелки сокращается время работы стартера, по часовой стрелке - удлиняется.
4. 9-проводный слаботочный кабель.
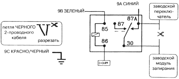
4-1. 9А (СИНИЙ), 9В (ЗЕЛЕНЫЙ) и 9С (КРАСНО/ЧЕРНЫЙ) - подключение центрального замка
Для успешной работы функции дистанционного или программируемого запуска двигателя, необходимо подключить провода управления центральным замком в соответствии с конкретной конфигурацией системы запирания дверей в данном автомобиле.
(А) Для автомобилей с отрицательным управлением центральным замком.
Если система запирания дверей имеет (-) сигнал на выходе, и установлено штатное реле запирания дверей:
- Соедините ЗЕЛЕНЫЙ провод 9/В с сигнальным проводом запирания, а СИНИЙ провод 9/А с сигнальным проводом отпирания замков.
- Присоедините КРАСНО/ЧЕРНЫЙ провод 9/С к корпусу автомобиля.
- Разрежьте петлю ЧЕРНОГО 2-проводного кабеля.
(В) Для автомобилей с положительным управлением центральным замком
Если система запирания дверей имеет (+) на выходе, и установлено штатное реле запирания дверей:
- Соедините ЗЕЛЕНЫЙ провод 9/В с сигнальным проводом запирания, СИНИЙ провод 9/А с сигнальным проводом отпирания замков.
- Подключите КРАСНО/ЧЕРНЫЙ провод 9/С к +12В.
- Разрежьте петлю ЧЕРНОГО 2-проводного кабеля.
(С) Для автомобилей, в которых требуется дополнительная установка приводов дверных замков
В большинстве типов автомобилей, не оснащенных центральной системой запирания дверей, требуется дополнительно установить приводы дверных замков (актуаторы).
- Установите актуаторы под внутренней обшивкой двери.
- Подсоедините СИНИЙ провод 9/А к проводу отпирания, а ЗЕЛЕНЫЙ провод 9/В к проводу запирания, актуатора.
- Подключите КРАСНО/ЧЕРНЫЙ провод 9/С к +12В.
- Не разрезайте (оставьте нетронутой) петлю ЧЕРНОГО 2-проводного кабеля.
(D) Для автомобилей с однопроводной системой
- Присоедините ЗЕЛЕНЫЙ 9/В и СИНИЙ 9/А провода к оригинальной цепи управления центральным замком автомобиля используя внешнее реле по нижеприведенной схеме.
- Присоедините КРАСНО/ЧЕРНЫЙ провод 9/С к корпусу автомобиля.
- Разрежьте петлю ЧЕРНОГО 2-проводного кабеля.
(Е) Для автомобилей с переменной полярностью импульсов управления центральным замком
(F) Для автомобилей с системой запирания дверей типа Mercedes Benz (с вакуумным насосом)
- Переведите контактный переключатель №1 в нижнее положение (
ON).
- Присоедините КРАСНО/ЧЕРНЫЙ провод 9/С к корпусу автомобиля.
- Разрежьте петлю ЧЕРНОГО 2-проводного кабеля.
4-2. 9D (БЕЛЫЙ) - для автомобилей, стартер которых включается только при нажатой педали сцепления или тормоза.
В таких автомобилях, как Audi, и т.п., где стартер включается только при нажатой на определенное время педали сцепления или тормоза, для подключения функции дистанционного или программируемого запуска двигателя, подсоедините провод, как показано на схеме, используя дополнительное выносное реле.
4-3. 9Е (КОРИЧНЕВЫЙ) - сигнальный провод "ключ в замке зажигания"
Определите провод, подающий сигнал о присутствии ключа в замке зажигания, соедините его с КОРИЧНЕВЫМ 9/Е проводом.
Если в автомобиле нет провода, на котором появляется сигнал "ключ в замке зажигания", подключите КОРИЧНЕВЫЙ провод к проводу зажигания.
Как определить провод "ключ в замке":
при вставленном ключе в замок зажигания в положение "выключено", тестер показывает значение + 12В.
4-4. 9/F (ФИОЛЕТОВЫЙ) - положительный концевой выключатель дверей.
Для некоторых типов автомобилей, таких как Форд, на концевых выключателях дверей присутствует (+)-сигнал, когда дверь открыта, и (-)-сигнал при закрытой двери.
Для этих автомобилей подсоедините ФИОЛЕТОВЫЙ 9/F провод к концевому выключателю дверей.
Как определить провод:
Когда все двери закрыты, тестер показывает значение 0В, и +12В, когда двери открыты.
4.5. 9G (СЕРЫЙ) - подключение к реле подсветки салона ( (-) выход)
Для включения функции "подсветка салона" на 8 секунд при снятии машины с охраны, а также при включении сигнала тревоги, провод подключается к концевому выключателю дверей, в соответствии с одной из схем, выбираемой в зависимости от полярности концевого выключателя.
Необходимо внешнее реле.
4-6. 9Н (ОРАНЖЕВЫЙ) - подключение блокировки стартера ( (-) выход)
Для организации блокировки стартера требуется дополнительное внешнее реле.(См. схему).
Старайтесь, чтобы и проводка, и реле зрительно не выделялись среди штатной проводки автомобиля, чтобы возможный угонщик не мог их быстро распознать и отключить.
4-7. 9 I (СЕРЫЙ/ЧЕРНЫЙ) - соединение с датчиком тахометра
Если СЕРЫЙ 6/F провод соединен с проводом датчика давления масла, провод тахометра (СЕРЫЙ/ЧЕРНЫЙ) не используется.
Определите провод тахометра, который подключен к катушке зажигания или трамблеру в моторном отсеке и к счетчику оборотов двигателя.
Для проверки сигнала тахометра, используйте тестовую лампу вместо тестера.
Как определить провод:
найдите провод, который
- показывает на тестовой лампе +12В при выключенном зажигании,
- 0В при включенном зажигании,
- при работающем двигателе тестовая лампа будет мигать.
Метод записи тахометрического сигнала в память системы.
Частота тахометрических импульсов на холостом ходу для разных автомобилей может быть различной, поэтому ее конкретное значение должно быть записано в память системы.
- Откройте дверь со стороны водителя. (Горит лампа подсветки салона).
- Включите зажигание.
- Нажмите и удерживайте примерно 5 секунд кнопку valet на модуле связи, (светодиод загорится, последует один "чирп")
- Заведите двигатель.
- Нажмите кнопку Е 3 раза, (один "чирп").
- Процедура запоминания оборотов будет завершена примерно 2 секунды спустя, что подтверждается 2 "чирпами".
- Не вынимайте ключ из замка зажигания до завершения программирования оборотов.
5. Установка компонентов системы
5-1. Шок-сенсор
Одним из наиболее важных факторов для оптимальной работы шок-сенсора является его правильное расположение в автомобиле. Шок-сенсор должен быть прочно закреплен на кузове автомобиля. Для наиболее корректного срабатывания рекомендуется закреплять его на центральном туннеле, внизу, рядом с креслом водителя. Или же Вы можете установить его в багажнике.
После установки, проверьте чувствительность шок-сенсора, постукивая по кузову с разных сторон. Отрегулировать чувствительность можно, поворотом настроечного винта. При повороте винта по часовой стрелке, чувствительность возрастает, против часовой стрелки - понижается. (Чувствительность предупредительного и основного уровней срабатывания шок-сенсора отличается примерно на 30%).
5-2. Датчик вызова
- Снимите слой защитной бумаги с двусторонней липкой ленты и приклейте ее стороной без надписи к задней стенке датчика.
- Тщательно протрите лобовое стекло в месте крепления датчика (слева внизу). Приклейте датчик на стекло надписью "Тар here paging driver" наружу.
Для более прочного приклеивания датчика, рекомендуется предварительно слегка нагреть поверхность.
- Спрячьте провод, осторожно проталкивая его в щель под уплотнителем лобового стекла.
- Отрегулируйте оптимальный уровень чувствительности датчика. Поворот настроечного винта, по часовой стрелке, повышает чувствительность, против часовой стрелки - понижает.
5-3. Установка модуля связи. Настройка зоны действия функции "автоматического отпирания дверей при приближении водителя".
- Разъедините, входящую в комплект, ленту "велкро". Одну половину приклейте к солнцезащитному козырьку, другую на выделенный квадрат на обратной стороне модуля связи.
- Вставьте зажим в канавки на модуле связи.
- С помощью зажима прикрепите устройство к защитному козырьку.
- Вставьте приложенную антенну в гнездо на правой стенке модуля.
- После монтажа, отрегулируйте оптимальный радиус действия функции "автоматического отпирания дверей при приближении водителя" - до значения не более 1 м вокруг машины, поворачивая настроечный винт на левой стенке модуля.
- Спрячьте провод, осторожно проталкивая его в щель под уплотнителем лобового стекла.
6. Настройка системы
6-1. Установка для машин с автоматической/стандартной коробкой передач (петля коричневого провода).
Для машин со стандартной коробкой передач петлю коричневого провода оставьте неразрезанной.
ЭТО ОЧЕНЬ ВАЖНО ДЛЯ ОБЕСПЕЧЕНИЯ БЕЗОПАСНОСТИ АВТОМОБИЛЯ СО СТАНДАРТНОЙ КОРОБКОЙ ПЕРЕДАЧ. Для машин с автоматической коробкой передач петля коричневого провода должна быть разрезана.
6-2. Установка контактных переключателей
Установите контактные переключатели, расположенные на задней стенке главного модуля управления как указано в таблице, в соответствии с конкретным типом автомобиля.
| № |
Положение переключателя вверх ( ) |
Положение переключателя вниз ( ON) |
| 1 |
Для большинства стандартных автомобилей |
Машины типа Mercedes Benz, в которых на 3,5 сек подается сигнал на вакуумный насос, управляющий автоматическим запиранием дверей |
| 2 |
Для большинства стандартных автомобилей |
Для машин, у которых при остановке двигателя автоматически отпираются двери |
| 3 |
Для большинства стандартных автомобилей |
Для автомобилей, которые заводятся только при нажатой педали сцепления или тормоза. |
| 4 |
Для большинства |
Для машин, использующих одновременно IG1 и IG2 для подачи питания на стартер. |
Для автомобилей с дизельным двигателем переключатели 1 и 3 должны быть установлены в нижнее положение, при этом установки переключателей 1 и 3 соответствуют левой колонке таблице.
6-3. Запись кодов пульта управления в память системы.
Перед использованием пульта управления, Вам нужно произвести запись новых кодов, так как система поставляется в незапрограммированном состоянии. Эта процедура необходима и в случае потери пульта дистанционного управления и приобретения нового, а, так же, после инициализации системы.
Система способна запомнить коды 4 разных пультов управления. Процедура программирования следующая:
- Откройте дверь со стороны водителя. Убедитесь, что горит лампа освещения салона.
- Включите зажигание.
- Нажмите кнопку valet 4 раза без паузы.
- После этого по числу издаваемых "чирпов", можно определить, количество запрограммированных пультов. Если один, раздается один длинный и один короткий сигнал. Если два ( один длинный, два коротких, если три - один длинный, три коротких сигнала.
- В течение 10 секунд после 4-кратного нажатия кнопки valet, нажмите кнопку А на пульте управления. Последует один "чирп", код запомнен системой.
- Если Вы хотите записать в память системы одновременно 4 пульта управления, в течение 10 секунд после 4-кратного нажатия кнопки valet, нажмите кнопку А по очереди на каждом пульте.
- Если Вы не успели нажать кнопку А за 10 секунд на всех пультах, Вам придется инициализировать систему и повторить вышеописанную процедуру запоминания кодов снова.
- После запоминания кодов однократно проведите операцию постановки на охрану и снятия с охраны, нажимая кнопку А на пульте управления.
Если для работы с системой используются 2 пульта управления, система запомнит установку только первого пульта. Поэтому, перед использованием второго пульта нажмите на нем кнопку Т, чтобы считать и запомнить все установленные с первого пульта значения.
6-4. Инициализация системы
При инициализации системы все установленные значения стираются, система возвращается к заводским установкам, все запрограммированные коды пультов управления, также будут стерты из памяти системы.
- Откройте дверь со стороны водителя, убедитесь, что горит лампа освещения салона.
- Включите зажигание.
- В течение 20 секунд после этого 10 раз нажмите кнопку valet. Начиная с 4 раза будут подаваться подтверждающие "чирпы" -продолжайте нажимать до 10 раз.
- После 10-кратного нажатия кнопки Вы услышите 4 "чирпа", подтверждающих, что инициализация системы завершена.
- Нажмите кнопку А нового пульта управления, его код будет записан в память системы. Последует один "чирп", система переходит в Valet-режим.
- Отключите Valet-режим.
6-5. Отключение системы от источника питания
При внезапном сбое системы, или, если сигнал тревоги подается без видимых причин, отключите предохранитель системы от батареи питания автомобиля в соответствии со следующей процедурой:
- Откройте дверь ключом или другим способом.
- Найдите центральный блок управления.
- Определите местоположение провода питания системы (6-контактный разъем).
- Найдите КРАСНЫЙ и КРАСНО/БЕЛЫЙ провода, на которых установлен держатель предохранителя.
- Удалите предохранитель из держателя.
7. Возможные сбои системы и способы их устранения
7-1. Не работает дистанционное отпирание дверей
- Проверьте правильность подсоединения провода питания (+12В) и контакты (-) концевых выключателей дверей.
- Возможно, сигнал "ключ" передается при ключе, вынутом из замка зажигания. Если так, проверьте правильность подсоединения проводов.
- Убедитесь в том, что главный модуль управления правильно передает сигнал при получении команд дистанционного отпирания/запирания дверей с пульта управления.
7-2. Не работает дистанционный запуск двигателя
- Для машин с традиционной коробкой передач, перережьте петлю коричневого провода для эмуляции машины с автоматической коробкой передач.
- Отсоедините разъем 9-проводного слаботочного кабеля от главного модуля управления.
- Отсоедините провод концевых выключателей дверей (6/D или 9/F) от главного модуля управления.
- Убедитесь в том, что сигнал тахометра (или датчика масла) (провода 9/I или 6/F) передается, только если запущен двигатель.
- Поставьте машину на охрану и включите функцию дистанционного запуска двигателя. Убедитесь в том, что на проводе IG1 тестер показывает +12В.
- Убедитесь в том, что при включенном стартере на выходе IG1 тестер показывает + 12В. Некорректное действие функции дистанционного запуска двигателя означает неисправность либо одного из проводов: IG1, IG2, стартера, генератора (тахометра), либо концевого выключателя дверей.
7-3. Стартер работает слишком долго или продолжает работать даже при запущенном двигателе автомобиля
- В автомобилях, где сигнал генератора подается с некоторой задержкой, необходимо подключать провод к датчику давления масла.
- Период времени работы стартера можно отрегулировать с помощью настроечного винта, расположенного на задней стенке главного модуля управления. Поворачивая отверткой винт против часовой стрелки, Вы сокращаете время работы стартера, по часовой стрелке - увеличиваете.
7-4. Сигнал тревоги раздается во время движения
- Это может быть вызвано некорректной передачей сигнала "ключ в замке зажигания". Проверьте подключение проводки к сигнальному проводу "ключ".
- Если причина неисправности в неправильном подсоединении кабеля питания +12В, особенно при плохом контакте заземления на кузове, работа системы не будет стабильной, даже после переустановки всех функций системы, поэтому необходимо подсоединить кабель должным образом.
7-5. Код не запоминается системой
- Извлеките батарейки из пульта управления и вставьте их снова. Если пульт при этом не издаст 3 тональных сигнала, повторите процедуру 3 секунды спустя.
- Проверьте подключение сигнального провода ключа зажигания.
- Проверьте подключение к концевому выключателю дверей.
- Проведите инициализацию системы, затем запись кодов пульта управления.
Схема подключений
21.10.2003