


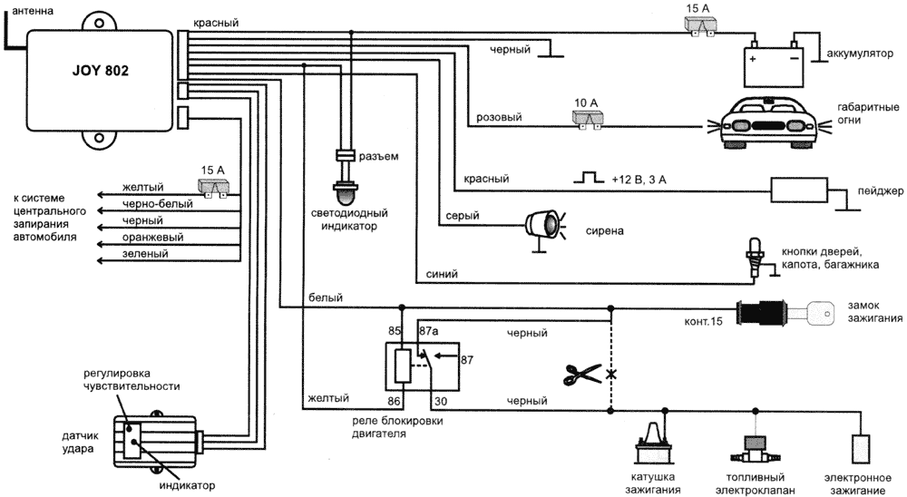
Подключение производите в соответствии с приведенной схемой:
красный провод - провод питания, подключить к цепи с неотключаемым напряжением +12 В или непосредственно к положительной клемме аккумулятора.
черный провод - минус питания, соедините с корпусом, обеспечив хороший контакт.
желтый провод - выход к реле блокировки двигателя. Подключите к желтому проводу разъема реле.
розовый провод - подключите к цепям левых и правых указателей поворота или габаритных огней.
красный провод (тонкий) - выход для подключения пейджера. В режиме тревоги на этом выходе появляется напряжение +12 В. Ток нагрузки не более ЗА. При подключении пейджера рекомендуется использовать дополнительное реле.
серый провод - выход для подключения к сирене. Подключите к положительному проводу сирены. Черный провод сирены соедините с корпусом.
синий провод - подключите к кнопочным выключателям дверей, капота и багажника, дающим замыкание на корпус при открывании.
белый провод - подключите к контакту 15 замка зажигания. При включенном зажигании в ЭТОЙ цепи должно быть напряжение +12 В.
черные провода реле блокировки - разорвите одну из штатных цепей работы двигателя. Например, между замком зажигания и катушкой, электронным зажиганием, бензонасосом, электроклапаном насоса высокого давления (для дизеля) в зависимости от модели автомобиля. В разрыв цепи подключите черные провода реле блокировки в соответствии со схемой.
Программирование производится пайкой перемычек на плате центрального блока. Фрагмент платы показан на рисунке.

Соответствие состояний входов выбранным функциям приведено в таблице.
| Программируемая функция | Входы | Перемычка | |||
|---|---|---|---|---|---|
| 1 | 2 | 3 | 4 | ||
| Длительность сигнала управления системой центрального запирания | 4 сек | замкнут на корпус | замкнут на +5В | ||
| 0, 7 сек | замкнут на +5В | ||||
| Перевкпючение (самовозврат в режим охраны) | отключено | замкнут на корпус | |||
| включено | замкнут на +5В | ||||
| Автоматическое управление системой центрального запирания | отключено | разомкнута | |||
| от замка зажигания | замкнута | ||||
Внимание: