5-контактный/5-проводный разъем
8-контактный/6-проводный разъем
Устройства системы с разъемами
Дополнительные разъемы
Программируемые функции

| Красный СИД Подтверждает работу передатчика при нажатии кнопок. | Маленькая кнопка При нажатии этой кнопки и последующем нажатии Большой кнопки в течение 3 секунд постановка и снятие с режима охраны будет осуществляться без сигналов подтверждения сирены. Если эта кнопка будет нажата в течение 3 секунд после постановки системы в режим охраны, датчик системы будет отключен. При нажатии этой кнопки в течении 3 секунд после снятия системы с охраны, включится дистанционный режим Valet. При нажатии и удерживании этой кнопки в течение 3 секунд включается выход 3-го канала |
|
| Большая кнопка Нажатием этой кнопки система ставится и снимается с режима охраны. Если установлены дополнительные замки дверей, двери будут запираться при постановке в режим охраны и отпираться при снятии системы с режима охраны. Если установлена функция отпирания дверей в два этапа, то при снятии системы с режима охраны будет отпираться только дверь водителя. Для отпирания остальных дверей необходимо нажать большую кнопку еще раз в течении 5 сек. При удерживании этой кнопки в нажатом положении более 3 секунд включается режим “Паника”. |
![]() |
|
| Одновременное нажатие обеих кнопок на 3 секунды управляет дистанционным открыванием дополнительного замка багажника. При этом система также будет автоматически сниматься с режима охраны. | ||
Примечание: В передатчике используется батарейка на 12 В, которую можно приобрести у Вашего дилера или в магазине
Масса
ЧЕРНЫЙ провод служит для подсоединения к массе основного блока управления охранной системы.
Примечание: этот провод рекомендуется подсоединять ДО ТОГО, как будут подсоединены все остальные провода системы, в противном случае может быть поврежден основной блок управления системы.
ПОДСОЕДИНЕНИЕ: При помощи припаянной или хорошо обжатой кольцевой клеммы подсоедините ЧЕРНЫЙ провод к кузову автомобиля, используя имеющиеся болты на кузове автомобиля.

Место крепления Черного провода должно быть тщательно очищено от краски, масел и грязи до чистого металла. Система должна иметь свою отдельную точку заземления. Никогда не подсоединяйте ЧЕРНЫЙ провод системы к другим имеющимся проводам массы и к листовым металлическим поверхностям, кроме крайней необходимости.
Тем не менее, в некоторых случаях единственной возможностью заземления является крепление провода на листовых металлических поверхностях. Для надежного подсоединения провода найдите скрытое место сварного соединения двух листов металла в нахлест. Убедившись в наличии пространства под листами, просверлите отверстие необходимого диаметра. Для того, чтобы сверло не проскочило слишком глубоко его можно обернуть изоляционной лентой. Тщательно зачистите поверхность до чистого металла вокруг отверстия для обеспечения надежного контакта клеммы с поверхностью. Используйте для этого металлическую щетку или наждачную бумагу.
Внимание! Используйте защитные очки, потому что когда сверло проходит сквозь 2 слоя металла образуется стружка! Для затягивания винта рекомендуется использовать электрическую отвертку.
Примечание: При плохом заземлении система может найти частичный выход на массу через провода, подсоединенные к другим цепям, вызывая сбои в работе системы. Например, при постановке системы на охрану сирена будет звучать тихо.
Примечание: Когда питание подается на систему в первый раз, она срабатывает.
Питание системы
КРАСНЫЙ провод имеет следующие основные функции:
Примечание: Если до отключения аккумулятора система была переведена в режим Valet, то срабатывания системы не произойдет. Это дает возможность механикам спокойно обслуживать автомобиль, отключая аккумулятор.
ПОДСОЕДИНЕНИЕ: Рекомендуется подсоединять этот провод к “+” аккумулятора.
При использовании функции определения падения напряжения подсоедините КРАСНЫЙ провод к проводу на замке зажигания, постоянно имеющему напряжение +12В.
Внимание! Избегайте цепи воздушной подушки безопасности. Поскольку во время работы установщик находится не в нормальном сидячем положении, при срабатывании системы безопасности и раскрывании воздушной подушки он может получить серьезные травмы. Пользуйтесь вольт-ом-метром вместо переносной лампы, что также сокращает риск случайного срабатывания подушки безопасности. На этом проводе все время и при любом положении замка зажигания будет присутствовать +12В. Другим местом, где постоянно присутствует напряжение +12 В, может быть провод под блоком предохранителей. Никогда не вставляйте провод за предохранитель.
Внимание! На проводе замка зажигания с постоянным напряжением +12 В может не быть предохранителя! Будьте очень осторожны при работе с этим проводом, оберегайте его от коротких замыканий!
Если Вы собираетесь отсоединить аккумулятор, прежде всего внимательно изучите Руководство по эксплуатации автомобиля, нет ли в нем предупреждений или особых процедур, связанных с отсоединением аккумулятора. Сложность двигателей современных автомобилей, бортовые компьютеры и воздушные подушки безопасности могут влиять на то, как необходимо отсоединять аккумулятор и на какой срок, а также как его подсоединять и порядок действий после его подсоединения (если, например, в автомобиле имеется бортовой компьютер). Кроме того, внимательно просмотрите Руководство по эксплуатации автомобиля и проверьте нет ли в нем списка имеющихся в автомобиле предохранителей. Если на проводе с постоянным напряжением +12 В, идущем от замка зажигания, имеется предохранитель, он будет указан в этом списке.
Во многих автомобилях доступ к проводам замка зажигания открывается при снятии нижней части панели приборов или защитного кожуха рулевой колонки. На некоторых автомобилях, преимущественно производства компаний Дженерал Моторс и Форд/Линкольн/Меркюри, электрическая часть замка зажигания находится в нижней части рулевой колонки и соединена штоком с механической частью (куда вставляется ключ).

На таких автомобилях, как Крайслер, Додж, Плимут и др. электрическая и механическая часть соединены вместе и находятся в верхней части рулевой колонки, поэтому на этих автомобилях необходимо снимать защитный кожух рулевой колонки. Пайка данного соединения должна осуществляться быстро с использованием теплоотвода, чтобы не нагревался провод и чтобы не повредить замок зажигания.
К +12 В на замке зажигания
ЖЕЛТЫЙ провод имеет следующие основные функции:
При ключе зажигания в положении “выкл.” (на Желтом проводе 0 В):
При ключе зажигания в положении “Вкл.” (На Желтом проводе имеется напряжение +12 В)
ПОДСОЕДИНЕНИЕ: Рекомендуется подсоединять этот провод также, как и провода питания и блокировки стартера, как можно ближе к замку зажигания.
Среди проводов замка зажигания найдите “первичную цепь” зажигания. На этом проводе напряжение отсутствует, когда ключ зажигания находится в положениях “Lock”, “Off” и “Accessory” (“Блокировка”, “Выкл.” и “Стоянка”) и имеется +12 В, когда ключ находится в положениях “Run” и “Start” (“Вкл.” и “Запуск”). После того, как Вы найдете этот провод, подсоедините к нему ЖЕЛТЫЙ провод.
Примечание: Если ЖЕЛТЫЙ провод не подсоединен к первичной цепи зажигания. это может создать проблемы в работе функций автоматической постановки системы в режим охраны, запирания дверей при включении зажигания и отпирания дверей при его выключении.
Отрицательный выход для блокировки стартера
ОРАНЖЕВЫЙ провод системы подсоединяется к Оранжевому проводу колодки для дополнительного реле блокировки стартера. ОРАНЖЕВЫЙ провод системы обеспечивает постоянный отрицательный выход 500 мA, когда система поставлена на охрану. Этот отрицательный выход питает одну сторону катушки реле. На другую сторону катушки реле подается положительное напряжение от замка зажигания, но только, когда ключ зажигания повернут в положение “Stаrt” (Запуск). Если это происходит, на катушку поступает питание, реле срабатывает и размыкает цепь стартера. Блокировка стартера не позволяет завести двигатель только, если система стоит на охране (или находится в состоянии тревоги, т.е. сработала) и начинает потреблять энергию аккумулятора только в момент попытки запуска.
ПОДСОЕДИНЕНИЕ: Для того, чтобы блокировать цепь стартера автомобиля необходимо найти провод стартера и разрезать его. Рекомендуется делать это, как можно ближе к замку зажигания. Пользуйтесь вольтметром для поиска правильного провода, а не переносной лампой. Этот провод идет от замка зажигания к соленоиду стартера.
Внимание! Избегайте цепи воздушной подушки безопасности! Использование переносной лампы для тестирования цепей может вызвать раскрывание подушки и привести к травме! Переносная лампа может также вывести из строя дорогой бортовой компьютер и соответствующие датчики.

На проводе стартера будет +12 В только при включении ключа зажигания в положение “Stаrt” (“Запуск”). Разрежьте этот провод в удобном месте. Проверьте правильность провода попыткой завести двигатель. Стартер не должен включаться. Теперь, когда провод разрезан, имеется два конца: один конец провода идет со стороны замка зажигания, а второй - со стороны соленоида стартера. Подсоедините КРАСНЫЙ провод колодки для реле блокировки стартера к концу провода со стороны замка зажигания, а ее БЕЛЫЙ провод к концу со стороны соленоида. Убедитесь в надежности соединений - по этим проводам идет сильный ток. Подсоедините ОРАНЖЕВЫЙ провод системы к Оранжевому проводу колодки реле блокировки стартера.
Примечание: При непосредственном замыкании ОРАНЖЕВОГО провода на +12 В или токе более 500 мА, система будет повреждена.
Выход для управления замком багажника
СЕРЫЙ провод замыкается на массу на 1 секунду (максимальный допустимый ток 250 мА) при одновременном нажатии Большой и Маленькой кнопок передатчика в течение 2 секунд или будет оставаться замкнутым на массу все время, пока Вы будете удерживать обе кнопки передатчика в нажатом положении (но не более 15 секунд). Обычно он используется для дистанционного открывания замка багажника.
При открывании багажника система также будет автоматически сниматься с режима охраны - вы услышите 2 сигнала сирены, габаритные огни включатся на 30 секунд и произойдет отпирание дверей автомобиля.
Примечание: Функция дистанционного открывания багажника будет работать всегда при выключенном зажигании. Если же зажигание включено, данная функция будет работать ТОЛЬКО если также открыта одна из дверей автомобиля. Это предотвращает открывание багажника или задней двери во время движения.

Примечание: Вы можете также запрограммировать систему таким образом, чтобы открывание багажника не снимало систему с охраны (см. раздел “Программируемые Функции”)
ПОДСОЕДИНЕНИЕ: Если цепь управления открыванием замка багажника, установленная в автомобиле, имеет отрицательную полярность и ток в цепи управления замком багажника не превышает 250 мА, то СЕРЫЙ провод можно подсоединить непосредственно к проводу, идущему к электрическому замку багажника от кнопки. Если же ток управления замком больше 250 мА или если замок багажника отпирается импульсом +12В, то необходимо установка дополнительного реле. Подсоедините СЕРЫЙ провод к контакту 86 дополнительного реле, а на контакт 85 реле подайте постоянное напряжение +12В. Подсоедините контакты 87, 87А и 30 реле так, как показано на схеме либо в соответствии с полярностью управляющего сигнала.
Провод антенны
Примечание: ЧЕРНЫЙ ТОНКИЙ провод, выходящий из основного блока управления системы является проводом антенны. Никуда не подсоединяйте этот провод, иначе значительно сократится дальность действия передатчиков или система вообще не будет принимать их сигналы.
Провод антенны можно удлинить для увеличения дальности действия передатчика при помощи дополнительного провода. Для обеспечения максимальной дальности работы передатчиков проложите этот провод как можно выше и дальше от металлических частей.

Положительный выход на сирену
КОРИЧНЕВЫЙ провод является выходом +12 В, 1А для управления сиреной. Это фиксированный выход при срабатывании системы и импульсный при подаче сиреной сигналов подтверждения.
Внимание! Замыкание КОРИЧНЕВОГО провода на массу без нагрузки приведет к повреждению основного блока системы.
ПОДСОЕДИНЕНИЕ: КОРИЧНЕВЫЙ провод подсоединяется непосредственно к КРАСНОМУ проводу сирены, а ЧЕРНЫЙ провод сирены подсоединяется на массу. При подсоединении к КОРИЧНЕВОМУ проводу более одной сирены или дополнительных устройств, необходимо использовать дополнительные реле.
Прочно закрепите сирену в моторном отсеке как можно дальше от нагревающихся частей. Это место должно быть недоступно для водяных брызг и злоумышленника, а также обеспечивать хорошее звучание сирены. В моторных отсеках современных автомобилей место ограничено, поэтому сирену можно установить, например, за декоративной решеткой радиатора. Сирена всегда должна быть направлена вниз Во избежание накопления в ней влаги. Используйте резиновые втулки при прокладке проводов сирены через переборку моторного отсека.

1) Для увеличения громкости сигналов подтверждения разрежьте черную петлю на сирене.
2) Для полного отключения сигналов подтверждения отключите резистор R10 на печатной плате сирены.
3) Для временного отключения сигналов подтверждения нажмите маленькую кнопку передатчика ДО того, как нажать кнопку снятия и постановки системы на охрану. Сигналы подтверждения будут выключены на одну операцию постановки/снятия с охраны.
4) Программирование тональности сирены:
Откройте печатную плату сирены, отвернув два винта в раструбе сирены и вынув втулку в том месте, где входят провода. Выньте магнит с печатной платой. Помните, что, если Вы перережьте одинарную петлю провода на верхней плате прямо под основной цепью, то сирена будет иметь один тон - первый, который Вы слышали.
Положительный выход для управления габаритными огнями
БЕЛЫЙ провод является положительным выходом +12 В, 7 А, который обеспечивает мигание габаритных огней при подаче сигналов подтверждения и при срабатывании системы. Кроме того, габаритные огни включаются на 30 (или 60) секунд при снятии системы с режима охраны и освещают путь к автомобилю, что увеличивает Вашу безопасность ночью.

ПОДСОЕДИНЕНИЕ: Подсоедините БЕЛЫЙ провод непосредственно к проводу с напряжением +12 В цепи габаритных огней. Этот провод обычно можно найти на выключателе фар, на блоке предохранителей или на жгуте проводки, идущей к задним габаритным огням, под декоративной накладкой слева от педалей. На этом проводе будет +12 В когда переключатель будет находиться в положении “Parking light” (Габаритные огни) и “Head light” (Фары). Когда Вы найдете этот провод, убедитесь, что на этом проводе нет реостата. Для проверки покрутите ручку реостата управления яркостью подсветки приборов на панели управления. На нужном Вам проводе напряжение должно оставаться постоянным (+12В).
Внимание! Не пытайтесь подсоединять БЕЛЫЙ провод к проводу с реостатом! Произойдет обратная связь через реостат или блок управления освещением и это может вызвать неисправность в автомобиле или в основном блоке управления системы. Кроме того, прямое замыкание на массу БЕЛОГО провода без предохранителя на 10 А может повредить систему.
Большинство автомобилей европейского производства имеют раздельные цепи правых и левых габаритных огней. Если правые и левые габаритные огни находятся в разных цепях, то для подсоединения БЕЛОГО провода к обеим цепям необходимо использовать два диода (от 6 до 10 А) или два реле. На указанной ниже схеме показано подсоединение при помощи диодов.

Примечание: Не рекомендуется подсоединять фары вместо габаритных огней. Галогенные лампы в автомобилях современного производства не предназначены для быстрого включения и выключения. При их подсоединении срок службы ламп значительно сокращается. Если все же требуется подсоединение фар для мигания, необходимо использовать дополнительное реле, поскольку ток фар превышает 7 ампер, допускаемый встроенными реле. Если требуется подсоединить и фары и габаритные огни, используйте два реле. Одно реле будет подавать питание на фары, а другое на габаритные огни. При любом подсоединении, где требуется ток выше 7 А., необходимо использовать дополнительное реле
Отрицательный триггер двери
ЗЕЛЕНЫЙ провод - это отрицательный триггер двери для автомобилей с концевыми выключателями дверей, имеющими отрицательную полярность.
Функции ЗЕЛЕНОГО провода:
Примечание: Функция повторной постановки системы в режим охраны через 90 секунд и функция автоматической постановки системы в режим охраны после закрытия последней двери взаимосвязаны. Включение функции автоматической постановки в режим охраны автоматически также включает функцию повторной постановки в режим охраны через 90 секунд.
ПОДСОЕДИНЕНИЕ: Подсоедините ЗЕЛЕНЫЙ провод к общему проводу концевых выключателей дверей автомобиля. На “правильном” проводе для этой системы концевых выключателей при закрытых дверях будет напряжение +12 В, а при открывании любой из дверей напряжение будет равно 0В.
Примечание: Часто концевой выключатель двери водителя имеет дополнительный провод, который идет к одной из цепей замка зажигания, которая сигнализирует об открытой двери. Эта цепь вызовет срабатывание системы, но только от двери водителя. Это неправильный провод для подсоединения системы.

Примечание: Если в автомобиле имеется задержка выключения внутрисалонного освещения, помните об этом при поиске нужного провода.
Примечание: Если в автомобиле имеется задержка выключения внутрисалонного освещения, Вы тем не менее сможете поставить систему в режим охраны с передатчика в “обход” цепи ЗЕЛЕНОГО провода. В этом случае система возьмет цепь ЗЕЛЕНОГО провода под охрану после выключения внутрисалонного освещения. В режиме автоматической постановки в режим охраны, система встанет в режим охраны через 30 секунд после того, как выключится внутрисалонное освещение автомобиля.
Если концевой выключатель установлен на металлической части кузова и освещение салона гаснет, если его снять, - это знчит, что его полярность отрицательная. Если включатель установлен на пластиковой прокладке кузова, то к нему должен подходить провод, на котором постояннот присутствует масса. Обычно концевые выключатели устанавливаются на передней боковине дверного проема, но иногда могут использоваться и другие типы выключателей. Некоторые автомобили имеют ползунковые выключатели, на некоторых штоки ползунковых выключателей устанавливаются на задней боковине дверного проема. Кроме того, на некоторых автомобилях концевые выключатели подсоединены либо к внешней ручке двери либо к запирающему механизму. К такому типу относятся автомобили, в которых внутрисалонное освещение включается при открывании ручки двери.
Будьте внимательны с автомобилями, где на каждой двери стоит изолирующий диод. Обычно это встречается на тех автомобилях, где на панели приборов стоят индикаторы закрывания дверей. Проводом для подсоединения в таких системах должен служить общий провод, который идет отдельно к плафону внутрисалонного освещения.
Положительный триггер двери
ФИОЛЕТОВЫЙ провод - это положительный триггер двери для автомобилей с концевыми выключателями дверей, имеющими положительную полярность.
Функции ФИОЛЕТОВОГО провода: идентичны функциям ЗЕЛЕНОГО провода за одним исключением: ФИОЛЕТОВЫЙ провод замыкается на +12В, а не на массу.
Типичная система внутрисалонного освещения с положительной полярностью.

Примечание: Часто концевой выключатель двери водителя имеет дополнительный провод, который идет к одной из цепей замка зажигания, которая сигнализирует об открытой двери. Эта цепь вызовет срабатывание системы, но только от двери водителя. Это неправильный провод триггера.
ПОДСОЕДИНЕНИЕ: Подсоедините ФИОЛЕТОВЫЙ провод к общему проводу концевых выключателей дверей автомобиля. На “правильном” проводе для этой системы концевых выключателей при закрытых дверях будет напряжение 0 В, а при открывании любой из дверей напряжение будет равно +12 В.
Примечание: Если в автомобиле имеется задержка выключения внутрисалонного освещения, помните об этом при поиске нужного провода.
Примечание: Если в автомобиле имеется задержка выключения внутрисалонного освещения, Вы тем не менее сможете поставить систему в режим охраны с передатчика в “обход” цепи ФИОЛЕТОВОГО провода. В этом случае система возьмет цепь ФИОЛЕТОВОГО провода под охрану после выключения внутрисалонного освещения. В режиме автоматической постановки в режим охраны, система встанет в режим охраны через 30 секунд после того, как выключится внутрисалонное освещение автомобиля.
Отрицательный триггер капота/багажника
СИНЕГО провод вызывает мгновенное срабатывание системы при замыкании на массу (т.е. при открывании капота или багажника). Функции СИНЕГО провода:
Примечание: Функция повторной постановки системы в режим охраны через 90 секунд и функция автоматической постановки системы в режим охраны после закрытия последней двери взаимосвязаны. Включение функции автоматической постановки в режим охраны автоматически также включает функцию повторной постановки в режим охраны через 90 секунд.
ПОДСОЕДИНЕНИЕ: При необходимости для подсоединения СИНЕГО провода надо предварительно установить концевые выключатели, входящие в комплект системы. Если же имеются провод от выключателя освещения багажника или индикатор незакрытого багажника на приборной панели, то СИНИЙ провод может быть подсоединен к этой цепи напрямую в том случае, если это цепи отрицательной полярности. На таком проводе не должно быть напряжения когда капот или багажник открыт, и имеется напряжение +12В при закрытом капоте или багажнике.
При подсоединении СИНЕГО провода к нескольким цепям одновременно может быть необходимо изолировать дополнительные цепи диодами. К примеру, если вы подсоединяете СИНИЙ провод одновременно к концевому выключателю капота и к лампочке внутреннего освещения багажника и не изолируете цепь багажника, свет в багажнике будет включаться каждый раз при открывании капота.
Вам также необходимо будет использовать диоды в том случае, если вы подсоединяете дополнительный датчик к цепи СИНЕГО провода, помимо концевых выключателей.
Выход 3-го канала
РОЗОВЫЙ провод замыкается на массу на 1 секунду (максимальный допустимый ток 250 мА) при нажатии и удерживании маленькой кнопки передатчика в течение 3 секунд или будет оставаться замкнутым на массу все время, пока Вы будете удерживать маленькую кнопку передатчика в нажатом положении (но не более 15 секунд). Обычно он используется для включения дополнительных устройств (например, устройства дистанционного запуска двигателя или блока управления стеклоподъемниками). В большинстве случаев требуется подсоединение дополнительного реле (См. схему подсоединения СЕРОГО провода).
Выход канала 3 будет работать в любое время при выключенном зажигании. При включении канала 3 система НЕ будет сниматься с режима охраны.
ПОДСОЕДИНЕНИЕ: Если дополнительное устройство, которое Вы хотите подключить к выходу канала 3, управляется отрицательным импульсом и ток в этой цепи не превышает 250 мА, то РОЗОВЫЙ провод можно подсоединить непосредственно к входу дополнительного устройства. Если же ток в цепи управления больше 250 мА или если дополнительное устройство управляется импульсом +12В, то необходима установка дополнительного реле. Используйте схему подключения СЕРОГО провода.
Установите КРАСНЫЙ СИД в месте, доступном для обзора водителя изнутри и снаружи, потому что он служит предупреждением для злоумышленников о наличии охранной системы в автомобиле. Оптимальным местом для его размещения может быть либо середина панели приборов, либо ближе к водителю, в зависимости от типа автомобиля.
Если необходимо сверлить отверстие для установки СИДа, рекомендуется делать это в одной из заглушек отверстий для дополнительных приспособлений. Если Вам потребуется в будущем снять СИД, дешевле будет купить новую заглушку, чем менять всю панель.

Внимание! Проверьте, достаточно ли места за заглушкой для сверла. Используйте насадку для сверла, чтобы избежать повреждения деталей, находящихся за панелью, в которой высверливается отверстие. После установки проложите провода, оканчивающиеся красным разъемом к основному блоку системы и подсоедините его к красному разъему на блоке системы.
КРАСНЫЙ СИД состояния визуально информирует Вас о состоянии охран-ной системы в любой момент времени. Система может находиться в 16 режимах:
| Функции | Режим работы СИД | Значение |
|---|---|---|
| 1) | Выключен | Система снята с режима охраны и не выполняет никаких автоматических функций |
| 2) | Постоянно горит | Система находится в режиме Valet |
| 3) | Мигает медленно | Система находится в режиме охраны |
| 4) | Мигает быстро | Идет 30-секундный отсчет времени перед автоматической постановкой под охрану после закрытия последней двери |
Проверка количества запрограммированных передатчиков: В течение 10 секунд после включения зажигания СИД будет мигать, показывая количество запрограммированных в систему передатчиков. Например, две вспышки между паузами означают, что в память системы запрограммировано два передатчика и т.д.. Теперь, передавая кому-либо свой автомобиль и ключи, Вы знаете, что запрограммировано только два передатчика и никто не может угнать Ваш автомобиль, используя другой передатчик (см. п. 5-8 в таблице).
| Функции | Режим работы СИД | Значение |
|---|---|---|
| 5) | Одна вспышка и пауза | В память системы запрограммирован один передатчик |
| 6) | Две вспышки и пауза | В память системы запрограммировано два передатчика |
| 7) | Три вспышки и пауза | В память системы запрограммировано три передатчика |
| 8) | Четыре вспышки и пауза | В память системы запрограммировано четыре передатчика |
Указание зоны, вызвавшей срабатывание системы: После того, как система сработала СИД будет мигать определенное количество раз в соответствии с п. 9-12 в зависимости от того, какая цепь вызвала ее срабатывание. Данная функция будет продолжать работать и после того, как система снята с охраны, но только до момента включения зажигания. При включении зажигания информация о предыдущих срабатываниях системы стирается.
| Функции | Режим работы СИД | Значение |
|---|---|---|
| 9) | Одна вспышка и пауза | Система сработала от цепи определения падения напряжения |
| 10) | Две вспышки и пауза | Система сработала от триггера капота или багажника |
| 11) | Три вспышки и пауза | Система сработала от триггера двери |
| 12) | Четыре вспышки и пауза | Система сработала от дополнительного датчика |
Функция проверки триггерных входов: После каждого выключения зажигания СИД будет мигать в соответствии с п. 13-16 в том случае, если какая-либо из цепей охраны системы в этот момент находится в активном состоянии. Данная функция позволяет легко найти неисправность до того, как она вызовет срабатывание системы.
| Функции | Режим работы СИД | Значение |
|---|---|---|
| 13) | Одна вспышка и пауза | Система получила сигнал от цепи определения падения напряжения |
| 14) | Две вспышки и пауза | Система получила сигнал от триггера капота или багажника |
| 15) | Три вспышки и пауза | Система получила сигнал от триггера двери |
| 16) | Четыре вспышки и пауза | Система получила сигнал от дополнительного датчика |
Пример: Выключите зажигание и откройте дверь. СИД начнет мигать по 3 раза между паузами. Если при этом также сработает другая зона (т.е. например, будет открыт еще и багажник или капот), СИД будет указывать последнюю зону, вызвавшую срабатывание.
Поскольку цепь определения падения напряжения может определить только один выброс тока, то и СИД мигнет один раз только при этом выбросе.
Установите кнопочный переключатель в скрытом месте, доступном для водителя. Используйте клеющуюся ленту для установки переключателя на плоской поверхности. Рекомендуется устанавливать переключатель в скрытом месте, поскольку это затруднит действия угонщиков. Проложите провода к основному блоку системы и подсоедините синий разъем к соответствующему синему разъему на блоке системы.
Основными функциями кнопочного переключателя Easy Valet являются:
Включение режима Valet: Режим Valet может быть включен в любое время когда система снята с режима охраны. Для включения режима Valet просто нажмите кнопку выключателя Valet на две секунды. Вы услышите 2 сигнала сирены, габаритные огни мигнут 2 раза и СИД начнет гореть постоянно, подтверждая, что система находится в режиме Valet.
Система будет находится в режиме Valet вне зависимости от включения или выключения зажигания до тех пор, пока вы его не выключите. В режиме Valet с помощью передатчика можно управлять режимом “паника”, замками дверей, замком багажника, двери будут запираться при включении зажигания и отпираться при его выключении.
Примечание: Когда система находится в режиме Valet, каждый раз при выключении зажигания, сирена будет подавать один сигнал подтверждения.
Выключение режима Valet: Просто нажмите на кнопку Valet, и этот режим мгновенно выключится. В подтверждение выключения режима Valet погаснет СИД.
Снятие с режима охраны в случае утери передатчика: В том случае, если передатчик забыт, утерян, поврежден или его батарейки разрядились, при помощи кнопки Valet и ключа зажигания систему можно снять с режима охраны следующим образом:
Примечание: Кнопка Easy Valet используется также при программировании передатчиков См. главу "Программирование кодов передатчиков".
Примечание: Всегда в первую очередь выполняйте подсоединение КРАСНОГО и ЧЕРНОГО проводов питания охранной системы.
Резервная батарея: Данная система включает 9В щелочную (алкалиновую) батарею, кожух для батареи с кронштейном для его крепления и провод для подсоединения батареи. Щелочная батарея на 9В является источником питания, достаточным для обеспечения работы системы в случае отсоединения аккумулятора автомобиля. Встроенная цепь защиты не позволит батарее подавать питание на блок системы при включенном аккумуляторе. При питании системы от резервной батареи в момент срабатывания в целях сохранения ее заряда некоторые функции работать не будут: не будут мигать габаритные огни и СИД. Сирена будет работать на полную мощность и будут работать все контуры охраны кроме цепи определения падения напряжения и дополнительных датчиков. Блокировка стартера будет также функционировать.
Примечание: При работе системы от резервного питания некоторые цепи работать не будут, габаритные огни также не будут мигать.Все триггеры системы будут работать кроме функции определения падения напряжения. Кроме того, не смотря на то, что триггеры предупреждения и мгновенный триггер будут находиться в рабочем состоянии, питание на дополнительный датчик поступать не будет. Приобрести 9-вольтовые батарейки для замены можно в любом магазине.
Рекомендуется производить замену щелочных батарей каждые 18 месяцев, либо после того, как она хотя бы на некоторое время стала единственным источником питания системы. При следующих условиях срок службы 9В батареи может составлять:
В данной охранной сиситеме имеется разъем для подключения дополнительного датчика. Датчик не входит в комплект системы - это предоставляет свободу выбора датчика и его типа. Этот разъем имеет следующие контакты: +12В дли питания датчика, “масса” при включенном режиме охраны, вход мгновенного отрицательного триггера и вход отрицательного триггера предупреждения.
При срабатывании зоны предупреждения сирена подаст три сигнала и произойдет перезапирание дверей. После пятикратного срабатывания этой цепи, вход режима предупреждения автоматически будет отключен до следующей постановки системы в режим охраны. Это сделано для избежания излишнего шума. Любой датчик производства компании Omega Research and Development Inc. может быть подключен к системе напрямую. Однозоновый датчик может либо вызывать срабатывание системы либо включать режим предупрежедния, но не оба режима. Двухзоновый датчик имеет два режима: режим предупрежедния и режим включения тревоги.
Установите датчик в соответствии с инструкцией, которая к нему прилагается. Подсоедините его разъем к гнезду с надписью "Aux. Plug". Если система срабатывала от датчика, то при снятии с охраны СИД будет мигать 4 раза между паузами. Этот режим мигания СИДа сохранится до тех пор пока Вы не включите зажигание. При постановке системы на охрану датчик можно временно блокировать. Для этого необходимо нажать маленькую кнопку в течении 3 секунд после нажатия большой кнопки передатчика.
Данная охранная система имеет разъем для подсоединения реле дверных замков. Через 4-контактный разъем, расположенный на блоке управления, подается отрицательный импульс для запирания дверей (внешний контакт), постоянное напряжение +12В только для питания обмоток реле (второй контакт после внешнего контакта), отрицательный импульс для отпирания всех дверей или только двери водителя (второй контакт после внутреннего контакта) и второй отрицательный импульс для отпирания дверей (внутренний контакт).
Тип подсоединения будет зависеть от типа электроприводов замков дверей автомобиля. Для отпирания и запирания дверей на каждую дверь должны быть установлены приводы замков (DS-3). Существует три системы замков с приводами: 3-проводные импульсные с отрицательной полярностью, 3-проводные импульсные с положительной полярностью и 5-проводные с обратной полярностью, замкнутые на массу в выключенном состоянии. Другие системы - это замки с вакуумными приводами, устанавливающиеся на большинстве моделей Мерседес-Бенц и однопроводные замки с двойным уровнем напряжения, встречающиеся на последних моделях автомобилей. Лучше всего определять тип системы привода замка по проводам от кнопок управления замками дверей.
3-проводные импульсные системы с отрицательной полярностью: Эти системы можно определить по наличию трех проводов на выключателе. На одном будет постоянно присутствовать масса независимо от того, в рабочем состоянии находится выключатель или нет. Из двух оставшихся один будет показывать массу при переводе переключателя в положение “Lock” (“закрыто”), а другой будет показывать массу при переводе переключателя в положение “Unlock” (“открыто”). Когда выключатель находится в состоянии покоя, на этих двух проводах присутствует напряжение +12 В или меньше. Реле замков или блок управления со встроенными реле управляется при помощи выключателей. Правильная точка подсоединения находится между выключателями и реле.
Для этих целей имеется дополнительный кабель (модель DLР-N3). Некоторые системы дверных замков, однако, требуют ток более 500 мА (т.е больше допустимого). В этих случаях необходимо использовать дополнительную колодку DLS и два реле. Для того, чтобы открывалась в первую очередь только дверь водителя, необходимо установить DLS-3.


Для этого могут быть использованы три дополнительные колодки: модель DLP-P3, DLS и модель DLS-3 и одно реле. Использование модели DLS-3 объясняется далее более подробно.
Модель DLP-P3 представляет собой 3-контактный разъем с транзисторным преобразователем, который изменяет отрицательные импульсные сигналы системы на положительные. Это дает возможность подключать охранную систему напрямую к автомобилю, где установлены замки, работающие от положительных импульсов. Длина проводов 61см. Для автомобилей с такими типами систем Это проще и эффективнее, чем использование реле.

Модель DLS представляет собой колодку с двумя реле с кабелем и разъемом, который подсоединяется к основному блоку системы и проводами без разъемов, которые подсоединяются к проводке автомомбиля. Это самое универсальное устройство для подключения замков. Используемые реле: автомобильные на 30 А, однополярные.

5-проводные системы с обратной полярностью: Эта система отличается от первых двух тем, что в ней не используются реле или блок управления. В этом типе систем положительное напряжение подается напрямую от выключателя на приводы замков и что более важно, обеспечивается обратный выход на массу. Для этой системы замков необходимо использовать дополнительную колодку DLS и 2 реле. Важным моментом для этого типа систем является то, что в нерабочем положении ее провода замкнуты на массу. Это означает, что для выполнения подсоединений эти провода должны быть “разомкнуты” или разрезаны.
После того, как необходимы провода будут найдены, необходимо их разрезать. Обратите внимание, что на схеме одни провода идут со "стороны выключателя" - это выключатель замков, а другие со "стороны привода" - это приводы замков дверей. Даже если разрезать приходится между выключателями, речь идет о выключателях замков и приводах.

Схема DLS

Установка дополнительного привода DS-3 и колодки DLS с двумя реле
На некоторых автомобилях имеется такая сиситема запирания дверей, которая при механическом отпирании и запирании водительской двери подает питание на выключатель приводов замков других дверей. В водительской двери нет привода, - только выключатель. Признаком такой сиситемы является то, что при отпирании водительской двери ключом отпираются другие двери, но при открывании ключом двери пассажира, дверь водителя остается закрытой.

Однопроводная система дверных замков - Chrysler
Некоторые автомобили имеют однопроводную систему запирания дверей, т.е. для запирания и отпирания дверей используется один провод, идущий от выключателя к основному блоку управления. Автомобили марки Chrysler Cirrus и Dodge Stratus 1995-96 годов выпуска имеют именно такую систему. В них должен использоваться такой метод подсоединения.
В автомобилях марок Chrysler Concorde, New Yorker, LHS, Dodge, Intrepid и Eagle Vision также используется такя система, но реле дверных замков являются внешними и могут подсоединяться для управления положительным импульсом. Тем не менее, реле в моделях Cirrus и Stratus находятся в блоке управления и подобраться к ним невозможно. Используя данный метод на моделях Concorde, New Yorker, LHS, Intrepid и Vision подобраться к реле куда проще, чем к тем которые установлены под декоративной накладкой слева от водителя.
Система работает следующим образом: при переключении выключателя в положение "закрыто" ("lock") или "открыто" ("unlock") на блок управления подается +12 В через один из резисторов. При запирании на блок поступает около 3В, а при выполнять и включает соответствующее реле. Цвета проводов для этих автомобилей: Cirrus/Stratus 1995 г. выпуска - Белый/Светло-зеленый на 16-контактном коричневом разъеме под декоративной накладкой слева внизу; Concorde, New Yorker, LHS, Intrepid и Vision 1993-96 г. выпуска - Оранжевый/фиолетовый на черном или синем 16-контактном разъеме под декоративной накладкой слево от водителя внизу.

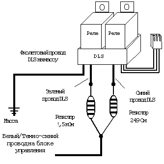
В автомобилях марок Dodge Caravan, Chrysler Town & Country и Plymouth Voyager используется такая же система, за следующим исключением: выключатель замыкает на массу единственный провод через резисторы, поэтому фиолетовый провод DLS замыкается на массу.
Запирающий резистор - 1,5 кОм, отпирающий - 249 Ом. Провод имеет Белый/Темно-зеленый цвет. Его можно найте на 40-контактном разъеме на блоке управления, который находится под блоком предохранителей внизу водительской панели.

Однопроводная система дверных замков - Mazda
В автомобилях Mazda 929 1993-95 г. выпуска, Mazda Millenia 1995 г. и Protege тоже 1995 года выпуска установлена однопроводная система замков дверей. В этих автомобилях отрицательный импульс отпирает двери, а отрицательный импульс, поступающий через резистор номиналом в 1 кОм запирает их. В автомобиле Mazda 929 имеется Светло-зеленый/черный провод, который можно найти на 20-контактном разъеме внизу под декоративной накладкой внизу слева от водителя либо Желтый/черный провод, который можно найти на 6-контактном разъеме под декоративной накладкой внизу справа от пассажира. В автомобиле Mazda Millenia это Красный/черный провод на 28 -контактном разъеме под декоративной накладкой слева от водителя или Синий/желтый на 28-контактном разъеме под декоративной накладкой внизу справа от пассажира.

Однопроводная система дверных замков - Nissan и Mazda MPV
Некоторые автомобили марки Nissan имеют следующую систему замков: при замыкании провода на массу двери отпираются, при размыкание двери запираются. Смотрите схему подсоединения реле. В моделях 240SX 1991-94 годов выпуска это Оранжевый/синий или Оранжевый/черный провод, в моделях 300ZX 1992-95 гг. провод имеет Коричневый или Коричневый/желтый цвет. Как правило, этот провод можно найте слева от водителя под декоративной накладкой внизу. Mazda MPV также использует такую систему. Это Зеленый/белый провод на блоке управления, который находится за отделением для перчаток.

Ваккумные замки на автомобилях Mercedes и дополнительная колодка DLS-V и два реле
Такя система замков используется на автомобилях Mercedes Benz. Она имеет электровыключатели (встроенные в пневмоприводы), которые подают +12 В или массу на пневмонасос. Эти выключатели работают при запирании и отпирании дверей изнутри или ключом с внешней стороны. Полярность выключателей определяет будет ли насос создавать давление или ваккуум. Поскольку насос работает около 3 секунд, длительность импулса должна быть изменена. (При программировании функция, должна быть выключена)
Подсоединение может выполняться либо под декоративной накладкой слева от водителя либо непосредственно на насосе, который расположен в багажнике или под задним сиденьем.

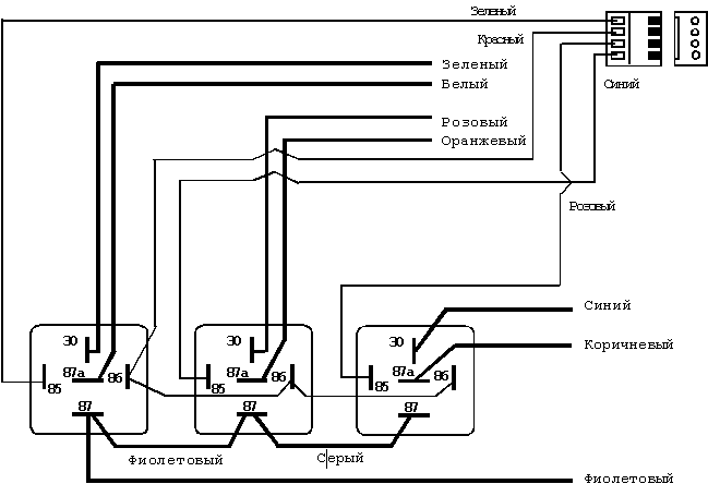
Долнительные колодки DLS-3 и 2 или реле - открывание двери водителя в првую очередь.
DLS-3 представляет собой колодку для 3 реле (должно использоваться 3 реле) и является наиболее универсальным приспособлением, позволяющим выполять охранной системе такие функции, как запиарние всех дверей, отпирание только двери водителя при снятии с режима охраны и последующим отпирании, если требуется, всех остальных дверей при повторном нажатии в течении 5 секунд на кнопку брелка. DLS-3 может использоваться с двумя реле вместо DLS для отпиарния и запирания дверей.



Схема DLS-3

Ваша система имеет 13 программируемых функций, которые позволяют ее конфигурировать в соответствии с Вашими требованиями. Четыре из них программируются при помощи DIP-перключателей, расположенных на блоке управления, при установке системы. Остальные девять функций программируются при помощи переключателя Easy Valet и передатчика.
Четыре функции, программируемые при помощи DIP-переключателей на основном блоке системы:
1) Противоугонная функция Anti-HiJack
При включенной функции 1: Каждый раз после включения зажигания активизируется противоугонная функция Anti-HiJack.
Примечание: После того, как противоугонная функция включила сирену, габаритные огни и цепь блокировки стартера они будут работать до полного разряда аккумулятора.
2) Автоматическая постановка в режим охраны после закрытия последней двери
При включенной функции 2: Система автоматически встанет в режим охраны после того, как было выключено зажигание и закрыты все двери, капот и багажник. Как только последняя дверь будет закрыта, система подает один сигнал сирены, один раз мигнут габаритные огни, а СИД начнет быстро мигать. Через 30 секунд Вы услышите еще один сигнал сирены, габаритные огни и внутрисалонное освещение мигнут еще один раз, а СИД начнет медленно мигать, указывая на то, что система встала в режим охраны. Если включена функция #3 (см. ниже), то также произойдет запирание дверей автомобиля. Если какой-либо мгновенный отрицательный триггер замыкается на массу (или положительный триггер замыкается на +12 В) во время 30-секундного отсчета (например, открывается багажник, капот или одна из дверей), отсчет прерывается. После размыкания триггера отсчет начнется снова и через 30 секунд система встанет в режим охраны.Примечание: Все двери, капот и багажник должны быть подсоединены к блоку системы. Данная функция обеспечивает спокойный выход пассажиров из автомобиля, поскольку система не встанет в режим охраны до тех пор пока все точки доступа не будут закрыты, а открывание любой из дверей, капота или багажника останавливает и сбрасывает отсчет времени. При этом, в любой момент Вы можете поставить систему в режим охраны при помощи передатчика.
3) Автоматическая постановка в режим охраны с запиранием дверей
При включенной функции 3: Если установлены дополнительные замки дверей и включена функция 2 (см. Выше) то при автоматической постановке системы в режим охраны после закрытия последней двери будут также запираться двери автомобиля. Это произойдет когда система полностью встанет в режим охраны по окончании 30-секундного отсчета времени.
4) Цепь определения падения напряжения
При включенной функции 4: Когда система включена в режим охраны, цепь определения падения напряжения обнаруживает изменения напряжения в бортовой сети автомобиля при включении какого-либо потребителя тока (например, при включении внутрисалонного освещения, тормозных огней или освещения багажника или капота). Если функция определения падения напряжения включена, то в этих случаях произойдет срабатывание системы.
Примечание: Чувствительность цепи определения падения напряжения зависит от места подсоединения КРАСНОГО провода (см. выше). Если Вы используете эту функцию, то для обеспечения максимальной чувствительности подсоедините КРАСНЫЙ провод к +12 В на замке зажигания, а не к “+” аккумулятора.
Девять функций, программируемых при помощи переключателя Easy Valet и передатчика
1) Автоматическое запирание/отпирание дверей при включении/выключении зажигания
Система поставляется с этой функцией во включенном состоянии
При включенной функции: Система автоматически запрет двери автомобиля через 1 секунду после включения зажигания и немедленно отопрет их при выключении зажигания. Это значительно увеличивает Вашу безопасность и безопасность Вашей семьи.
2) Отмена функции #1 (описанной выше) при открытой двери:
Система поставляется с этой функцией во включенном состоянии
При включенной функции: Если при включении зажигания одна из дверей открыта, двери НЕ будут автоматически заперты. Также, если одна из дверей открыта при выключении зажигания, они не будут автоматически отпираться. Эта функция также не позволит детям открыть дверь для того, чтобы выйти из машины до того, как Вы выключите зажигание (в большинстве современных автомобилей двери можно открыть при помощи ручек на дверях).
3) Включение габаритных огней и внутрисалонного освещения на 60 или 30 секунд после снятии системы с режима охраны
Система поставляется с этой функцией во включенном состоянии
При включенной функции: После снятия системы с охраны габаритные огни включатся на 60 секунд для освещения пути к автомобилю.
При выключенной функции: После снятия системы с охраны габаритные огни включатся на 30 секунд.
Примечание: Габаритные огни выключатся через 10 секунд после открывания одной из дверей.
Примечание: Габаритные огни выключатся немедленно после включения зажигания.
4) Автоматическая повторная постановка системы в режим охраны через 90 секунд
Система поставляется с этой функцией во включенном состоянии
При включении функции: Если Вы случайно сняли систему с режима охраны при помощи передатчика, система автоматически вновь встанет в режим охраны и запрет все двери через 90 секунд если за это время не была открыта одна из дверей, капот или багажник либо не было включено зажигание. Эта функция обеспечивает постоянную охрану автомобиля даже при неосторожном или случайном отключении режима охраны, например, детьми.
Примечание: Если включена функция автоматической постановки в режим охраны после закрытие последней двери функция повторной постановки в режим охраны через 90 секунд будет также автоматически включена.
5) Снятие с режима охраны при дистанционном открывании замка багажника
Система поставляется с этой функцией во включенном состоянии
При включенной функции: При дистанционном открывании дополнительного замка багажника система будет также сниматься с охраны и отпирать двери автомобиля (или только дверь водителя). При этом вы услышите 2 сигнала сирены, габаритные огни включатся на 60 (или 30) секунд. Модели других охранных систем предусматривают сначала отключение режима охраны, а затем открывание багажника, чтобы система не срабатывала.
Примечание: Если Вы используете выход этого канала не для открывания багажника, а для управления каким-либо дополнительным устройством (например, устройством дистанционного запуска двигателя) Вам необходимо выключить эту функцию для того, чтобы включения дополнительного устройства не снимало автоматически систему с режима охраны.
6) Длительность выходного импульса на замки дверей 0,8 сек или 3 сек.
Система поставляется с этой функцией во включенном состоянии
ВНИМАНИЕ: Данная функция должна программироваться ТОЛЬКО установщиком и НЕ меняться впоследствии. Если длительность выходного импульса установлена неправильно, это может привести к повреждению электроприводов замков дверей.
При включенной функции: Для запирания или отпирания дверей система будет подавать отрицательный импульсный сигнал длительностью 0.8 секунд.
При выключенной функции: Для запирания или отпирания дверей система будет подавать отрицательный импульсный сигнал длительностью 3 секунды.
7) Постановка системы в режим охраны через 3 или через 45 секунд после сигналов подтверждения:
Система поставляется с этой функцией во включенном состоянии
ВНИМАНИЕ: Данная функция должна программироваться ТОЛЬКО установщиком и не меняться впоследствии.
При включенной функции: Система полностью встанет в режим охраны и будет срабатывать от триггеров дверей, капота, багажника или от датчиков системы через 3 секунды после сигналов подтверждения сирены и габаритных огней.
При выключенной функции: Система полностью встанет в режим охраны и будет срабатывать от триггеров дверей, капота, багажника или от датчиков системы через 45 секунд после сигналов подтверждения сирены и габаритных огней
Примечание: Если во время задержки перед постановкой в режим охраны какая-либо из цепей активна или неисправна, система встанет в режим охраны не включая эту цепь в контур охраны до тех пор, пока эта цепь не вернется в нормальное состояние.
8) Долговременное включение и отключение подтверждающих сигналов сирены
Система поставляется с этой функцией во включенном состоянии
При включенной функции: Система подает подтверждающие сигналы сирены при постановке и снятии с режима охраны.
При выключенной функции: Система не будет подавать подтверждающие сигналы сирены при постановке и снятии с режима охраны.
Примечание: При отключении подтверждающих сигналов сирены система также НЕ будет подавать 3 сигнала при постановке системы в режим охраны (Обход неисправной цепи) и 4 сигнала при снятии системы с режима охраны (Указание на срабатывание системы за время Вашего отсутствия). Тем не менее, сирена будет работать при срабатывании системы и включении дистанционного режима “Паника”, а также при срабатывании режима предупреждения и при программировании новых передатчиков.
9) Временное выключение сигналов подтверждения сирены
Система поставляется с этой функцией в выключенном состоянии
При включенной функции: Эта функция не работает и Вы не сможете поставить или снять систему с режима охраны БЕЗ подтверждающих сигналов сирены, нажав сначала Маленькую кнопку передатчика, а затем в течение 2 секунд нажав Большую кнопку.
При выключенной функции: Если при постановке или снятии системы с режима охраны была сначала нажата Маленькая кнопка передатчика, а затем в течение 2 секунд нажата Большая кнопка, система встанет или снимется с режима охраны бесшумно (т.е. без подтверждающих сигналов сирены). В данном случае подтверждающие сигналы сирены отключатся только на одну операцию.
Программирование 9 функций
Для программирования указанных выше 9 функций:
Примечание: Система автоматически выйдет из режима программирования, если выбор не был сделан в течение 10 секунд или было включено зажигание.
Пример: Нажмите кнопку Valet 8 раз и сирена прозвучит 8 раз.
Включение функции #8: Нажмите Большую кнопку передатчика. Вы услышите один сигнал сирены, подтверждающий, что функция включена.
Выключение функции #8: Нажмите Маленькую кнопку передатчика. Вы услышите два сигнала сирены, подтверждающих, что функция выключена.
Примечание: Если Вы будете продолжать включать или выключать функцию # 8, то Вы будете оставаться в режиме программирования. Помните, если никакие действия не производились в течение 10 секунд, система автоматически выйдет из режима программирова-ния.
При добавлении или удалении кодов передатчика для управления Вашей охранной системой придерживайтесь приведенной ниже последовательности:
1) Включите зажигание.
2) В течение 5 секунд после включения зажигания нажмите кнопку Valet 5 раз. Сирена подаст сигнал, подтверждающий, что в течение последующих 10 секунд она готова к запоминанию кодов передатчиков. С запоминанием кода первого передатчика все ранее введенные коды стираются. Если код не был принят в течение 10 секунд, процесс запоминания автоматически прекращается.
3) Для запоминания кодов кнопок первого передатчика:
Действие А В течение 10 секунд после действия 2) нажмите ту кнопку передатчика, которой Вы хотите включать/выключать охрану и режим “Паника” (заводская установка - Большая кнопка) и удерживайте ее нажатой до тех пор, пока не услышите один сигнал сирены, подтверждающий, что код принят и система готова к запоминанию кода кнопки открывания замка багажника.
Действие В В течение 10 секунд после действия А нажмите ту кнопку передатчика, которую Вы выбрали для открывания багажника (заводская установка - Большая и Маленькая кнопки передатчика, нажатые одновременно) и удерживайте ее нажатой до тех пор, пока не услышите два сигнала сирены, подтверждаю-щие, что код принят и система готова к запоминанию кода кнопки дистанционного включения режима Valet, блокировки дополнительного датчика и временного отключения сигналов подтверждения.
Действие C В течение 10 секунд после действия В нажмите ту кнопку передатчика, которую Вы выбрали для включения дистанцион-ного режима Valet, отключения датчика системы и временного отключения сигналов подтверждения сирены и управления выходом 3-го канала (заводская установка - Маленькая кнопка) и удерживайте ее нажатой до тех пор, пока не услышите три сигнала сирены, подтверждающие, что код принят и система готова к запоминанию кодов 2-го, 3-го или 4-го передатчиков, начиная с действия А.
4) Для программирования кодов второго, третьего или четвертого передатчиков повторите действия А, В и С.
5) Выключение зажигания или 10 секунд бездействия автоматически отменят функцию запоминания кодов передатчика, что подтверждается одним длинным сигналом сирены. Поскольку все предыдущие коды будут стерты при программировании, необходимо перепрограммировать заново все передатчики, которые Вы хотите использовать.
22.10.2001