НАЗАД

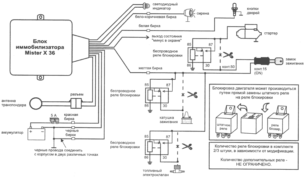
MISTER X

MX 36

Схема подключения

MISTER X 36 - схема подключения
25.12.1999