Перед началом установки отсоедините "-" клемму аккумулятора автомобиля.
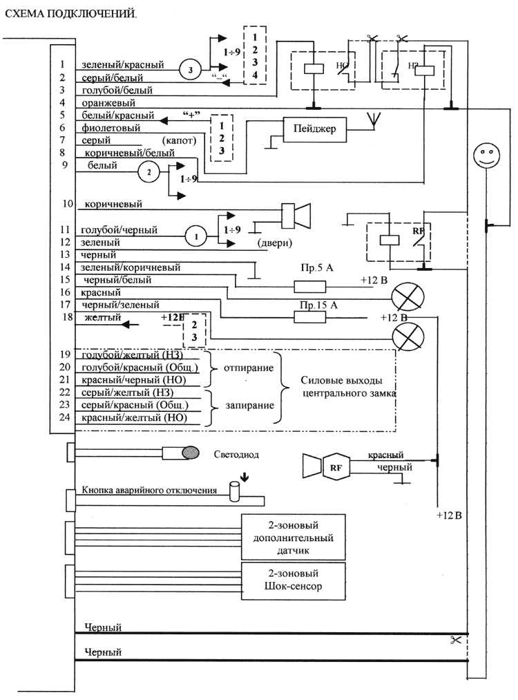
| N | Назначение провода | Цвет провода | Примечание | |
|---|---|---|---|---|
| 1 | Программируемый выход 3 | Зеленый/красный | Один из 9-и режимов | |
| 2 | Программируемый "-" вход | Серый/белый | Один из 4-х режимов | |
| 3 | Выход на блокировку | Голубой/белый | "-" 300 мА для внешнего НО реле. | |
| 4 | Зажигание | Оранжевый | ||
| 5 | Программируемый "+" вход 2 | Белый/красный | Один из 3-х режимов | |
| 6 | Выход на пейджер/клаксон | Фиолетовый | "+" | |
| 7 | Концевик капота "-" | Серый | ||
| 8 | Выход на блокировку | Коричневый/белый | "-" 300 мА для внешнего НЗ реле. | |
| 9 | Программируемый выход 2 | Белый | Один из 9-и режимов | |
| 10 | Выход на сирену | Коричневый | "+" | |
| 11 | Программируемый выход 1 | Голубой/черный | Один из 9-и режимов | |
| 12 | Концевик двери "-" | Зеленый | ||
| 13 | Корпус | Черный | "-" | |
| 14 | Питание блока | Зеленый/коричневый | +12В, Пр. 5А | |
| 15 | Выход на фонари 2 | Черный/белый | Внутреннее реле | |
| 16 | Питание фонарей | Красный | +12В, Пр. 15А | |
| 17 | Выход на фонари 1 | Черный/зеленый | Внутреннее реле | |
| 18 | Программируемый "+" вход 2 | Желтый | Один из 3-х режимов | |
| 19 | Отпирание | НЗ | Голубой/желтый | Внутреннее реле |
| 20 | Общ. | Голубой/красный | ||
| 21 | НО | Красный/черный | ||
| 22 | Запирание | НЗ | Серый/желтый | Внутреннее реле |
| 23 | Общ. | Серый/красный | ||
| 24 | НО | Красный/желтый | ||
| Р2 | Вход для светодиода | 2-контактный разъем | ||
| Р3 | Вход кнопки аварийного отключения | 2-контактный разъем | ||
| Р4, Р5 | Два входа для 2-зоновых датчиков | Два 4-контактных разъема | ||
| Силовой выход блокировки (2 провода) | Черные | Внутреннее реле | ||
Представляет собой миниатюрный радио передатчик, питающийся от 12 вольтовой батарейки (тип 23 А), которой хватает примерно на 1 год эксплуатации. На брелоке расположены три кнопки управления и индикаторный светодиод. При нажатии на любую из кнопок передатчик формирует и передает специальную кодированную команду, которая меняется по определенному закону при каждом новом нажатии на кнопки, реализуя таким образом алгоритм антиграббера.
| Функция | Кнопка 1 | Кнопка 2 | Кнопка 3 | Примечание |
|---|---|---|---|---|
| Постановка/снятие с охраны | · | |||
| Постановка/снятие с охраны ARM 1 | · | Активирован режим ЭКВАЛАЙЗЕР | ||
| Постановка/снятие с охраны ARM 2 | · | |||
| Постановка/снятие с охраны ARM 3 | · | |||
| Постановка с отключенными датчиками | ·· | |||
| Тихая охрана | · -> | · | ||
| Запирание дверей | · | Зажигание ВКЛ. | ||
| Тихая постановка/снятие с охраны | · | <- · | ||
| Тихая постановка с отключенными датчиками | ·· | <- · | ||
| Отпирание дверей | · | Зажигание ВКЛ. | ||
| Паника | · 3 сек. | · 3 сек. | Зажигание ВЫКЛ. | |
| Поиск | · | · | Охрана или Valet-режим. | |
| Valet-режим | · 3 сек. | · 3 сек. | Зажигание ВКЛ. | |
| Дополнительный канал 1 | · 3 сек. | · 3 сек. | ||
| Дополнительный канал 2 | · 3 сек. | · 3 сек. | ||
| Дополнительный канал 3 | ·· | ·· | ||
| История тревог | · 3 сек. | Valet-режим. | ||
| Охрана с заведенным двигателем | · | <- · | Зажигание ВКЛ. | |
| Отключение Анти-Хай-Джек | Ввод кода | Зажигание ВКЛ. | ||
| Отключение пассивного иммобилайзера | Ввод кода | Зажигание ВКЛ. | ||
| Охрана включена | медленно мигает |
| Охрана отключена | не горит |
| Пауза перед автопостановкой | быстро мигает |
| Режим иммобилайзера | двойные вспышки |
| Valet-режим | горит постоянно |
В зависимости от программного выбора кнопка аварийного отключения может работать в простом и кодированном режимах.
В случае если брелок сигнализации отсутствует или неисправен, в системе предусмотрены следующие возможные режимы аварийного отключения охраны:
Если PIN-код системе не был задан, то для аварийного отключения сигнализации требуется однократно нажать кнопку при включенном зажигании, затем выключить зажигание.
При срабатывании сигнализации, находящейся в режиме тихой охраны, индикация тревоги производится только индикаторными фонарями и по каналу пейджера, сирена не включается. Для активизации режима необходимо при постановке на охрану нажать кнопку 3 сразу после нажатия кнопки 1.
Режим будет работать только, если в шаге 1-1 "Установочного программирования" выбрано значение переключателя - ПЕЙДЖЕР.
Программно может быть выбрано одно из двух значений канала ПЕЙДЖЕР или КЛАКСОН в соответствии с подключенным оборудованием. В случае выбора режима ПЕЙДЖЕР на выходе будет появляться постоянный "+" сигнал при включении тревоги, если программно выбран режим КЛАКСОН, то при включении тревоги на выходе появится прерывистый сигнал для питания реле штатного клаксона.
Через 5 мин. после постановки сигнализации на охрану, если выбран ПЕЙДЖЕР, включается тестовый режим пейджера для контроля реальной дальности приема тревожного сигнала.
После нажатия на кнопку 1 на брелоке, для отключения режима охраны, сигнализация выдает первый импульс на открывание двери водителя. Повторным нажатием этой кнопки после снятие системы с охраны открываются замки остальных дверей. Функция включается программированием.
Реализация данной функции, не требует дополнительных подключений, второй отпирающий импульс появляется на выходе отпирания сигнализации.
После нажатия на кнопку 1 на брелоке, для отключения режима охраны, сигнализация выдает первый импульс на открывание двери водителя. Повторным нажатием этой кнопки после снятие системы с охраны открываются замки остальных дверей. Функция включается программированием.
Для реализации данной функции, выход отпирания сигнализации следует использовать только для управления актуатором в двери водителя, цепь открывания остальных дверей необходимо коммутировать при помощи дополнительного реле, для управления которым используется один из дополнительных каналов сигнализации, запрограммированный на соответствующую функцию.
В комплект сигнализации входят сирена и реле блокировки, управляемые кодированным радиосигналом по штатным проводам автомобиля. Контроллер RF компонентов вмонтирован в центральный блок сигнализации и не требует для своей работы дополнительных подключений.
Двухпроводная электронная сирена со встроенным автономным питанием, предназначенная для установки в любом месте в автомобиле. Для подачи внешнего питания на сирену, а так же для обеспечения связи с блоком сигнализации, необходимо ЧЕРНЫЙ ПРОВОД подключить к корпусу автомобиля, КРАСНЫЙ ПРОВОД подключить к любому проводу, на котором постоянно присутствует +12 В.
С одним блоком сигнализации может быть использовано несколько RF сирен, их количество ограничено только емкостью автомобильного аккумулятора.
Внимание! Не рекомендуется подключать RF сирену непосредственно на клеммы аккумулятора.
Электронное устройство, предназначенное для организации блокировок электрических цепей автомобиля, выполненное в стандартном корпусе автомобильного 4-контактного реле. Провода от контактов 30 и 87 подключить в разрыв блокируемой цепи, провода от контактов 85 и 86 служат для подключения питания устройства, полярность включения - любая. Для питания RF реле может быть использован блокируемый провод, при этом следует убедиться, что подключение провода питания относительно разрыва выполнено со стороны замка зажигания.
Количество RF реле установленных с одним блоком сигнализации - не ограничено.
ВНИМАНИЕ! При первой постановке на охрану в память RF реле записывается код блока сигнализации, и в дальнейшем это реле может управляться только этим кодом.. При замене или удалении блока, RF реле остается в состоянии охраны.
Дополнительные каналы N1, N2, N3: Режим работы канала выбирается программированием при установке. Для каждого из каналов может быть выбрана одна из 9 ниже приведенных функций. Для активизации канала N1 на 3 сек. нажать кнопки 1и 3, для активизации канала N2 на 3 сек. нажать кнопки 2 и 3, для активизации канала N3 дважды одновременно нажать кнопки 2 и 3. Режимы 7 и 9 активизируются автоматически, режим 8 с помощью кнопки брелока, отключающей охрану.
Провода дополнительных каналов должны быть подключены в соответствии с выбранной функцией.
В сигнализации предусмотрено два альтернативных типа блокировки двигателя, каждый из которых может быть выбран при установке путем программирования. Первый вариант - традиционный: моментальная блокировка при включении зажигания. Второй вариант, если он включен программным путем, работает по следующему алгоритму:
1 сек. блокировка -> 5 сек. пауза -> 1 сек. блокировка -> 3 сек. пауза -> 1 сек. блокировка -> 2 сек. пауза -> постоянная блокировка.
Противоугонная функция активизируется при включении зажигания и при открывании двери при включенном зажигании. Оба режима включаются программированием независимо друг от друга.
После запуска любым способом противоугонной процедуры система проходит следующие этапы:
Если активирован режим Butler и установлен модуль Communicator, Anti-HI-Jack будет отключен автоматически при наличии кодовой карты внутри автомобиля. Возможность отключения Anti-Hi-Jack с помощью кода в этом режиме сохраняется.
Примечание: Для того, чтобы активизация Anti-Hi-Jack стала возможной, необходимо помимо ее программного включения, обязательно установить для системы двузначный код аварийного отключения.
ВНИМАНИЕ! Если активизирована противоугонная процедура Anti-Hi-Jack, выполнение системой любых команд пульта дистанционного управления, кроме ввода персонального отключающего кода, заблокировано.
Если после открывания и закрывания двери зажигание остается выключенным в течение 1 минуты, система автоматически включит все блокировки, при этом ни какая другая зона охраны не будет активизирована, тревога также не будет включаться. Если же после выключения зажигания ни одна из дверей не будет открыта, режим иммобилайзера активизируется через 10 минут, однако, если в течении этих 10 минут какая-либо из дверей будет открыта, система перейдет в режим иммобилайзера через 1 минуту после ее закрытия.
Для отключения иммобилайзера необходимо ввести младший разряд кода аварийного отключения при помощи брелока или кнопки так же как при отключении Anti-Hi-Jack.
Если в период охраны какой-либо из контролируемых датчиков вызывает режим тревоги 8 раз, он отключается до конца цикла охраны. Все остальные контролируемые зоны и блокировки остаются включенными. Если же неисправность возникла уже при постановке на охрану, вместо одиночного следуют три звуковых и световых сигнала.
Если в период охраны включался режим тревоги, то при снятии с охраны система выдает четыре звуковых и световых сигнала вместо двух и с помощью трех серий вспышек светодиода после включения зажигания сообщает о причине вызвавшей тревогу:
| Количество вспышек в серии | Вид датчика |
|---|---|
| 2 | Салонный датчик |
| 3 | Концевик двери "-" |
| 4 | Программируемый "-" вход |
| 5 | Программируемый "+" вход |
| 6 | Концевик капота |
| 7 | Зажигание |
Для включения режима необходимо при отключенной охране и включенном зажигании на 3 сек. нажать кнопки 1 и 2 на брелоке, трижды мигнут сигнальные фонари, светодиод системы загорится в постоянном режиме. В Valet-режиме сохраняется возможность дистанционного управления центральным замком и дополнительными каналами. Повторное нажатие на те же кнопки при включенном зажигании возвращает систему в режим нормальной эксплуатации, о чем она сообщает тремя звуковыми сигналами.
| Функция переключателя | Заводская установка | Кнопка 1 | Кнопка 2 | |
|---|---|---|---|---|
| 1-1 | Автопостановка на охрану | ВЫКЛ. | ВКЛ. | ВЫКЛ. |
| 1-2 | 15 секундная задержка тревоги при открывании двери | ВЫКЛ. | ВКЛ. | ВЫКЛ. |
| 1-3 | Запирание дверей при перепостановке на охрану | ВКЛ. | ВКЛ. | ВЫКЛ. |
| 1-4 | Запирание дверей при включении зажигания | ВКЛ. | ВКЛ. | ВЫКЛ. |
| 1-5 | Режим пассивного иммобилайзера | ВКЛ. | ВКЛ. | ВЫКЛ. |
| 2-2 | Звуковые сигналы подтверждения выполнения команд | ВКЛ. | ВКЛ. | ВЫКЛ. |
| 2-3 | Длительность тревоги | 30 сек. | 30 сек. | 60 сек. |
| 2-4* | Дистанционная настройка датчика (ВХОД 1) - шаги 1-8 - тревожная зона - шаги 1-8 (9-16) - предупредительная зона |
4 4 |
- | + |
| 2-5* | Дистанционная настройка датчика (ВХОД 2) - шаги 1-8 - тревожная зона - шаги 1-8 (9-16) -предупредительная зона |
4 4 |
- | + |
| 2-6 | Режим отложенной охраны | ВЫКЛ. | ВКЛ. | ВЫКЛ. |
| 2-7 | Активизация Анти-Хай-Джек при открывании двери | ВЫКЛ. | ВКЛ. | ВЫКЛ. |
| 2-8 | Активизация Анти-Хай-Джек при включении зажигания | ВЫКЛ. | ВКЛ. | ВЫКЛ. |
| 2-9 | Режим тихой охраны | ВЫКЛ. | ВКЛ. | ВЫКЛ. |
| 2-10 ** | Выбор тональной последовательности для RF сирены 1-32 | 1 | увеличение | уменьшение |
| 3-1 | Активизация эквалайзера, режим ARM 2 | ВЫКЛ. | ВКЛ. | ВЫКЛ. |
| 3-2 | Звуковые сигналы подтверждения выполнения команд | ВКЛ. | ВКЛ. | ВЫКЛ. |
| 3-3 | Длительность тревоги | 30 сек. | 30 сек. | 60 сек. |
| 3-4* | Дистанционная настройка датчика (ВХОД 1) - шаги 1-8 - тревожная зона - шаги 1-8 (9-16) -предупредительная зона |
4 4 |
- | + |
| 3-5* | Дистанционная настройка датчика (ВХОД 2) - шаги 1-8 - тревожная зона - шаги 1-8 (9-16) -предупредительная зона |
4 4 |
- | + |
| 3-6 | Режим отложенной охраны | ВЫКЛ. | ВКЛ. | ВЫКЛ. |
| 3-7 | Активизация Анти-Хай-Джек при открывании двери | ВЫКЛ. | ВКЛ. | ВЫКЛ. |
| 3-8 | Активизация Анти-Хай-Джек при включении зажигания | ВЫКЛ. | ВКЛ. | ВЫКЛ. |
| 3-9 | Режим тихой охраны | ВЫКЛ. | ВКЛ. | ВЫКЛ. |
| 3-10 ** | Выбор тональной последовательности для RF сирены 1-32 | 1 | увеличение | уменьшение |
| 4-1 | Активизация эквалайзера, режим ARM 3 | ВЫКЛ. | ВКЛ. | ВЫКЛ. |
| 4-2 | Звуковые сигналы подтверждения выполнения команд | ВКЛ. | ВКЛ. | ВЫКЛ. |
| 4-3 | Длительность тревоги | 30 сек. | 30 сек. | 60 сек. |
| 4-4* | Дистанционная настройка датчика (ВХОД 1) - шаги 1-8 -тревожная зона - шаги 1-8 (9-16) - предупредительная зона |
4 4 |
- | + |
| 4-5* | Дистанционная настройка датчика (ВХОД 2) - шаги 1-8 - тревожная зона - шаги 1-8 (9-16) -предупредительная зона |
4 4 |
- | + |
| 4-6 | Режим отложенной охраны | ВЫКЛ. | ВКЛ. | ВЫКЛ. |
| 4-7 | Активизация Анти-Хай-Джек при открывании двери | ВЫКЛ. | ВКЛ. | ВЫКЛ. |
| 4-8 | Активизация Анти-Хай-Джек при включении зажигания | ВЫКЛ. | ВКЛ. | ВЫКЛ. |
| 4-9 | Режим тихой охраны | ВЫКЛ. | ВКЛ. | ВЫКЛ. |
| 4-10 ** | Выбор тональной последовательности для RF сирены 1-32 | 1 | увеличение | уменьшение |
| 5-1 | Изменение PIN-кода (1-99). | 1 | Ввод десятков. Нажать 1-9 раз. | Ввод единиц. Нажать 1-9 раз. |
| 5-2 | Стирание кодов всех брелоков кроме используемого | - | Нажать обе кнопки вместе | |
| 5-3 | Возврат к заводским установкам | - | Нажать обе кнопки вместе | |
| 8-6 | Переход к установочному программированию | Нажать обе кнопки вместе | ||
* Дистанционная настройка датчиков
Если Вы используете датчики с возможность дистанционной настройки, то, дойдя до программного переключателя 2-4 или 2-5, установите желаемую чувствительность датчиков, подключенных к каждому из входов системы. Выбрав по числу миганий светодиода с помощью соответствующих кнопок брелока желаемую чувствительность основной (тревожной) зоны, нажмите одновременно кнопки 1 и 2: сирена выдаст двойной "чирп" и перейдет в режим настройки предварительной зоны, произведите настройку таким же образом.
1 вспышка светодиода соответствует максимальной чувствительности.
8 вспышек светодиода соответствует минимальной чувствительности.
Если Вы используете систему в режиме ЭКВАЛАЙЗЕР, таким же образом установите требуемую чувствительность датчиков для каждого режима охраны (программные переключатели 3-4. 3-5, 4-4 и 4-5).
** Только при использовании сирены Mongoose RF.
| Функция переключателя | Заводская установка | Кнопка 1 | Кнопка 2 | |
|---|---|---|---|---|
| Клаксон/пейджер | Пейджер | Клаксон | Пейджер | |
| 1-2 | Время импульса центрального замка | 0,6 сек. | 0,6 сек. | 4 сек. |
| 1-3 | Управление Анти-Хай-Джек в режиме Butler | ВЫКЛ. | ВКЛ. | ВЫКЛ. |
| 1-4 | Выбор режима временного отключения датчиков | 1 | 1=Все 2=Зоны предупреждения 3=датчик №1 кнопка 1 - вверх, кнопка 2 - вниз. | |
| 1-5 | Тестовый режим пейджера | ВЫКЛ. | ВКЛ. | ВЫКЛ. |
| 1-6 | Двушаговое отпирание | ВЫКЛ. | ВКЛ. | ВЫКЛ. |
| 1-7 | Блокировка с имитацией неисправности | ВЫКЛ. | ВКЛ. | ВЫКЛ. |
| 1-8 | 20 сек. импульс закрывания* | ВЫКЛ. | ВКЛ. | ВЫКЛ. |
| 1-9 | Учет задержки салонного света | ВЫКЛ. | ВКЛ. | ВЫКЛ. |
| 2-1 | Программируемый вход "+" 1** | 1 | Изменение номера функции 1-3 (кн.1 вверх / кн.2 вниз) | |
| 2-2 | Программируемый вход "+" 2** | 1 | Изменение номера функции 1-3 (кн.1 вверх / кн.2 вниз) | |
| 2-3 | Программируемый вход "-" *** | 1 | Изменение номера функции 1-4 (кн.1 вверх / кн.2 вниз) | |
| 2-5 | Программируемый дополнительный канал 1 | 1 | Изменение номера функции 1-9 (кн.1 вверх / кн.2 вниз) | |
| 2-6 | Программируемый дополнительный канал 2 | 1 | Изменение номера функции 1-9 (кн.1 вверх / кн.2 вниз) | |
| 2-7 | Программируемый дополнительный канал 3 | 1 | Изменение номера функции 1-9 (кн.1 вверх / кн.2 вниз) | |
* Только для автомобилей со штатной системой "комфорт".
Внимание! Не допускается включение режима 1-8 в случае прямой коммутации актуаторов на силовых реле во избежание выхода актуаторов из строя.
** Программируемые "+" входы могут работать в следующих режимах:
*** Программируемый "-" вход может работать в следующих режимах:
