Автосигнализация MS-155 состоит из:
Микропроцессор охранной автосигнализации MS-155 управляется однокнопочным радиобрелком с постоянным кодом Keeloq(r). Непосредственно охрану автомобиля осуществляет встроенный многоуровневый вибродатчик с адекватной реакцией. По характеру сигналов тревоги Вы точно различите степень покушения на Ваш автомобиль. Совместно с вибродатчиком о покушении сигнализирует одна контактная зона. Противоугонная функция системы может быть реализована путем блокировки запуска двигателя во время охраны по одному каналу.
В зависимости от желания владельца в комплект системы могут входить 1 или 2 брелка.
Автосигнализация MS-155 сообщает как об открывании дверей, капота/багажника, так и о попытках злоумышленника снять колеса, стекла или причинить другие механические повреждения. Сигнализация имеет две охранные зоны:
Двери - контактная зона сигнализирует об открытии дверей, при нарушении контактной зоны сигнализация выдает серию длинных прерывистых сигналов тревоги. Сопровождается световой сигнализацией.
Зона вибродатчика - встроенный многоуровневый электронный вибродатчик с адекватной реакцией сигнализирует о покушениях, толчках и воздействиях на автомобиль. Чувствительность вибродатчика не регулируется. Оперативное изменение чувствительности вибродатчика (3 уровня) происходит дистанционно при постановке сигнализации на охрану с радиобрелка. При срабатывании охранной зоны вибродатчика сигнализация выдает от 1 до 30 коротких звуковых сигналов тревоги, которые будут сопровождаться световой сигнализацией.
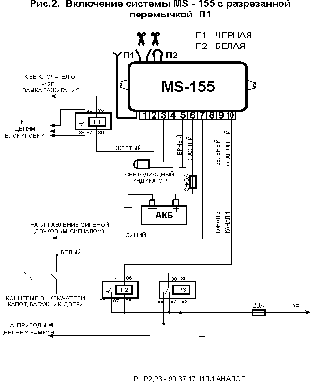
Режимы работы дополнительных каналов выбираются в зависимости от состояния программирующей перемычки черного цвета, а именно: разрезана, не разрезана.
Этот режим установлен фирмой-изготовителем. В этом случае 1-ый дополнительный канал (10-й контакт разъема сигнализации) работает в качестве слаботочного выхода управления внешним реле световой сигнализации. Импульсные сигналы низкого уровня будут появляться на выходе этого канала при постановке /снятии сигнализации с охраны, а также при срабатывании охранных зон.
2-ой дополнительный канал (9-й контакт разъема) работает в качестве выхода управления внешним пейджером. Сигналы низкого уровня длительностью от 5 до 30 сек. появляются на выходе этого канала при срабатывании охранных зон, кроме того, на выходе канала появляются импульсные сигналы управления, предназначенные для управления пейджером типа MS-P. Эти сигналы проходят во время срабатывания охранных зон, а также при включении и выключении режима "охраны" автосигнализации.
В этом случае оба дополнительных канала работают в качестве слаботочных выходов управления внешними реле контроллера дверных замков.
Импульсные сигналы управления внешними реле появляются на выходах этих каналов в момент постановки/снятия сигнализации с охраны, а именно: отрицательный импульс длительностью приблизительно 0,7 секунд появляется на выходе 2-го канала при постановке сигнализации на охрану, и отрицательный импульс низкого уровня длительностью 0,7 секунд . появляется на выходе 1-го канала при снятии сигнализации с охраны.
ВНИМАНИЕ! При снятии с охраны сигнализации, находящейся в режиме "тревоги", импульс на открывание дверей не выдается.
Сигнализация находится в режиме "снято с охраны". Нажмите кратковременно на кнопку брелка. Начнется индикация светодиодом режима "охраны".
Прозвучит 1 звуковой сигнал. Сигналы поворотов мигнут 1 раз. Включится блокировка двигателя. Автосигнализация перешла в режим "охраны" с 1-м уровнем чувствительности вибродатчика.
Примечание: Если какой-нибудь из контактных датчиков неисправен (замкнут на массу), прозвучат 3 звуковых сигнала, 3 раза мигнут сигналы поворотов. Автосигнализация встанет на охрану с 1-м (максимальным) уровнем чувствительности вибродатчика и с выключенной неисправной контактной зоной.
Сигнализация находится в режиме "снято с охраны". Этот режим полезен для оперативного уменьшения чувствительности вибродатчика дистанционно. В 1-м режиме чувствительность вибродатчика достаточно высокая, хорошо подходящая для тихих мест стоянки. Оставляя автомобиль в оживленных местах, чтобы избежать ложных срабатываний от проходящего рядом транспорта, рекомендуется ставить сигнализацию на охрану со 2-м уровнем чувствительности.
Нажмите кнопку брелка и не отпускайте. При этом начнется индикация светодиодом режима "охраны".
Прозвучит 1 звуковой сигнал, сигналы поворотов мигнут 1 раз. Включится блокировка двигателя. Продолжая удерживать кнопку, примерно через 1,5 сек. дождитесь, пока прозвучит еще 1 звуковой сигнал, и сигналы поворотов мигнут еще 1 раз. Отпустите кнопку, автосигнализация перешла в режим "охраны" с 2-м уровнем чувствительности вибродатчика.
Примечание: Если какая-нибудь из контактных зон неисправна, прозвучат 3+1 звуковых сигнала, 3 раза мигнут сигналы поворотов. Автосигнализация встанет на охрану с 2-м уровнем чувствительности вибродатчика и с выключенной неисправной контактной зоной.
Нажмите и удерживайте кнопку брелка. Начнется индикация светодиодом режима "охраны". Прозвучит 1 звуковой сигнал, сигналы поворотов мигнут 1 раз. Включится блокировка двигателя. Продолжая удерживать кнопку, через 1,5 сек. дождитесь, пока прозвучит еще 1 звуковой сигнал, и сигналы поворотов мигнут 1 раз. Еще примерно через 1 сек. прозвучит еще 1 звуковой сигнал, и еще 1 раз мигнут сигналы поворотов. Отпустите кнопку, автосигнализация перешла в режим "охраны" с 3-м уровнем чувствительности.
Примечание: Если какая-нибудь из контактных зон неисправна, прозвучат 3+1+1 звуковых сигнала, 3 раза мигнут сигналы поворотов. Автосигнализация встанет на охрану с 3-м уровнем чувствительности вибродатчика и с выключенной неисправной контактной зоной.
ВНИМАНИЕ! В случае использования пейджера MS-P через несколько секунд после постановки на охрану приемник пейджера выдаст короткий переливистый сигнал "режим "охраны" включен" и включится контроль радиоканала.
Сигнализация находится в режиме "охраны". Нажмите кратковременно кнопку брелка. При этом светодиодный индикатор погаснет, прозвучат 2 звуковых сигнала, сигналы поворотов мигнут 2 раза.
При снятии с охраны во время тревоги по любой охранной зоне не происходит разблокирование двигателя.
Примечание: Если за период нахождения автомобиля в режиме "охраны" было зафиксировано срабатывание какой-либо охранной зоны, то при снятии с охраны вместо 2-х прозвучат 4 звуковых сигнала, сигналы поворотов мигнут 4 раза.
ВНИМАНИЕ! Через несколько секунд после снятия с охраны приемник пейджера выдаст звуковой сигнал "снятие с охраны" и выключит контроль радиоканала.
Автосигнализация MS-155 позволяет дистанционно с брелка вызвать сигнал тревоги. Это бывает полезно для отпугивания посторонних лиц или для поиска автомобиля на стоянке. Режим "паники" может быть включен как в режиме "охраны", так и в режиме "снято с охраны". Для включения "паники" нажмите кнопку брелка и удерживайте ее более 8 сек. до появления длинных прерывистых сигналов тревоги. Повторное нажатие на кнопку выключит режим "паники" и возвратит автосигнализацию в прежний режим работы, или режим "паники" автоматически завершится через 30 сек., но при этом автосигнализация в прежний режим не вернется.
В случае вызова режима "паники" из охраны не происходит отпирание дверей и разблокирование двигателя.
При вызове режима "паники" из режима "снято с охраны" после автоматического окончания тревоги через 30 секунд сигнализация окажется в режиме "охраны" с 3-м уровнем чувствительности вибродатчика.
Постановка на охрану сигнализации с 1, 2, 3-м уровнями чувствительности вибродатчика имеет следующие отличия по сравнению с 1-м режимом работы дополнительных каналов:
Снятие с охраны имеет следующие отличия по сравнению с 1-м режимом работы программируемых каналов:
Примечание: В случае, если снятие с охраны происходит во время прохождения любого сигнала тревоги, отпирание дверей и разблокирование двигателя не происходит.
Данный режим может быть использован для предотвращения случайного снятия с охраны автомобиля рассеянным автовладельцем. Если владелец снял автомашину с охраны и примерно в течение 30 секунд не открыл двери или капот/багажник, то автосигнализация снова автоматически возвращается в тот же режим "охраны", в котором она была до этого.
ВНИМАНИЕ! Включение функции защиты от рассеянности возможно только с исправными контактными зонами. Если автомобиль был поставлен на охрану с неисправными зонами дверей или капота/багажника, то включение защиты от рассеянности невозможно.
Программирование режима автоматического "перевключения" осуществляется с помощью перемычки белого цвета, если перемычка не перерезана (вариант фирмы-изготовителя), режим "автоперевключения" выключен, если перемычка перерезана - режим "автоперевключения" включен. "Автовозврат" сигнализации в режим "охраны" сопровождается однократным звуковым и световым сигналом. Сразу после снятия с охраны индикаторный светодиод сигнализации начинает равномерно мигать в течение 30 секунд, отведенных владельцу для того, чтобы подойти к автомашине, открыть дверь, капот/багажник, после чего светодиодная индикация прекращается. Если же срабатывание контактной зоны не произошло, сигнализация возвращается в режим "охраны", а светодиодный индикатор вспыхивает непрерывно, после чего переходит в экономичный режим индикации.
Слаботочный выход блокировки двигателя (желтый провод) сигнализации может находиться в 2-х состояниях:
При снятии с охраны во время тревоги или при вызове "паники" из режима "охраны" двигатель остается заблокированным. В этом случае необходимо еще раз включить и выключить режим "охраны".
Если в режиме "охраны" контактный датчик непрерывно замкнулся на массу, то примерно через 50 сек. тревоги сигнализация принудительно выключит все виды тревог на 10 сек., после чего произведет повторное тестирование контактной зоны. Если замыкание на массу входа контактной зоны сохранилось, то пройдет еще один цикл тревоги (50 сек. + 10 сек.), и так - до 5 циклов. После 5-го цикла контактная зона будет отключена. Отключение также произойдет и в том случае, если между этими 5-ю циклами тревоги были паузы.
Примерно через 40 мин. после отключения контактной зоны сигнализация разрешит однократное срабатывание зоны. Если срабатывание не происходит, то еще через 40 мин. будет разрешено двукратное срабатывание зоны и т.д. с последующим полным восстановлением работы охранной зоны.
Если в режиме "охраны" произошло 5 срабатываний вибродатчика, то вибродатчик сигнализации автоматически переходит на более низкий уровень чувствительности с 1 на 2 или с 2 на 3. Если после этого тревоги прекратились, то через 40 мин. происходит возврат к прежнему уровню чувствительности и разрешается однократное срабатывание вибродатчика на этом уровне. Если срабатывание не происходит, то через 40 мин. будет разрешено двукратное срабатывание на прежнем уровне и т.д., с последующим полным восстановлением работы охранной зоны.
Если воздействие на зону вибродатчика происходит непрерывно, то тревога проходит по принципу:
"50 сек. - тревога" - "10 сек. - пауза". Это помогает предотвратить зацикливание охранной зоны, например, в случае просадки питающего напряжения.
Необходимо учитывать, что в процессе эксплуатации на сигнализацию могут воздействовать разнообразные помехи, которые могут уменьшать дальность действия брелка. В этом случае следует управлять сигнализацией на более близком расстоянии.
Возможен также случай, когда в условиях помех после снятия с охраны сигнализация не сразу откроет дверь и разблокирует двигатель, однако время задержки не превысит 8 сек.
Отверните винт на задней стенке брелка. Аккуратно снимите верхнюю крышку, не повредив светодиод. Убедившись, что Вы не ошиблись в полярности устанавливаемого элемента, поменяйте батарейку. Поставьте крышку на место, заверните винт, но не так сильно, чтобы не сломать корпус брелка.
Не трогайте радиодетали брелка! Это может привести к его "расстройке".
Если Вы потеряли единственный брелок, то снять автомобиль с охраны и запомнить новые брелки невозможно. В этом случае необходимо обращаться в сервисный центр, где Вам постараются оказать необходимую помощь в зависимости от конкретной ситуации.
| Отрицательный выход звукового сигнала | 1,5А |
| Отрицательный выход блокировки двигателя | 0,5А |
| Отрицательные программируемые выходы дополнительных каналов | 0,5А |
| Радиус действия брелка | 30м |
| Код радиоуправления | Постоянный код KeeLoq |
| Напряжение питания | 10-15В |
| Ток потребления | не более 20mA |
| Питание брелка | Элемент А23 |
| Температурный диапазон | |
| Основного блока | -40 - +65оС |
| Брелка | +1 - +40оС |

