
Перед установкой внимательно изучите руководство по эксплуатации и руководство по монтажу. В процессе установки предохранители системы должны быть извлечены из своих гнезд. Распакуйте СПС. Выберите место установки базового блока СПС. Это место должно быть труднодоступным для потенциального угонщика. Желательно выбрать место так, чтобы доступ к нему осуществлялся с помощью специального инструмента.
Установите базовый блок с помощью пластиковой стяжки или винтов-саморезов. Антенна базового блока, представляющая собой выходящий отрезок провода около 20 см длиной, должна быть расправлена на полную длину и расположена так, чтобы прием сигнала был устойчивым.
Выберите место для установки датчика удара или объема, используя руководство по монтажу. Датчик закрепленный в этом месте должен хорошо и стабильно реагировать на удары или проникновение в автотранспортное средство. Подключить кабель датчика к разъему базового блока согласно рис.1.
Установите индикатор состояния системы на приборной панели так , чтобы обеспечить нормальный обзор как в салоне так и снаружи автомобиля, подключите кабель индикатора к разъему согласно рис.1.
Установите кнопку VALET системы в легкодоступном, но в то же время скрытом от посторонних глаз месте, подключите кабель кнопки к разъему согласно рис.1.
Произведите соединения шлейфов СПС с проводкой автомобиля в соответствии с руководством по монтажу и учитывая топологию проводки автомобиля.
При необходимости соединить СПС с дополнительными устройствами, такими как: центральный замок, блок управления стеклоподъемниками, запуском двигателя и т.д.
Закрепить проводку изоляционной лентой, при этом желательно максимально обеспечить маскировку проводки
Установить предохранители в свои гнезда.
Запрограммировать систему СПС в соответствии с пожеланиями владельца автомобиля, используя руководство по программированию системы.
При подключении к базовому блоку внешних реле нет необходимости использовать защитные диоды. Они уже предусмотрены схемотехникой базового блока.
Четырехконтактный разъем служит для подключения двухуровневого датчика удара или объема. Функциональное назначение контактов разъема блока управления приведено ниже (нумерация слева направо):
1 - сигнальный вход тревожного уровня (-);
2 - сигнальный вход предупредительного уровня(-);
3 - общий ОВ;
4 - питание датчика +12В.
ВНИМАНИЕ: Не устанавливайте слишком высокую чувствительность датчика удара, это может вызвать ложные срабатывания СПС.
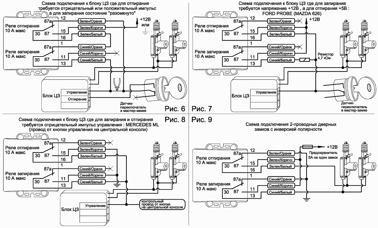
Система позволяет управлять дверными замками различных типов, с разной длительностью и типом управляющего сигнала. Предусмотрены следующие типы сигнала и длительности, которые выставляются при программировании системы. Раздел "программирование системы", уровень 7:
ВНИМАНИЕ: Неверно установленная длительность сигнала управления центральным замком может привести к выходу из строя элементов или частей его схемы.
На рис. 2... 10 приводятся различные примеры схем подключения дверных замков автомобилей.



Схему двухступенчатого открывания дверей (сначала дверь водителя, затем все остальные) возможно осуществить двумя способами. Если центральный замок автомобиля - поддерживает функцию управления двумя импульсами, то можно выбрать схему подключения по рис.2...9, а настройки Подуровней 7.6 и 7.7 - установить в состояние "РАЗРЕШЕНО". Тогда при снятии системы с охраны кнопкой "2" брелока будет открыта только дверь водителя, а для открытия остальных дверей будет нужно нажать кнопку "2" брелока еще раз. При постановке на охрану все двери будут блокированы двумя импульсами - от открывания снаружи и изнутри.
Если центральный замок устанавливается на автомобиль вместе с системой охраны, или существующий центральный замок не поддерживает функцию двухступенчатого открывания, то для ее реализации необходимо использовать таймерный канал. Схема подключения показана на рис. 10. Система должна быть запрограммирована следующим образом: Подуровни 5.2, 5.3, 5.4, 5.5, 7.5, 7.6, 7.7 - в соответствии с заводскими настройками, а Подуровень 5.1 - "ЗАПРЕЩЕНО". В этом случае при снятии системы с охраны кнопкой "2" брелока будет открыта только дверь водителя, а для открытия остальных дверей будет нужно нажать кнопку "3" брелока на 1 сек. При постановке на охрану все как обычно, двери блокируются автоматически.
Базовый блок СПС PANDORA RX-100 имеет одно внутреннее реле для осуществления блокировки двигателя. Все три контакта реле выведены на двадцатиконтактный разъем (17 контакт - общий вывод реле, 14 контакт - нормально замкнутый вывод реле, 18 контакт - нормально разомкнутый вывод реле). В данной модели СПС существует возможность осуществления блокировки двигателя как нормально замкнутыми, так и нормально разомкнутыми контактами. Выбранный способ блокировки реализуется путем выбора нужной схемы подключения к электропроводке автомобиля и установкой типа блокировки (нормально замкнутая/нормально разомкнутая) при программировании системы.
Блокировка нормально замкнутыми контактами - во время нормальной эксплуатации автомобиля контакты реле все время замкнуты и размыкаются в следующем случае:
Блокировка нормально разомкнутыми контактами - реле все время разомкнуто, контакты замыкаются в следующем случае:
Внутреннее реле блокировки базового блока рассчитано на блокировку цепей автомобиля, ток в которых не превышает 10 А.
Чаще всего блокировки устанавливаются на следующие цепи автомобиля:
Типовые схемы реализации блокировок двигателя приведены на рисунках 11,12,13, но необходимо помнить, что блокировки, имеющие высокую стойкость к взлому, получаются только с применением нестандартного подхода.
ВНИМАНИЕ : Необходимо учитывать, что способ блокировки не должен создавать проблем во время движения автомобиля и снижать управляемость. При несоблюдении данного требования, в случае создания аварийных ситуаций компания ответственности не несет.
Для питания исполнительных реле блокировки следует выбирать такие цепи автомобиля, в которых во время движения не пропадает даже временно, напряжение +12В, или не отключается масса.

Канал радиооповещения выведен на 9 контакт двадцатиконтактного разъема базового блока и предназначен для подключения питания передатчика радиопейджера (в комплект не входит). Посредством данного выхода осуществляется дистанционное оповещение о наступлении тревожных событий через радиопейджер. При этом на 9 контакте разъема появляется +12В, тем самым включая передатчик радиопейджер. Максимальный ток потребляемый передатчиком должен быть не более ЗА.
События, при которых базовый блок СПС может включать передатчик радиопейджера, задаются при программировании системы.
Если передатчик радиопейджера потребляет ток более ЗА то для его подключения необходимо использовать внешнее реле (не входит в комплект).
Таймерный канал может использоваться для управления различными исполнительными устройствами автомобиля. Таймерный канал №1 выведен на 7 контакт двадцатиконтактного разъема базового блока. Максимальный ток, обеспечиваемый каналом не более 200мА. Во время работы канала на его выходе присутствует низкий уровень напряжения. В пассивном состоянии выход отключен.
Примерный перечень оборудования, для управления которым используется таймерный канал может включать:
Для подключения к таймерному каналу устройств с током потребления выше допустимого необходимо применять внешнее реле (не входит в комплект).
Алгоритм работы таймерного канала и временные характеристики задаются при программировании системы.
Схемы примерного использования таймерного канала показаны на рис 10,13,14.

При необходимости канал радиооповещения может использоваться как таймерный канал №2, для этого при программировании системы необходимо в настройках указать его назначение.
Для подключения звуковой сигнализации используется 8 контакт двадцатиконтактного разъема базового блока. В момент активации данного канала на выводе присутствует +12В. Максимальный ток канала ЗА. Если потребляемый ток сирены выше данного значения, или используются две сирены, то их подключение необходимо производить через внешнее реле (не входит в комплект) по схеме на рисунке 15.
Для подключения световой сигнализации используются 10 и 19 контакты двадцатиконтактного разъема базового блока. Максимальный ток по каждому из каналов не более 5А. Питание каналов световой сигнализации осуществляется отдельно от питания базового блока через 20 контакт того же разъема, в цепь питания установлен предохранитель 10 А.
При установке базового блока провод с 10 контакта двадцатиконтактного разъема подключается к проводке фонарей левого поворота, а 19 контакт того же разъема к проводке фонарей правого поворота.
При необходимости использования в качестве аварийной сигнализации габаритных фонарей , провода от 10 и 19 контактов замыкаются между собой и подключаются к проводке габаритных огней.
Подключение концевых выключателей дверей производится к 4 контакту двадцатиконтактного разъема базового блока. Обычно в автомобилях стационарные концевые выключатели дверей подключены параллельно и вывод от любого из выключателей возможно подключить к базовому блоку.
Если в автомобиле предусмотрен блок управления салонным освещением или выключатели дверей подключены раздельно, то к базовому блоку СПС возможно подключить вывод салонного освещения. Необходимо удостовериться, что на выводе салонного освещения, при открывании дверей, всегда появляется напряжение +12В независимо от положения выключателей.
Базовый блок позволяет подключать концевые выключатели дверей подключенные как к +12В так и к массе автомобиля. Полярность выключателя устанавливается при программировании системы. Так же при программировании системы возможно установить задержку при принятии концевого выключателя под охрану, что необходимо на автомобилях с задержкой выключения салонного освещения.
Подключение концевых выключателей капота и багажника производится к 5 контакту двадцатиконтактного разъема базового блока. Для этого необходимо установить концевые выключатели в выбранном удобном месте капота и багажника, соединить их параллельно проводом и подключить его к базовому блоку.
В момент поставки система имеет следующие настройки программы.
| № уровня | № подуровня | Состояние |
|---|---|---|
| 1 | 1.1. | Записан код 1-го брелока |
| 1.2. | Записан код 2-го брелока | |
| 1.3. | Записан код 2-го брелока | |
| 2 | 2.1. | Записан секретный код "1-1" |
| 3 | 3.1. | Сигнал сирены при предупредительном уровне РАЗРЕШЕНО |
| 3.2. | Сигнал сирены в режиме тревоги и "паники" РАЗРЕШЕНО | |
| 4 | 4.1. | Включение иммобилайзера после снятия с охраны ЗАПРЕЩЕНО |
| 4.2. | Автоматическая перепостановка на охрану ЗАПРЕЩЕНО | |
| 4.3. | Пассивная постановка на охрану ЗАПРЕЩЕНО | |
| 5 | 5.1. | Управление замком багажника по таймерному каналу РАЗРЕШЕНО |
| 5.2. | Включение таймерного канала при постановке на охрану ЗАПРЕЩЕНО | |
| 5.3. | Включение таймерного канала при снятии с охраны ЗАПРЕЩЕНО | |
| 5.4. | Вкл./ выкл. постоянно таймерного канала кнопкой 3 брелока ЗАПРЕЩЕНО | |
| 5.5. | Длительность работы таймерного канала 0,8 СЕК | |
| 6 | 6.1. | Вкл. канала радиооповещения при предупредительном уровне ЗАПРЕЩЕНО |
| 6.2. | Вкл. канала радиооповещения при снятии с охраны ЗАПРЕЩЕНО | |
| 6.3. | Вкл. канала радиооповещения при постановке на охрану ЗАПРЕЩЕНО | |
| 6.4. | Вкл. канала радиооповещения в режиме тревоги ЗАПРЕЩЕНО | |
| 6.5. | Длительность работы канала радиооповещения 15 СЕК | |
| 7 | 7.1. | Длительность сигнала управления замками дверей 0,8 СЕК |
| 7.2. | Запирание/ отпирание замков при вкл./выкл. зажигания ЗАПРЕЩЕНО | |
| 7.3. | Полярность концевого выключателя дверей ОТРИЦАТЕЛЬНЫЙ | |
| 7.4. | Откл. концевого выключателя двери при постановке на охрану ЗАПРЕЩЕНО | |
| 7.5. | Отпирание дверей при снятии с охраны РАЗРЕШЕНО | |
| 7.6. | Отпирание дверей двойным импульсом ЗАПРЕЩЕНО | |
| 7.7. | Запирание дверей двойным импульсом ЗАПРЕЩЕНО | |
| 7.8. | Задержка отключения концевых выключателей дверей при постановке на охрану 15СЕК | |
| 8 | 8.1. | Тип контактов реле блокировки НОРМАЛЬНО ЗАМКНУТЫЕ |
| 9 | 9.1. | Разрешить функцию "Anti Hi Jack" ЗАПРЕЩЕНО |