| Несущая частота радиосигнала управления | 433,92 МГц |
| Стабилизация несущей частоты | фильтр ПАВ |
| Максимальный радиус действия брелка | 30 м* |
| Тип встроенного датчика удара | пьезоэлектрический |
| Рабочая температура | от -40 до +85°С |
| Напряжение питания постоянного тока | 9-18 В |
| Потребляемый ток в режиме охраны | не более 11 мА |
| Максимально допустимый ток на выходах: | |
| - цепей управления габаритами | 2х10 А |
| - цепи сирены | 3 А |
| - цепей управления центральным замком | 15 А |
| - цепи управления реле блокировки двигателя | 300 мА |
| - цепи управление приводом замка двери водителя | 300 мА |
| - цепи дополнительного канала | 300 мА |
| Питание брелка | 6 В (2 батареи CR2016) |
* Дальность действия брелка может уменьшаться в зависимости от места установки антенны, месторасположения автомобиля и пользователя, радиопомех, погодных условий, состояния аккумулятора и элемента питания брелка.
Система выполняет заложенные в нее функции либо автоматически, либо по сигналам брелка при нажатии кнопок. Часть функций и некоторые параметры работы системы могут изменяться Вами путем программирования. Для удобства заголовки описаний изменяемых функций сопровождаются примечанием "программируемая функция". Порядок программирования и перечень программируемых функций приведены в разделе "Программирование функций и параметров работы".
Брелки представляют собой миниатюрные радиопередатчики сигналов управления сигнализацией. Брелок действует с расстояния до 15-30 метров. Следует иметь в виду, что в некоторых районах, например, вблизи аэропортов, промышленных предприятий, весьма высок уровень помех, которые могут сократить радиус действия брелка.

кнопка 1
включение режима охраны
запирание замков дверей
включение режима паники
кнопка 2
выключение режима охраны и режима иммобилизатора
отпирание замков дверей
двухшаговое отпирание замков дверей
управление дополнительным каналом
кнопки 1 и 2 одновременно
бесшумное включение и выключение режима охраны
В брелке используется 2 элемента питания типа CR2016,2х3 В. Потребление тока брелком незначительно, поэтому батарей хватает в среднем на 12 месяцев работы (все зависит от того, как часто Вы пользуетесь брелком). Замена батарей может быть выполнена владельцем самостоятельно.
Внимание! Обязательно соблюдайте полярность при установке батарей!
Перед включением режима охраны убедитесь, что зажигание выключено, двери, капот и багажник надежно закрыты. Для включения режима охраны нажмите кнопку 1 брелка.
1 короткий звуковой сигнал и 1 вспышка "габаритов" подтвердят включение. Автоматическое запирание замков дверей произойдет, если они подключены к сигнализации. Светодиодный индикатор будет постоянно светиться в течение 5 секунд, а затем начнет медленно мигать, показывая, что автомобиль охраняется.
Запрограммирована 30-секундная задержка опроса датчиков и наличие подтверждающих сигналов о неисправной зоне
Этот режим позволяет избежать появления сигналов тревоги при наличии задержки погасания салонного света в автомобиле. Если двери, капот или багажник окажутся плохо закрытыми, то в момент включения режима охраны последуют дополнительные 3 коротких звуковых сигнала и 3 вспышки габаритов, предупреждающие об этом. Необходимо закрыть двери, капот или багажник. В противном случае через 30 секунд начнутся сигналы тревоги, которые будут продолжаться в течение 3 минут или до момента их прерывания нажатием любой кнопки брелка.
Если двери, капот или багажник окажутся плохо закрытыми, то в момент включения режима охраны дополнительных звуковых и световых сигналов, предупреждающих об этом, не последует. Приблизительно через 5 секунд начнутся сигналы тревоги, которые будут продолжаться в течение 3 минут или до момента их прерывания нажатием любой кнопки брелка. Необходимо закрыть двери, капот или багажник, эти зоны автоматически будут взяты под охрану.
Для включения режима охраны без звуковых сигналов подтверждения нажмите кнопки 1 и 2 брелка одновременно. 1 вспышка "габаритов" подтвердит включение. Автоматическое запирание замков дверей произойдет, если они подключены к сигнализации. Светодиодный индикатор загорится постоянно в течение 5 секунд, а затем начнет медленно мигать, показывая, что автомобиль охраняется.
Внимание! Если двери, капот или багажник окажутся плохо закрытыми, то сигнализация предупредит об этом только световыми дополнительными сигналами. Подробно смотрите пункт "Самоконтроль охранных датчиков при включении режима охраны".
Сигнализация позволяет оперативно включить режим охраны с отключенным датчиком удара. Для этого необходимо после включения режима охраны повторно нажать кнопку 1 брелка. Повторное нажатие кнопки 1 брелка нужно произвести в момент постоянного свечения светодиодного индикатора, приблизительно в течение 5 секунд после включения режима охраны. Отключение датчика удара будет подтверждено 3 короткими звуковыми сигналами.
Примечание.
Если режим охраны включается бесшумно, то для отключения датчика удара необходимо повторно, в течение 5 секунд после включения режима охраны, нажать кнопки 1 и 2 брелка одновременно. Датчик будет отключен, но предупредительных сигналов не последует.
По Вашему желанию сигнализация может быть запрограммирована на автоматическое (пассивное) включение режима охраны. Если автоматическое включение запрограммировано, то режим охраны можно включить следующим образом:
Примечание.
Для выключения режима охраны нажмите кнопку 2 брелка.
2 коротких звуковых сигнала и 2 вспышки "габаритов" подтвердят выключение. Автоматическое отпирание замков дверей произойдет, если они подключены к сигнализации. Светодиодный индикатор погаснет. Откройте дверь автомобиля на время более 2 секунд, чтобы не произошло перевключение режима охраны.
Внимание!
Для выключения режима охраны без звуковых сигналов подтверждения нажмите кнопки 1 и 2 брелка одновременно. 2 вспышки "габаритов" подтвердят выключение. Замки дверей автоматически откроются, если они подключены к сигнализации. Светодиодный индикатор погаснет.
Если режим охраны включался бесшумно, то бесшумное включение режима охраны произойдет автоматически при нажатии кнопки 2 брелка. Откройте дверь автомобиля на время более 2 секунд, чтобы не произошло перевключение режима охраны.
Внимание!
Перед выключением режима охраны обратите внимание на светодиодный индикатор. Быстрое мигание светодиодного индикатора индицирует факт срабатывания сигнализации во время Вашего отсутствия. Независимо от того, как выключается режим охраны, со звуковыми сигналами подтверждения или бесшумно, факт срабатывания сигнализации будет подтвержден 4 дополнительными звуковыми сигналами после выключения режима охраны.
Примечание!
Если все циклы тревоги были прерваны брелком до их окончания, то при выключении режима охраны дополнительных звуковых сигналов не последует. Если хотя бы один цикл тревоги не был прерван брелком, то индикация факта срабатывания в виде дополнительных звуковых сигналов при выключении охраны будет присутствовать
Если в течение 30 секунд после выключения режима охраны двери не были открыты более чем на 2 секунды или не было включено зажигание, система автоматически закроет замки дверей автомобиля и вновь включит режим охраны. Это защищает от выключения режима охраны при случайном нажатии кнопки брелка. Подтверждающие сигналы и индикация светодиода те же, что и при включении режима охраны брелком.
Если в режиме охраны произойдет вторжение в любую из охраняемых зон, это вызовет автоматическое включение сигналов тревоги: звучание сирены или клаксона и мигание габаритных огней. Сигналы тревоги подаются циклами. Циклы тревоги в зависимости от причины срабатывания имеют следующую длительность:
Примечание.
Если Вы хотите прервать сигналы тревоги до их окончания, нужно нажать любую кнопку брелка. При этом сигнализация останется в режиме охраны. Светодиодный индикатор начнет вновь медленно мигать.
Для включения функции "паника" нажмите кнопку 1 брелка и удерживайте ее до начала сигналов тревоги - мигания габаритных огней и звучания сирены или клаксона. Длительность сигналов тревоги в режиме "паника" не ограничена. Для их прерывания нажмите любую кнопку брелка. Режим "паника" не изменяет состояния сигнализация. Режим "паника" может быть включен независимо от состояния режима охраны, а также при включенном или выключенном зажигании.
Если функция иммобилизатора запрограммирована, то двигатель будет автоматически блокироваться через 60 секунд после каждого выключения зажигания. Режим иммобилизатора индицируется постоянным свечением светодиодного индикатора при включенном зажигании.
Для выключения режима иммобилизатора необходимо нажать кнопку 2 брелка. Выключение режима иммобилизатора сопровождается открыванием замков дверей. Светодиодный индикатор погаснет.
Надежная блокировка двигателя сохраняется в течение всего периода охраны. Попытки угонщиков завести двигатель, несмотря на сигналы тревоги, будут бесполезны. Если запрограммирован нормально-разомкнутый тип контактов реле блокировки, то блокировка двигателя сохраняется и при отключении питания сигнализации или демонтаже центрального блока.
Любая попытка злоумышленника выключить режим охраны временным отключением питания окажется безуспешной. При отключении питания, например, сбросе клеммы с аккумулятора, система запоминает свое состояние. При восстановлении питания система снова окажется в том же состоянии. Если к системе подключена сирена с автономным питанием, то при отключении клеммы аккумулятора сирена включит звуковые сигналы тревоги.
Сигнализация имеет возможность двухшагового дистанционного отпирания замков дверей при выключении режима охраны. В этом случае при выключении режима охраны сначала откроется только дверь водителя. Для отпирания остальных дверей нужно еще раз коротко нажать кнопку 2 брелка. Для реализации этой функции замки дверей должны быть подключены по специальной схеме, приведенной в разделе "Инструкция по установке".
Примечание. После выключения режима охраны и отпирания водительской двери замки остальных дверей могут быть открыты нажатием кнопки 2 брелка через сколь угодно длительное время . Кроме того, каждое новое нажатие на кнопку 2 брелка будет приводить к поочередному отпиранию замка водительской двери, а затем всех остальных дверей. Отпирание замка водительской двери сопровождается сигналами подтверждения, отпирание остальных дверей происходит без сигналов подтверждения.
По Вашему желанию может быть введена функция запирания замков дверей от ключа зажигания. В этом случае через 5 секунд после включения зажигания замки дверей закроются и сразу после выключения зажигания - откроются. Открывание любой двери в течение 5 секунд после включения зажигания отменяет автоматическое запирание замков. Дверь должна быть открыта на время более 2 секунд.
Нажмите кнопку 2 брелка и удерживайте ее в нажатом положении до появления сигнала управления на специальном выходе сигнализации. Длительность сигнала 1 секунда.
К этому выходу может быть подключено, например, устройство открывания багажника. Активация канала подтверждается одной вспышкой "габаритов", а затем постоянным свечением габаритов в течение 15 секунд или до момента закрывания багажника. Дополнительный канал работает независимо от состояния режима охраны, а также при включенном или выключенном зажигании.
Примечание.
Для временного отключения охранных функций, например, при проведении работ на станции сервисного обслуживания, разработчиками предусмотрен специальный служебный режим Valet.
Для включения служебного режима:
В служебном режиме продолжают работать режим "паника", дистанционное отпирание/запирание замков дверей, поочередное отпирание замков двери водителя и остальных дверей, автоматическое запирание/отпирание замков от ключа зажигания, управление дополнительным каналом. Охранные функции системы отключаются.
Примечание. Если в служебном режиме активируется дополнительный канал (дистанционное открывание багажника), то светодиодный индикатор выключается. Светодиод опять загорится постоянно после очередного отпирания или запирания замков дверей брелком.
Для выхода из служебного режима:
Для экстренного отключения системы (например, в случае потери брелков) включите зажигание, нажмите и удерживайте сервисную кнопку до открывания замков дверей. Режим охраны выключится, сигналов подтверждения не последует, светодиодный индикатор погаснет.
Всего в память сигнализации можно записать 4 брелка. Запись кодов брелков производится при выключенных режимах охраны, иммобилизатора и выключенном режиме Valet в следующем порядке:
Внимание! При записи новых брелков необходимо перезаписать и старые, иначе они будут удалены из памяти.
Некоторые функции и параметры работы системы могут быть изменены с помощью сервисной кнопки и брелка без необходимости доступа к центральному блоку. Перечень программируемых функций приведен в таблице.
| Номер | Функции | Состояние функции | |
|---|---|---|---|
| кнопка 1 брелка | кнопка 2 брелка | ||
| 1 | Тип выхода на блокировку двигателя (тип контактов реле) | HP | НЗ |
| 2 | Пассивное включение режима охраны | есть | нет |
| 3 | Режим иммобилизатора | есть | нет |
| 4 | Длительность импульсов на центральный замок | 0,75 сек | 3,5 сек |
| 5 | Управление центральным замком от ключа зажигания | нет | есть |
| 6 | Вид звукового сигнала | постоянный (сирена) | прерывистый (клаксон) |
| 7 | Самодиагностика при включении режима охраны (задержка опроса датчиков) | есть (30 сек) | нет (5 сек) |
| 8 | Сброс всех функций на заводские установки и выход из программирования | сброс на заводские установки | подтверждение выхода |
| 9,10 | Выход из программирования | подтверждение выхода | |
| 11 | Настройка чувствительности датчика удара | ||
Серым цветом в таблице отмечена заводская предустановка функций и параметров.
Внимание! Программирование датчика удара в функции 11 рекомендуется проводить отдельной операцией. Произведенное изменение значений других функций не будет запомнено, если это происходит в одном цикле программирования вместе с функцией 11.
Чувствительность встроенного датчика удара регулируется дистанционно без необходимости доступа к центральному блоку, где он установлен. Установка чувствительности производится автоматически по запоминанию требуемой силы удара.
Регулировка производится в следующем порядке:
Индикация силы удара и ее запоминание в режиме настройки
При настройке чувствительности датчика удара весь его диапазон регулировки условно разделяется на 20 уровней. После удара по кузову автомобиля количеством звуковых сигналов показывается сила удара. Слабому удару соответствует 1 звуковой сигнал (1-й уровень), сильному удару - соответствует 20 звуковых сигналов (20-й уровень).
Сила удара при настройке запоминается и в дальнейшем будет являться порогом срабатывания датчика удара .В режиме охраны все удары превышающие этот порог будут вызывать срабатывание датчика удара.
Примечание. Длительность и вид звуковых сигналов при настройке служит лишь индикацией силы удара и не соответствует длительности и виду звуковых сигналов тревоги в режиме охраны от удара такой же силы.
Длительность сигналов тревоги от срабатывания датчика удара в режиме охраны
Длительность сигналов тревоги сигнализации от срабатывания датчика удара жестко привязана к определенной силе удара. Режим настройки датчика позволяет запрограммировать определенный порог срабатывания, но сигналы тревоги в режиме охраны все равно будут иметь строго определенную длительность, соответствующую данной силе удара. Самый слабый удар зарегистрированный датчиком вызывает сигналы тревоги с длительностью соответствующей этому удару. Самый сильный удар - 20 секундный цикл сигналов тревоги.
Например, при настройке запрограммирован средний 10-й уровень чувствительности датчика удара. В режиме охраны все удары, с меньшей указанного порога силой, игнорируются. Удары с силой превышающий порог 10-го уровня будут вызывать сигналы тревоги длительностью от 10 до 20 секунд, в зависимости от интенсивности удара. Если при настройке запрограммирован максимальный 20-уровень чувствительности, то в режиме охраны все срабатывания датчика удара будут вызывать 20-секундные сигналы тревоги.
На плате центрального блока сигнализации имеется регулятор чувствительности датчика удара, позволяющий изменять общую чувствительность датчика. Эта регулировка позволяет сместить установленное на фирме-производителе соотношение между силой удара и длительностью сигналов тревоги. Если для Вас важна длительность сигналов тревоги от датчика удара то, перед программированием Вы должны определить какую минимальную длительность сигналов от датчика удара Вы хотели бы иметь. Запрограммировать ее, и наконец, установить требуемую чувствительность датчика удара регулятором в центральном блоке.
Например, Вы хотите чтобы от слабых ударов следовали короткие 1 -секундные сигналы тревоги, а от более сильных ударов - сигналы тревоги пропорциональные интенсивности воздействия.
В этом случае рекомендуется следующая последовательность программирования:
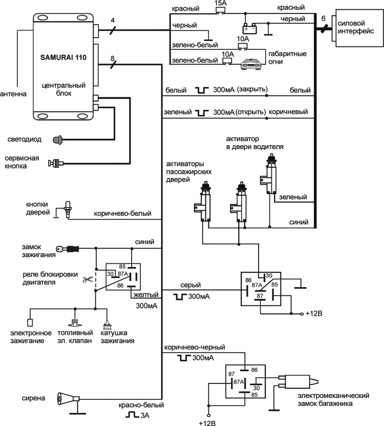
Автосигнализация SAMURAI110 может быть установлена на любые автомобили с напряжением аккумулятора 12В и отрицательным полюсом на корпусе. Центральный блок разместите в салоне в скрытом месте, предпочтительнее под приборной панелью - в этом случае длина соединительных проводов будет минимальной. Для предотвращения попадания в блок влаги рекомендуется установить его таким образом, чтобы исключить стекание капель конденсата по проводам внутрь корпуса. Закрепите блок с помощью винтов-саморезов или двухстороннего скотча, чтобы исключить его перемещение при вибрациях. При размещении блока учитывайте, что в нем установлен встроенный датчик удара. Блок необходимо устанавливать на поверхность хорошо передающую вибрации от кузова автомобиля. Сирену (в стандартный комплект системы не входит) разместите под капотом как можно дальше от источников тепла и влаги. Рупор сирены направьте вниз, чтобы избежать постоянного накопления воды. Убедитесь, что сирена и провода недоступны из-под машины.
Светодиодный индикатор закрепите на видном месте на приборной панели. Сервисную кнопку разместите в салоне в скрытном, но доступном пользователю месте.
Прокладку проводов производите как можно дальше от источников электрических помех - катушки зажигания, высоковольтных проводов и т.п. Обратите внимание на то, чтобы провода не соприкасались с движущимися частями конструкции автомобиля - педалями, рулевыми тягами и т.п. Монтаж соединений электропроводки необходимо производить при отсоединенном аккумуляторе автомобиля.
Внимание! Если автомобиль оборудован воздушной подушкой или имеет закодированный приемник, при отключении питания руководствуйтесь инструкцией по эксплуатации автомобиля или приемника.
Все неразъемные соединения выполняйте с помощью пайки и хорошо изолируйте.
Центральный блок и другие компоненты подключайте к разъемам кабелей только после завершения монтажа. Монтаж сигнализации производите в соответствии со схемой подключения.
Внимание! Не укорачивайте и не удлиняйте антенный провод, т.к. его размер сопряжен с настройкой антенного контура. Не рекомендуется прокладка антенны вдоль металлических частей кузова автомобиля, т.к. это снизит дальность действия брелков управления.
Красный провод - плюс питания, подключите к положительной клемме аккумулятора.
Зелено-белые провода - выходы для подключения к лампам габаритов или указателей поворота. Нагрузочная способность выходов 2 х 10А.
Черный провод - минус питания, соедините с корпусом автомобиля, обеспечив хороший контакт.
Красно-белый провод - положительный выход для подключения сирены или клаксона. Нагрузочная способность выхода 3А. Для подключения к клаксону необходимо использовать дополнительное реле.
Коричнево-белый провод - отрицательный вход для подключения кнопочных выключателей дверей, капота, багажника.
Зеленый провод - отрицательный выход (300мА) для отпирания замка двери водителя или всех дверей. Подключите к электроприводу замка двери водителя через силовой интерфейс.
Белый провод - отрицательный выход (300мА) для запирания замков дверей. Подключите к электроприводам замков дверей через силовой интерфейс.
Коричнево-черный провод - отрицательный выход дополнительного канала управления. При подключении нагрузки с током потребления более 300мА (например, устройства отпирания багажника) обязательно используйте дополнительное реле. На этом выходе формируется 1-секундный отрицательный импульс управления при нажатии кнопки 2 брелка.
Серый провод - отрицательный выход (300мА) для отпирания замков пассажирских дверей и реализации функции двухступенчатого отпирания замков дверей. При подключении к электроприводам замков необходимо использовать дополнительное реле. Длительность сигнала 1 сек. На этот выход не распространяется программирование увеличенной до 3,5 сек длительности импульса управления центральным замком.
Желтый провод - отрицательный выход (300мА) для подключения к реле блокировки двигателя. Работа этого выхода программируется для НЗ или НР типа контактов реле блокировки.
Синий провод - вход контроля наличия напряжения на замке зажигания, подключите к контакту 15 замка зажигания.
Светодиодный индикатор и сервисная кнопка, входящие в комплект системы, подключаются в соответствующие двухконтактные разъемы центрального блока. Сервисная кнопка имеет конструкцию нормально-разомкнутого типа, т.е. при нажатии кнопки контакты замыкаются.
Запрограммируйте функцию 1 в зависимости от используемого типа контактов реле блокировки: нормально-замкнутые или нормально-разомкнутые. В зависимости от модели автомобиля разорвите одну из штатных цепей запуска двигателя, например, между замком зажигания и катушкой, электронным зажиганием, бензонасосом, электроклапаном (для дизеля). В разрыв цепи подключите реле блокировки как показано на общей схеме подключения. Схема подключения приведена для нормально-замкнутых контактов реле блокировки.
Для реализации возможности дистанционного отпирания багажника электропривод замка багажника может быть подключен к дополнительному каналу управления системы (коричнево-черный провод). Максимальная нагрузка выхода - 300мА, при подключении необходимо использовать дополнительное реле, как показано на общей схеме подключения.
Для подключения системы к штатному автомобильному звуковому сигналу (клаксону) требуется дополнительное реле, подсоединяемое к красно-белому проводу сигнализации.
При подключении к автомобильному клаксону запрограммируйте прерывистый тип сигнала на красно-белом проводе (программируемая функция 6).
В автосигнализации SAMURAI110 для подключения к электроприводам замков дверей используйте силовой интерфейс, входящий в комплект. Силовой интерфейс представляет собой блок с 2 реле. Нагрузочная способность реле 15А. Необходимая для центрального замка длительность управляющих импульсов может быть запрограммирована на значения 0,7 или 3,5 секунды (функция 4).
Автосигнализация имеет возможность двухступенчатого отпирания замков дверей. Для реализации этой функции силовой выход интерфейса для отпирания замков дверей нужно подключить только к электроприводу замка водительской двери, а слаботочный выход для отпирания пассажирских дверей (серый провод) нужно подключить к электроприводам остальных дверей, через дополнительное реле. Смотри общую схему подключения сигнализации.
